Скачать Типовые проектные решения 407-03-410.86 Альбом II. Строительная частьДата актуализации: 01.01.2021
|
| Обозначение: | Типовые проектные решения 407-03-410.86 |
| Обозначение англ: | 407-03-410.86 |
| Статус: | справочные материалы, мп, тпр |
| Название рус.: | Альбом II. Строительная часть |
| Дата добавления в базу: | 01.09.2013 |
| Дата актуализации: | 01.01.2021 |
| Дата окончания срока действия: | 16.06.1986 |
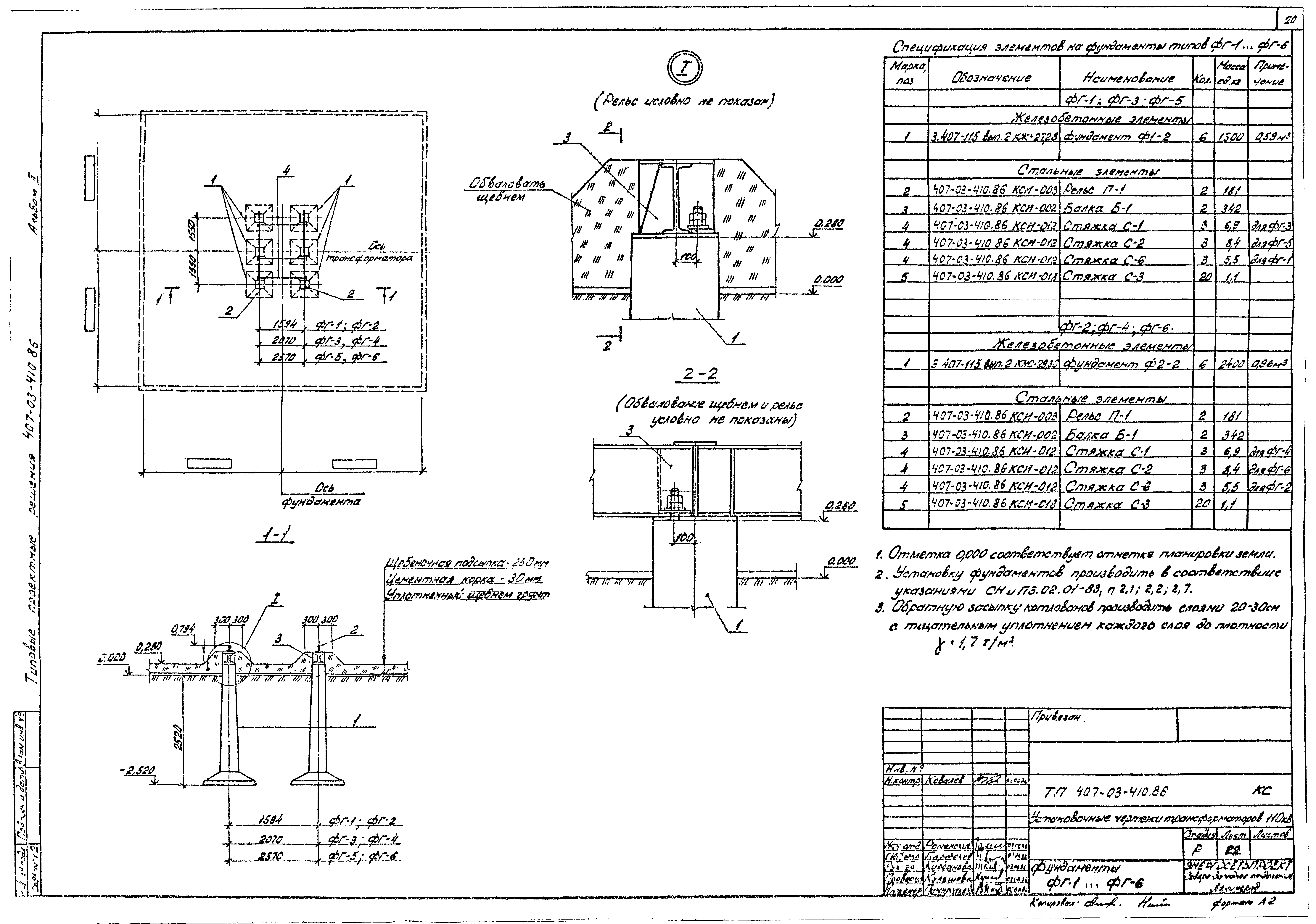
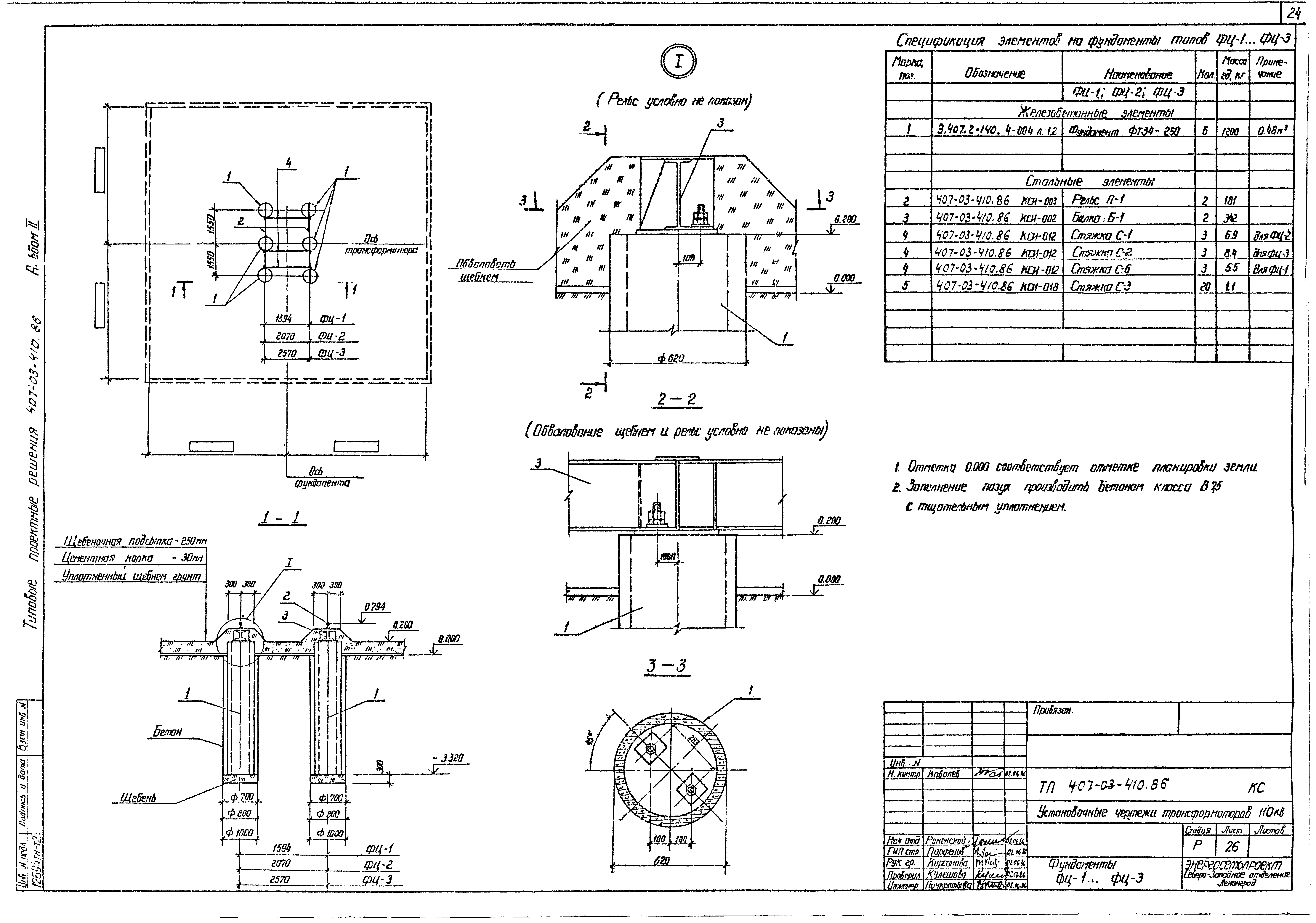
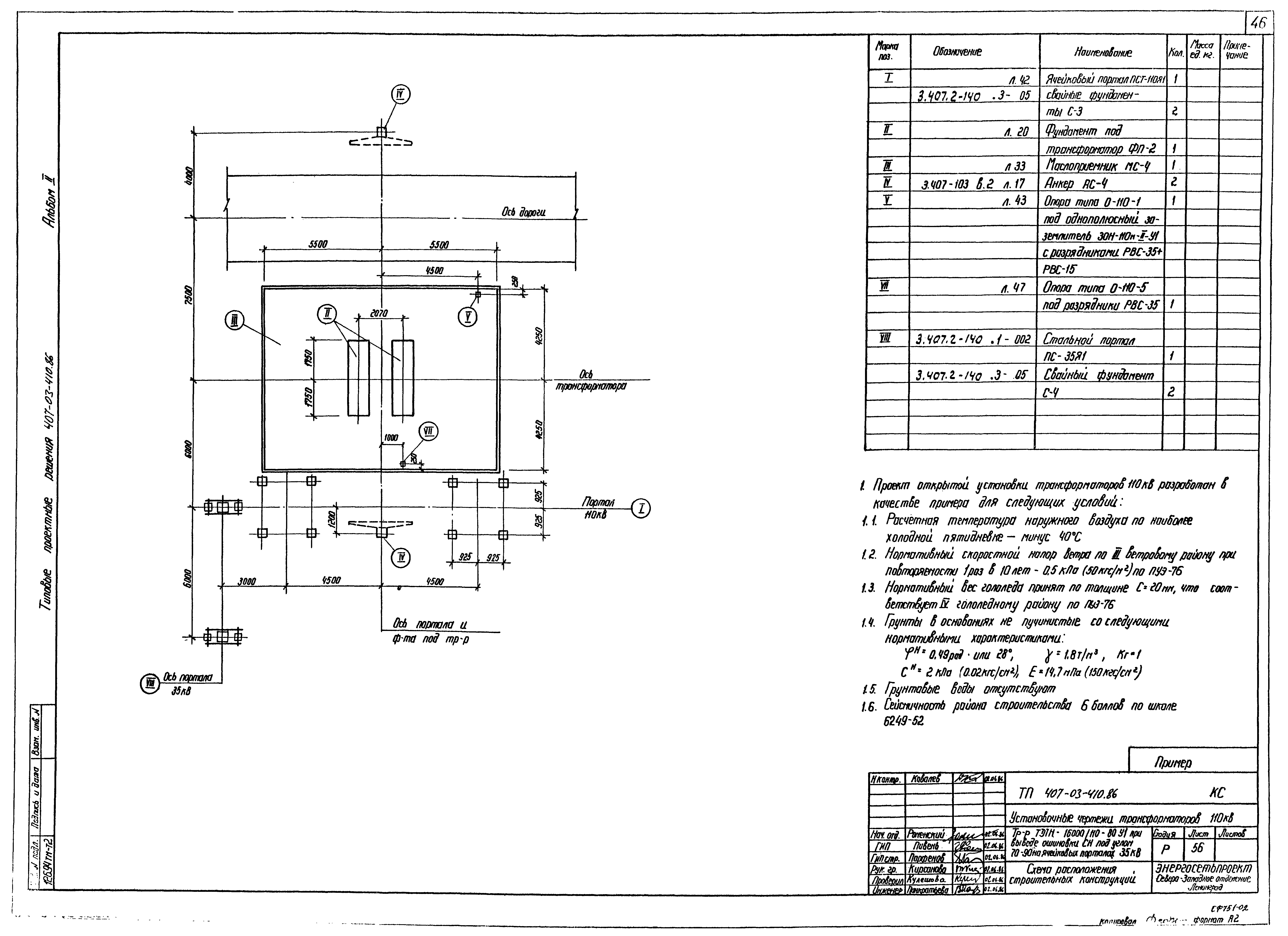
| Оглавление: | Содержание альбома Пояснительная записка ТП 407-03-410.86 КС-1 Трансформатор ТМН-2500/110-80У1. Схема расположения строительных конструкций ТП 407-03-410.86 КС-2 Трансформаторы ТМН-6300/110-80У1, ТДН-10000/110-82У1, ТДН-16000/110-79У1. Схема расположения строительных конструкций ТП 407-03-410.86 КС-3 Трансформатор ТРДН-25000/110-79У1. Схема расположения строительных конструкций ТП 407-03-410.86 КС-4 Трансформаторы ТРДН-40000/110-80У1, ТРДН-63000/110-80У1. Схема расположения строительных конструкций ТП 407-03-410.86 КС-5 Трансформатор ТРДН-80000/110-81У1. Схема расположения строительных конструкций ТП 407-03-410.86 КС-6 Трансформатор ТРДЦН-125000/110-74У1. Схема расположения строительных конструкций ТП 407-03-410.86 КС-7 Трансформаторы ТМТН-6300/110-81У1, ТДТН-10000/110-79У1 при выводе ошиновки СН вправо (влево) под углом 0…20 градусов. Схема расположения строительных конструкций ТП 407-03-410.86 КС-8 Трансформаторы ТМТН-6300/110-81У1, ТДТН-10000/110-79У1 при выводе ошиновки СН вправо (влево) под углом 70…90 градусов на ячейковых порталах 35 кВ. Схема расположения строительных конструкций ТП 407-03-410.86 КС-9 Трансформаторы ТМТН-6300/110-81У1, ТДТН-10000/110-79У1 при выводе ошиновки СН вправо (влево) под углом 70…90 градусов на одностоечных опорах 35 кВ. Схема расположения строительных конструкций ТП 407-03-410.86 КС-10 Трансформаторы ТДТН-16000/110-80У1, ТДТН-25000/110-79У1 при выводе ошиновки СН вправо (влево) под углом 0…20 градусов. Схема расположения строительных конструкций ТП 407-03-410.86 КС-11 Трансформаторы ТДТН-16000/110-80У1, ТДТН-25000/110-79У1 при выводе ошиновки СН вправо (влево) под углом 70…90 градусов на ячейковых порталах 35 кВ. Схема расположения строительных конструкций ТП 407-03-410.86 КС-12 Трансформаторы ТДТН-16000/110-80У1, ТДТН-25000/110-79У1 при выводе ошиновки СН вправо (влево) под углом 70…90 градусов на одностоечных опорах 35 кВ. Схема расположения строительных конструкций ТП 407-03-410.86 КС-13 Трансформатор ТДТН-40000/110-78У1 при выводе ошиновки СН вправо (влево) под углом 0…20 градусов. Схема расположения строительных конструкций ТП 407-03-410.86 КС-14 Трансформатор ТДТН-40000/110-78У1 при выводе ошиновки СН вправо (влево) под углом 70…90 градусов на ячейковых порталах 35 кВ. Схема расположения строительных конструкций ТП 407-03-410.86 КС-15 Трансформатор ТДТН-40000/110-78У1 при выводе ошиновки СН вправо (влево) под углом 70…90 градусов на одностоечных опорах 35 кВ. Схема расположения строительных конструкций ТП 407-03-410.86 КС-16 Трансформаторы ТДТН-63000/110-81У1, ТДТН-80000/110-83У1 при выводе ошиновки СН вправо (влево) под углом 0…20 градусов. Схема расположения строительных конструкций ТП 407-03-410.86 КС-17 Трансформаторы ТДТН-63000/110-81У1, ТДТН-80000/110-83У1 при выводе ошиновки СН вправо (влево) под углом 70…90 градусов на ячейковых порталах 35 кВ. Схема расположения строительных конструкций ТП 407-03-410.86 КС-18 Трансформаторы ТДТН-63000/110-81У1, ТДТН-80000/110-83У1 при выводе ошиновки СН вправо (влево) под углом 70…90 градусов на одностоечных опорах 35 кВ. Схема расположения строительных конструкций ТП 407-03-410.86 КС-19 Реакторная группа РОД-33333/110. Схема расположения строительных конструкций ТП 407-03-410.86 КС-20 Фундаменты ФП-1…ФП-4 ТП 407-03-410.86 КС-21 Фундаменты ФП-5 ТП 407-03-410.86 КС-22 Фундаменты ФГ-1…ФГ-6 ТП 407-03-410.86 КС-23 Фундаменты ФГ-7 ТП 407-03-410.86 КС-24 Фундаменты ФС-1…ФС-8 ТП 407-03-410.86 КС-25 Фундаменты ФС-9 ТП 407-03-410.86 КС-26 Фундаменты ФЦ-1…ФЦ-3 ТП 407-03-410.86 КС-27 Фундаменты ФЦ-4 ТП 407-03-410.86 КС-28 Фундаменты ФП-1…ФП-5. Крепление рельса к плитам типа НСП ТП 407-03-410.86 КС-29 Фундаменты ФГ-1…ФГ-7, ФС-1…ФС-9, ФЦ-1…ФЦ-4. Крепление рельса к балке Б-1 ТП 407-03-410.86 КС-30 Маслоприемник МС-1 ТП 407-03-410.86 КС-31 Маслоприемник МС-2 ТП 407-03-410.86 КС-32 Маслоприемник МС-3 ТП 407-03-410.86 КС-33 Маслоприемник МС-4 ТП 407-03-410.86 КС-34 Маслоприемники. Узлы 1…5 ТП 407-03-410.86 КС-35 Одностоечная опора 35 кВ ОГ-1 ТП 407-03-410.86 КС-36 Одностоечная опора 110 кВ ОГ-2, ОГ-3 ТП 407-03-410.86 КС-37 Одностоечная опора 35 кВ ОГС-1 ТП 407-03-410.86 КС-38 Одностоечная опора 110 кВ ОГС-2, ОГС-3 ТП 407-03-410.86 КС-39 Ячейковый портал ПЖ-110Я1 ТП 407-03-410.86 КС-40 Ячейковый портал ПЖС-110Я1 ТП 407-03-410.86 КС-41 Ячейковый портал ПСЛ-110Я1 ТП 407-03-410.86 КС-42 Ячейковый портал ПСТ-110Я1 ТП 407-03-410.86 КС-43 Опора 0-110-1 под однополюсный заземлитель ЗОН-110м-II-У1 с разрядниками РВС-35 - РВС-15 (РВМ-35 - РВМ-20) ТП 407-03-410.86 КС-44 Опора 0-110-2 под однополюсный заземлитель ЗОН-110м-II-У1 с разрядниками РВС-35 - РВС-15 (РВМ-35 - РВМ-20) ТП 407-03-410.86 КС-45 Опора 0-110-3 под разрядники РВС-35 со шкафом ШД-2 ТП 407-03-410.86 КС-46 Опора 0-110-4 под разрядники РВС-35 со шкафом ШД ТП 407-03-410.86 КС-47 Опора 0-110-5 под разрядники РВС-35 ТП 407-03-410.86 КС-48 Опора 0-110-6 под шкаф управления системой охлаждения ТП 407-03-410.86 КС-49 Опора 0-110-7 под шкаф типа ШД-2 ТП 407-03-410.86 КС-50 Опора 0-110-8 под трансформатор тока ТФЗМ-35А-У1 с шкафом ТП 407-03-410.86 КС-51 Опора 0-110-9 под трансформатор тока ТФЗМ-35А-У1 ТП 407-03-410.86 КС-52 Устройство для создания уклона трансформатора по его продольной оси ТП 407-03-410.86 КС-53 Трансформатор ТРДЦН-125000/110. Устройство для создания уклона трансформатора по его продольной оси ТП 407-03-410.86 КС-54 Трансформатор ТМН-2500/110-80У1. Устройство для создания уклона трансформатора по его продольной оси ТП 407-03-410.86 КС-55 Трансформаторы ТМН-6300/110-80У1,ТДН-10000/110-82У1,ТМТН-6300/110-81У1,ТДТН-10000/110-79У1 Чичикского трансформаторного завода. Устройство для создания уклона трансформатора по его продольной оси ТП 407-03-410.86 КС-56 Трансформатор ТДТН-16000/110-80У1 при выводе ошиновки СН под углом 70…90 градусов на ячейковых порталах 35 кВ. Схема расположения строительных конструкций. Пример ТП 407-03-410.86 КС-57 Типы закрепления опор под оборудование в грунте |
| Разработан: | Северо-западное отделение института Энергосетьпроект |
| Утверждён: | 16.06.1986 Минэнерго СССР (USSR Minenergo 7) |















































