Скачать Типовой проект 902-2-354 Альбом 1. Пояснительная запискаДата актуализации: 01.01.2021
|
| Обозначение: | Типовой проект 902-2-354 |
| Обозначение англ: | 902-2-354 |
| Статус: | не определен законодательством |
| Название рус.: | Альбом 1. Пояснительная записка |
| Дата добавления в базу: | 01.09.2013 |
| Дата актуализации: | 01.01.2021 |
| Дата введения: | 01.04.1983 |
| Дата окончания срока действия: | 30.06.2003 |
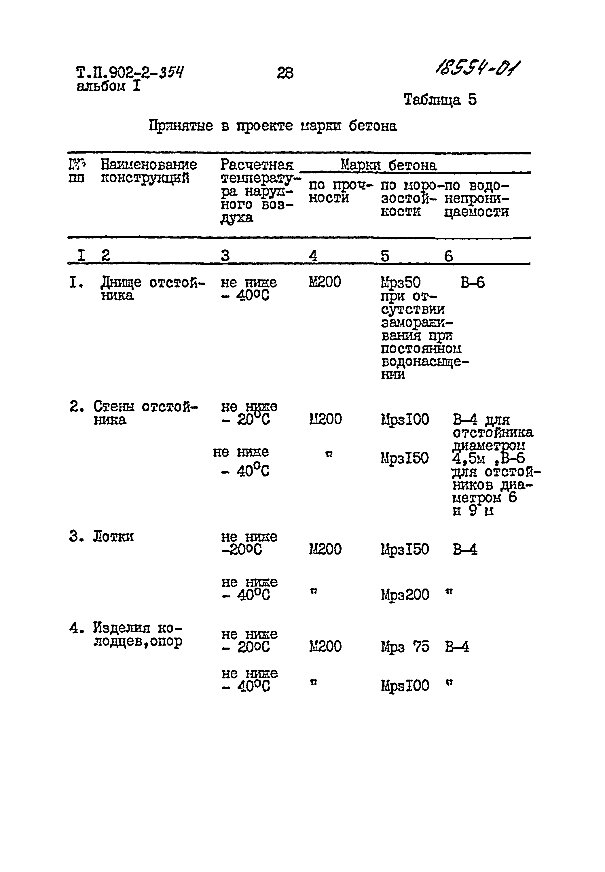
| Оглавление: | Общая часть Технологическая часть Описание отстойника и схема его работы Гидравлический расчет отстойников Компоновочные решения и гидравлические расчеты коммуникационных лотков Строительная часть Исходные данные Конструктивные решения Отстойники диаметром 4, 5, 6 и 9 м из сборного железобетона Отстойники диаметром 4, 5 м из монолитного железобетона Распределительная камера, иловые колодцы, подводящие и отводящие лотки Основные расчетные положения Материалы конструкций Бетон Стальные конструкции Прочие материалы Мероприятия по защите от коррозии Гидравлические испытания Основные положения по организации строительных и монтажных работ Подготовительные работы Земляные работы Бетонные и железобетонные работы Прочие работы Производство работ в зимнее время Техника безопасности Указания по привязке проекта Приложение 1 |
| Разработан: | Союзводоканалпроект Ростовский Водоканалпроект |
| Утверждён: | 25.08.1982 Госстрой СССР (Государственный комитет Совета Министров СССР по делам строительства) (USSR Gosstroy 32) |















































