Скачать Типовой проект 902-2-354 Альбом 2. Технологическая и строительная части. Заказные спецификацииДата актуализации: 01.01.2021
|
| Обозначение: | Типовой проект 902-2-354 |
| Обозначение англ: | 902-2-354 |
| Статус: | не определен законодательством |
| Название рус.: | Альбом 2. Технологическая и строительная части. Заказные спецификации |
| Дата добавления в базу: | 01.09.2013 |
| Дата актуализации: | 01.01.2021 |
| Дата введения: | 01.04.1983 |
| Дата окончания срока действия: | 30.06.2003 |
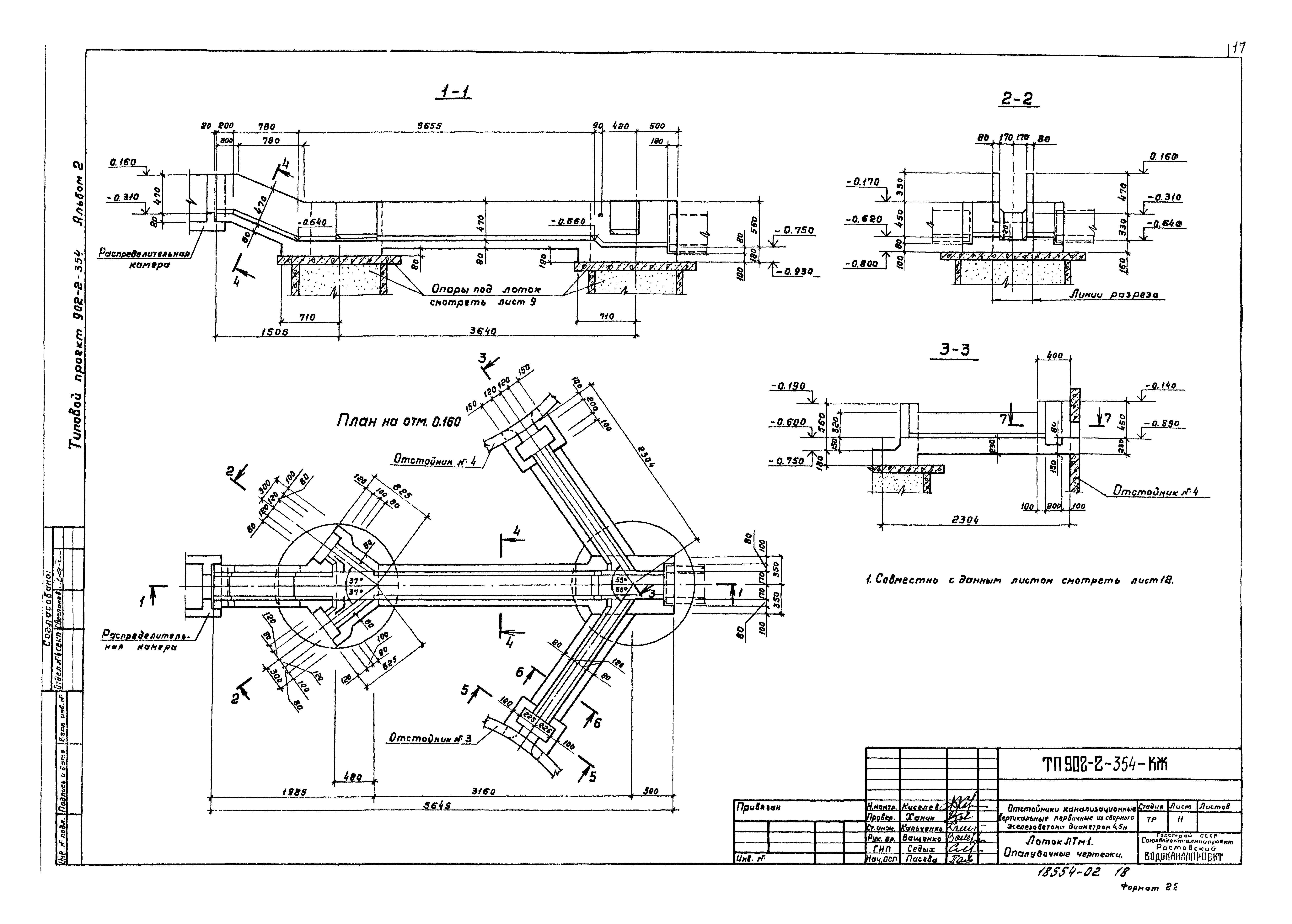
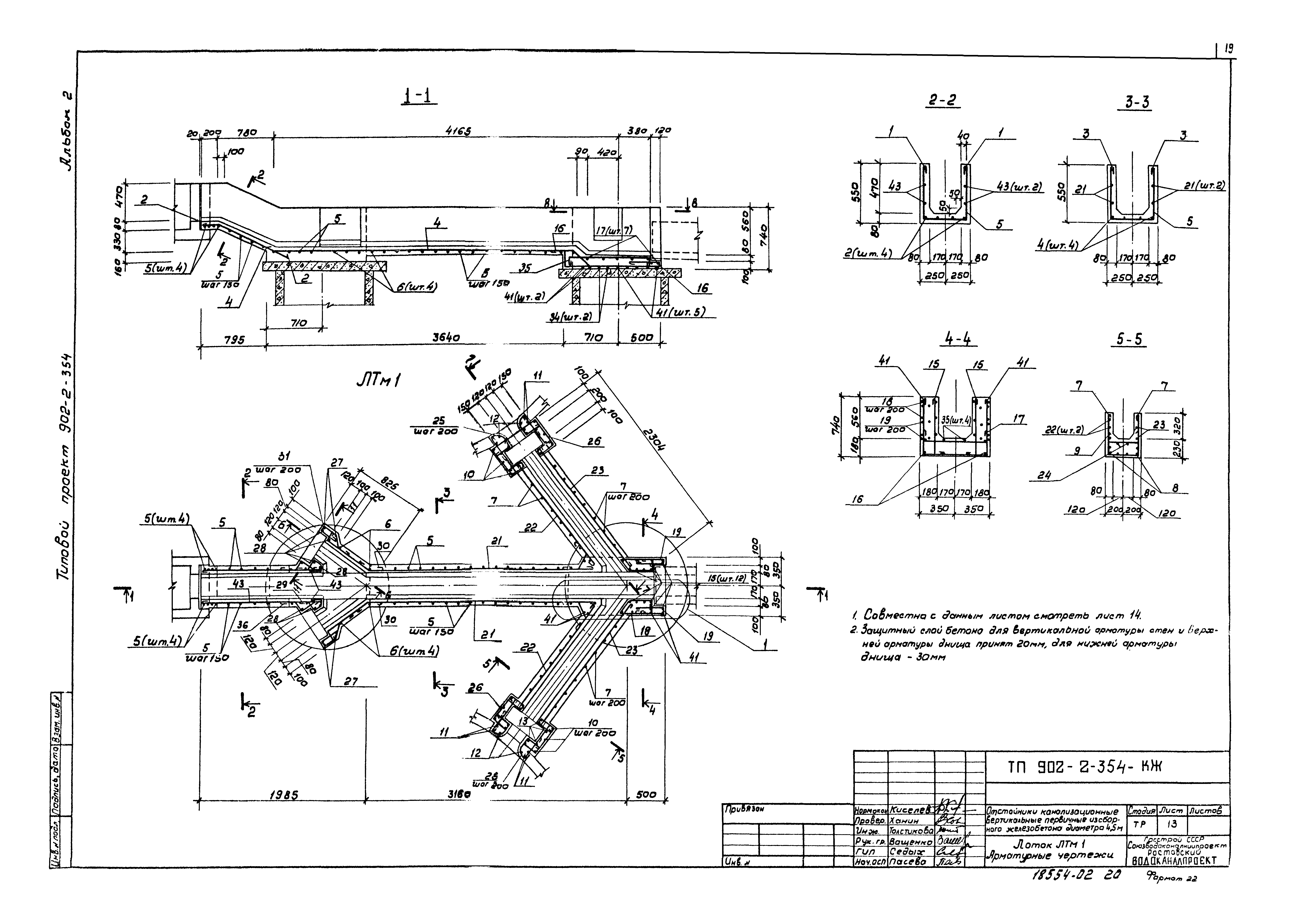
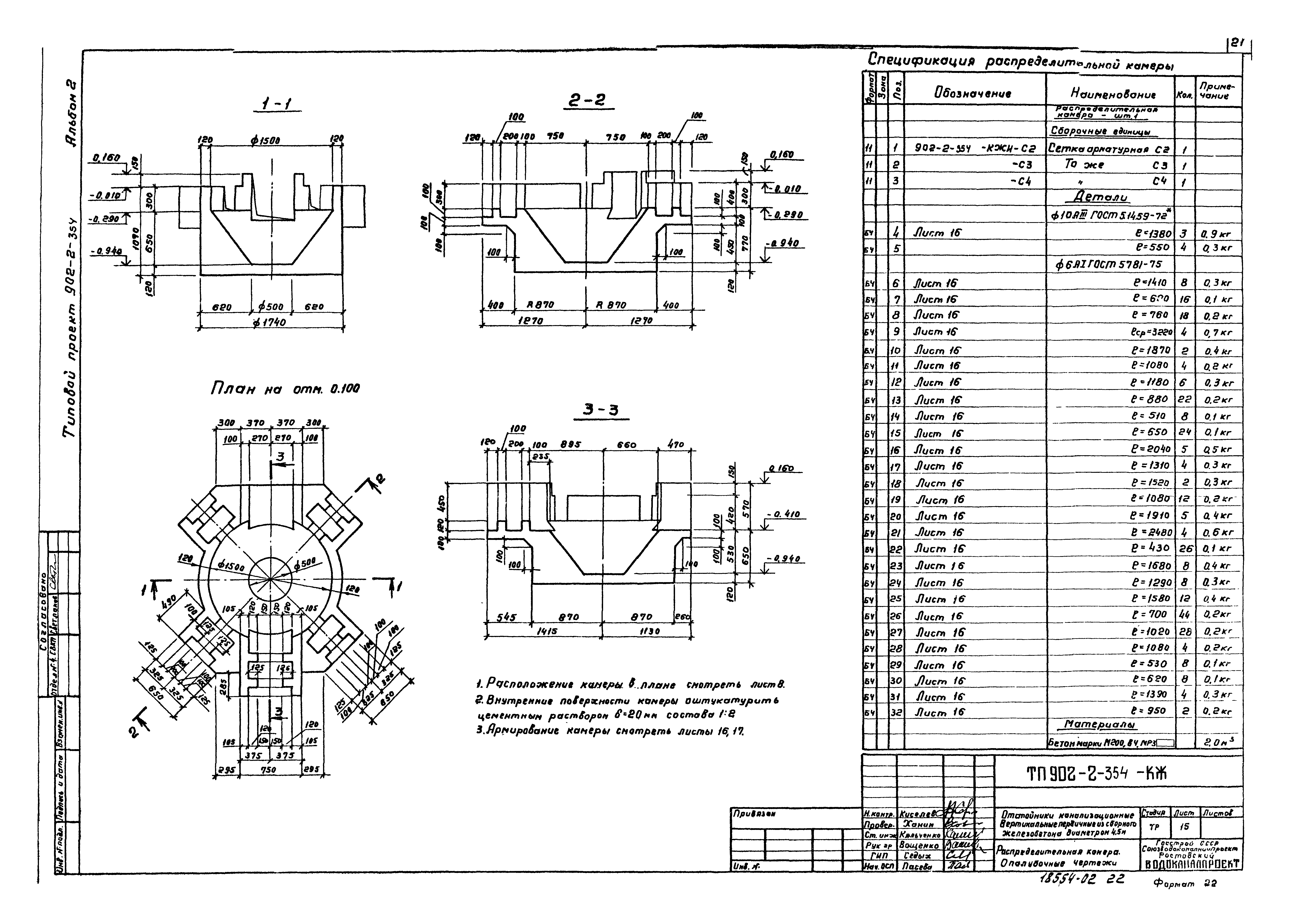
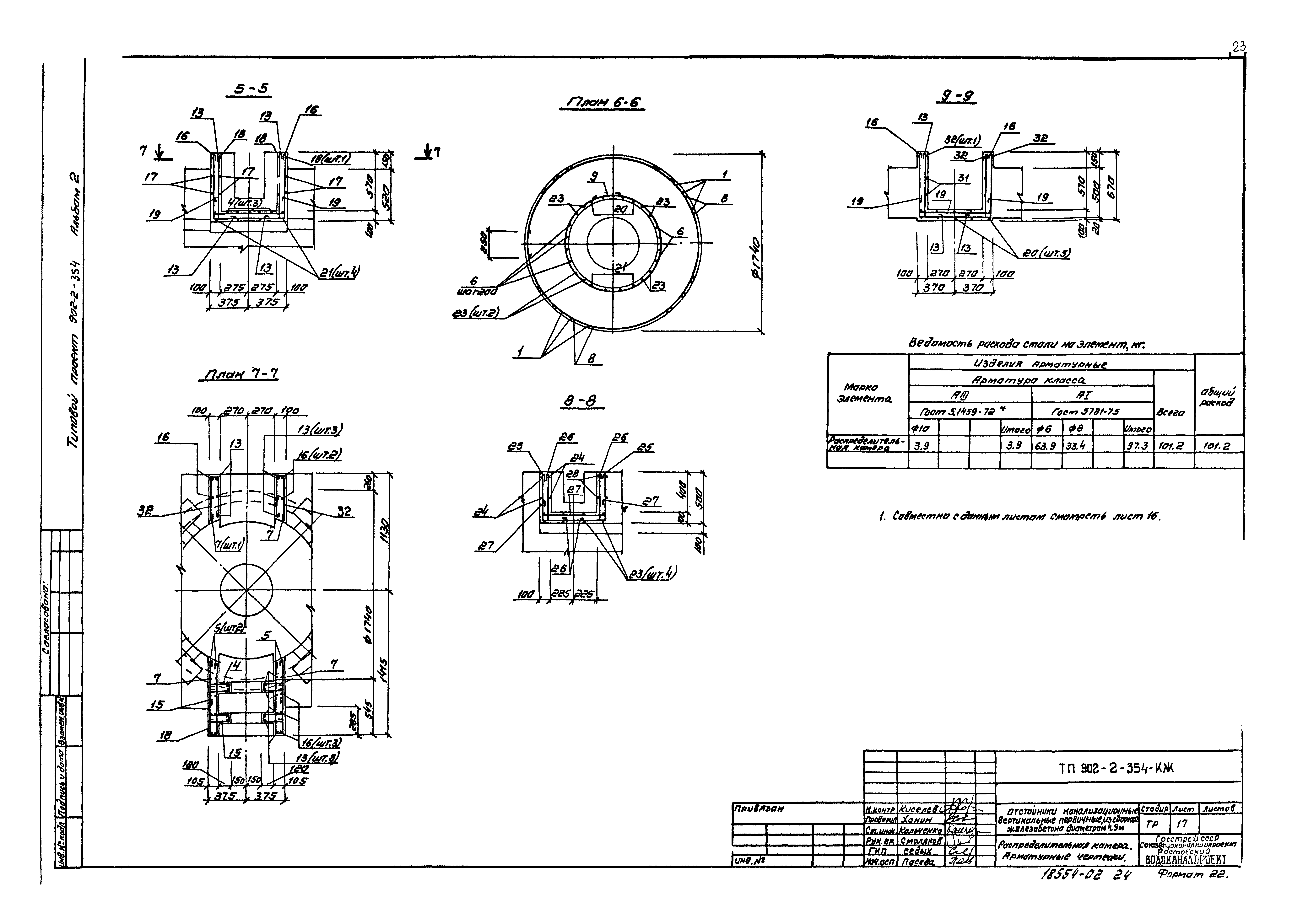
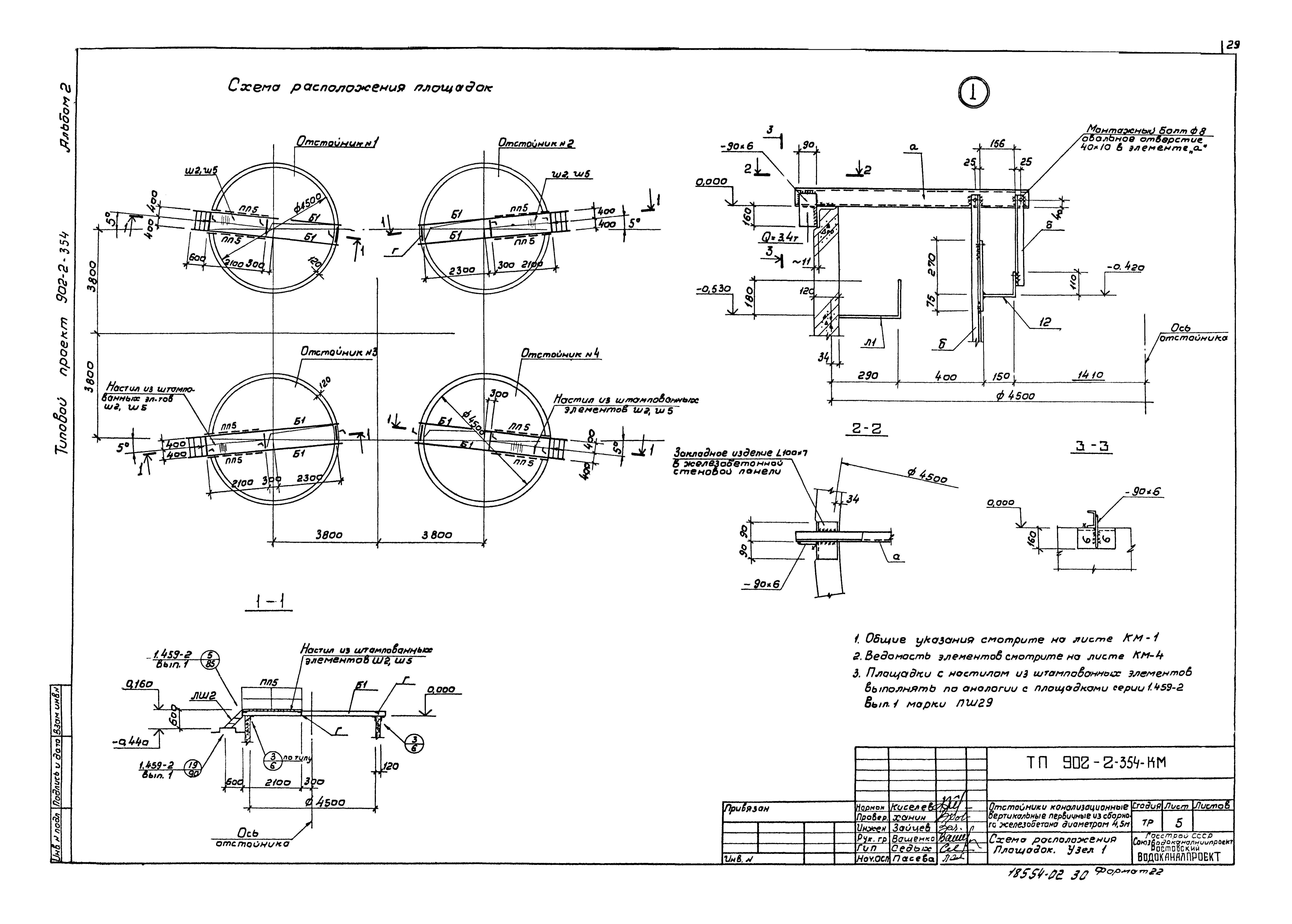
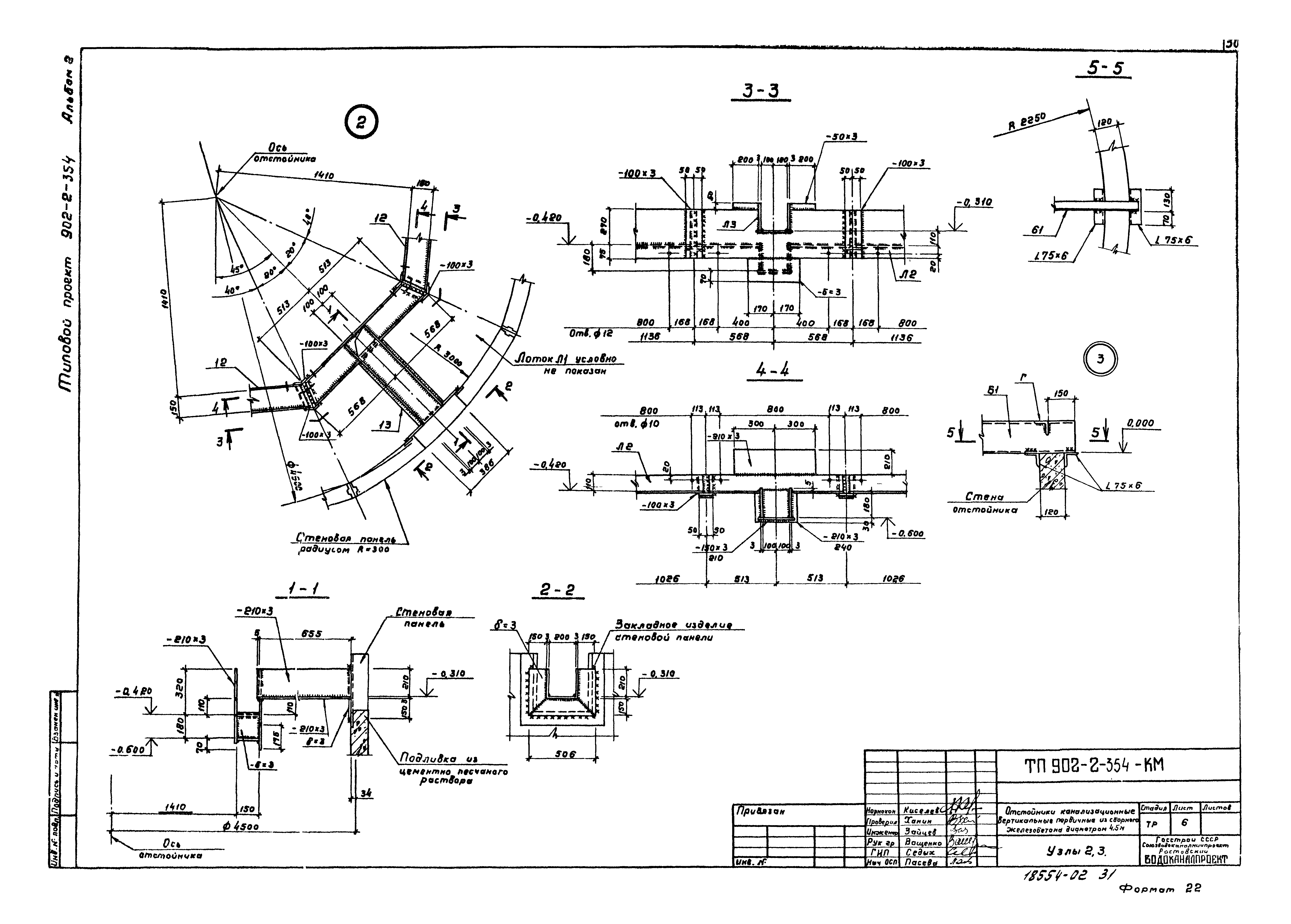
| Оглавление: | Технологическая часть Общие данные Высотная схема движения воды. Компоновка узла из 4-х отстойников Иловые колодцы Монтажный чертеж. План, разрезы, узлы Строительная часть Конструкции железобетонные Общие данные Отстойник №1. План. Разрез Примеры устройства основания отстойников для различных гидрогеологических устройств Днище Схема расположения сборных железобетонных элементов и фундаментов ФМ1 Отстойник №1. Схемы расположения асбестоцементных листов разделительной перегородки и водоливов Схема расположения лотков и распределительной камеры. Узлы Схема расположения лотков и распределительной камеры. Разрезы, сечения. Узлы Монолитные участки УМ1, УМ4 Лоток ЛТМ1. Опалубочные чертежи Лоток ЛТМ1. Арматурные чертежи Распределительная камера. Опалубочные чертежи Распределительная камера. Арматурные чертежи Колодцы иловые №1 и 2 Конструкции металлические Общие данные Техническая спецификация металла. Ведомость металлоконструкций по видам профилей Техническая спецификация металла на площадки, лестницы и ограждения Схема балок и лотков. Схема каркаса перегородок Схема расположения площадок. Узел 1 Узлы 2, 3 Узлы 4, 5 Заказные спецификации Заказная спецификация на оборудование для 4-х отстойников Заказная спецификация на трубопроводную арматуру для 4-х отстойников |
| Разработан: | Союзводоканалпроект Ростовский Водоканалпроект |
| Утверждён: | 25.08.1982 Госстрой СССР (Государственный комитет Совета Министров СССР по делам строительства) (USSR Gosstroy 32) |


































