Скачать Типовой проект 902-3-43.85 Альбом 2. Технологическая, санитарно-техническая, архитектурно-строительная частиДата актуализации: 01.01.2021
|
| Обозначение: | Типовой проект 902-3-43.85 |
| Обозначение англ: | 902-3-43.85 |
| Статус: | не определен законодательством |
| Название рус.: | Альбом 2. Технологическая, санитарно-техническая, архитектурно-строительная части |
| Дата добавления в базу: | 01.09.2013 |
| Дата актуализации: | 01.01.2021 |
| Дата введения: | 01.03.1986 |
| Дата окончания срока действия: | 30.06.2003 |
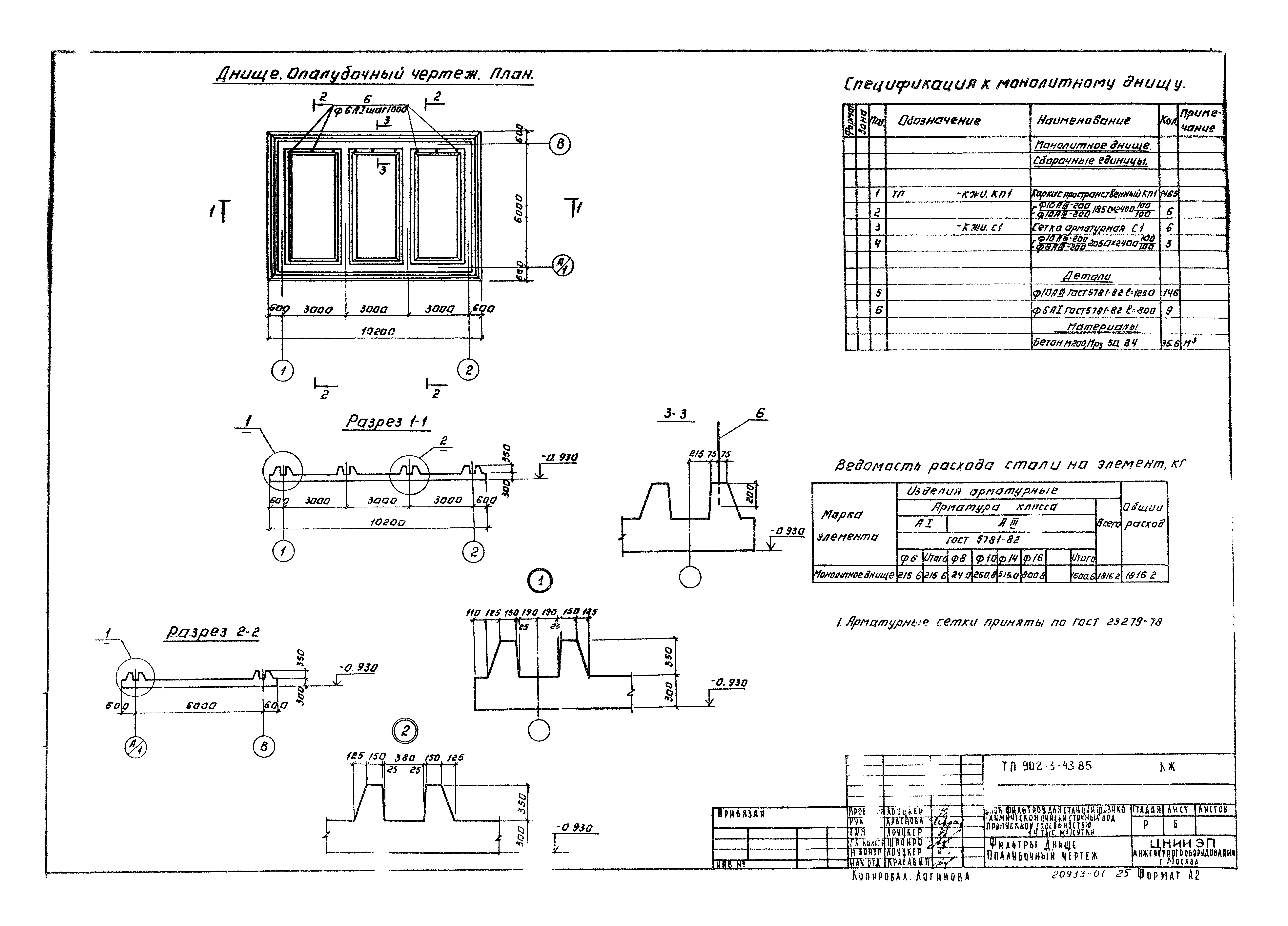
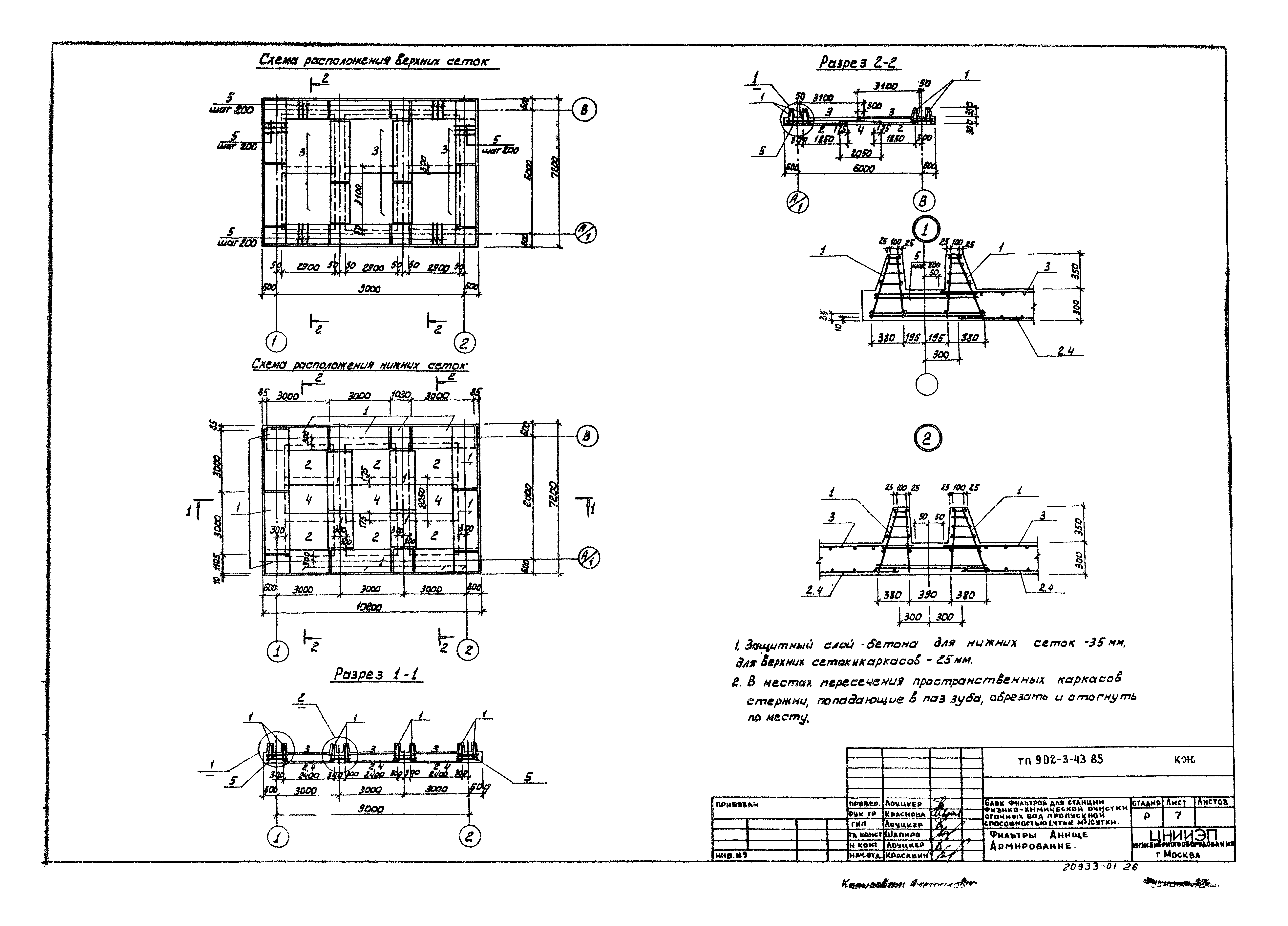
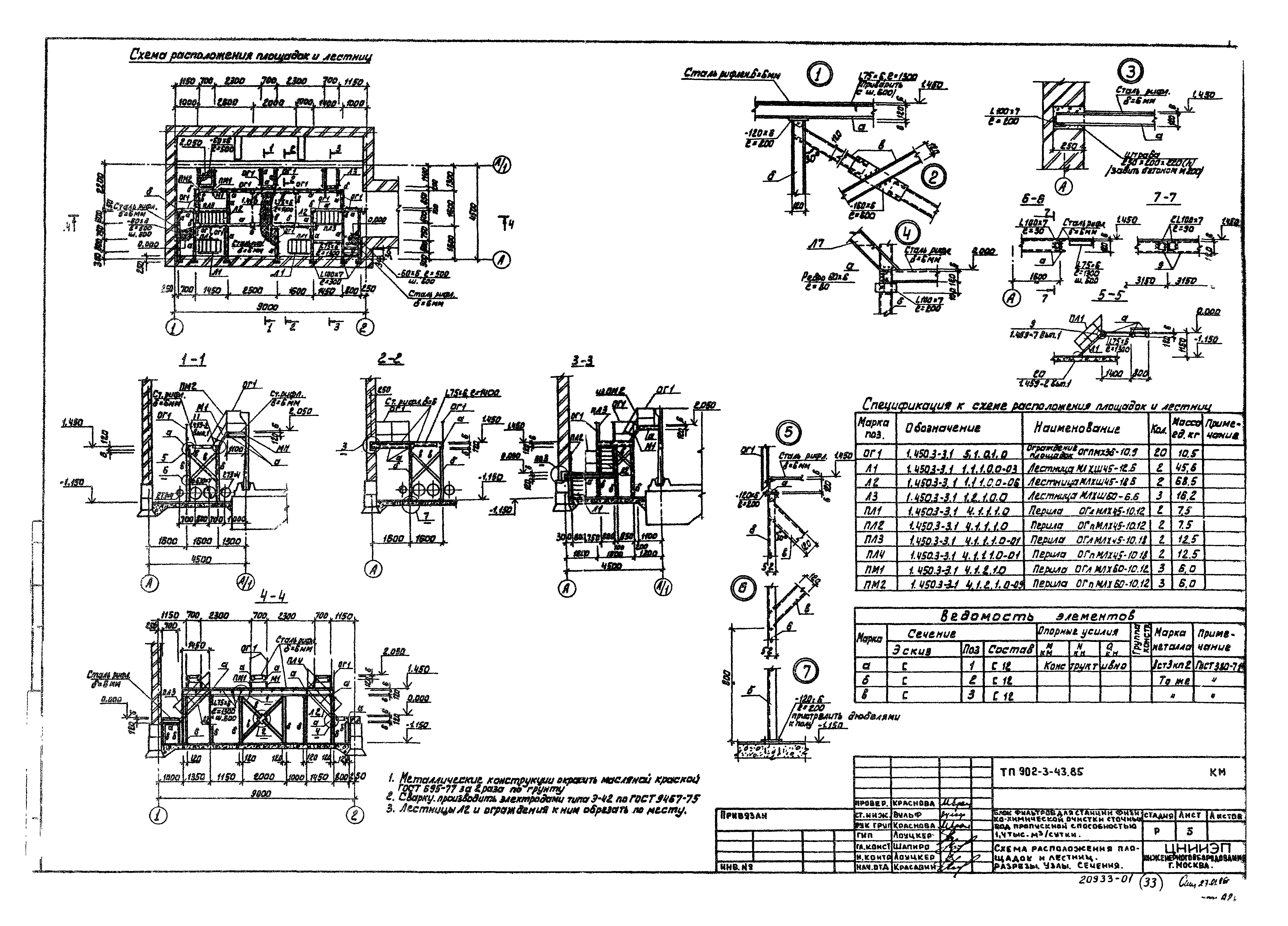
| Оглавление: | Содержание альбома Технологическая часть Общие данные План, разрезы 1-1, 2-2. Деталь водяной сборно-распределительной системы, воздушной распределительной системы Вид А-А. Разрез 3-3. Деталь заделки трубопровода опорожнения Вид Б-Б. Вид В-В Разрезы 4-4, 5-5, 6-6, 7-7, 8-8 Аксонометрические схемы трубопроводов Отопление и вентиляция Общие данные План на отм. -1,150. План на отм. 1,450. Схема отопления. Схемы вентиляции В1, ВЕ1, ВЕ2 Установка системы В1 Воздуховод из асбестоцементных листов Узлы соединений Конструкция изоляции трубопроводов Архитектурные решения Общие данные План на отм. -1,150 и 0,000. Разрез 1-1. Узлы 2, 3 План на отм. 1,450; 2,890. Разрезы 2-2, 3-3, 4-4 Фасады 1-2, 2-1, А-В, В-А План кровли. Планы и экспликация полов. Ведомость и спецификация перемычек. Ведомость отделки помещений Конструкции железобетонные Общие данные Схема расположения фундаментов и подпорных стен. Разрезы 1-1…4-4 Схема расположения фундаментов и подпорных стен. Разрезы 5-5…11-11 Фильтры. Схемы расположения стеновых панелей, лотков. Разрез 1-1 Фильтры. Схемы расположения стеновых панелей, лотков. Разрезы 2-2…6-6. Узлы Фильтры. Днище. Опалубочный чертеж Фильтры. Днище. Армирование Фильтры. Монолитные участки стен. Опалубочный чертеж. Армирование Фильтры. Схема расположения плит покрытия и щитов на отм. 3,000. Схема расположения балок. Узлы Схема расположения плит покрытия на отм. 5,250 и 2,640 Конструкции металлические Общие данные (начало). Техническая спецификация стали Общие данные (продолжение). Техническая спецификация стали на типовые конструкции Общие данные (окончание). Ведомость металлоконструкций по видам профилей Схема расположения подвесного пути Схема расположения переходных площадок и лестниц. Разрезы. Узлы |
| Разработан: | ЦНИИЭП инженерного оборудования |
| Утверждён: | 21.08.1985 Госгражданстрой (Gosgrazhdanstroy 252) |

































