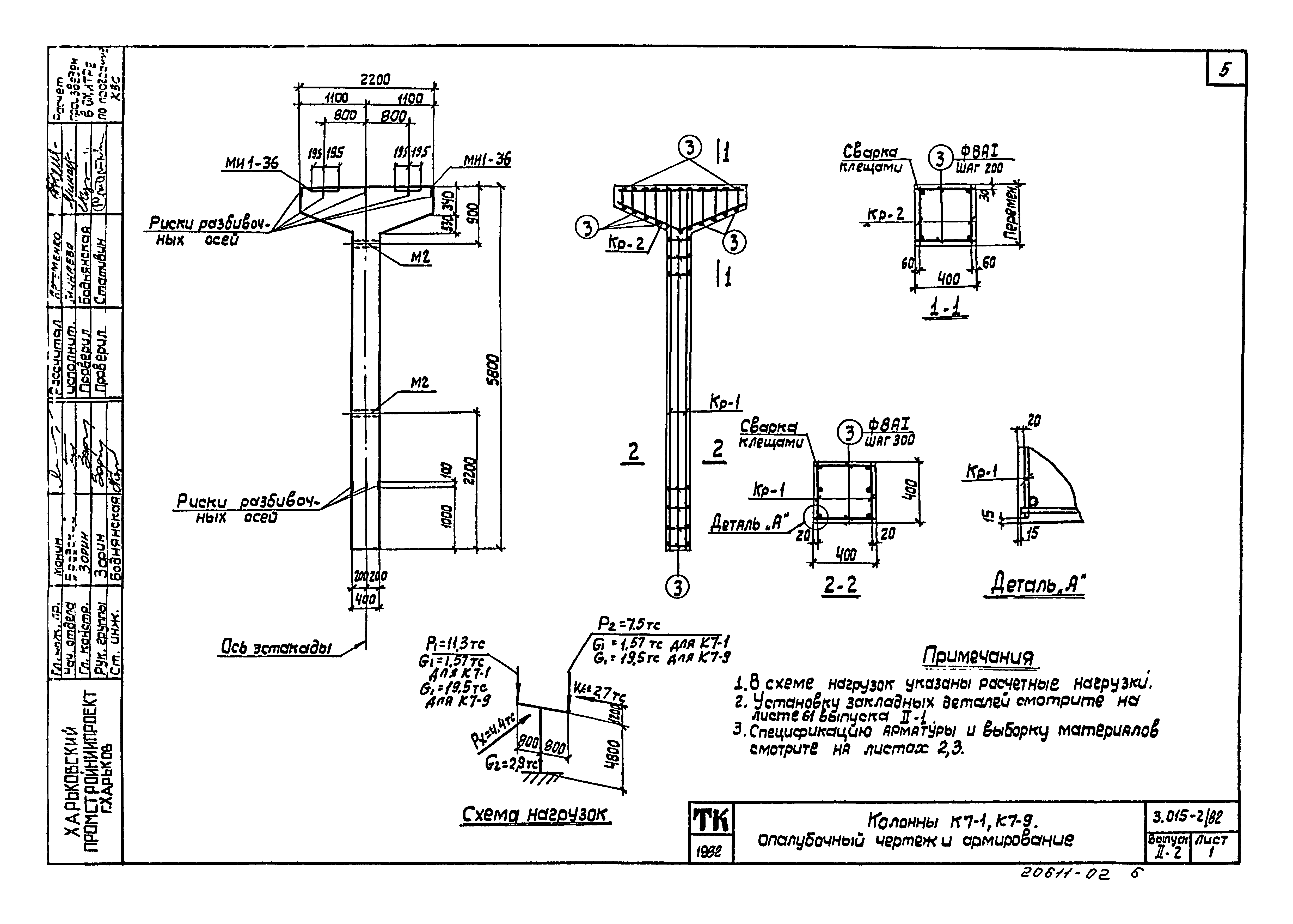
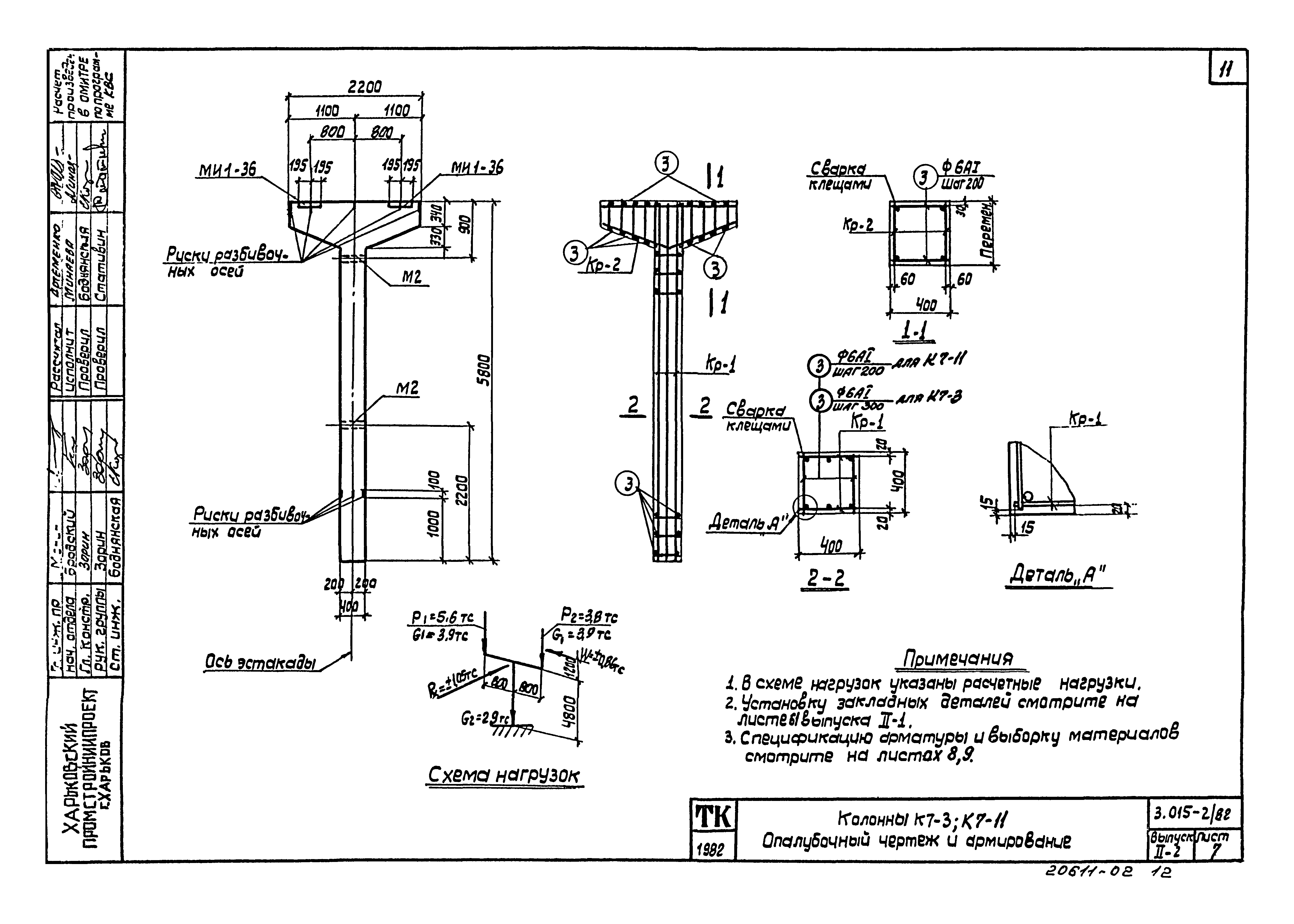
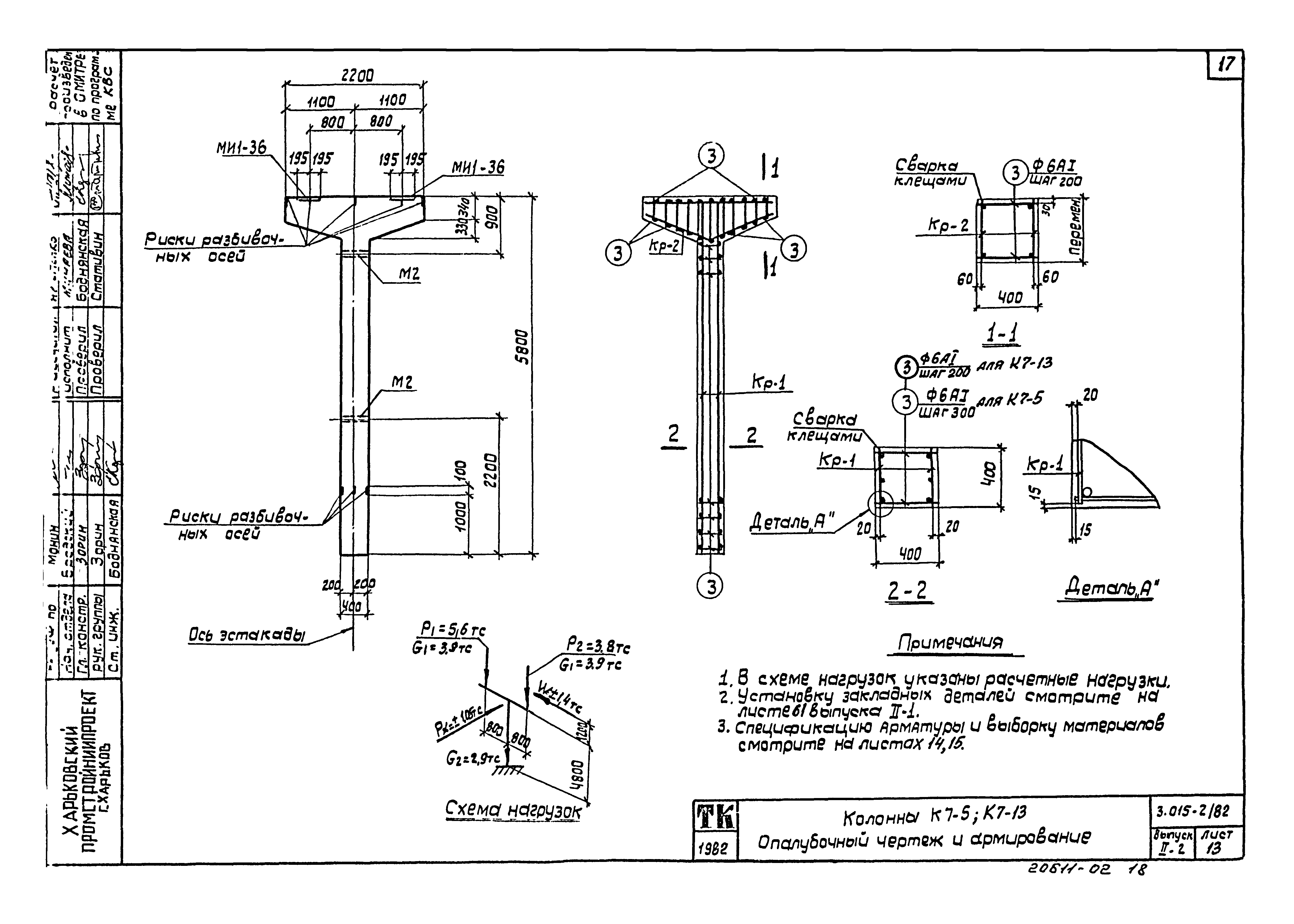
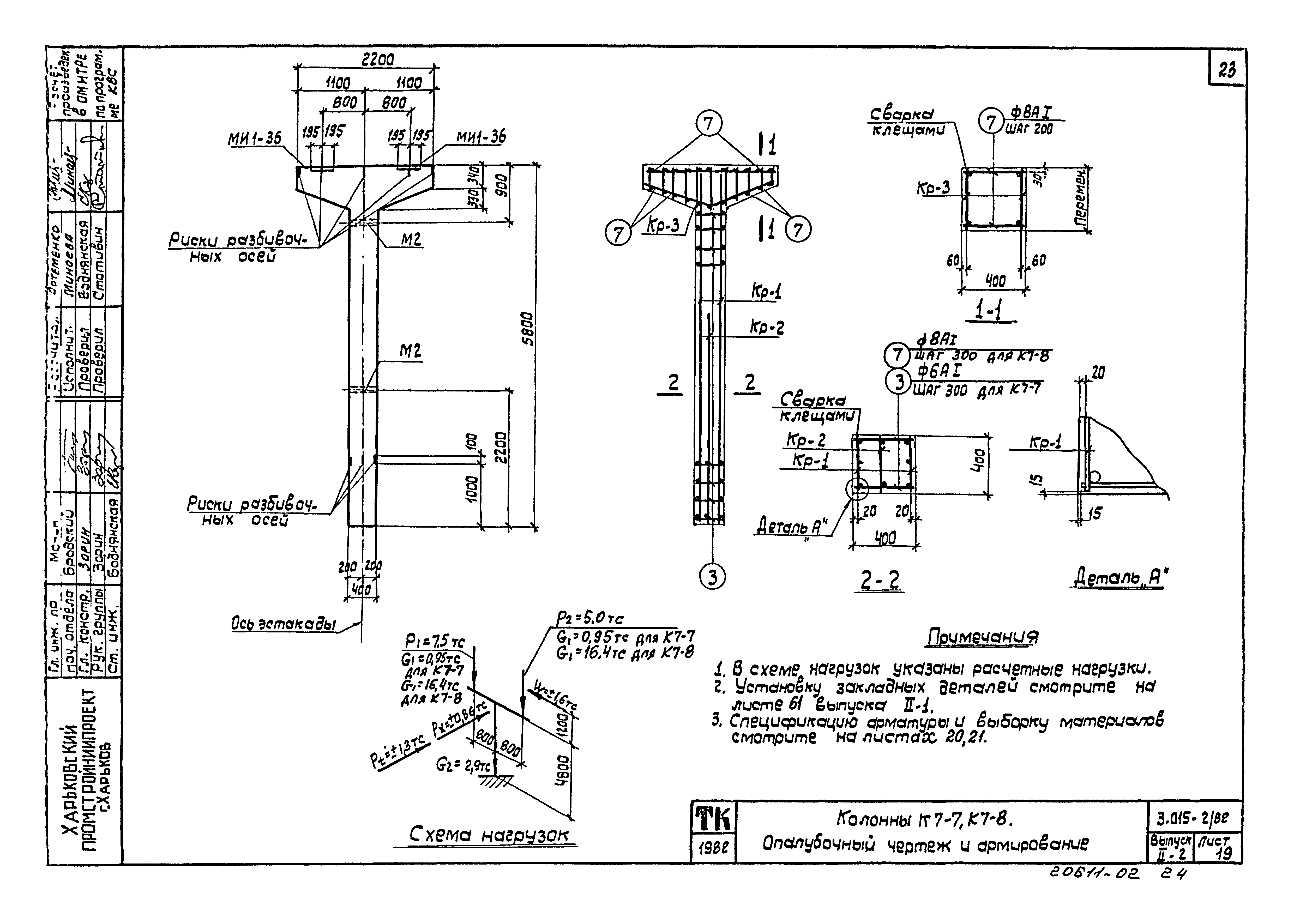
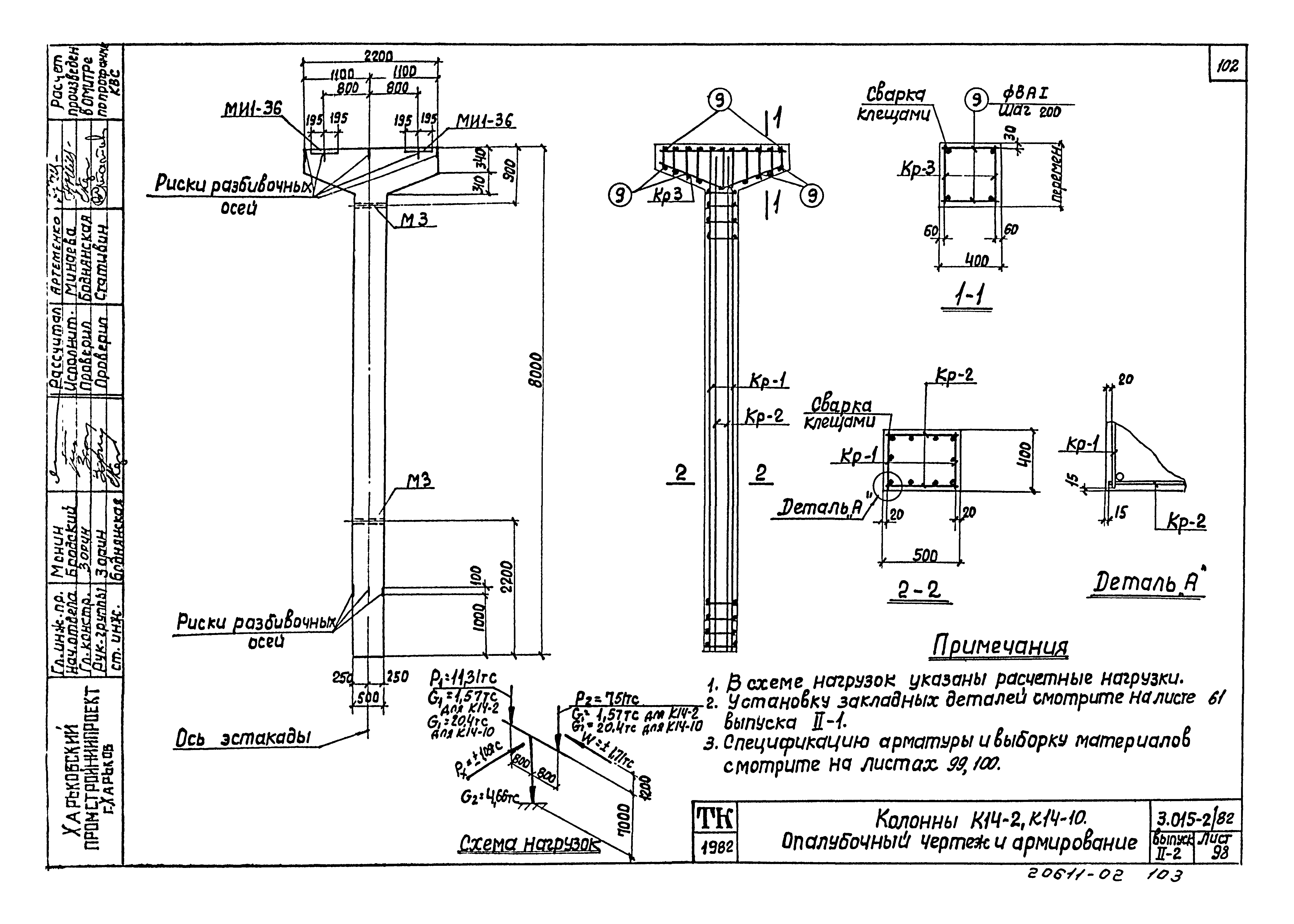
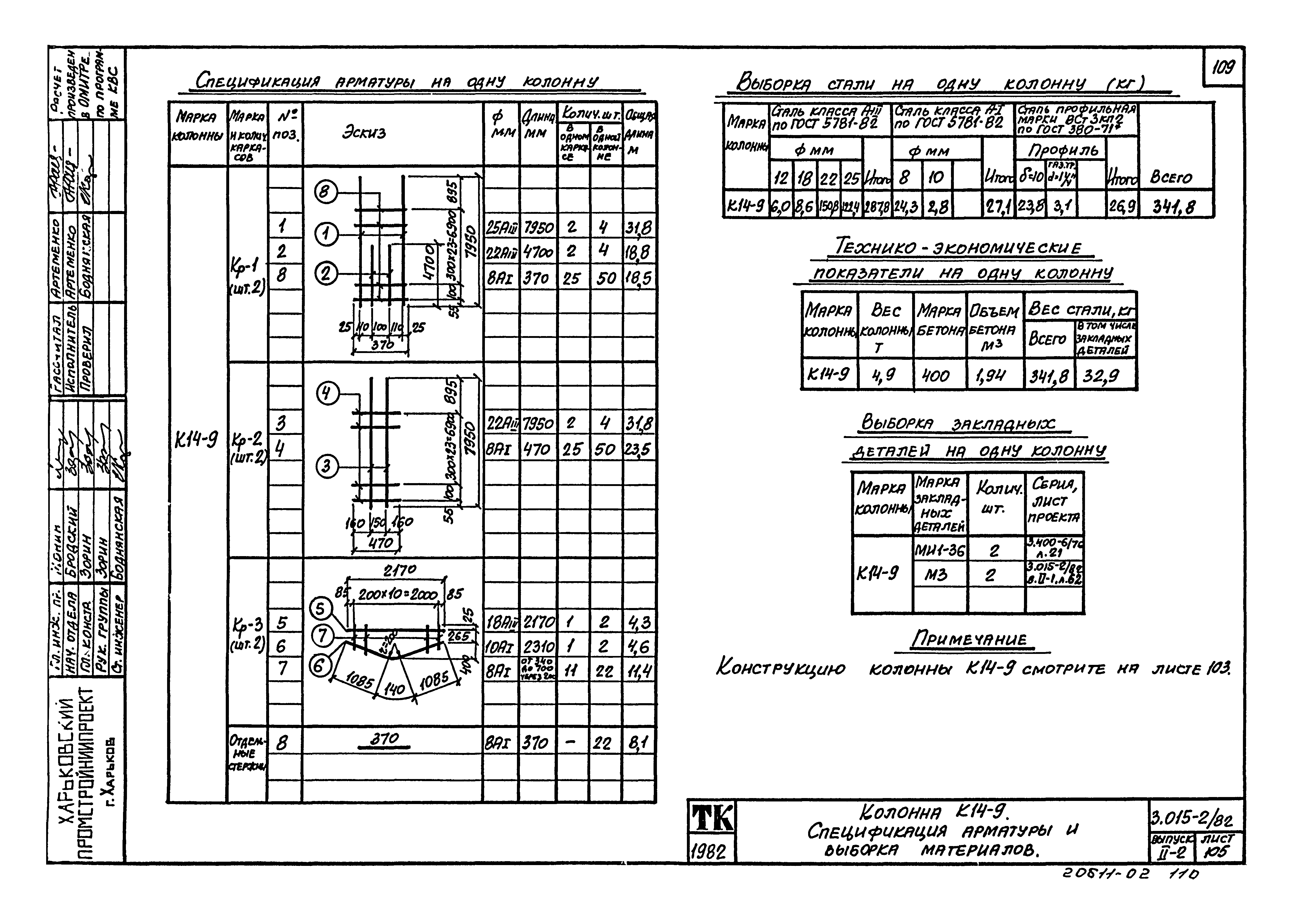
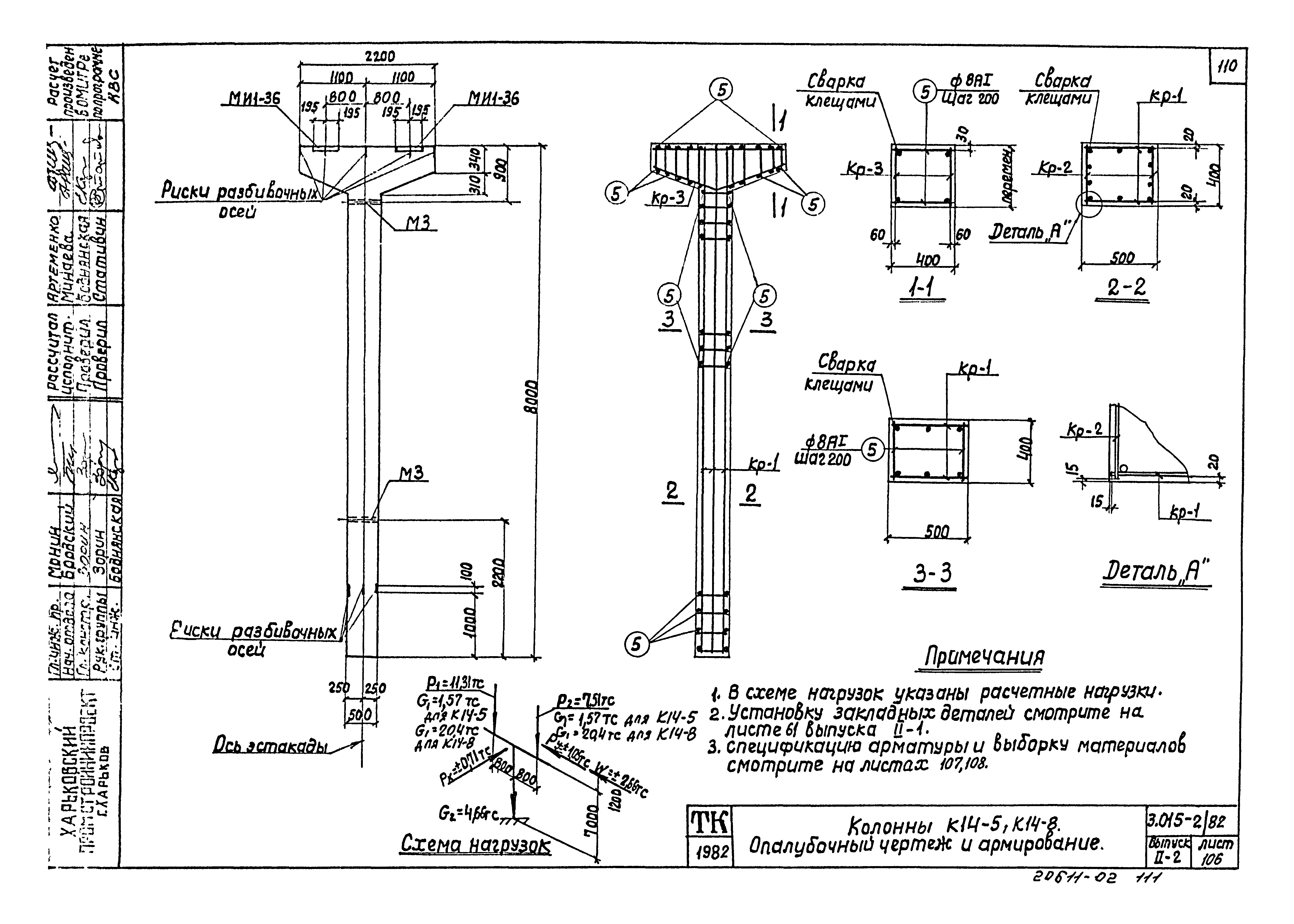
Скачать Серия 3.015-2/82 Выпуск II-2. Сборные железобетонные колонны для эстакад типов IIIк; IIIж. Рабочие чертежиДата актуализации: 01.01.2021
|
| Обозначение: | Серия 3.015-2/82 |
| Обозначение англ: | Series 3.015-2/82 |
| Статус: | заменен |
| Название рус.: | Выпуск II-2. Сборные железобетонные колонны для эстакад типов IIIк; IIIж. Рабочие чертежи |
| Дата добавления в базу: | 21.05.2015 |
| Дата актуализации: | 01.01.2021 |
| Дата введения: | 01.10.1985 |
| Дата окончания срока действия: | 01.02.1995 |
| Разработан: | Харьковский Промстройниипроект |
| Утверждён: | 10.06.1985 Госстрой СССР (Государственный комитет Совета Министров СССР по делам строительства) (USSR Gosstroy 81) |
| Чем заменён: |




















































































































