Скачать Типовой проект 902-2-355 Альбом 2. Технологическая и строительная части. Заказные спецификацииДата актуализации: 01.01.2021
|
| Обозначение: | Типовой проект 902-2-355 |
| Обозначение англ: | 902-2-355 |
| Статус: | не определен законодательством |
| Название рус.: | Альбом 2. Технологическая и строительная части. Заказные спецификации |
| Дата добавления в базу: | 01.09.2013 |
| Дата актуализации: | 01.01.2021 |
| Дата введения: | 27.01.1983 |
| Дата окончания срока действия: | 30.06.2003 |
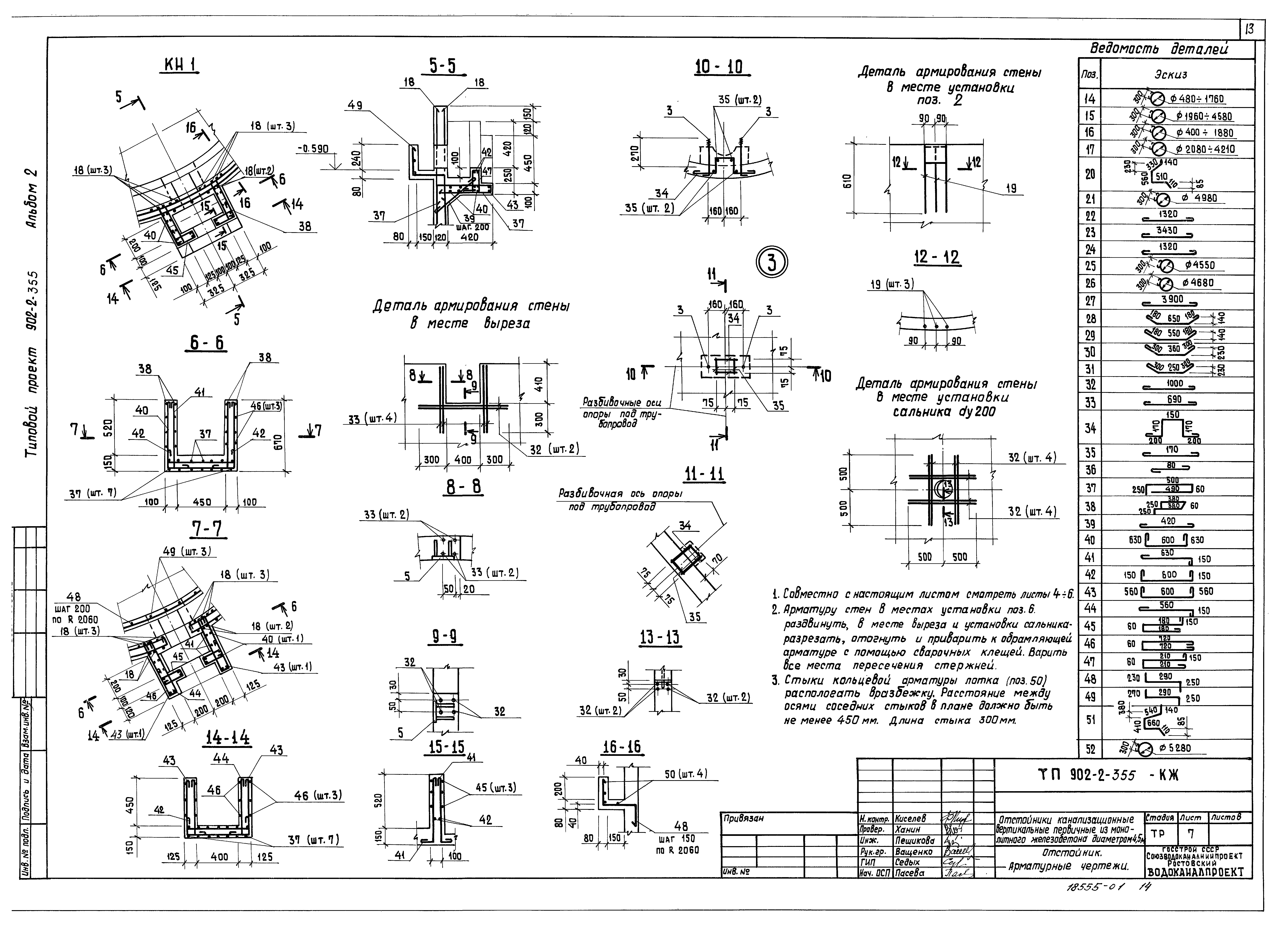
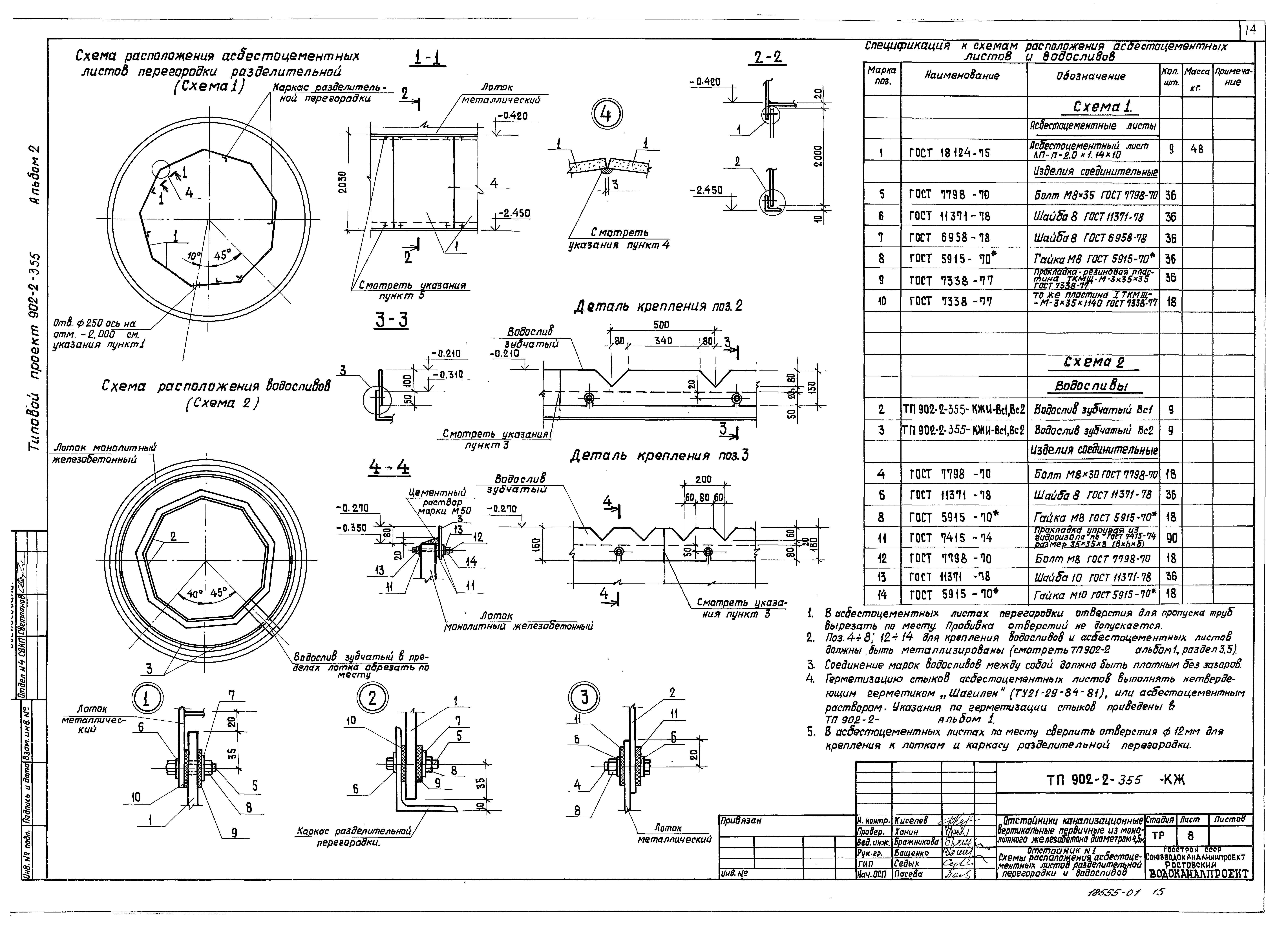
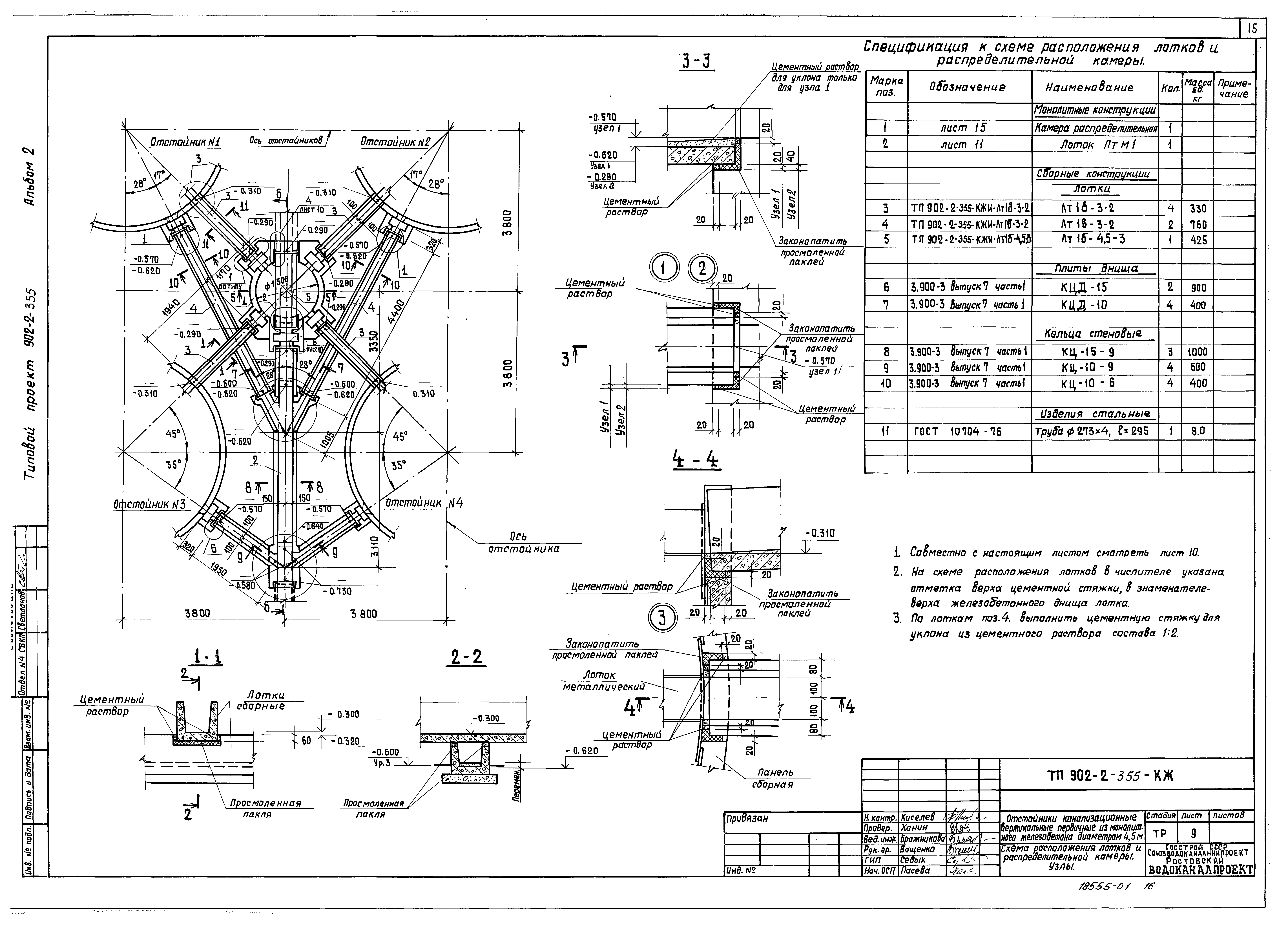
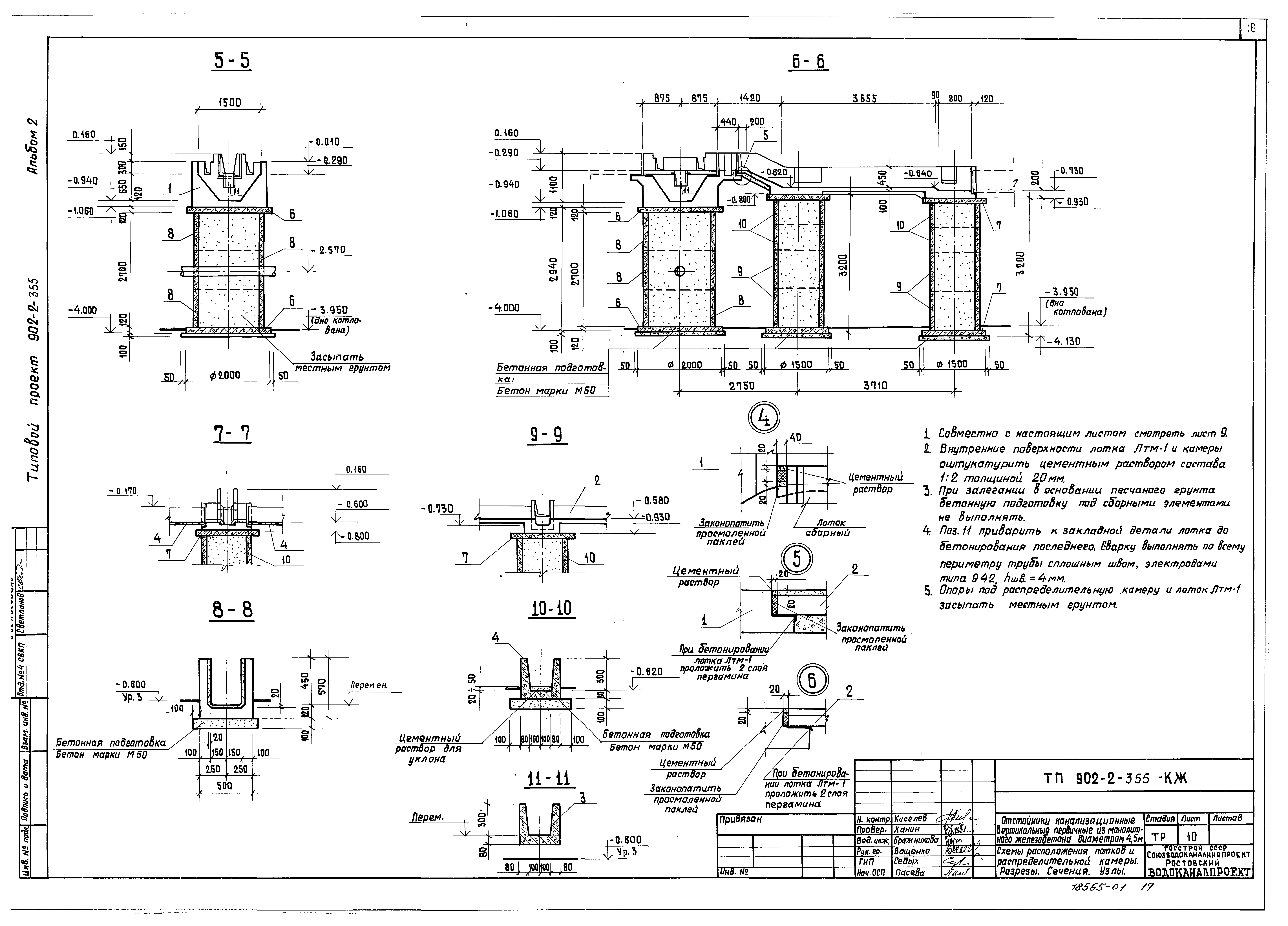
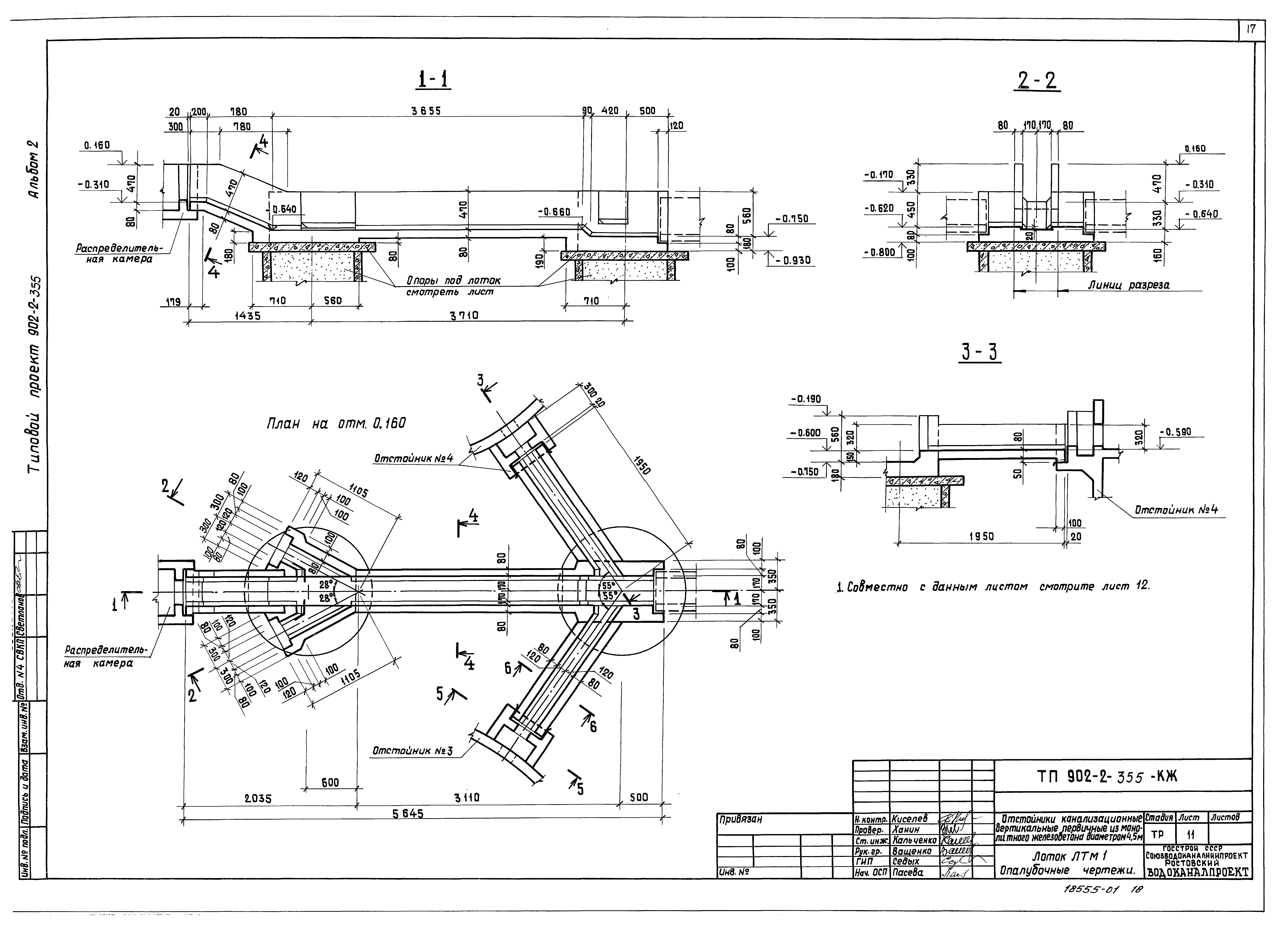
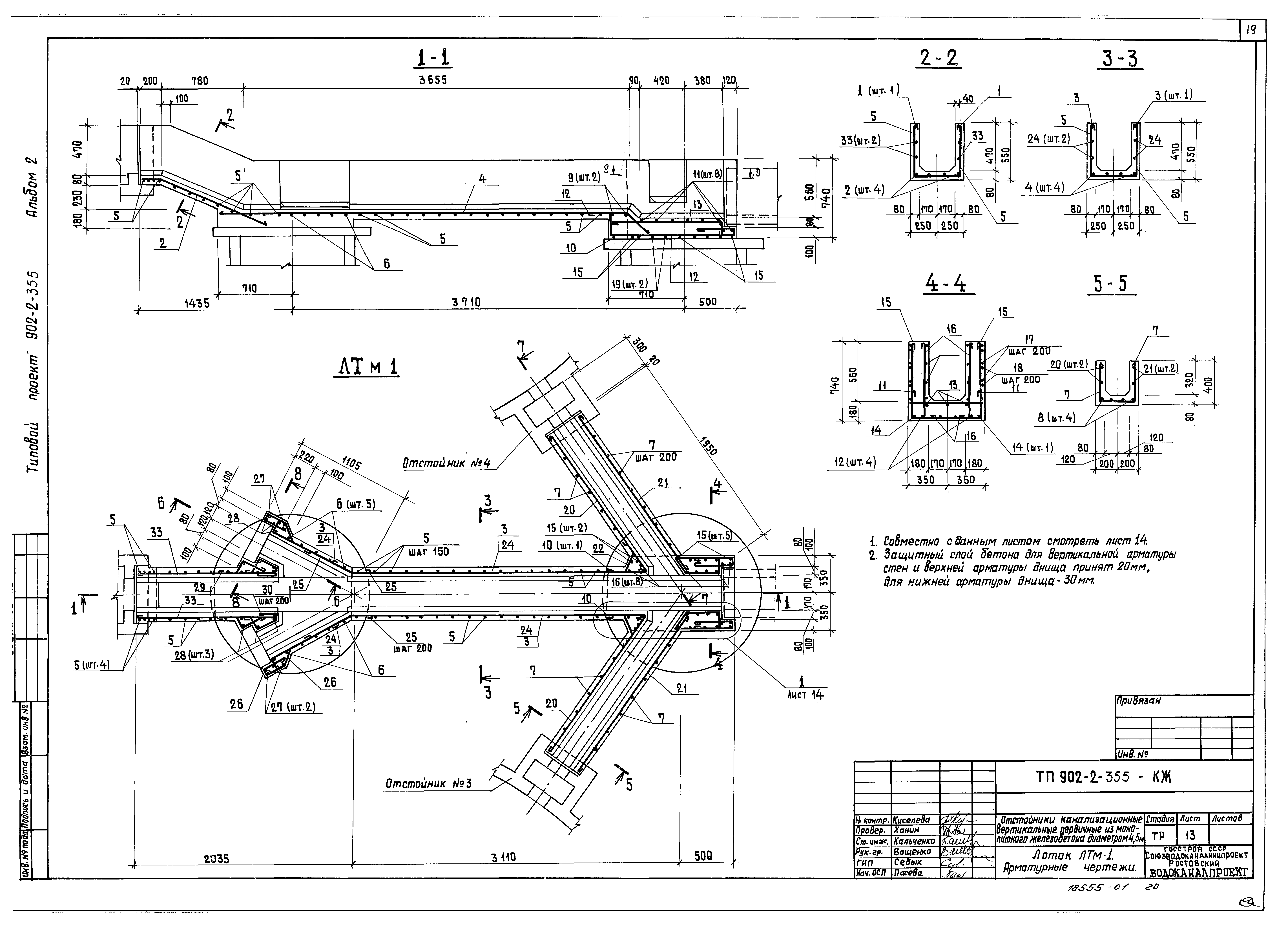
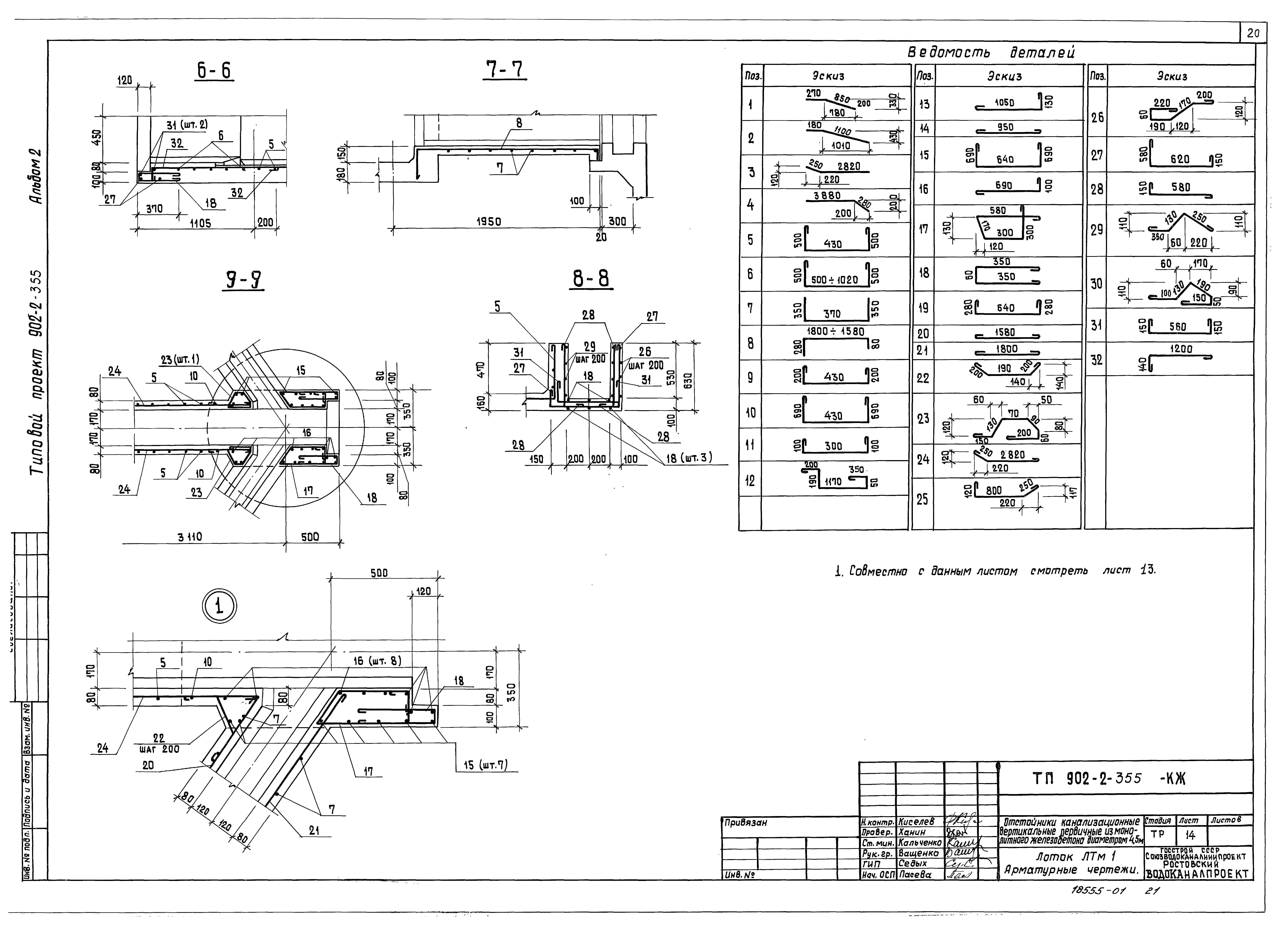
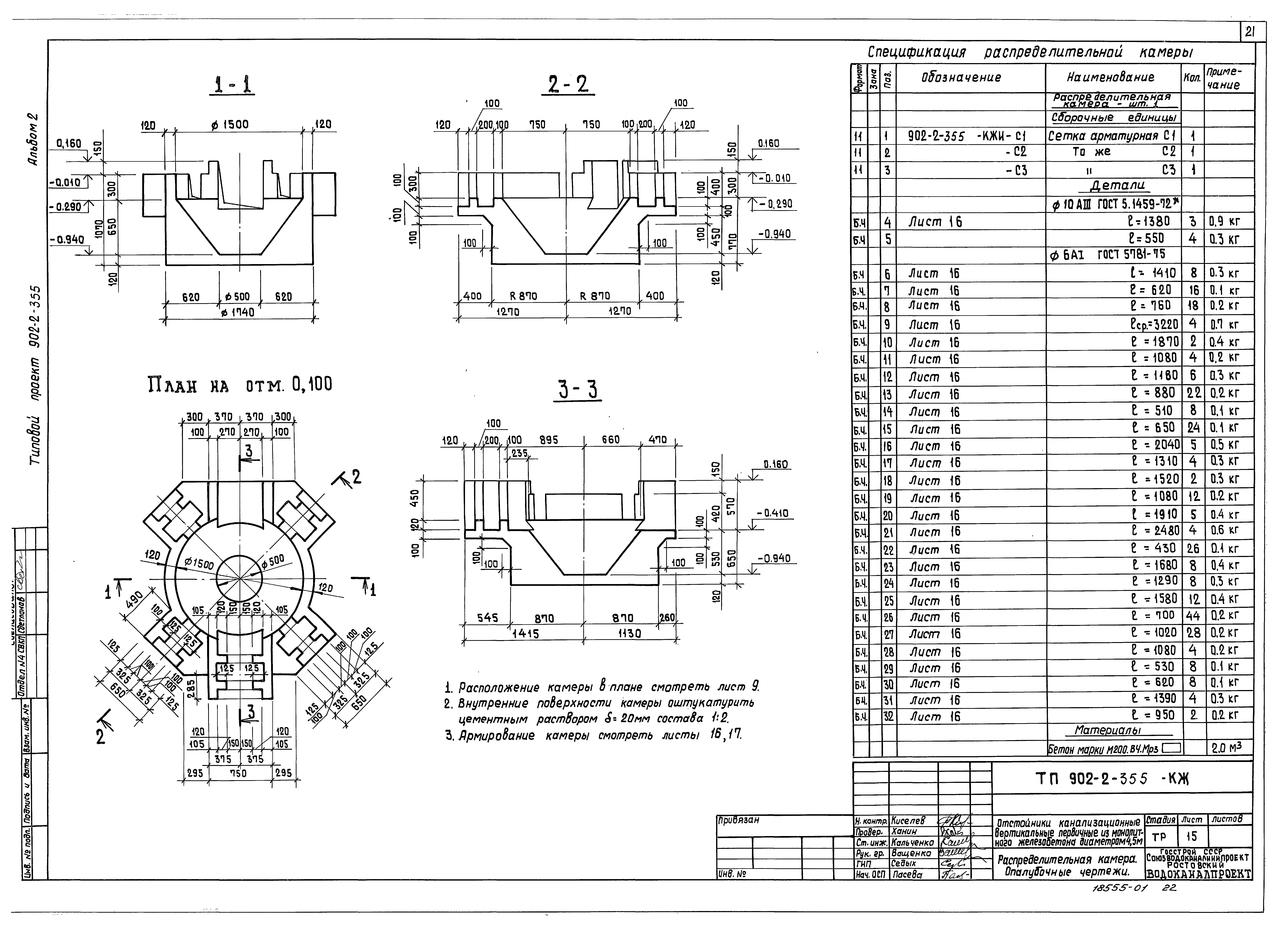
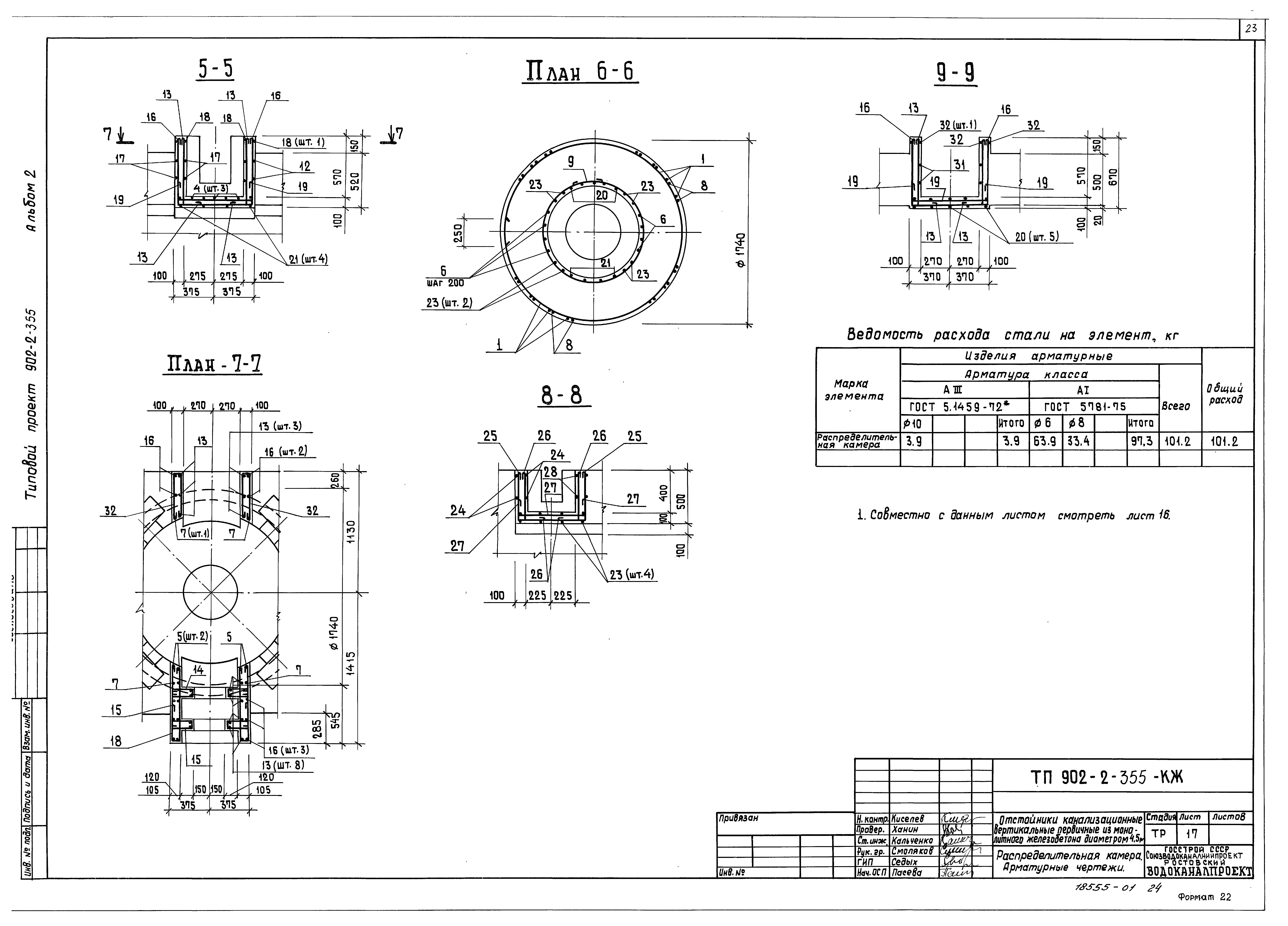
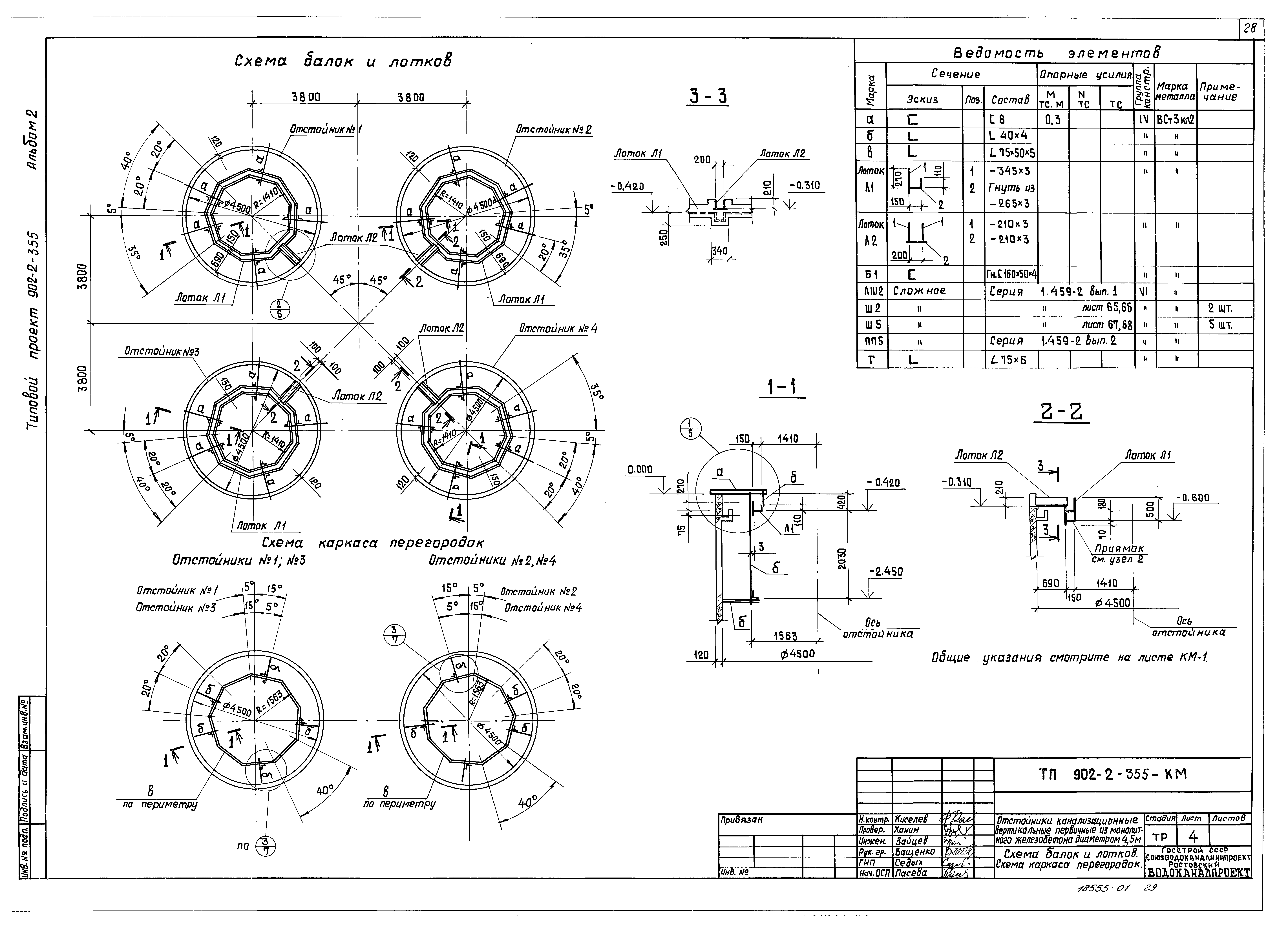
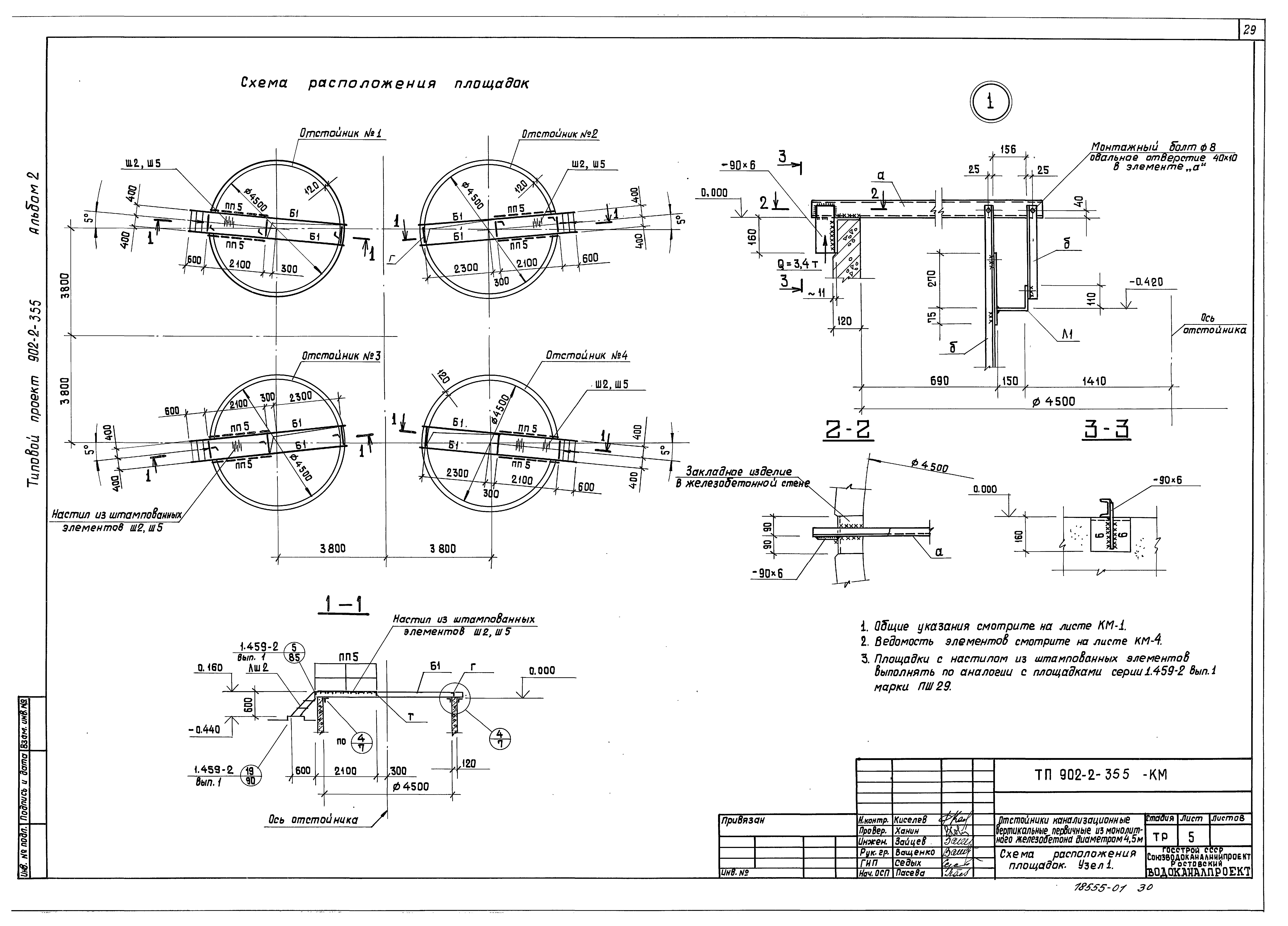
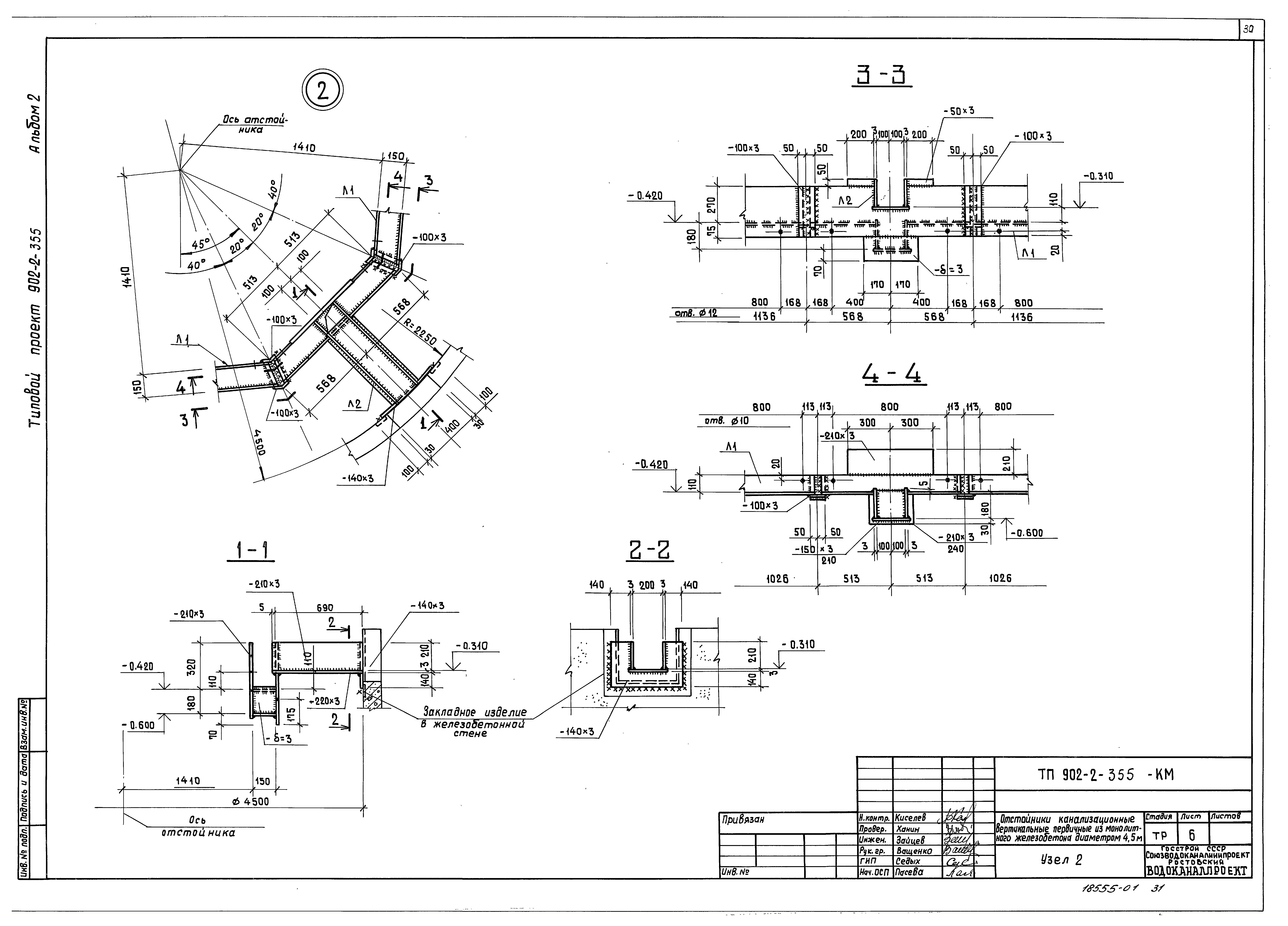
| Оглавление: | Титульный лист Содержание альбома Технологическая часть Общие данные Компоновка узла из 4-х отстойников. Высотная схема движения воды Иловые колодцы №1 и №2 Монтажный чертеж. План, разрезы, узлы Строительная часть. Конструкции железобетонные Общие данные Отстойник №1. План. Разрез Примеры устройства основания отстойников для различных гидрогеологических устройств Отстойники №1 - №4. Опалубочные чертежи. Фундамент ФМ1 Отстойник. Арматурные чертежи Отстойник №1. Схемы расположения асбестоцементных листов разделительной перегородки и водосливов Схема расположения лотков и распределительной камеры. Узлы Схема расположения лотков и распределительной камеры. Разрезы. Сечения. Узлы Лоток ЛТМ1. Опалубочные чертежи Лоток ЛТМ1. Арматурные чертежи Распределительная камера. Опалубочные чертежи Распределительная камера. Арматурные чертежи Колодцы иловые №1; №2 Строительная часть. Конструкции металлические Общие данные Техническая спецификация металла. Ведомость металлоконструкций Техническая спецификация металла на площадки, лестницы и ограждения Схема балок и лотков. Схема каркаса перегородок Схема расположения площадок. Узел 1 Узел 2 Узлы 3, 4 Заказные спецификации Заказная спецификация на оборудование для 4-х отстойников Заказная спецификация на трубопроводную арматуру для 4-х отстойников |
| Разработан: | Союзводоканалпроект Водоканалпроект |
| Утверждён: | 25.08.1982 Главпромстройпроект Госстроя СССР (52) |

































