Скачать Типовой проект 902-2-356 Альбом 2. Технологическая и строительная части. Заказные спецификацииДата актуализации: 01.01.2021
|
| Обозначение: | Типовой проект 902-2-356 |
| Обозначение англ: | 902-2-356 |
| Статус: | не определен законодательством |
| Название рус.: | Альбом 2. Технологическая и строительная части. Заказные спецификации |
| Дата добавления в базу: | 01.09.2013 |
| Дата актуализации: | 01.01.2021 |
| Дата введения: | 27.01.1983 |
| Дата окончания срока действия: | 30.06.2003 |
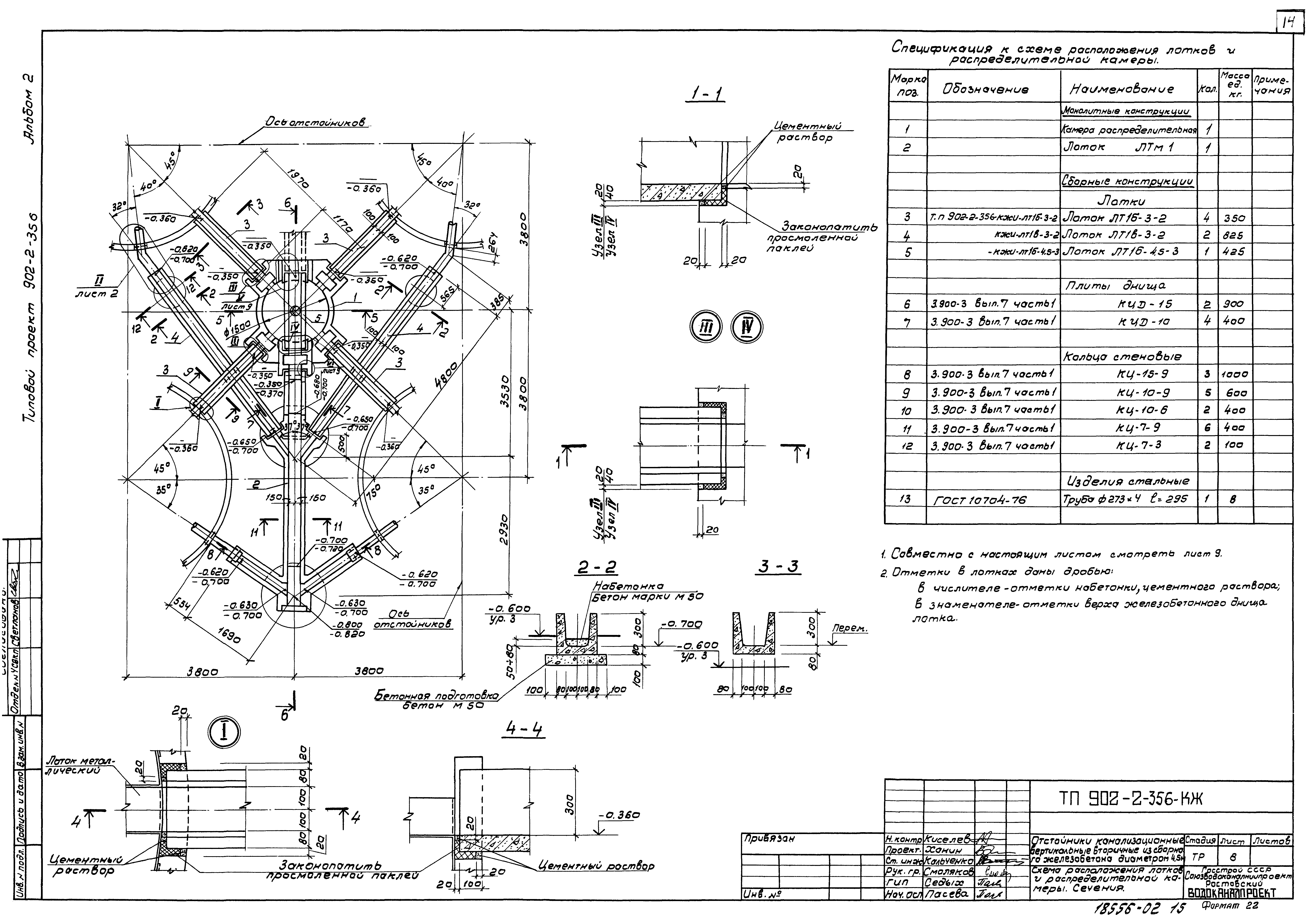
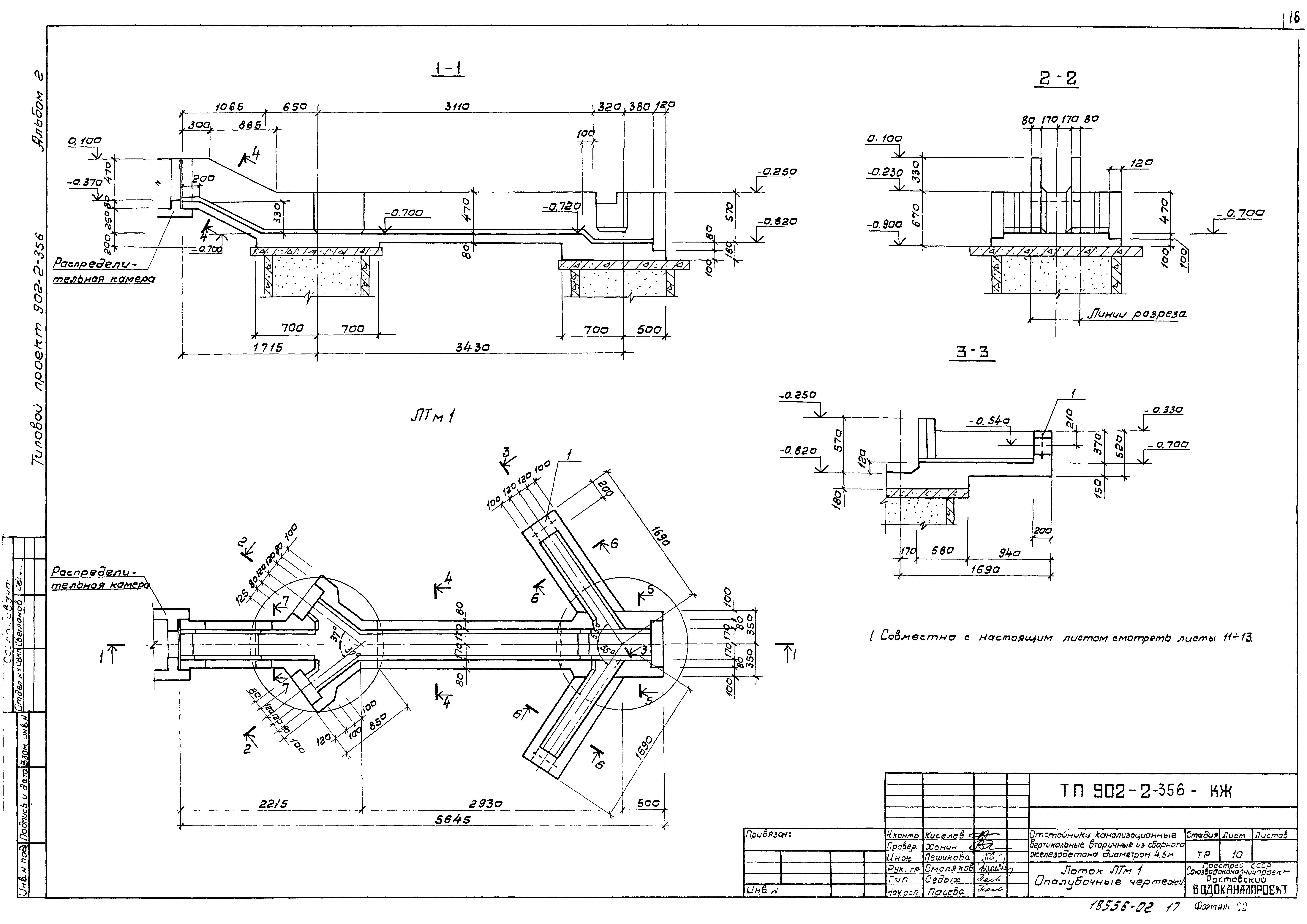
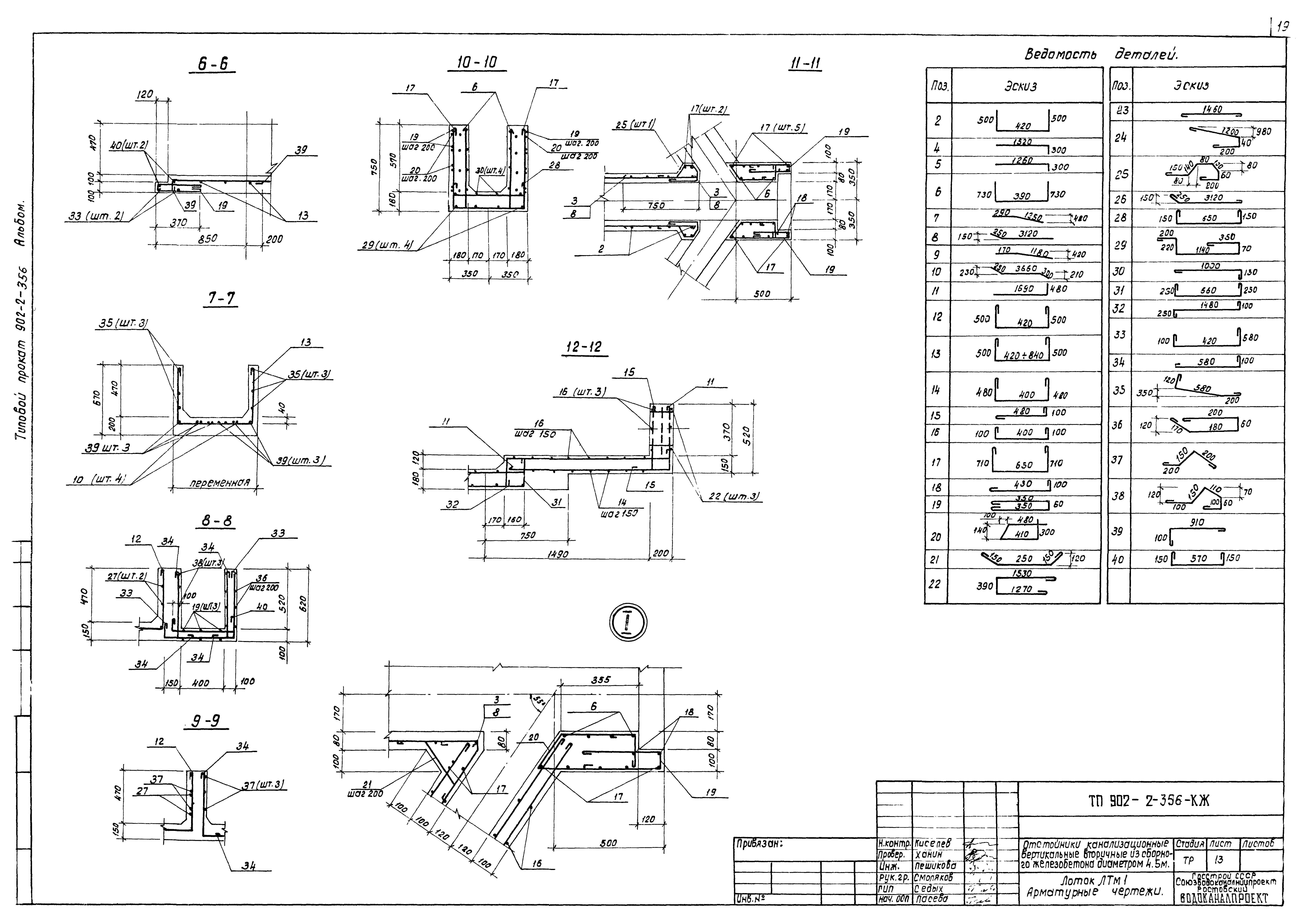
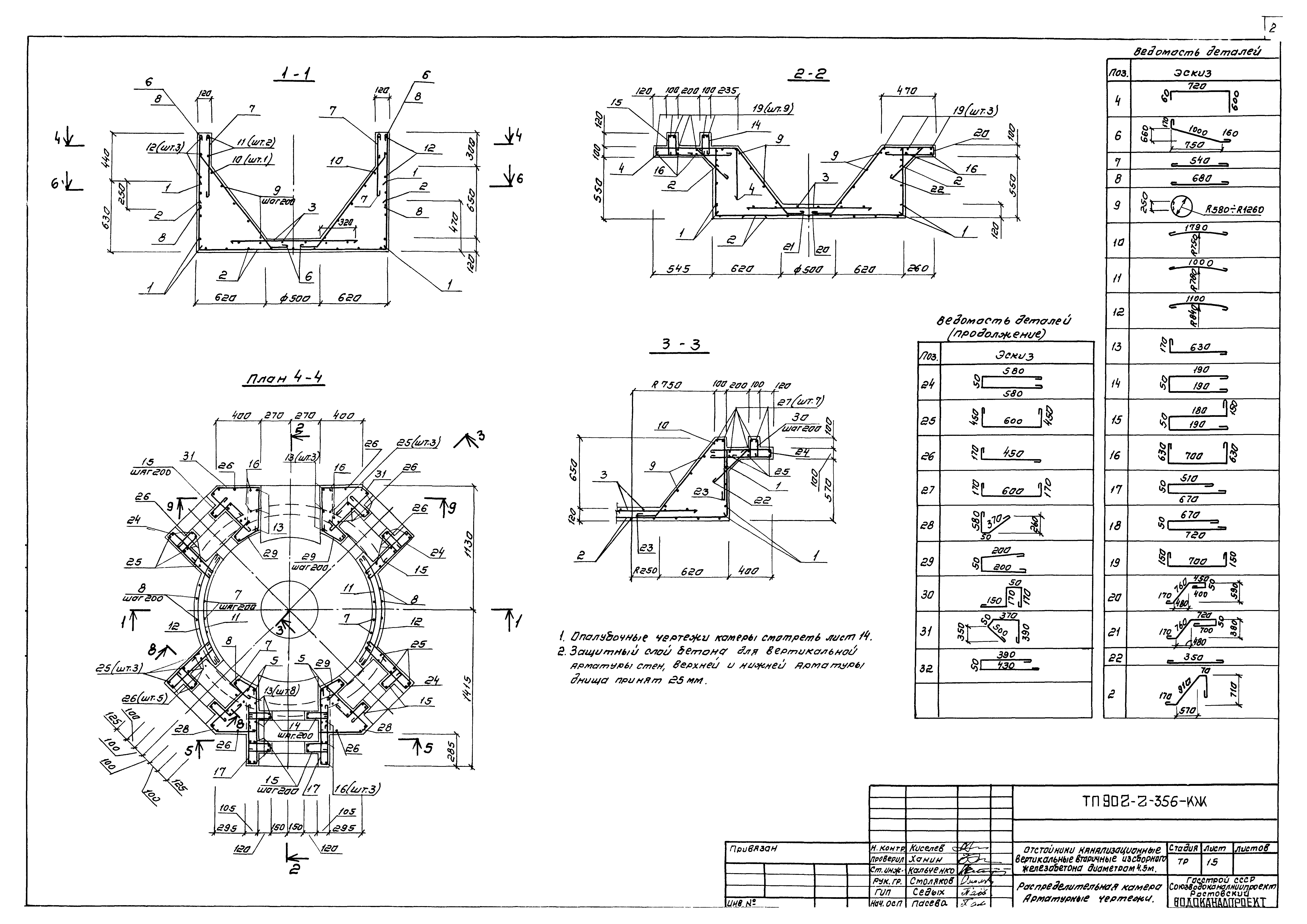
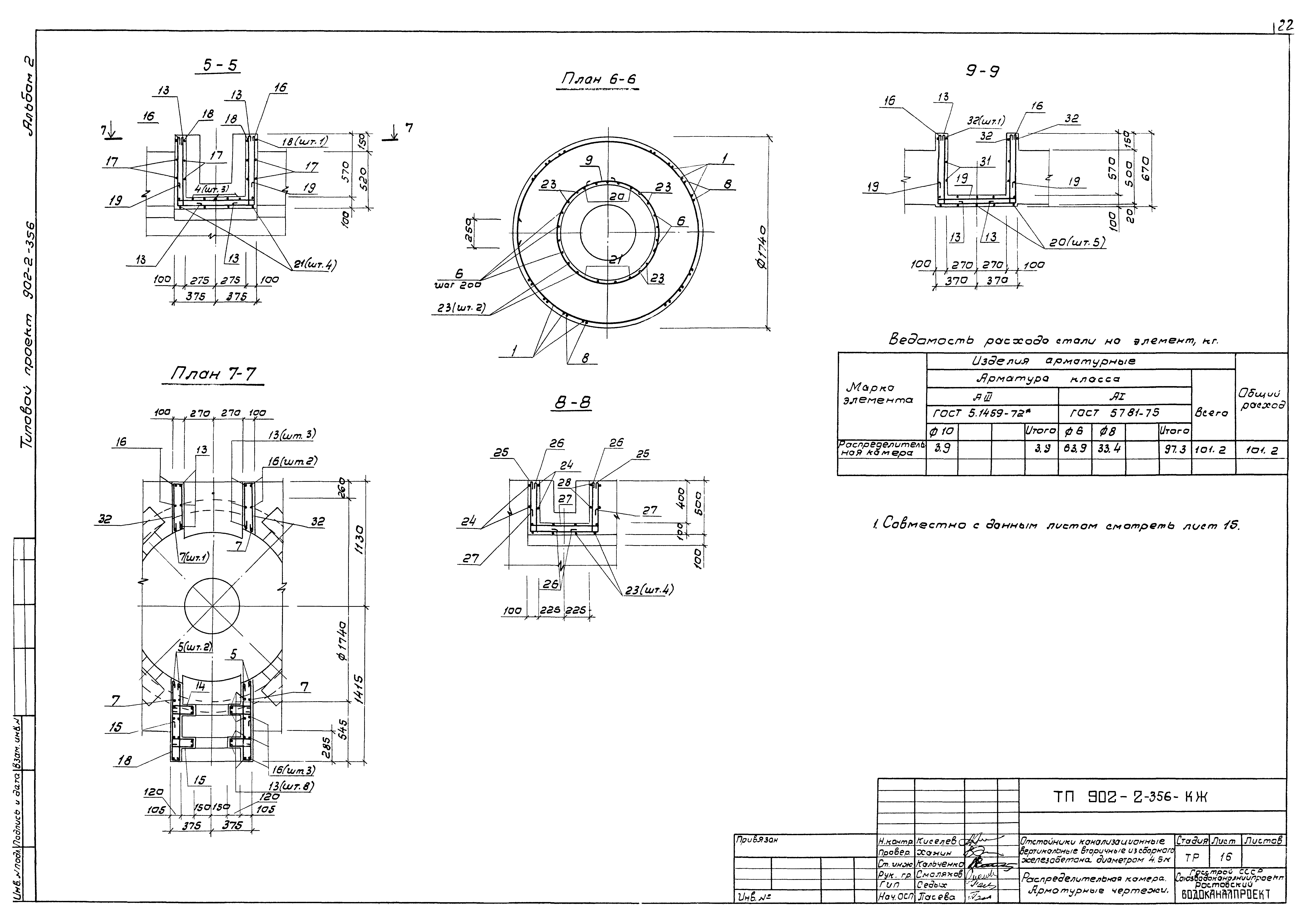
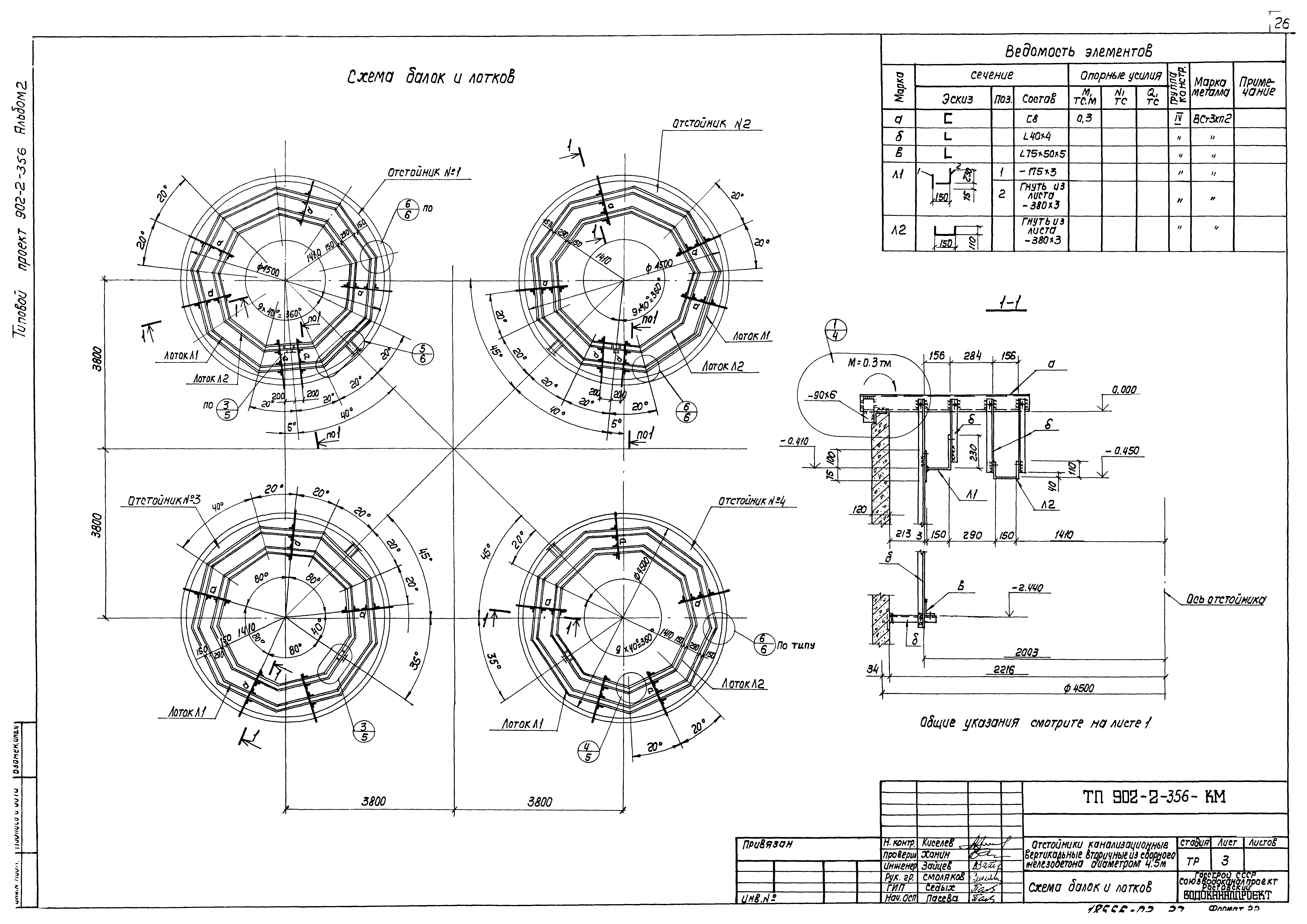
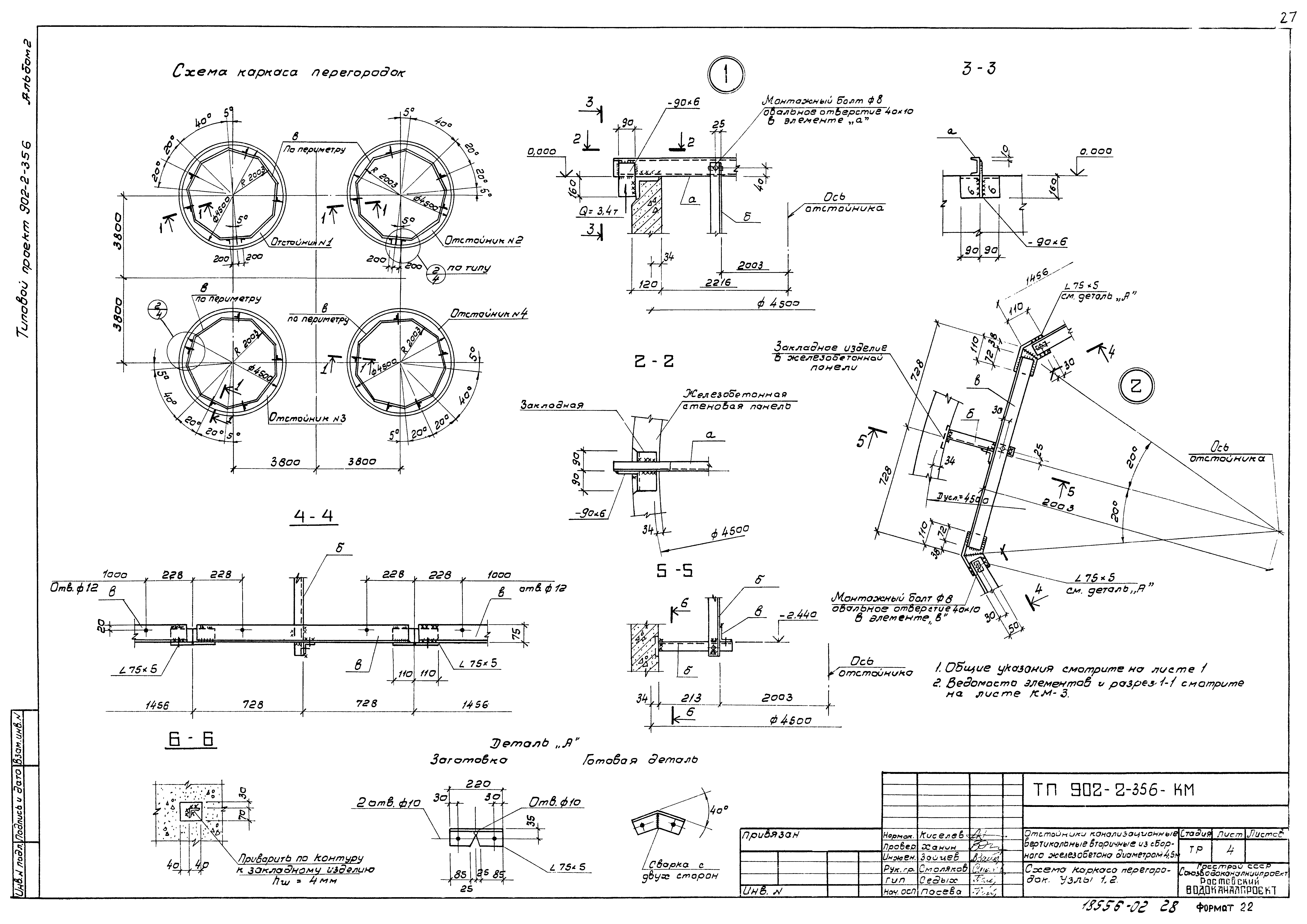
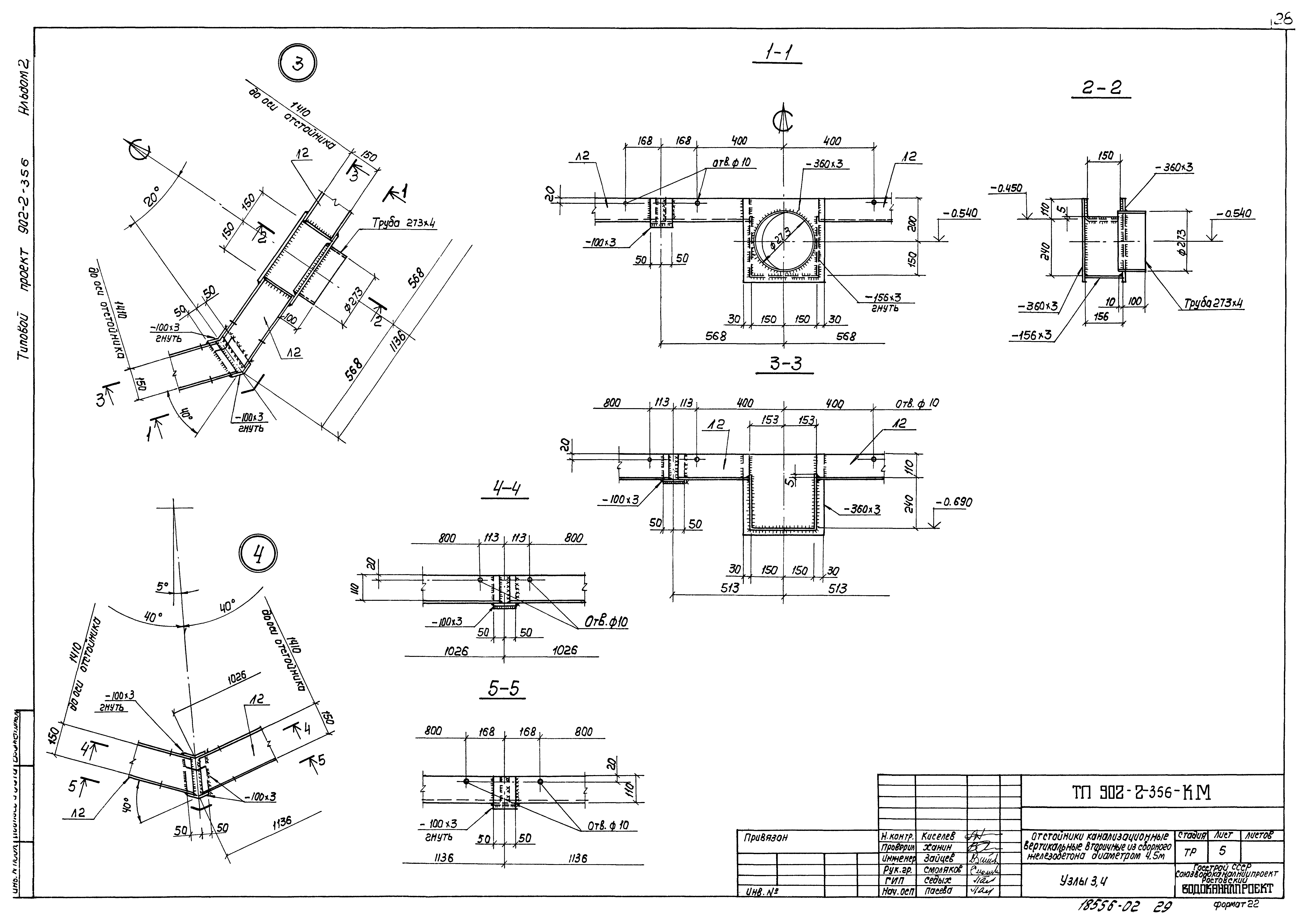
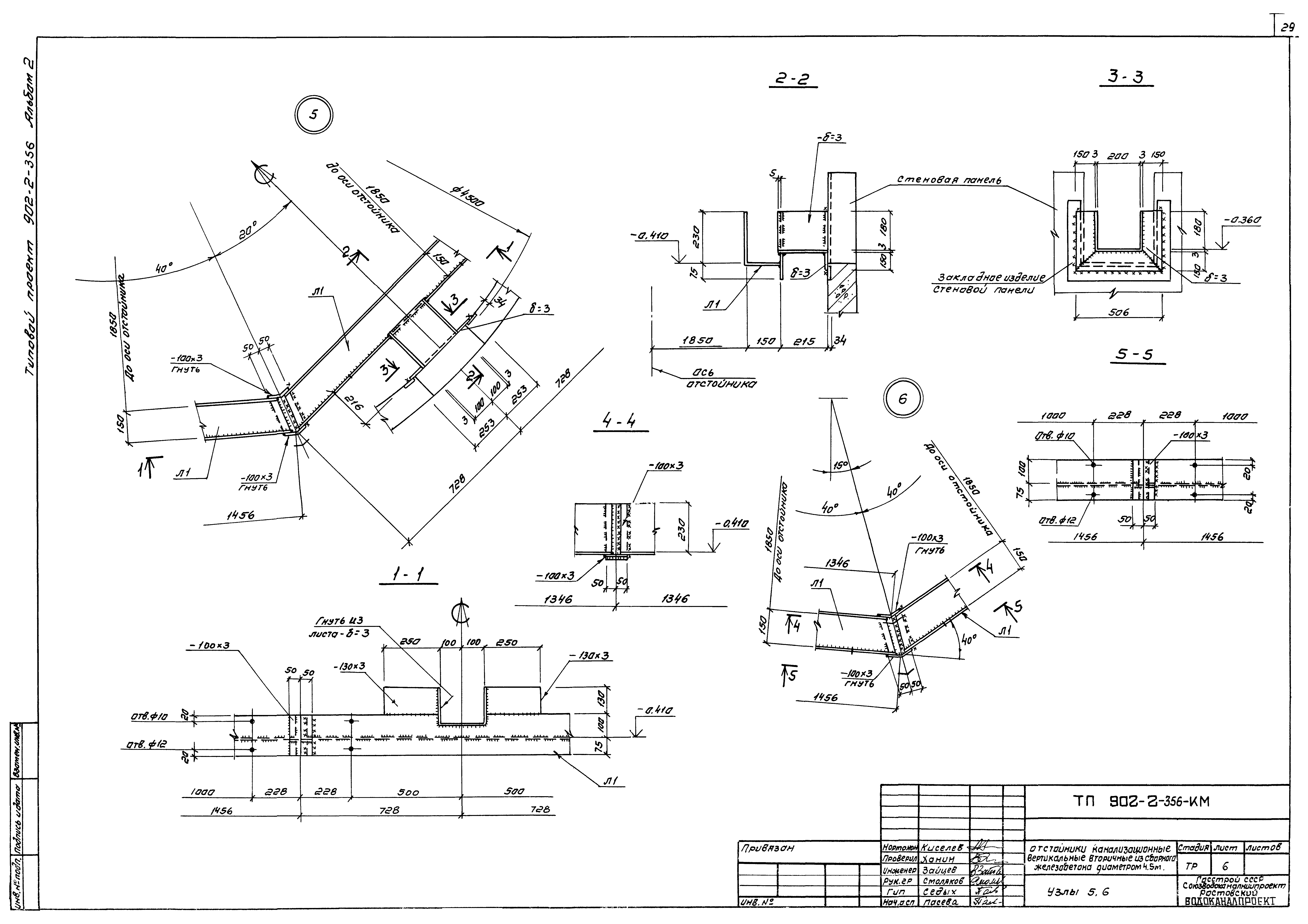
| Оглавление: | Содержание альбома Технологическая часть Общие данные Компоновка узла из 4-х отстойников Иловые колодцы №1 и №2 Монтажный чертеж. План, разрезы, узлы Строительная часть Конструкции железобетонные Общие данные Отстойник №1. План. Разрез Примеры устройства оснований отстойника для различных гидрогеологических условий Днище Схема расположения стеновых панелей Отстойник №1. Схемы расположения асбестоцементных листов разделительной перегородки и водосливов Схема расположения лотков и распределительной камеры. Узлы Схема расположения лотков и распределительной камеры. Разрезы. Сечения. Узлы Лоток ЛТМ1. Опалубочные чертежи Лоток АТМ1. Арматурные чертежи Распределительная камера. Опалубочные чертежи Распределительная камера. Арматурные чертежи Колодцы иловые №1 и №2 Конструкции металлические Общие данные Техническая спецификация металла. Ведомость металлоконструкций по видам профилей Схема балок и лотков Схема каркаса перегородок. Узлы 1, 2 Узлы 3, 4 Узлы 5, 6 Заказные спецификации Заказная спецификация на оборудование для 4-х отстойников Заказная спецификация на трубопроводную арматуру для 4-х отстойников |
| Разработан: | Союзводоканалпроект Ростовский Водоканалпроект |
| Утверждён: | 25.08.1982 Главпромстройпроект Госстроя СССР (32) |































