Скачать Типовой проект 902-2-400.86 Альбом 3. Строительные изделияДата актуализации: 01.01.2021
|
| Обозначение: | Типовой проект 902-2-400.86 |
| Обозначение англ: | 902-2-400.86 |
| Статус: | не определен законодательством |
| Название рус.: | Альбом 3. Строительные изделия |
| Дата добавления в базу: | 01.09.2013 |
| Дата актуализации: | 01.01.2021 |
| Дата введения: | 01.06.1986 |
| Дата окончания срока действия: | 30.06.2003 |
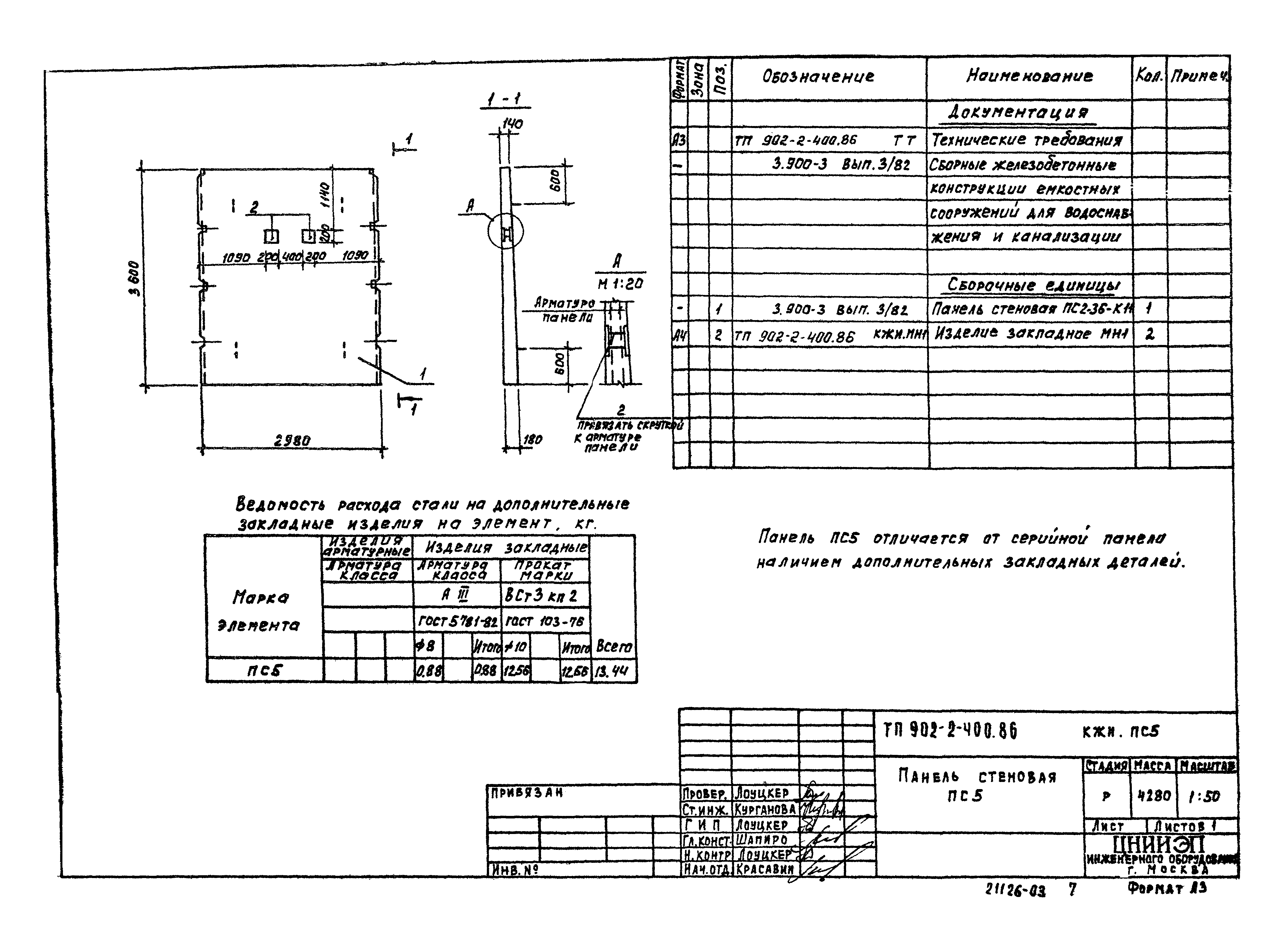
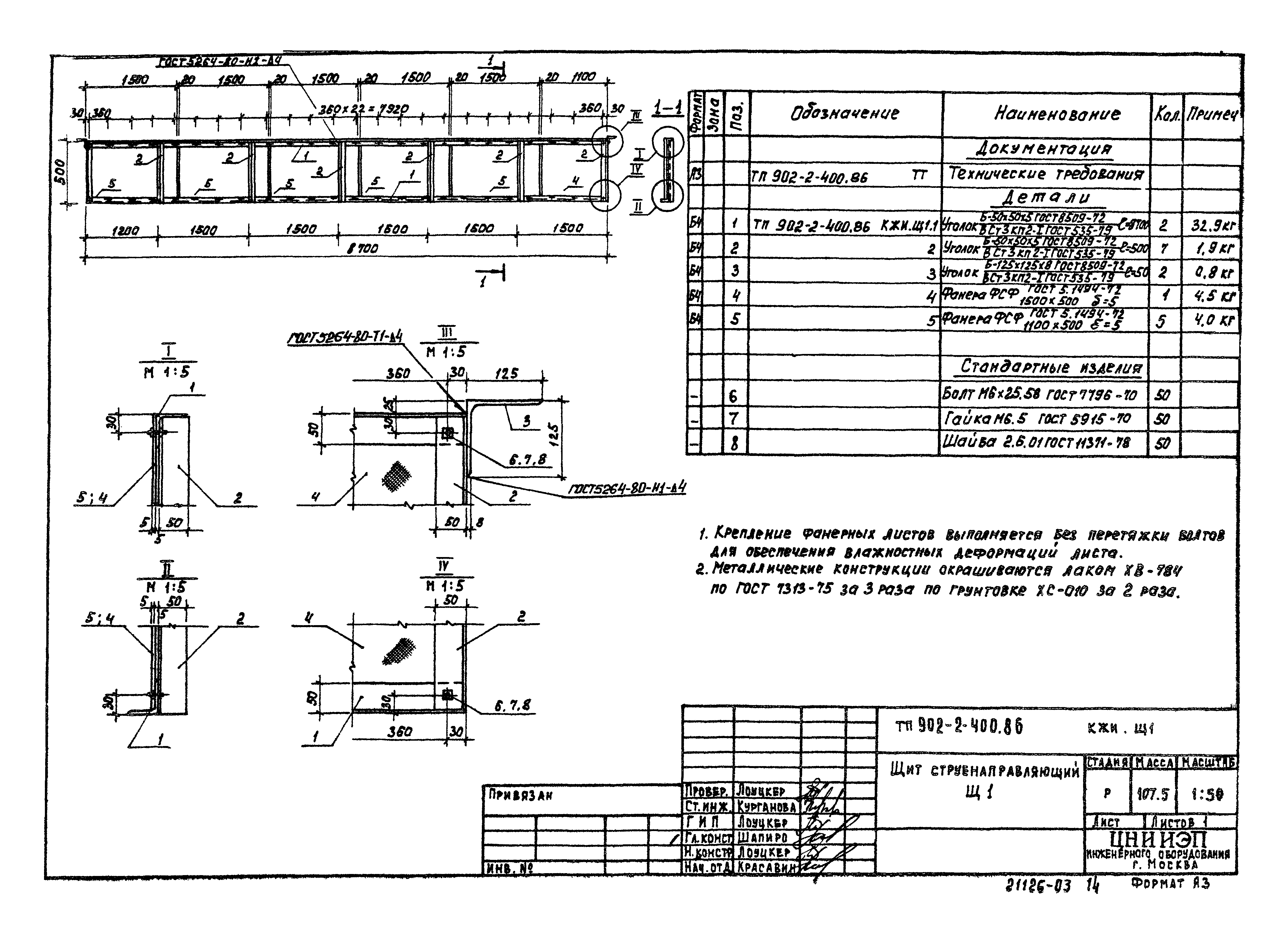
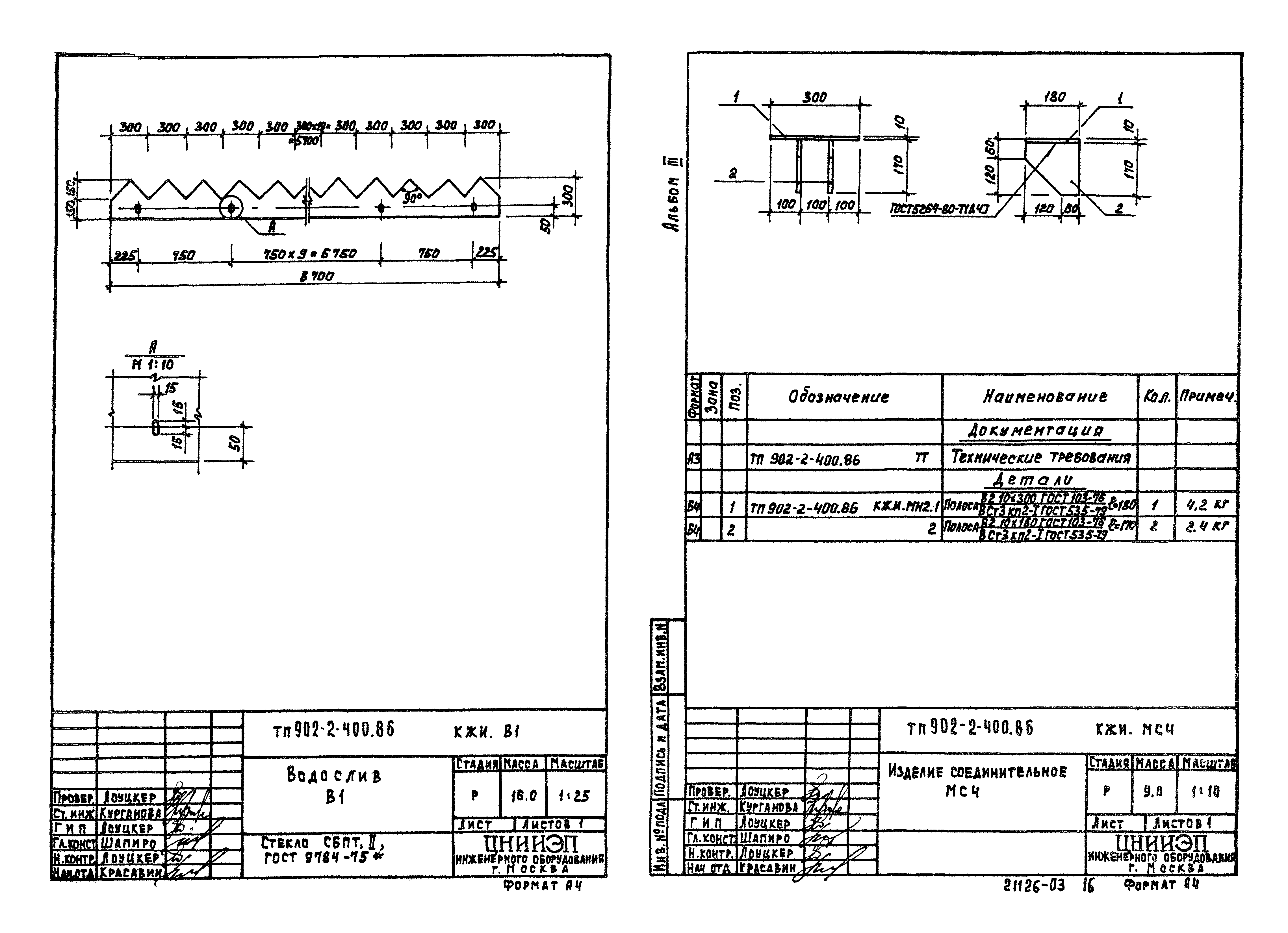
| Оглавление: | Технические требования Панель стеновая ПС3 Панель стеновая ПС4 Панель стеновая ПС5 Панель стеновая ПС6, Панель стеновая ПС7 Панель стеновая ПС8 Плита П1 Плита П3 Балка Б1 Лоток ЛТ1, Лоток ЛТ3 Щит струенаправляющий Щ1 Изделие закладное МН1, Изделие закладное МН2 Водослив В1, Изделие соединительное МС1 Каркас пространственный КП1, Каркас плоский Кр1 |
| Разработан: | ЦНИИЭП |
| Утверждён: | 05.11.1985 Госгражданстрой (Gosgrazhdanstroy 320) |

















