Скачать Типовой проект 907-2-225см Альбом 2. Металлоконструкции дымовых труб Н = 45 м, Н = 35 м, Н = 30 м (из ТП 907-2-223см)Дата актуализации: 01.01.2021
|
| Обозначение: | Типовой проект 907-2-225см |
| Обозначение англ: | 907-2-225см |
| Статус: | не определен законодательством |
| Название рус.: | Альбом 2. Металлоконструкции дымовых труб Н = 45 м, Н = 35 м, Н = 30 м (из ТП 907-2-223см) |
| Дата добавления в базу: | 01.09.2013 |
| Дата актуализации: | 01.01.2021 |
| Дата введения: | 01.03.1981 |
| Дата окончания срока действия: | 30.06.2003 |
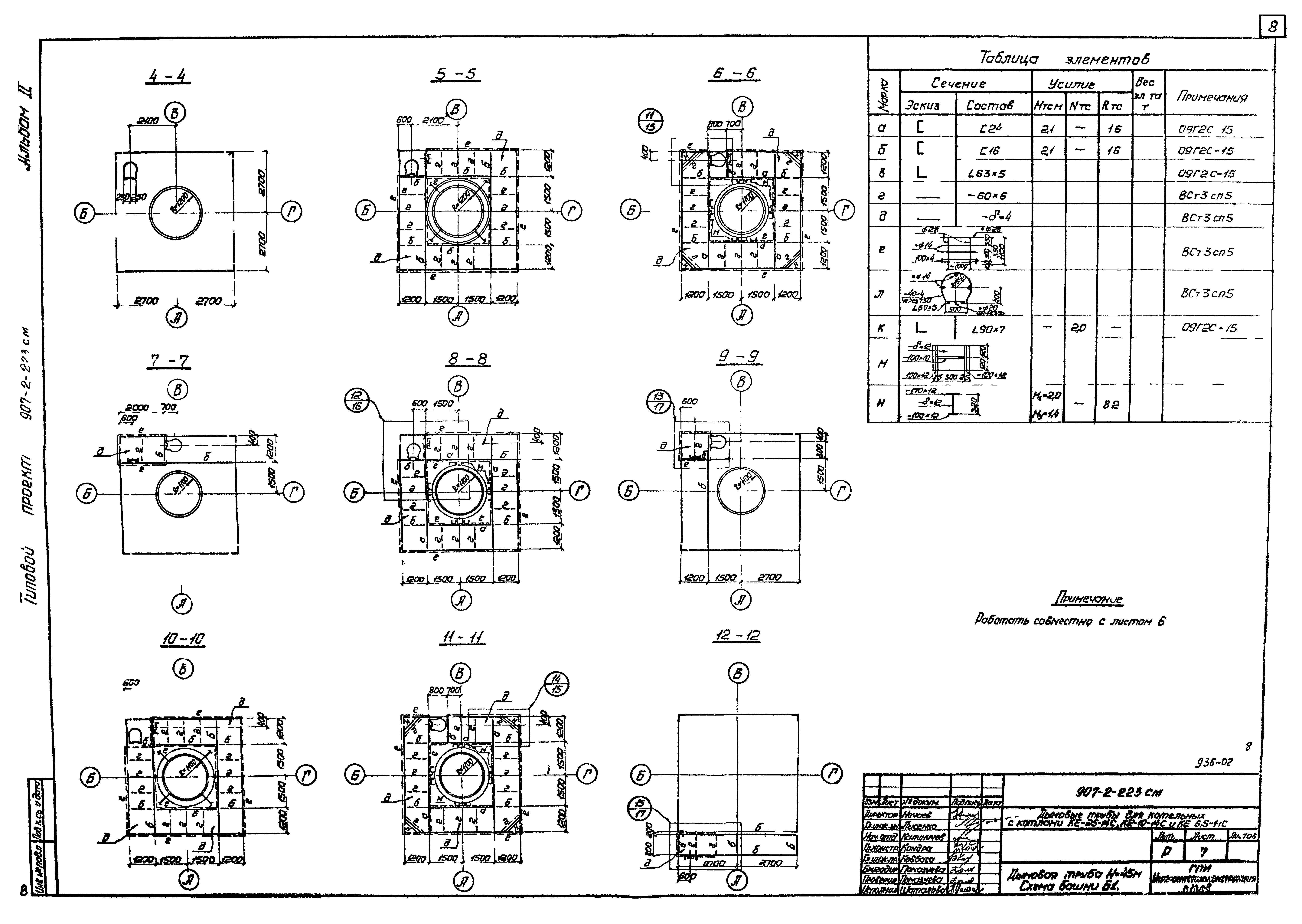
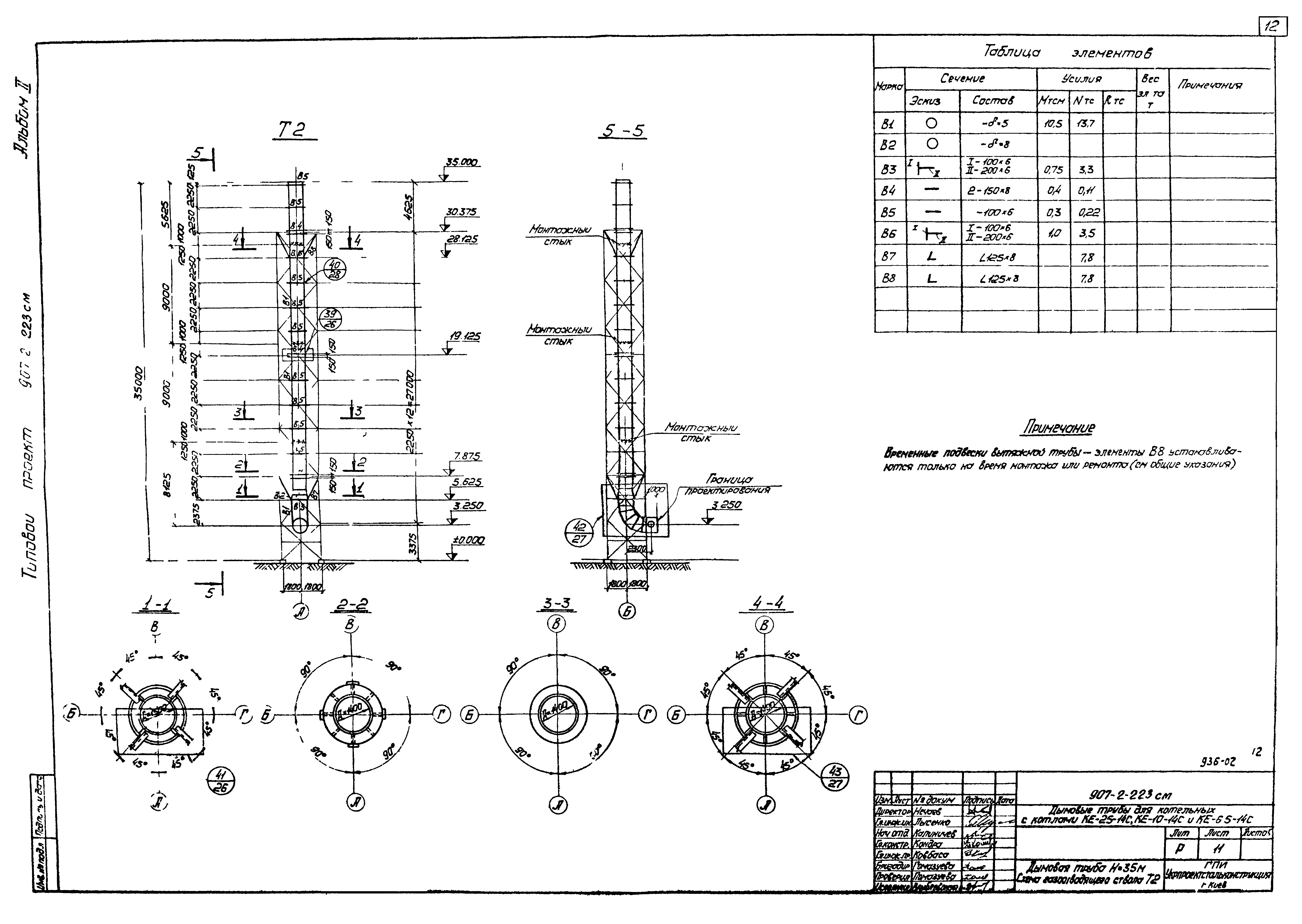
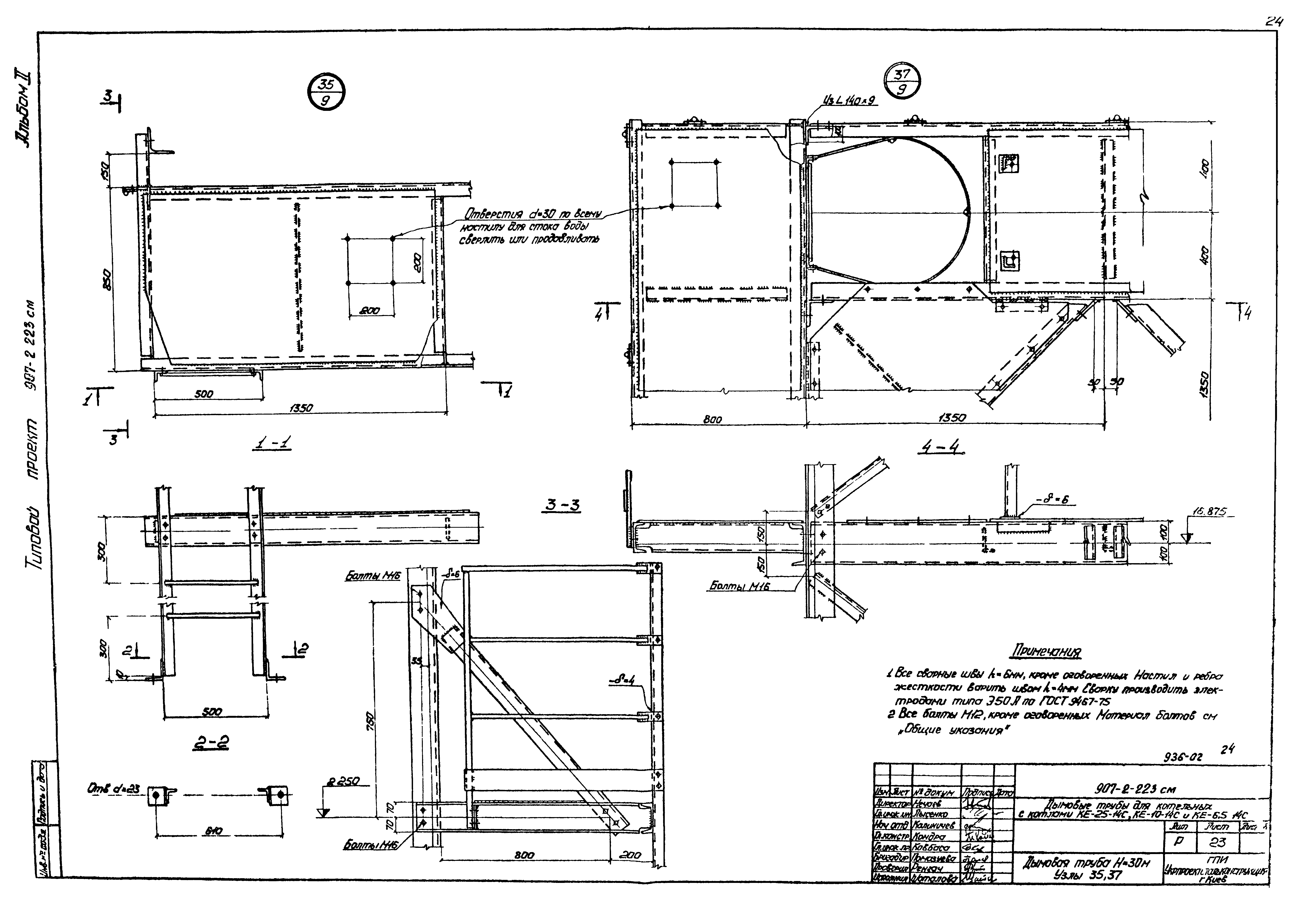
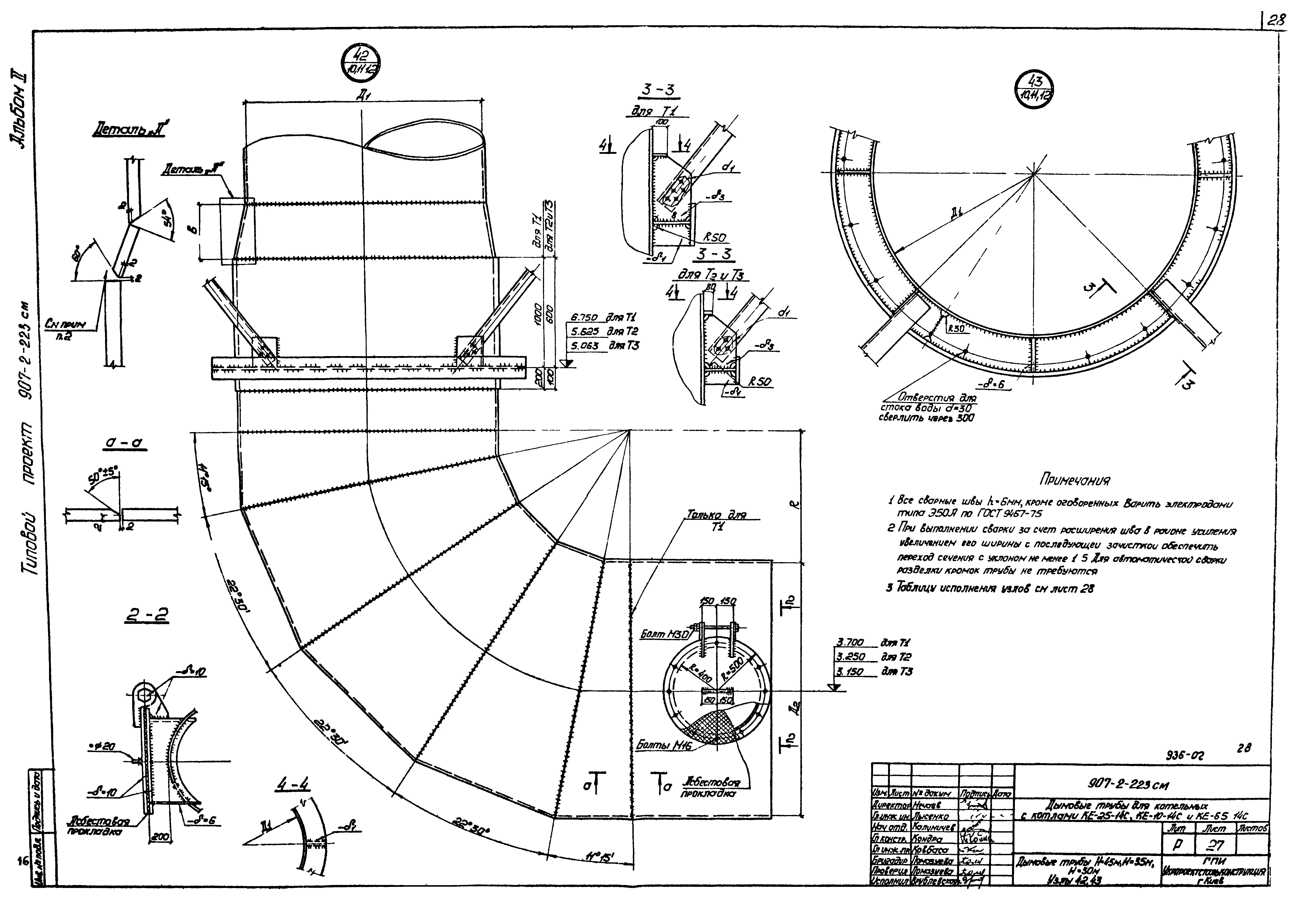
| Оглавление: | ТП 907-2-223см Обложка ТП 907-2-223см Титульный лист ТП 907-2-223см Дымовые трубы Н=45м,Н=35м,Н=30м. Общие данные ТП 907-2-223см Дымовые трубы Н=45м,Н=35м,Н=30м. Техническая спецификация стали ТП 907-2-223см Дымовые трубы Н=45м,Н=35м,Н=30м. Общие виды ТП 907-2-223см Дымовые трубы Н=45м,Н=35м,Н=30м. Нагрузки на фундаменты ТП 907-2-223см Дымовая труба Н=45м. Схема башни Б1 ТП 907-2-223см Дымовая труба Н=35м. Схема башни Б2 ТП 907-2-223см Дымовая труба Н=30м. Схема башни Б3 ТП 907-2-223см Дымовая труба Н=45м. Схема газоотводящего ствола Т1 ТП 907-2-223см Дымовая труба Н=35м. Схема газоотводящего ствола Т2 ТП 907-2-223см Дымовая труба Н=30м. Схема газоотводящего ствола Т3 ТП 907-2-223см Дымовая труба Н=45м. Узлы 1-3 ТП 907-2-223см Дымовая труба Н=45м. Узлы 4-10 ТП 907-2-223см Дымовая труба Н=45м. Узлы 11,14 ТП 907-2-223см Дымовая труба Н=45м. Узел 12 ТП 907-2-223см Дымовая труба Н=45м. Узлы 13,15 ТП 907-2-223см Дымовая труба Н=35м. Узлы 16-20 ТП 907-2-223см Дымовая труба Н=35м. Узлы 21,23 ТП 907-2-223см Дымовая труба Н=35м. Узлы 22-25 ТП 907-2-223см Дымовая труба Н=35м. Узлы 24 ТП 907-2-223см Дымовая труба Н=30м. Узлы 26-34 ТП 907-2-223см Дымовая труба Н=30м. Узлы 35,37 ТП 907-2-223см Дымовая труба Н=30м. Узлы 36 ТП 907-2-223см Дымовая труба Н=30м. Узлы 38 ТП 907-2-223см Дымовые трубы Н=45м,Н=35,Н=30м. Узлы 39,41 ТП 907-2-223см Дымовые трубы Н=45м,Н=35,Н=30м. Узлы 42,43 ТП 907-2-223см Дымовые трубы Н=45м,Н=35,Н=30м. Узлы 40,44 |
| Разработан: | Укрпроектстальконструкция |
| Утверждён: | 09.01.1979 Минмонтажспецстрой СССР (USSR Minmontazhspetsstroy ) |





























