Скачать Серия 3.818.9-2 Выпуск 5. Стальные технологические изделия для свиноводческих зданийДата актуализации: 01.01.2021
|
| Обозначение: | Серия 3.818.9-2 |
| Обозначение англ: | Series 3.818.9-2 |
| Статус: | не определен законодательством |
| Название рус.: | Выпуск 5. Стальные технологические изделия для свиноводческих зданий |
| Дата добавления в базу: | 01.09.2013 |
| Дата актуализации: | 01.01.2021 |
| Дата введения: | 23.02.1984 |
| Дата окончания срока действия: | 30.06.2003 |
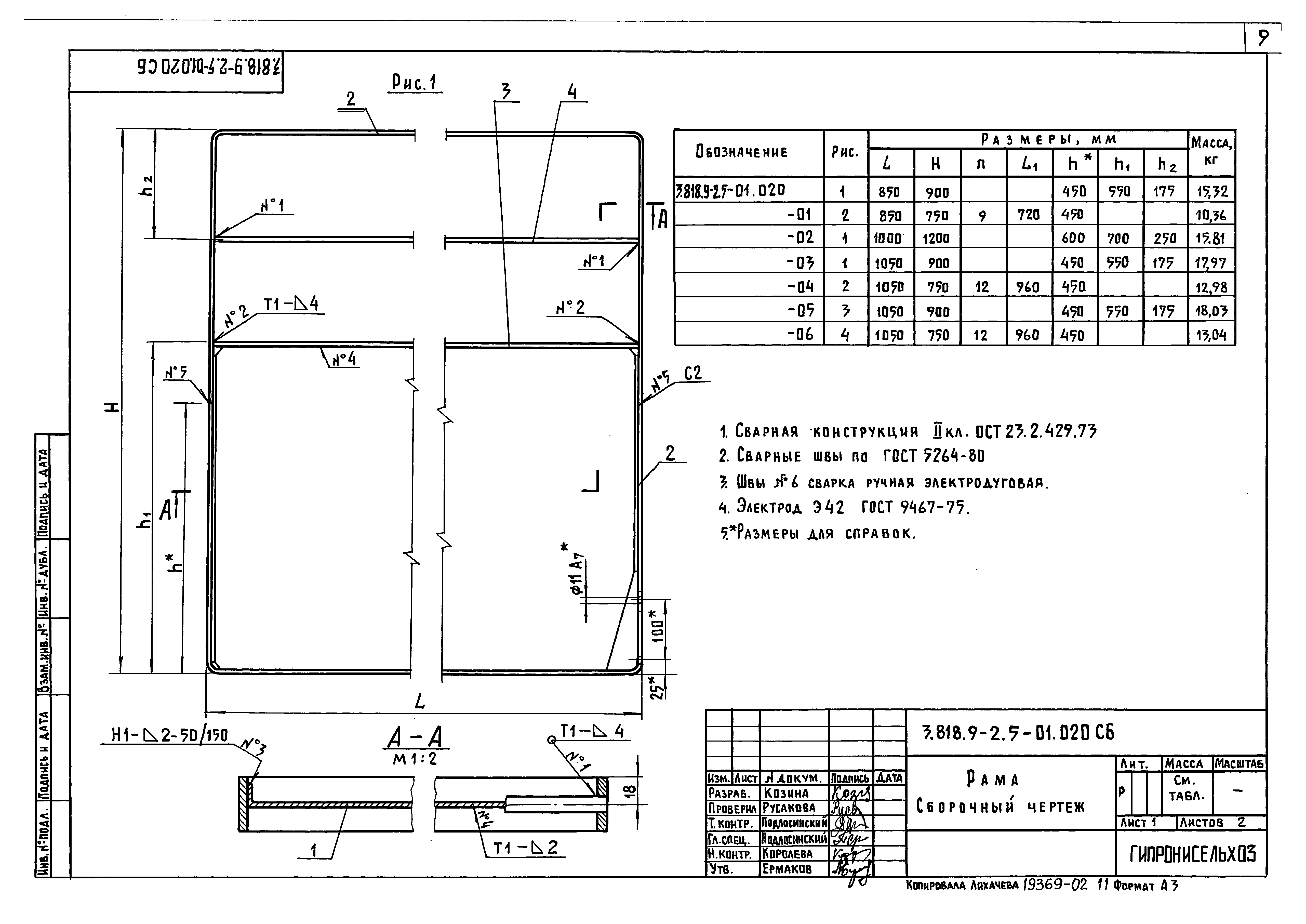
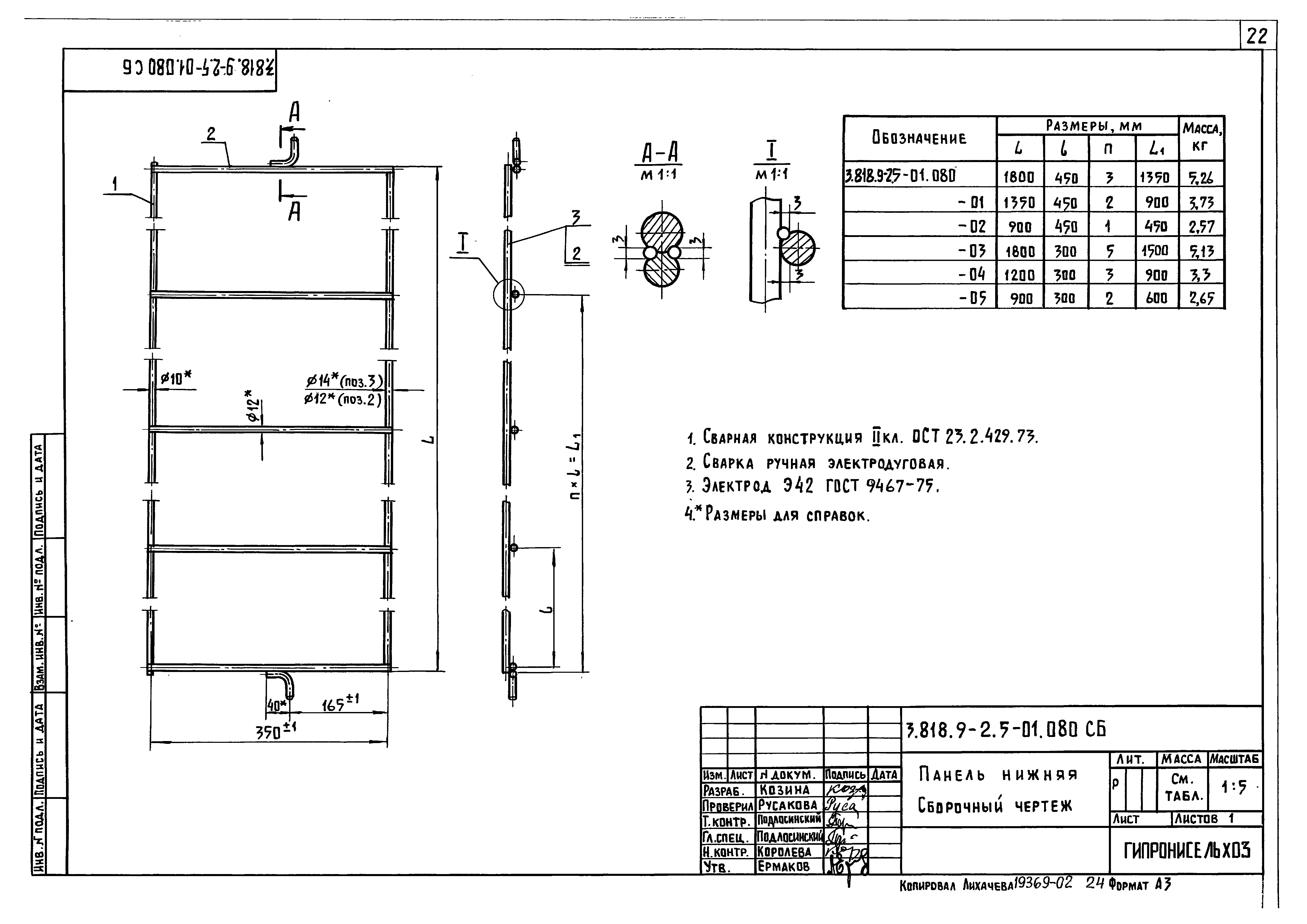
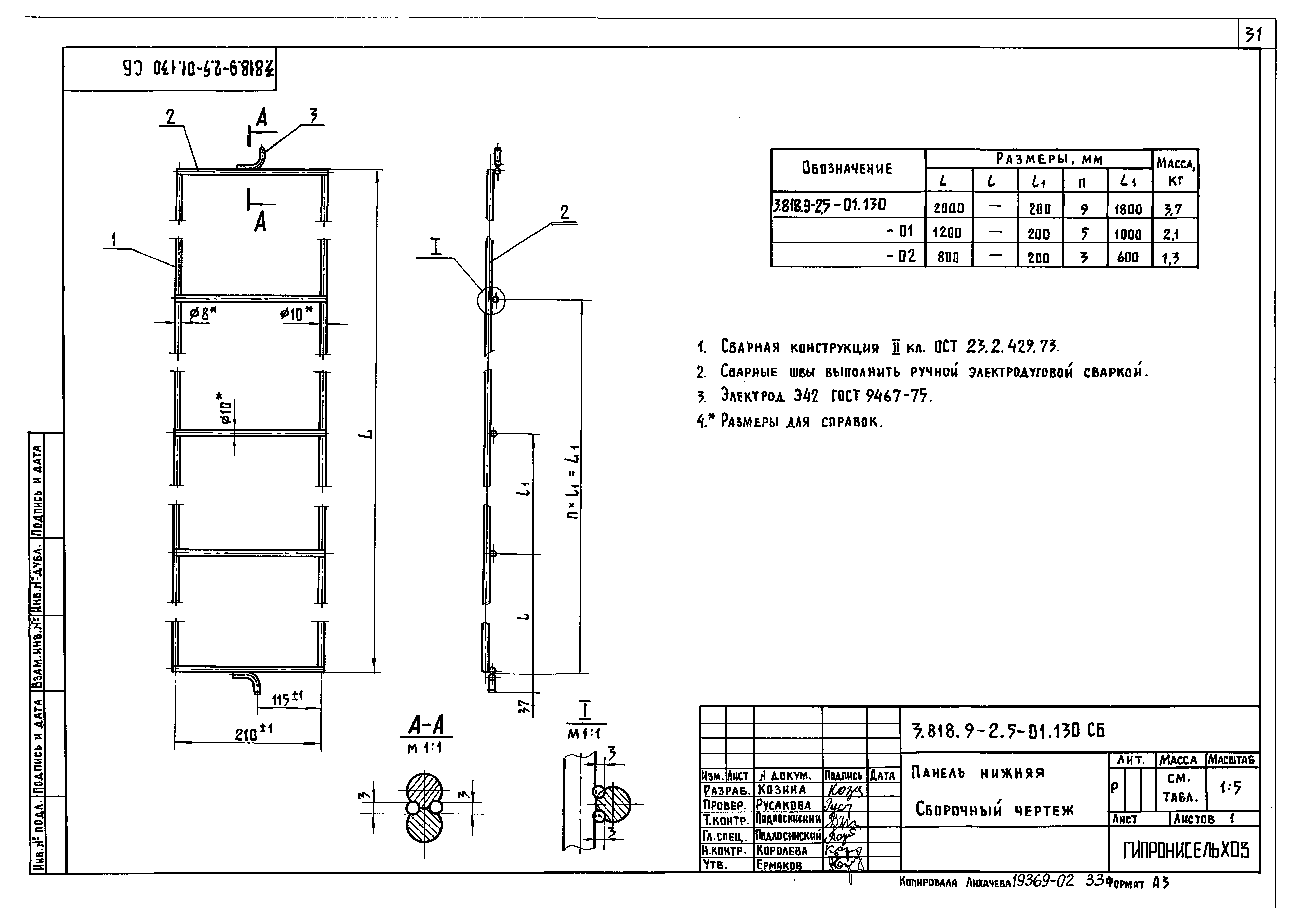
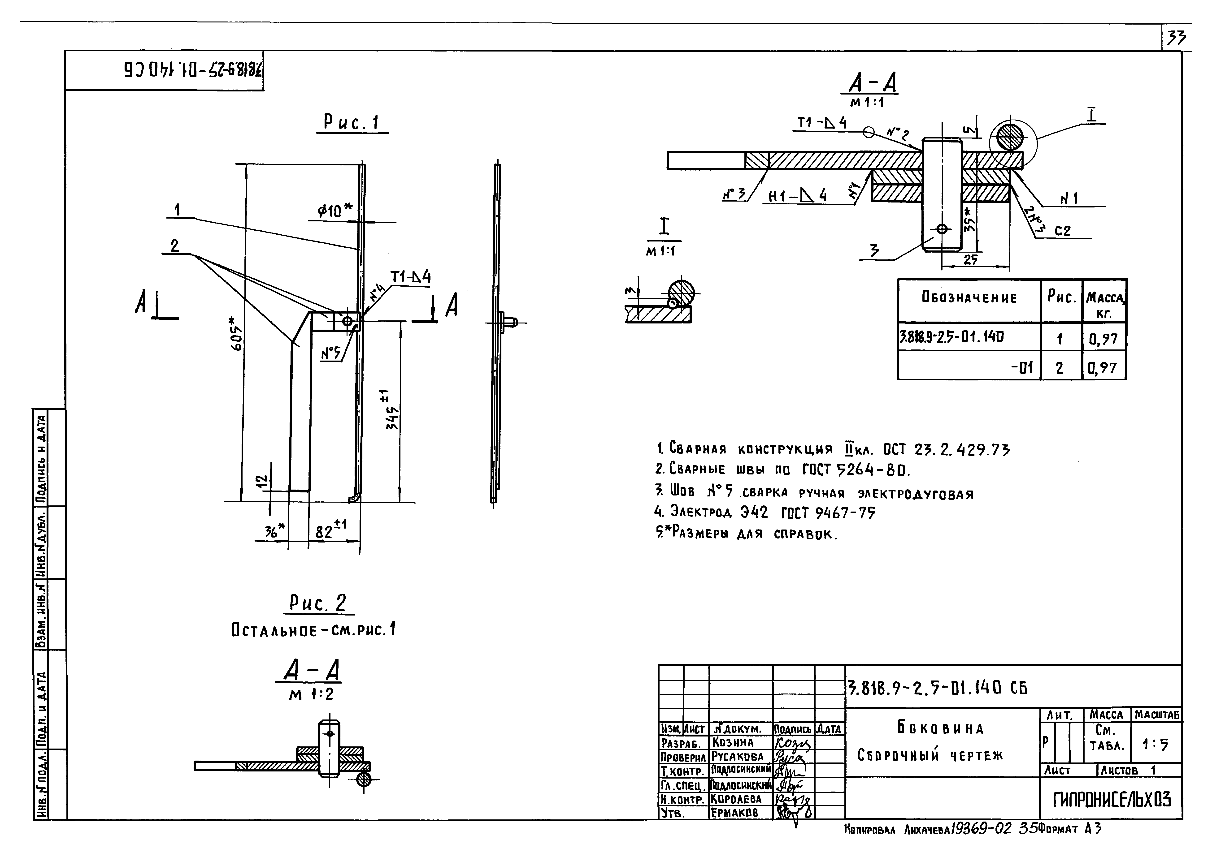
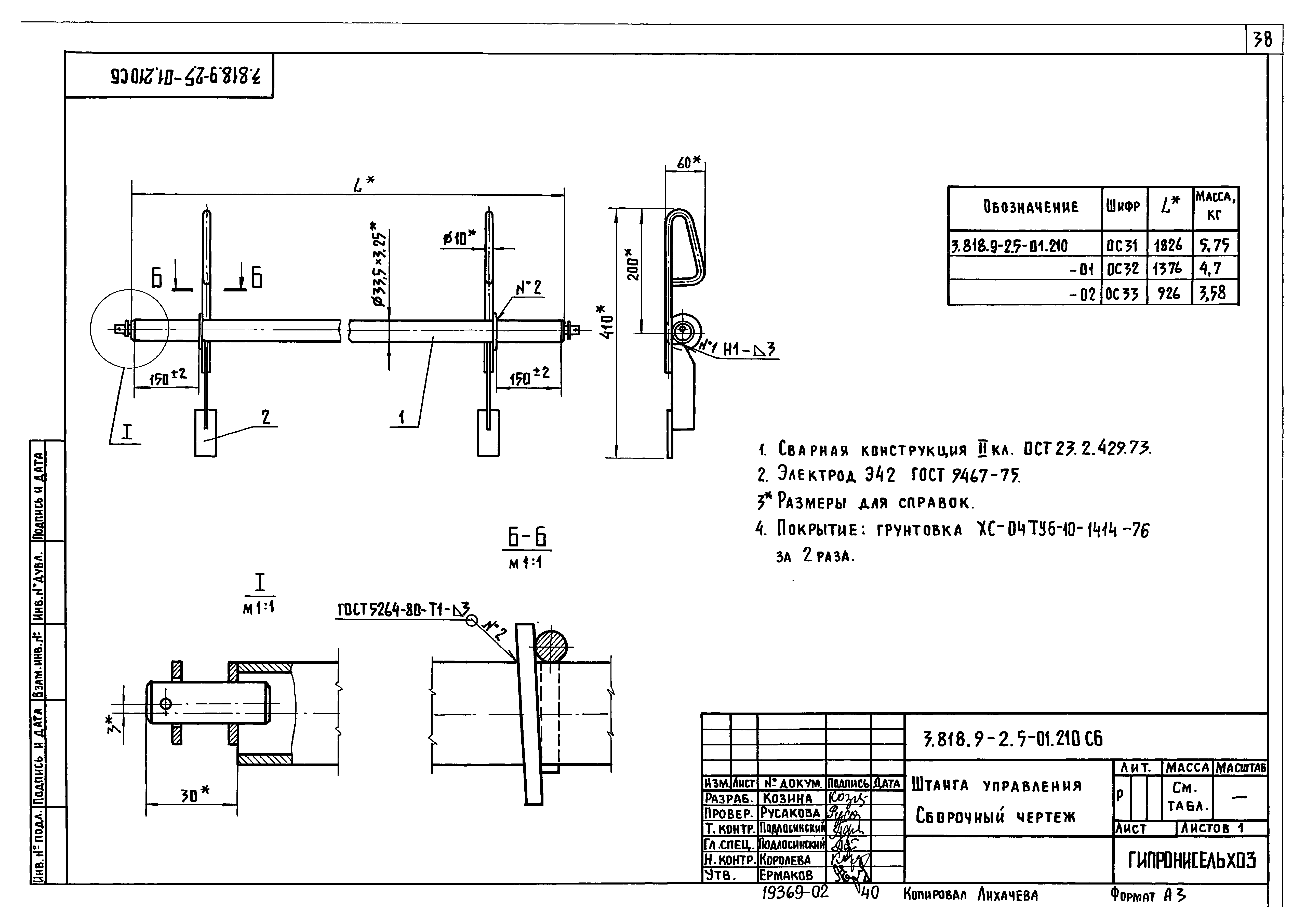
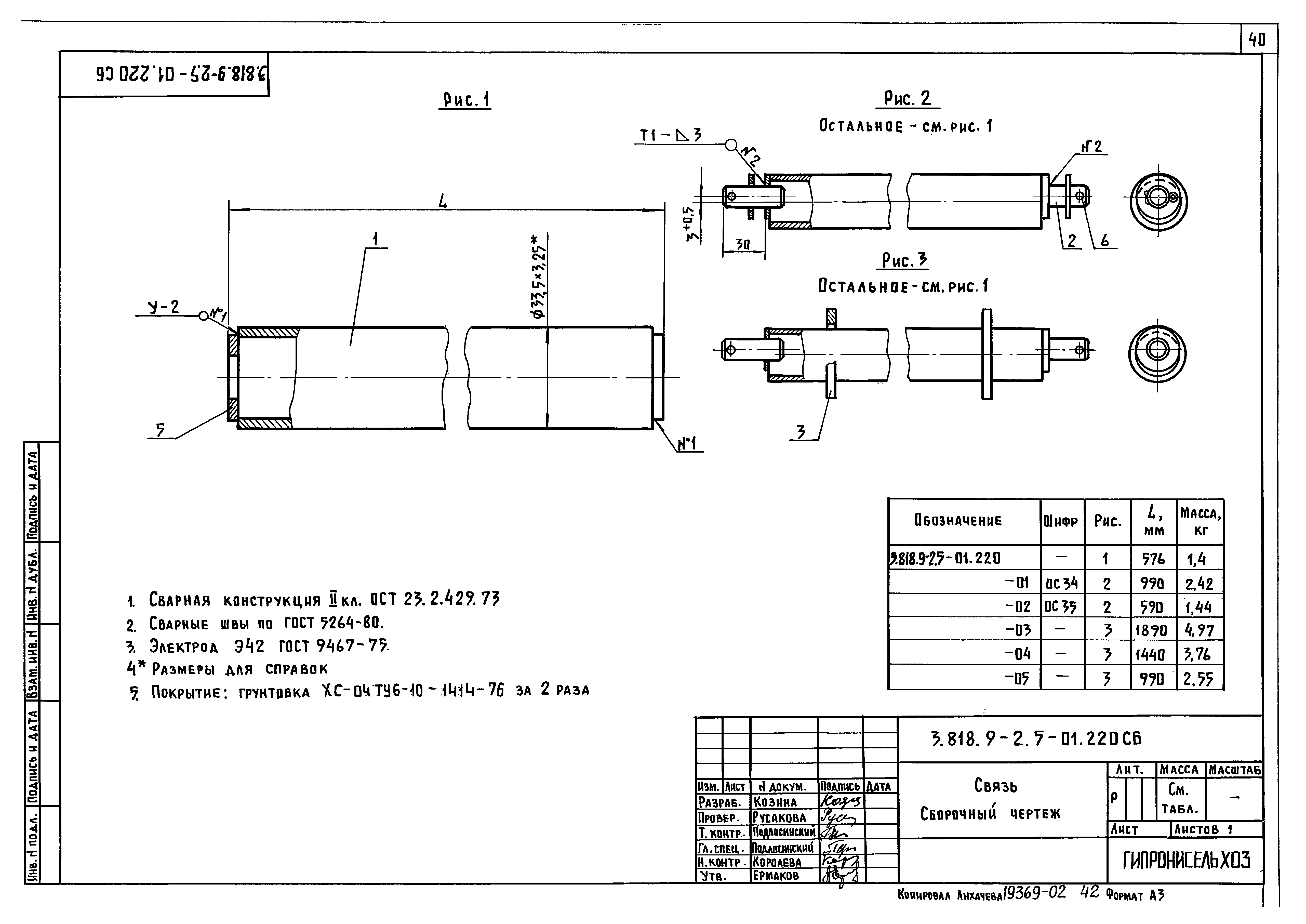
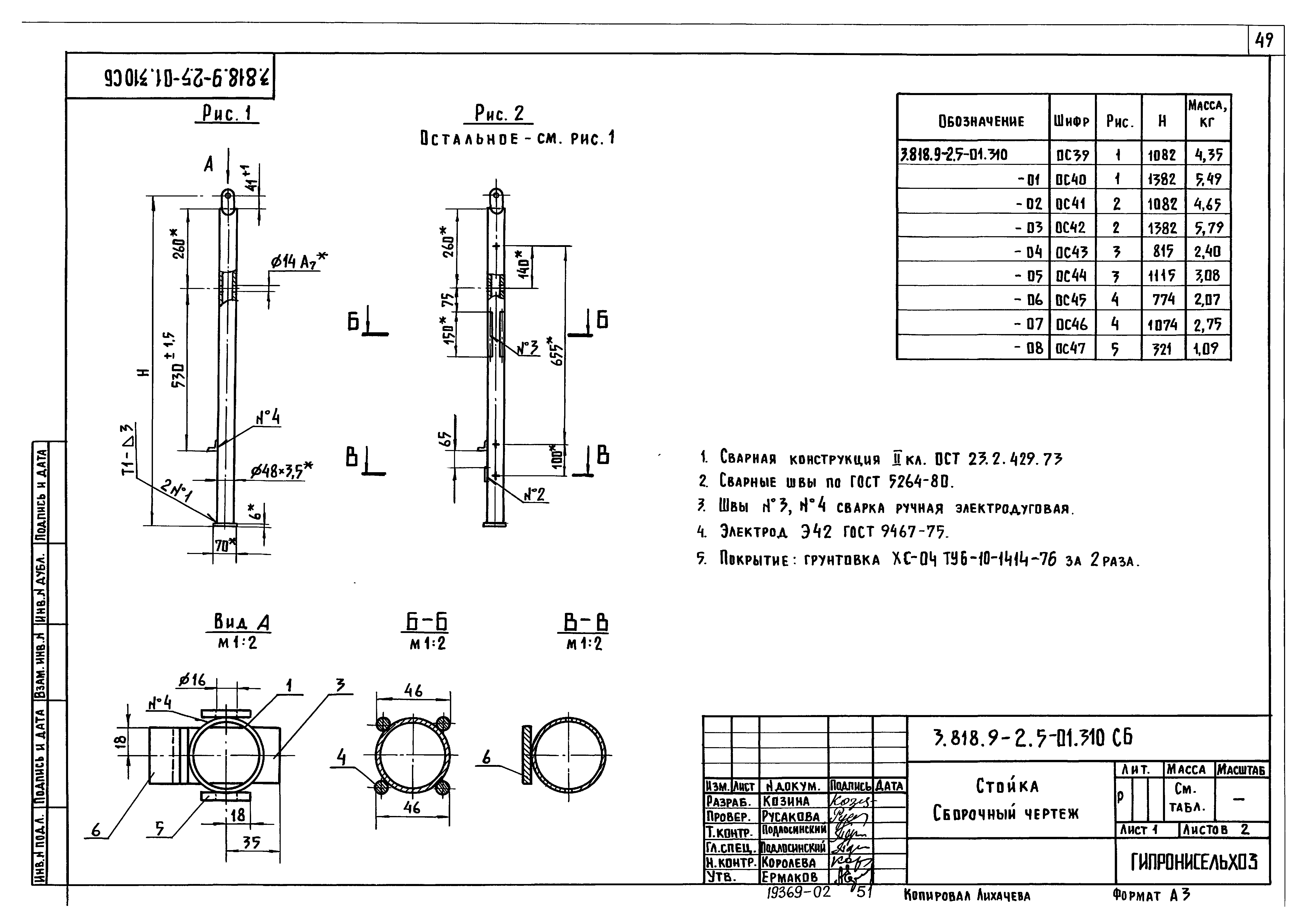
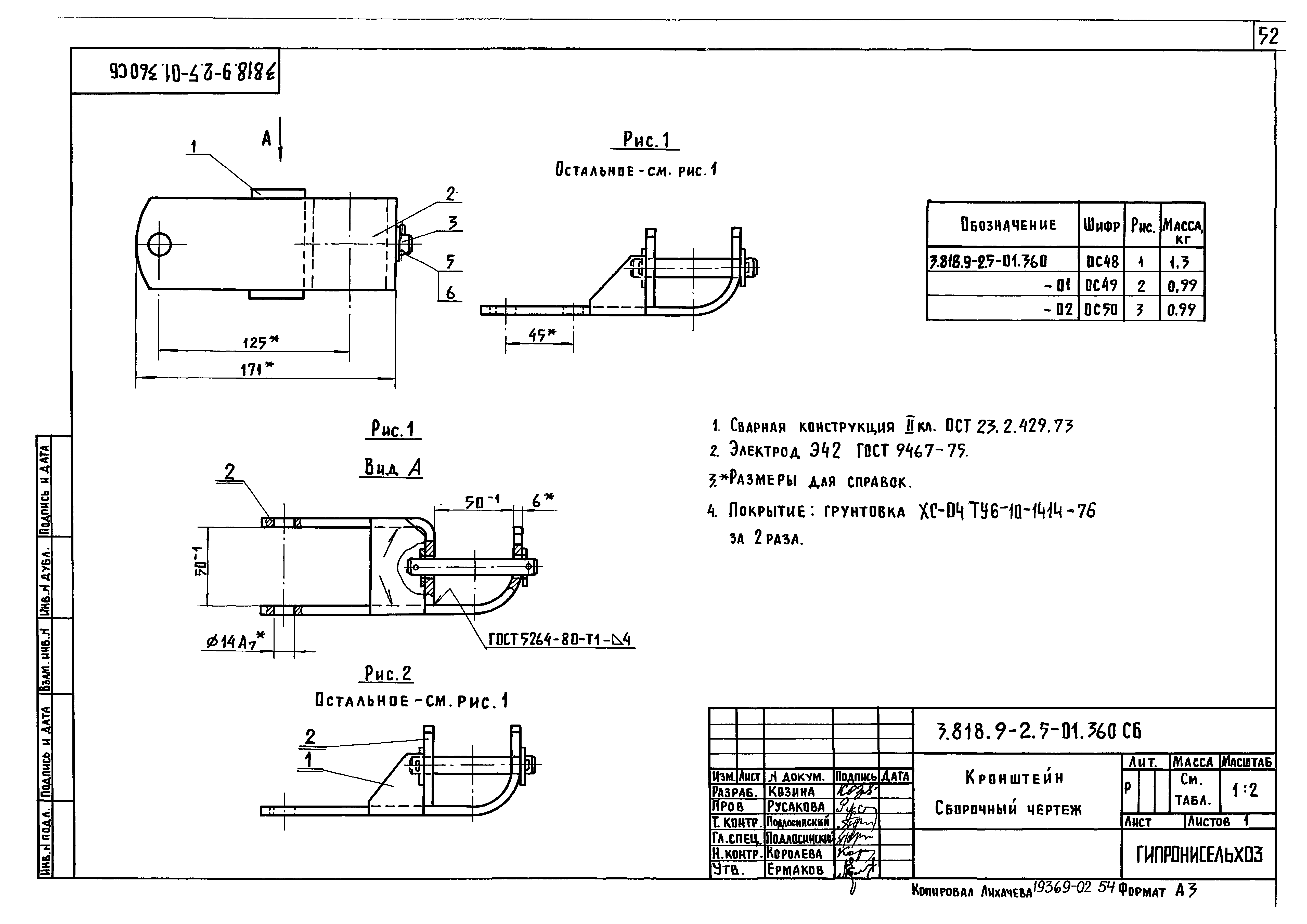
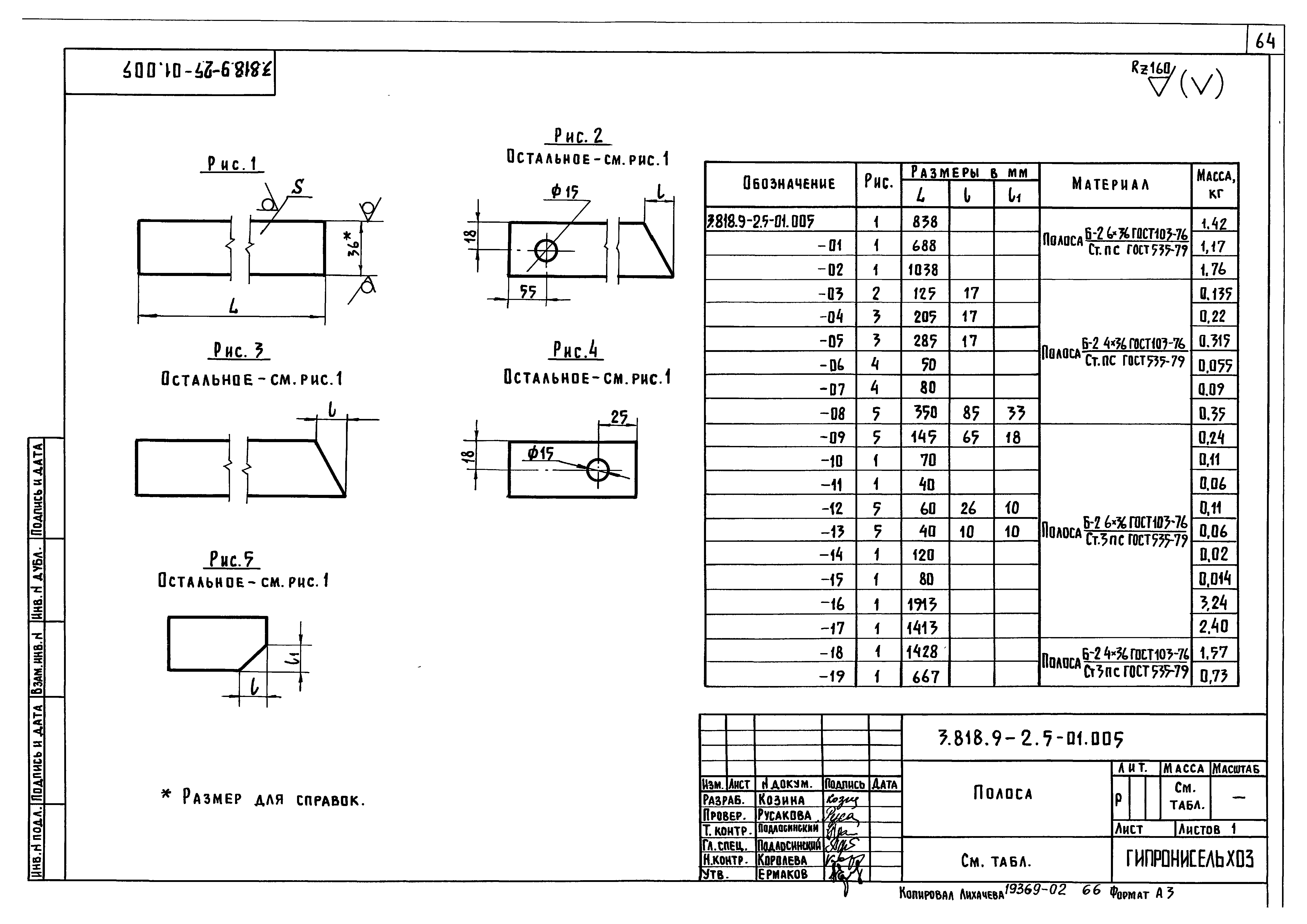
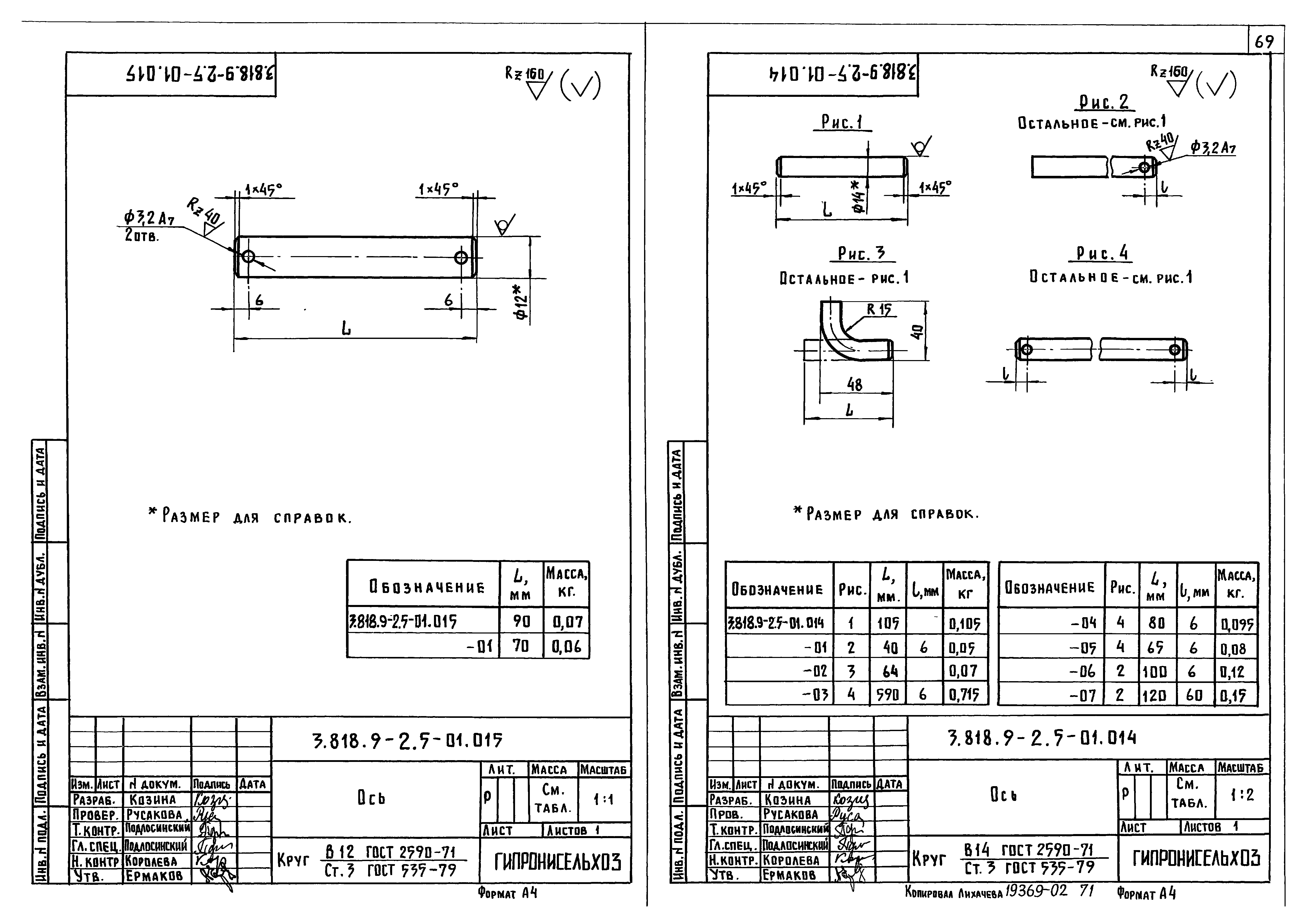
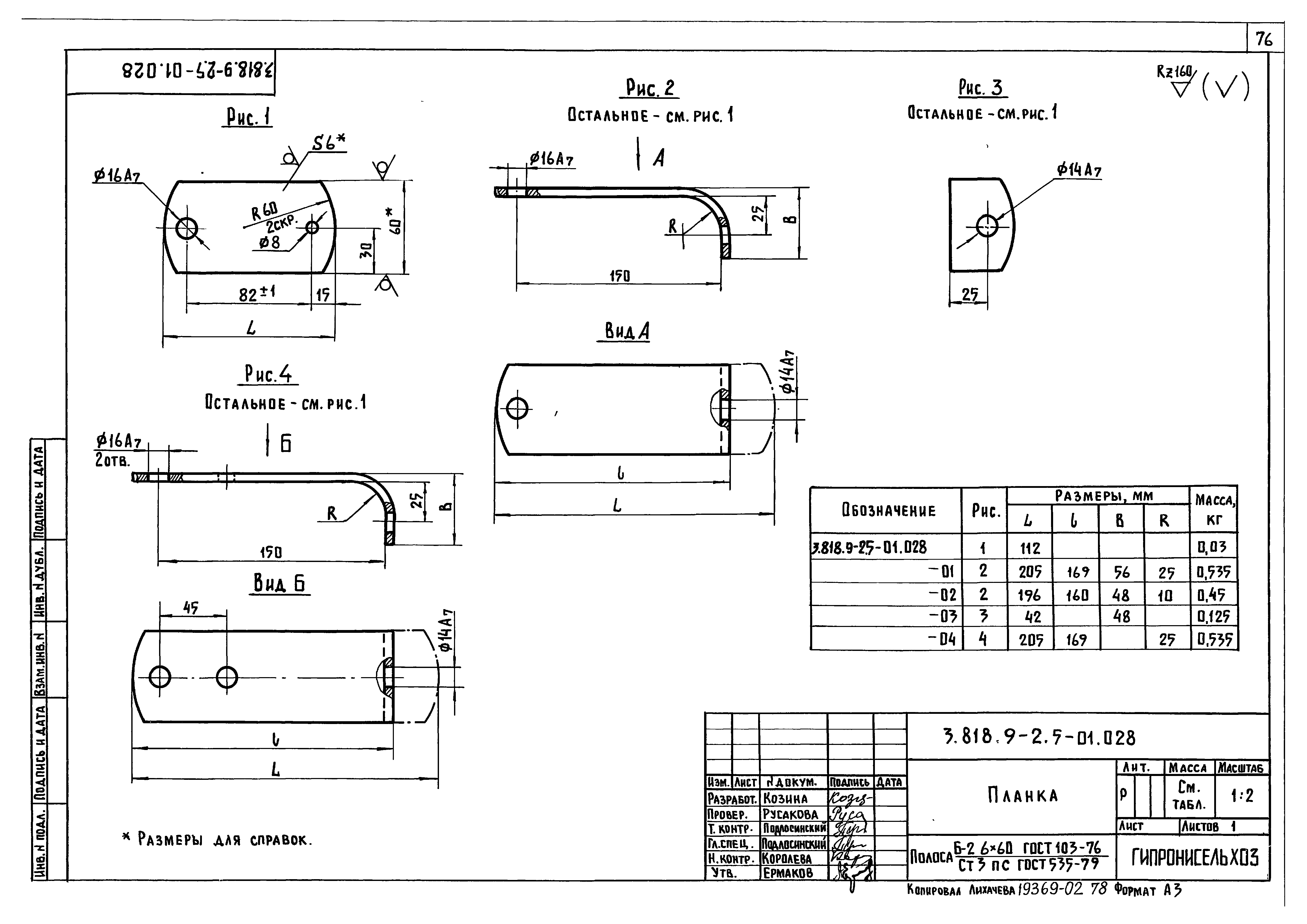
| Оглавление: | 3.818.9-2.5-00.000 Содержание 3.818.9-2.5-00.000 Д Назначение изделий 3.818.9-2.5-01.010 Дверь 3.818.9-2.5-01.010 СБ Дверь. Сборочный чертеж 3.818.9-2.5-01.020 Рама 3.818.9-2.5-01.020 СБ Рама. Сборочный чертеж 3.818.9-2.5-01.030 Ручка 3.818.9-2.5-01.030 СБ Ручка. Сборочный чертеж 3.818.9-2.5-01.040 Навеска 3.818.9-2.5-01.040 СБ Навеска. Сборочный чертеж 3.818.9-2.5-01.050 Навеска. 3.818.9-2.5-01.050 СБ Навеска. Сборочный чертеж 3.818.9-2.5-01.060 Ограждение кормовое 3.818.9-2.5-01.060 СБ Ограждение кормовое. Сборочный чертеж 3.818.9-2.5-01.070 Панель передняя 3.818.9-2.5-01.070 СБ Панель передняя. Сборочный чертеж 3.818.9-2.5-01.080 Панель нижняя 3.818.9-2.5-01.080 СБ Панель нижняя. Сборочный чертеж 3.818.9-2.5-01.090 Боковина 3.818.9-2.5-01.090 СБ Боковина. Сборочный чертеж 3.818.9-2.5-01.110 Ограждение кормовое 3.818.9-2.5-01.110 СБ Ограждение кормовое. Сборочный чертеж 3.818.9-2.5-01.120 Панель передняя 3.818.9-2.5-01.120 СБ Панель передняя. Сборочный чертеж 3.818.9-2.5-01.130 Панель нижняя 3.818.9-2.5-01.130 СБ Панель нижняя. Сборочный чертеж 3.818.9-2.5-01.140 Боковина 3.818.9-2.5-01.140 СБ Боковина. Сборочный чертеж 3.818.9-2.5-01.160 Ограждение кормовое 3.818.9-2.5-01.160 СБ Ограждение кормовое. Сборочный чертеж 3.818.9-2.5-01.210 Штанга управления 3.818.9-2.5-01.210 СБ Штанга управления. Сборочный чертеж 3.818.9-2.5-01.220 Связь 3.818.9-2.5-01.220 СБ Связь. Сборочный чертеж 3.818.9-2.5-01.230 Рычаг 3.818.9-2.5-01.230 СБ Рычаг. Сборочный чертеж 3.818.9-2.5-01.260 Фиксатор 3.818.9-2.5-01.260 СБ Фиксатор. Сборочный чертеж 3.818.9-2.5-01.270 Запор 3.818.9-2.5-01.270 СБ Запор. Сборочный чертеж 3.818.9-2.5-01.280 Упор 3.818.9-2.5-01.280 СБ Упор. Сборочный чертеж 3.818.9-2.5-01.310 Стойка 3.818.9-2.5-01.310 СБ Стойка. Сборочный чертеж 3.818.9-2.5-01.360 Кронштейн 3.818.9-2.5-01.360 СБ Кронштейн. Сборочным чертеж 3.818.9-2.5-01.410 Ограждение верхнее 3.818.9-2.5-01.410 СБ Ограждение верхнее. Сборочный чертеж 3.818.9-2.5-01.420 Дуга 3.818.9-2.5-01.420 СБ Дуга. Сборочный чертеж 3.818.9-2.5-01.460 Ворота 3.818.9-2.5-01.460 СБ Ворота. Сборочный чертеж 3.818.9-2.5-01.470 Штырь 3.818.9-2.5-01.470 СБ Штырь. Сборочный чертеж 3.818.9-2.5-01.510 Панель ограждения 3.818.9-2.5-01.510 СБ Панель ограждения. Сборочный чертеж 3.818.9-2.5-01.001 Планка 3.818.9-2.5-01.002 Уголок 3.818.9-2.5-01.003 Полотно 3.818.9-2.5-01.004 Рамка 3.818.9-2.5-01.005 Полоса 3.818.9-2.5-01.006 Пруток 3.818.9-2.5-01.007 Пруток 3.818.9-2.5-01.008 Пластина 3.818.9-2.5-01.009 Скоба 3.818.9-2.5-01.011 Ручка 3.818.9-2.5-01.012 Кронштейн 3.818.9-2.5-01.013 Кронштейн 3.818.9-2.5-01.014 Ось 3.818.9-2.5-01.015 Ось 3.818.9-2.5-01.016 Накладка 3.818.9-2.5-01.017 Пруток 3.818.9-2.5-01.018 Пруток 3.818.9-2.5-01.019 Дуга 3.818.9-2.5-01.021 Труба 3.818.9-2.5-01.022 Шайба 3.818.9-2.5-01.023 Упор 3.818.9-2.5-01.024 Штырь 3.818.9-2.5-01.025 Пластина 3.818.9-2.5-01.026 Труба 3.818.9-2.5-01.027 Угольник 3.818.9-2.5-01.028 Планка 3.818.9-2.5-01.029 Скоба 3.818.9-2.5-01.031 Клин |
| Разработан: | ЦНИИЭПсельстрой ГипроНИсельхоз (Институт Гипронисельхоз ) |
| Утверждён: | 22.09.1982 Главсельстройпроект Минсельхоза СССР (Glavselstroyproject, USSR Minselkhoz 3) |














































































