Скачать Серия 3.818.9-2 Выпуск 6/91. Узлы. Рабочие чертежиДата актуализации: 01.01.2021
|
| Обозначение: | Серия 3.818.9-2 |
| Обозначение англ: | Series 3.818.9-2 |
| Статус: | не определен законодательством |
| Название рус.: | Выпуск 6/91. Узлы. Рабочие чертежи |
| Дата добавления в базу: | 01.09.2013 |
| Дата актуализации: | 01.01.2021 |
| Дата введения: | 01.01.1992 |
| Дата окончания срока действия: | 30.06.2003 |
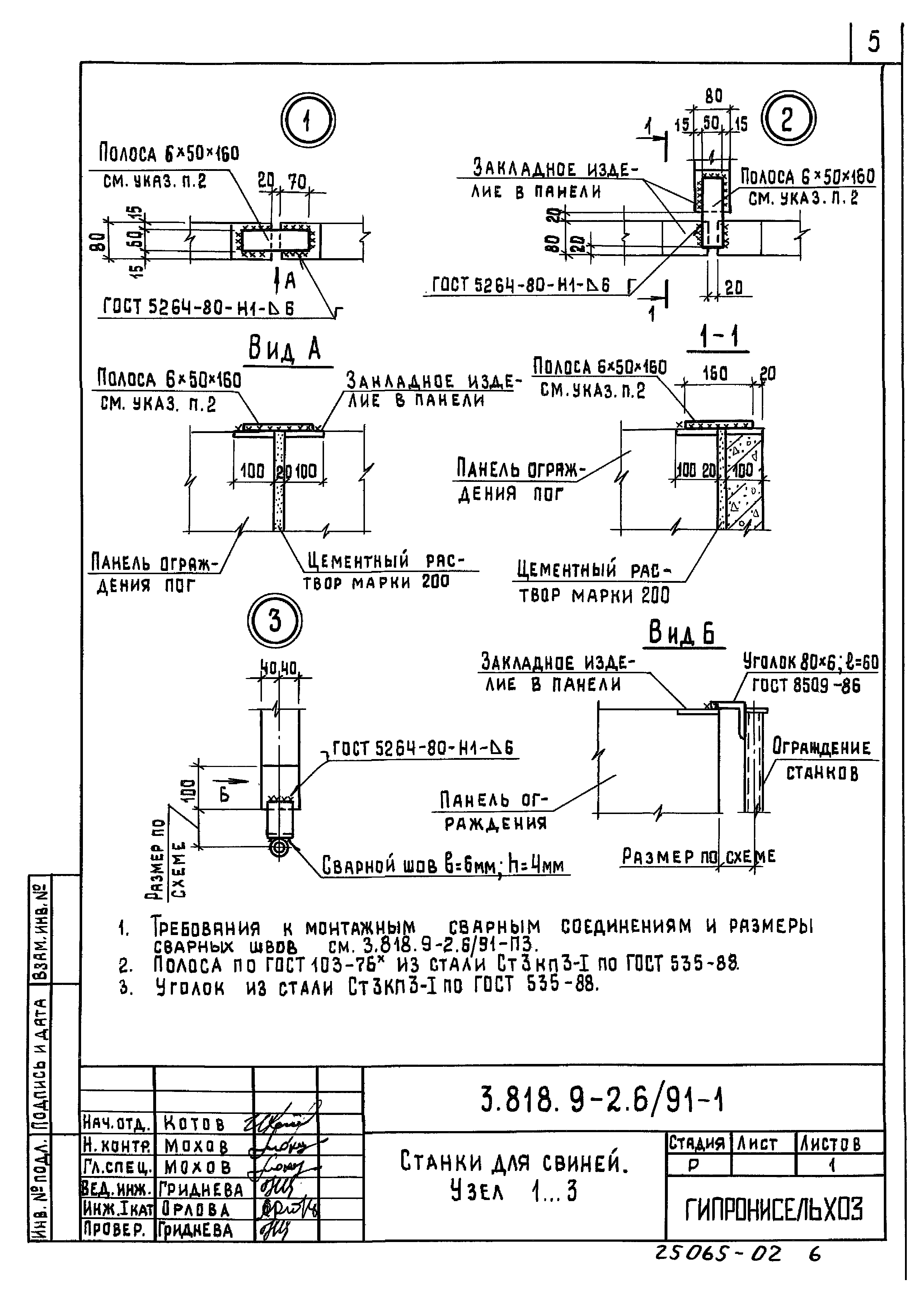
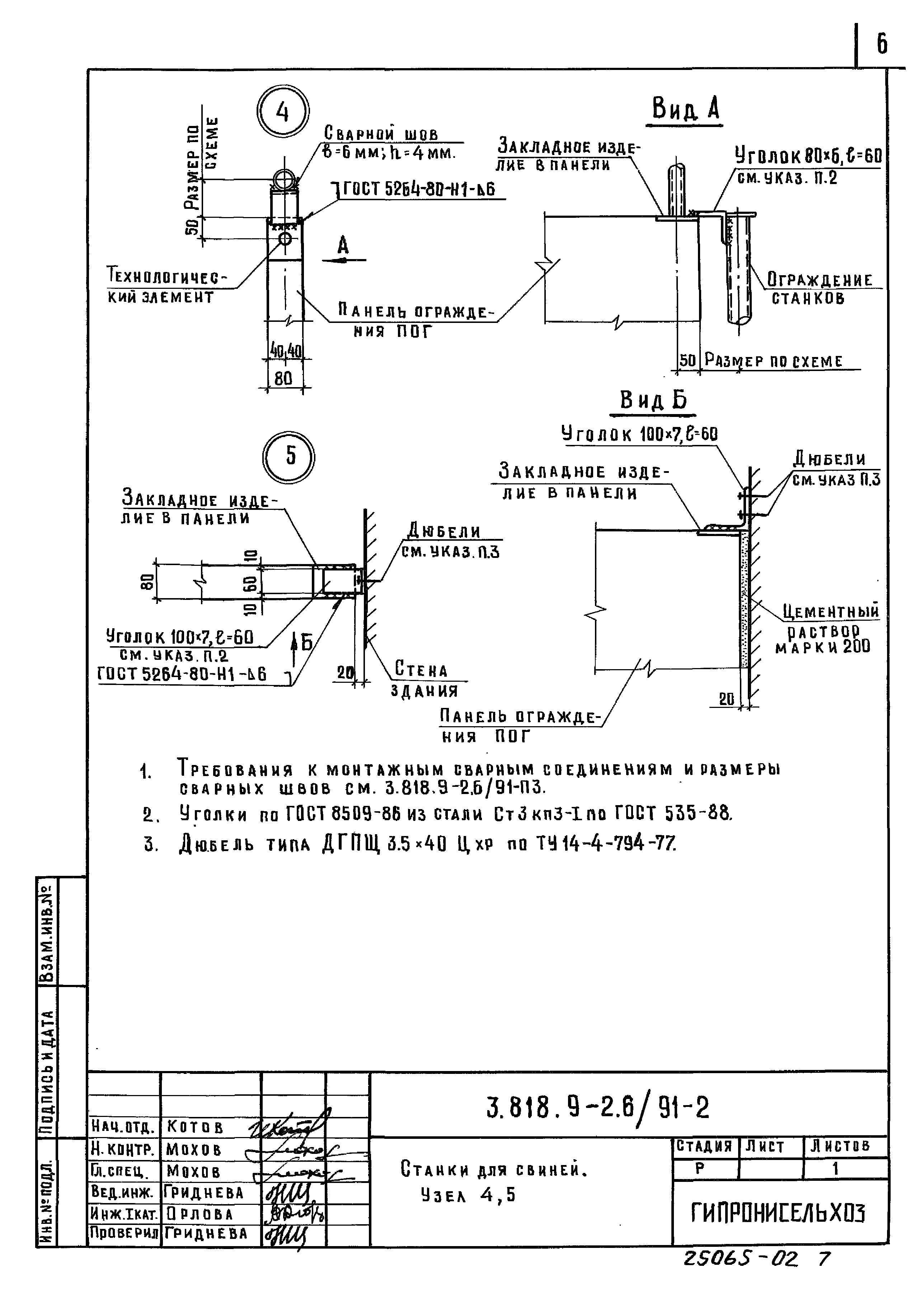
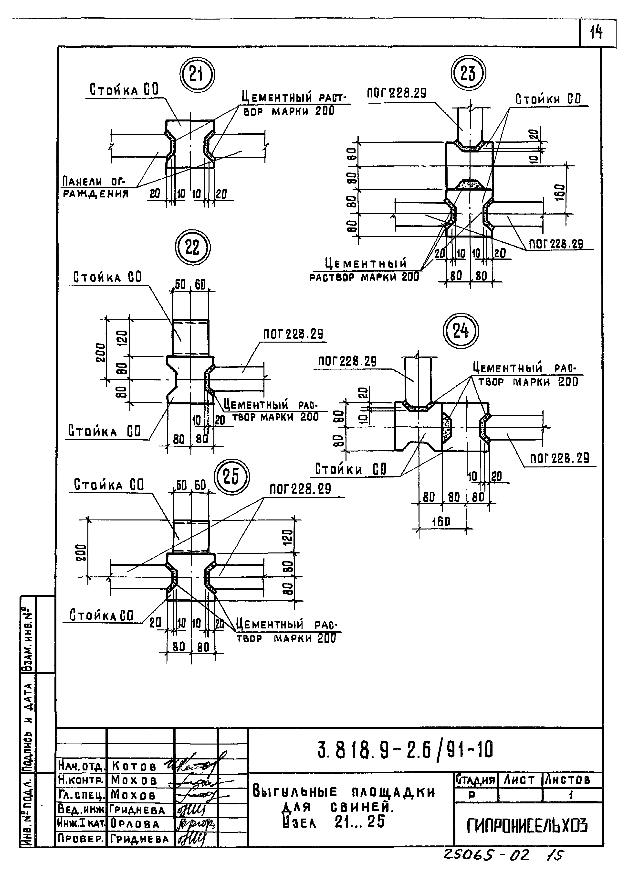
| Оглавление: | 3.818.9-2.6/91-ПЗ Пояснительная записка 3.818.9-2.6/91-1 Станки для свиней. Узел 1…3 3.818.9-2.6/91-2 Станки для свиней. Узел 4,5 3.818.9-2.6/91-3 Станки для свиней. Узел 6…8 3.818.9-2.6/91-4 Станки для свиней. Узел 9,10 3.818.9-2.6/91-5 Станки для свиней. Узел 11,12 3.818.9-2.6/91-6 Станки для свиней. Узел 13,14 3.818.9-2.6/91-7 Станки для свиней. Узел 15,16 3.818.9-2.6/91-8 Станки для свиней. Узел 17,18 3.818.9-2.6/91-9 Станки для свиней. Узел 19,20 3.818.9-2.6/91-10 Выгульные площадки для свиней. Узел 21…25 3.818.9-2.6/91-11 Выгульные площадки для свиней. Узел 26 3.818.9-2.6/91-12 Выгульные площадки для свиней. Узел 27…29 3.818.9-2.6/91-13 Каналы навозоудаления. Узел 30,31 3.818.9-2.6/91-14 Кормушки. Узел 32,33 |
| Разработан: | ЦНИИЭПсельстрой ГипроНИсельхоз (Институт Гипронисельхоз ) |
| Утверждён: | 12.02.1991 Совет Министров СССР (USSR Cabinet of Ministers 070-81/70) |
| Заменяет собой: |
|


















