Скачать Серия 3.818.9-2 Выпуск 4/91. Лотки железобетонные каналов навозоудаления свиноводческих зданий и зданий крупного рогатого скота. Рабочие чертежиДата актуализации: 01.01.2021
|
| Обозначение: | Серия 3.818.9-2 |
| Обозначение англ: | Series 3.818.9-2 |
| Статус: | не определен законодательством |
| Название рус.: | Выпуск 4/91. Лотки железобетонные каналов навозоудаления свиноводческих зданий и зданий крупного рогатого скота. Рабочие чертежи |
| Дата добавления в базу: | 01.09.2013 |
| Дата актуализации: | 01.01.2021 |
| Дата введения: | 17.04.1991 |
| Дата окончания срока действия: | 30.06.2003 |
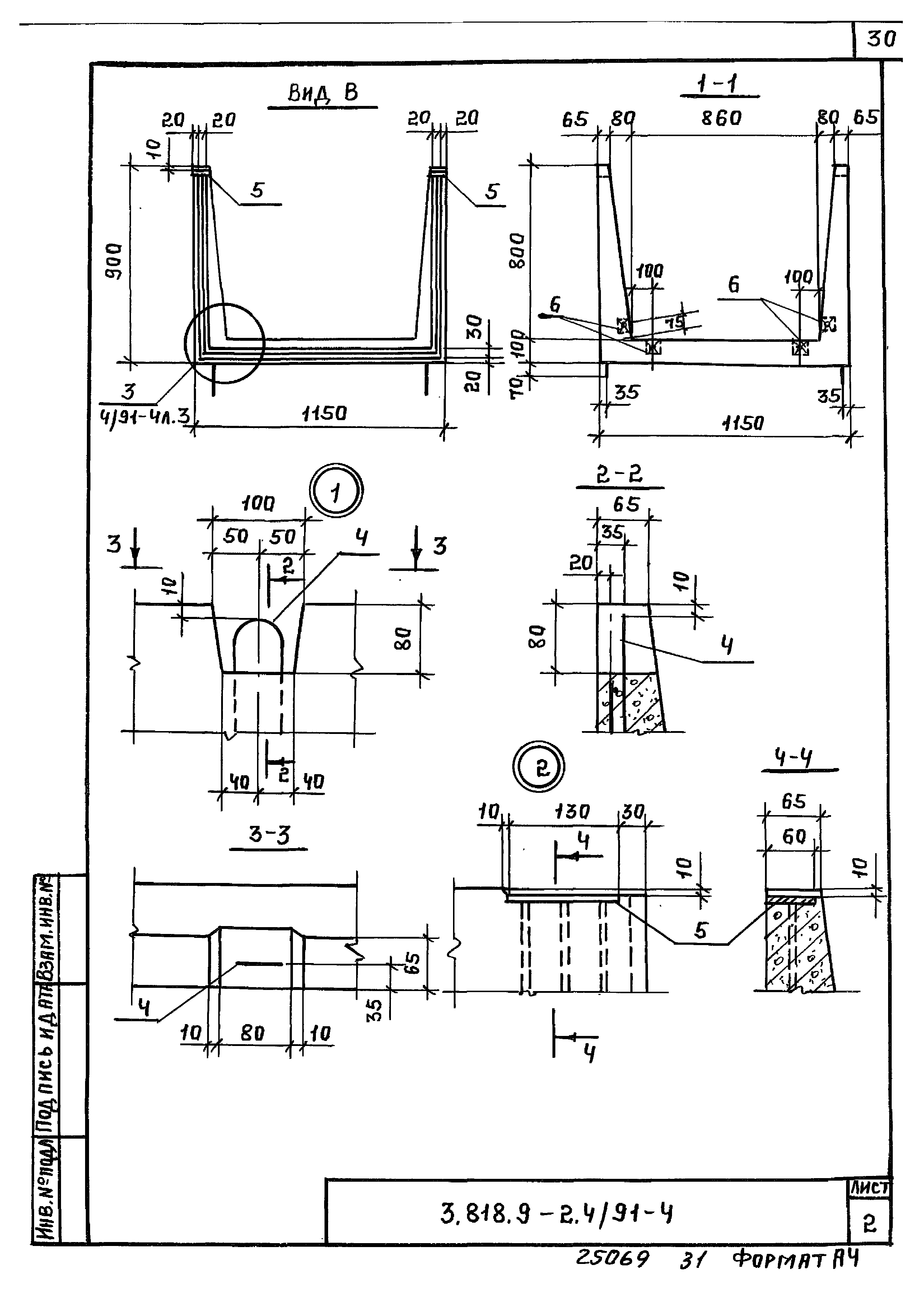
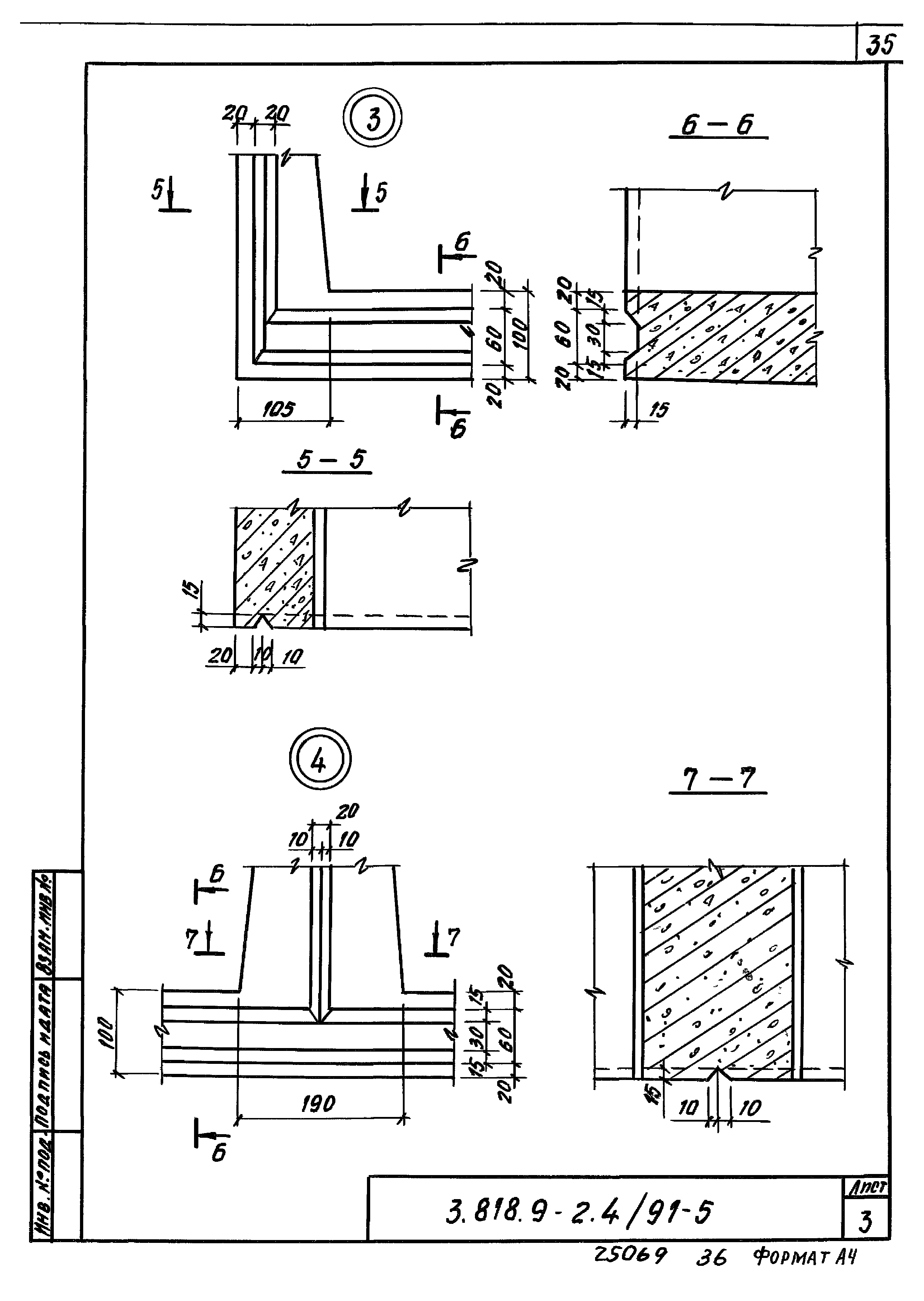
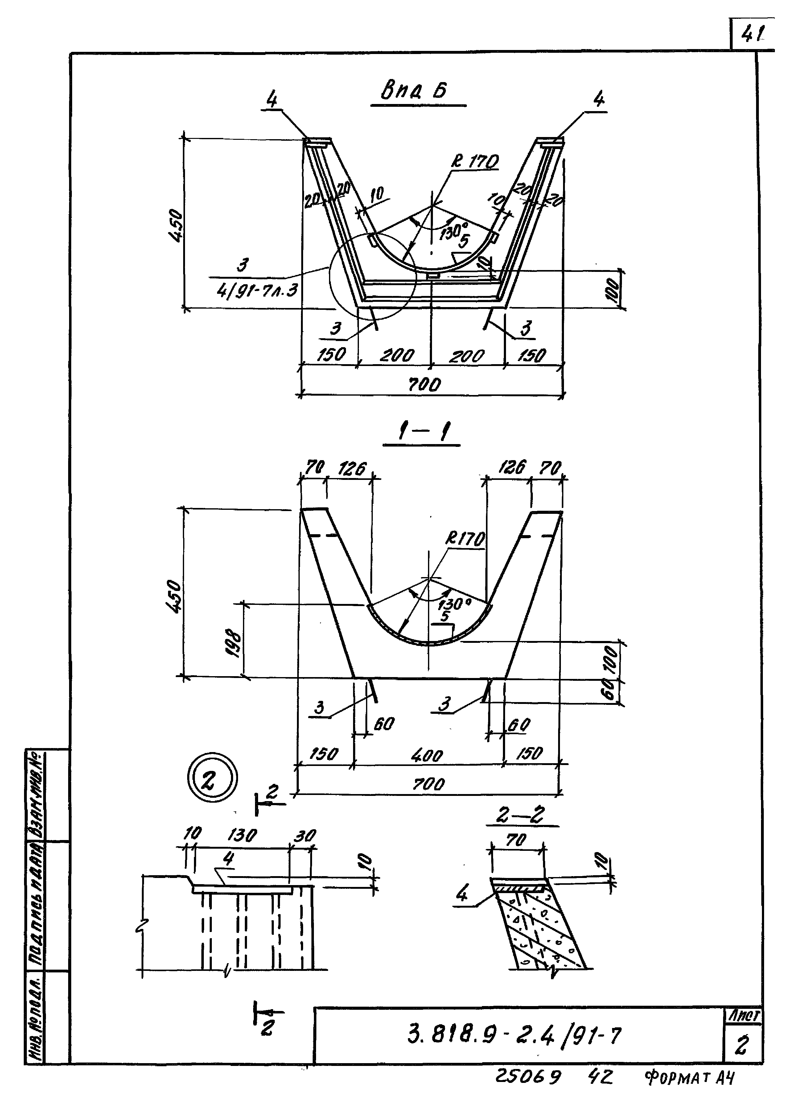
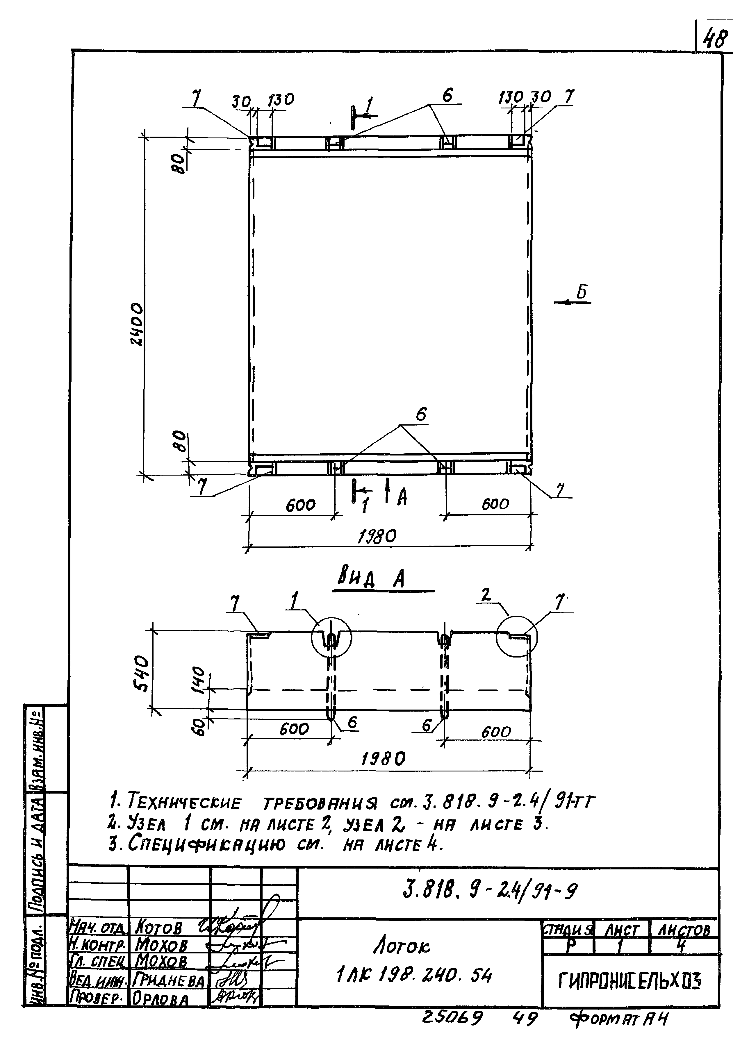
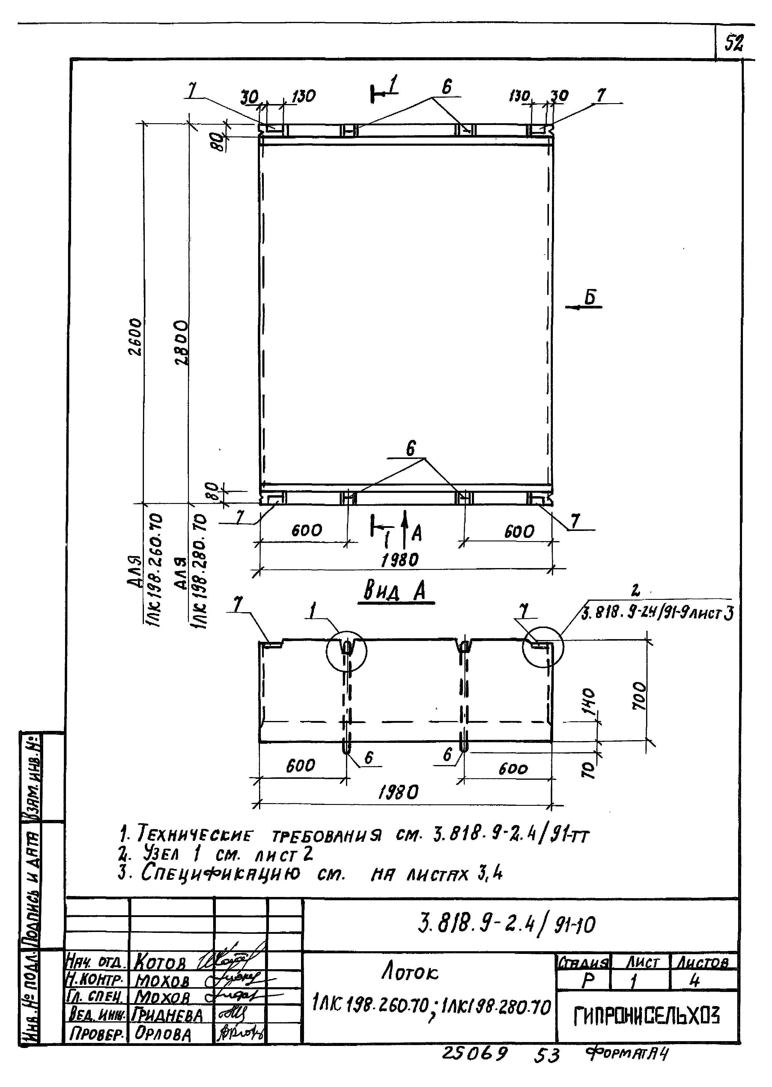
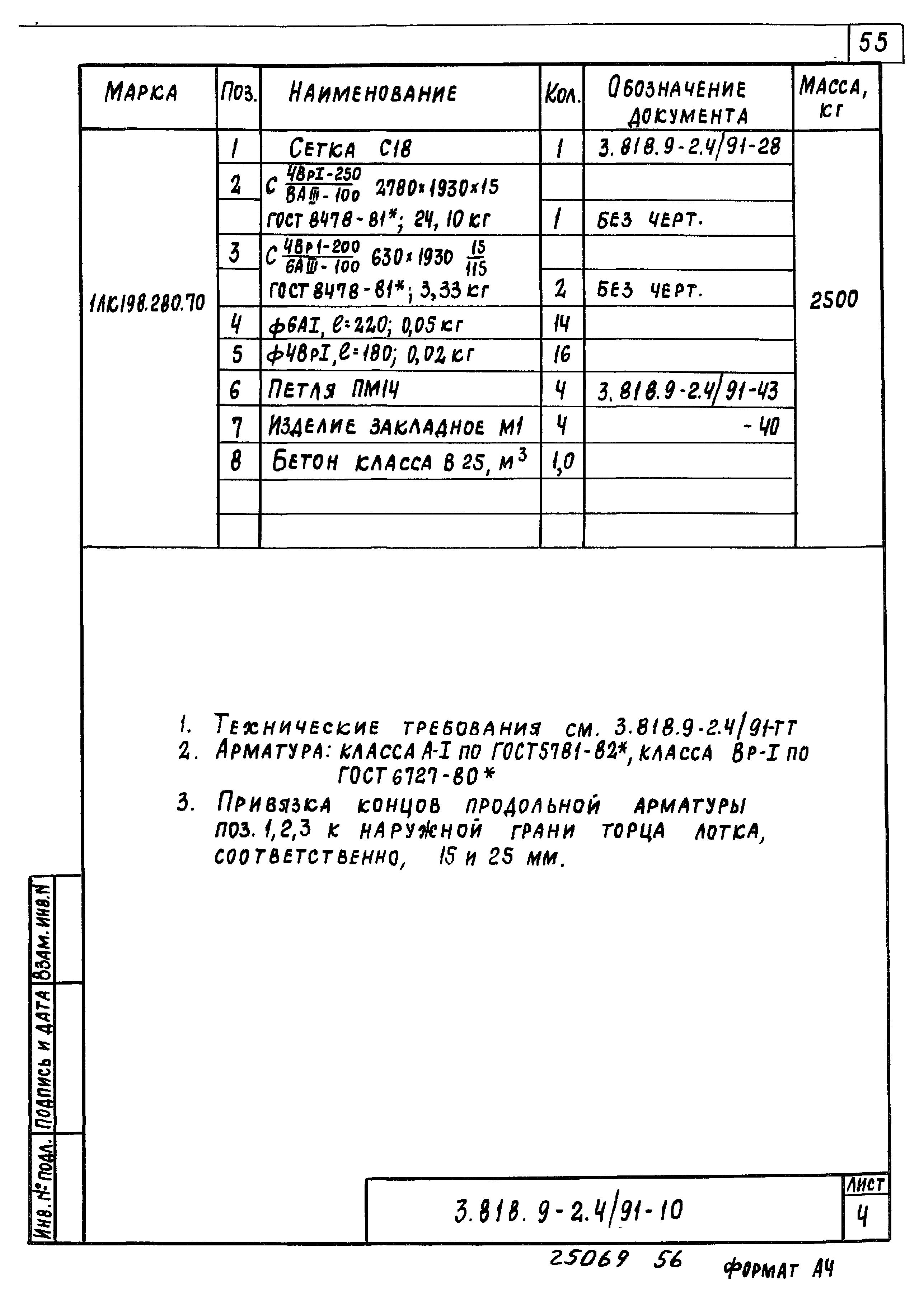
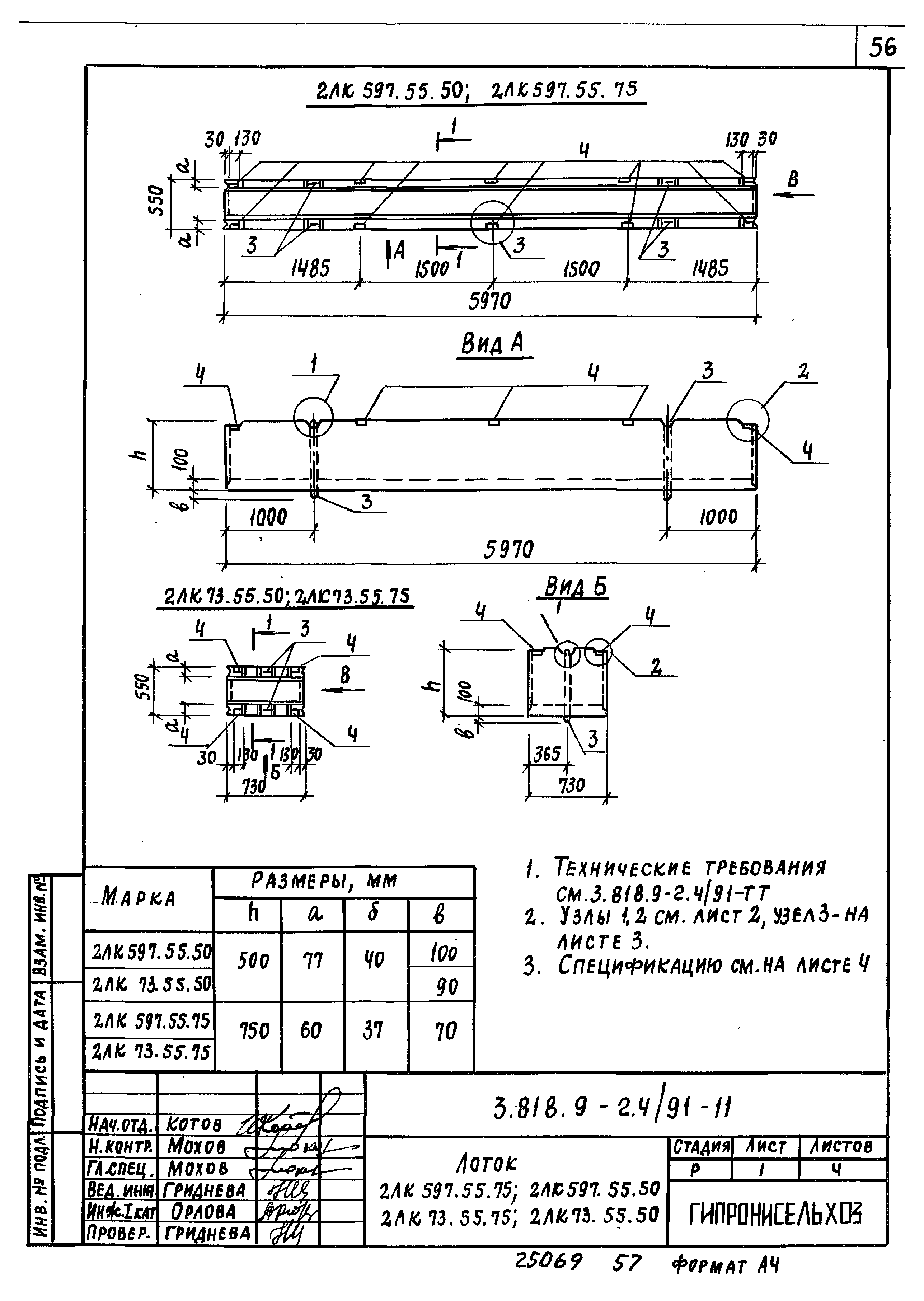
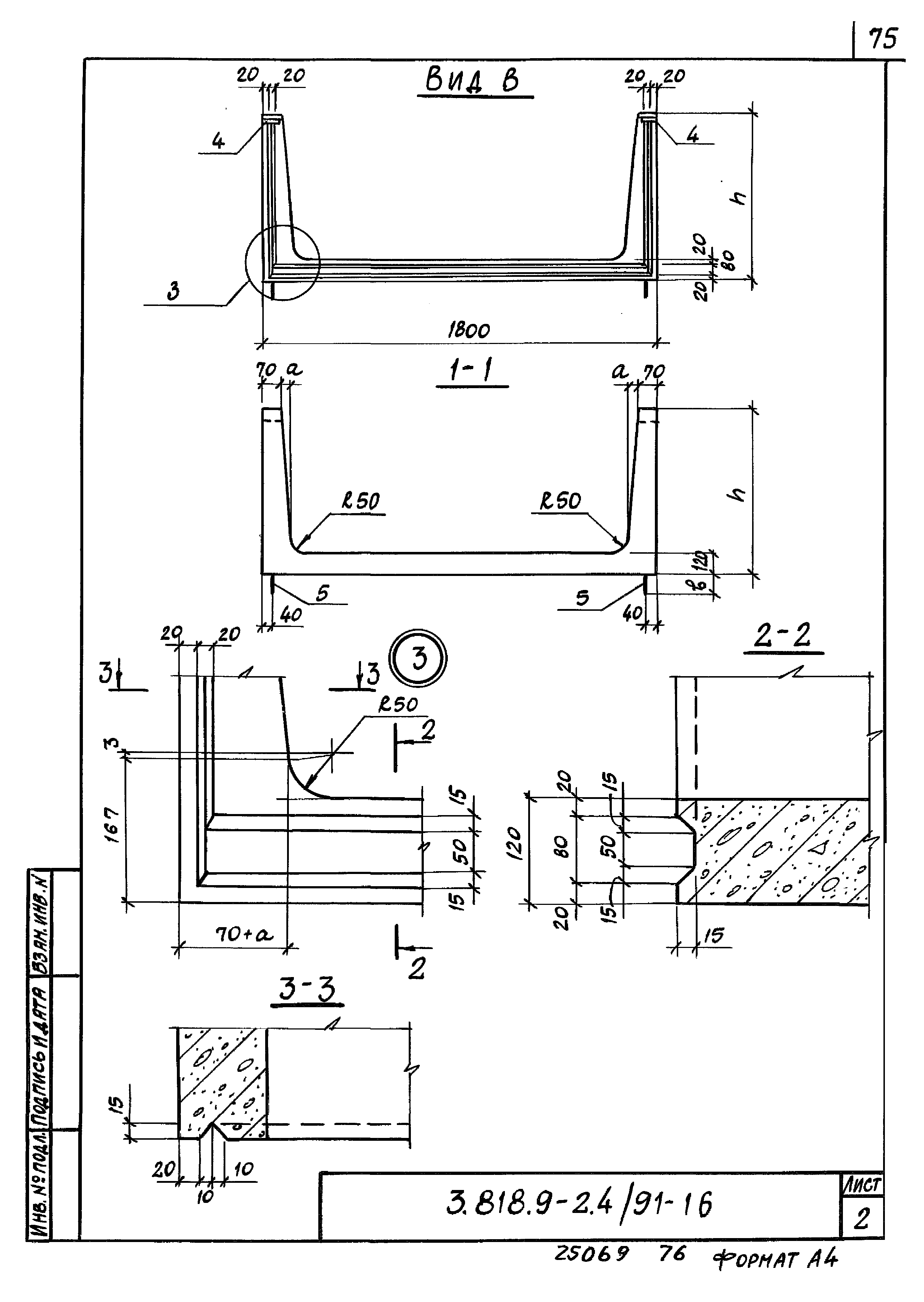
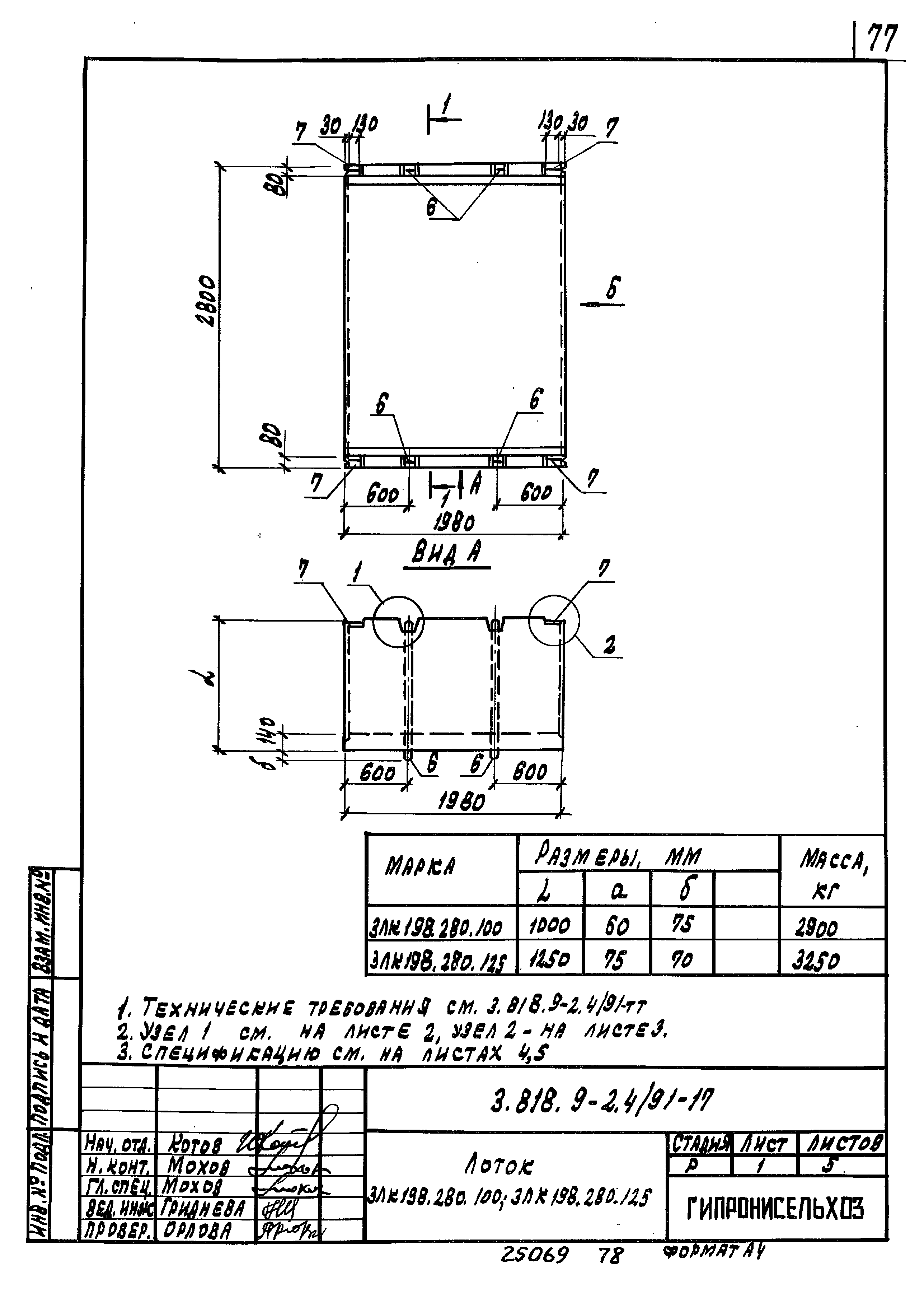
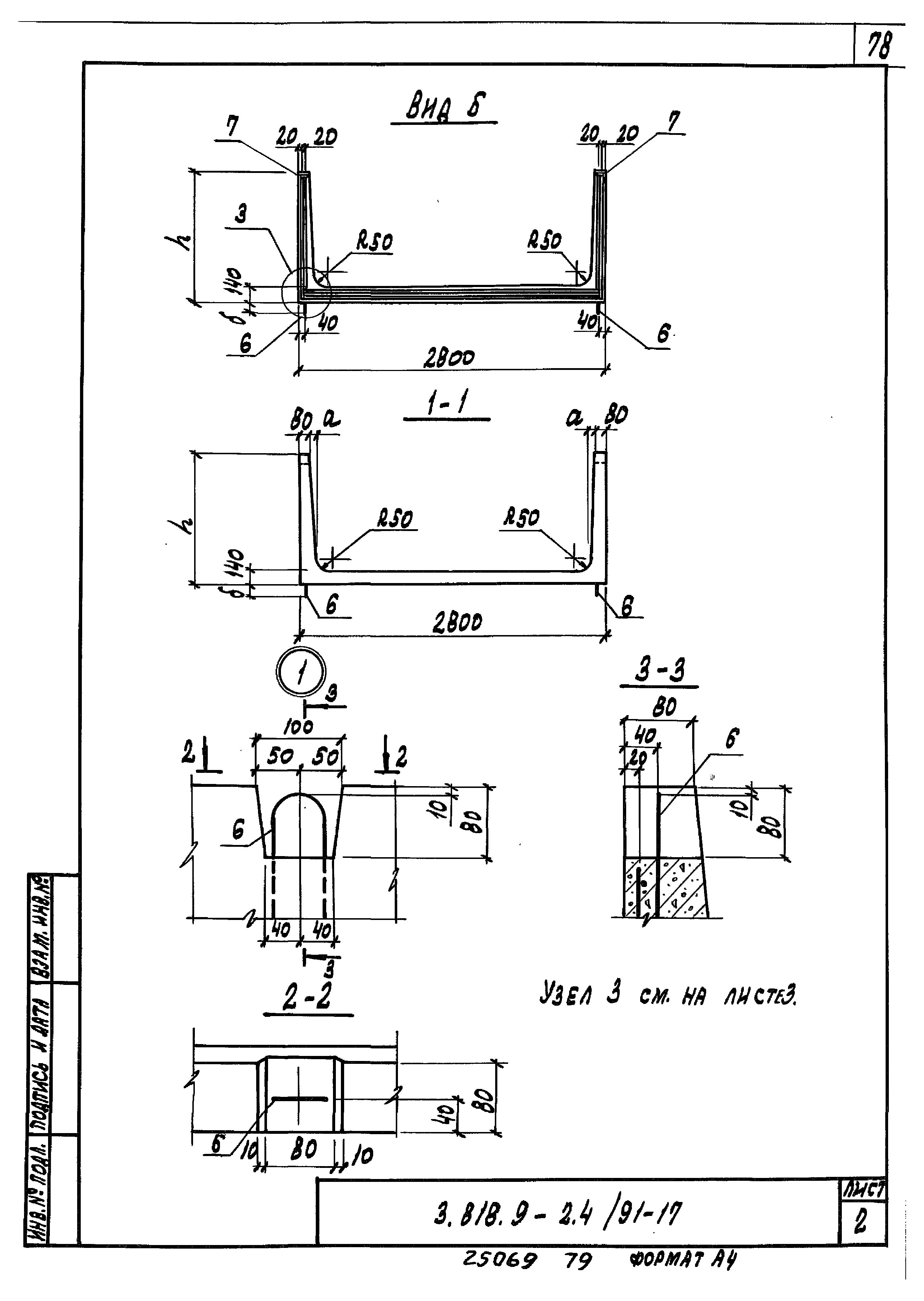
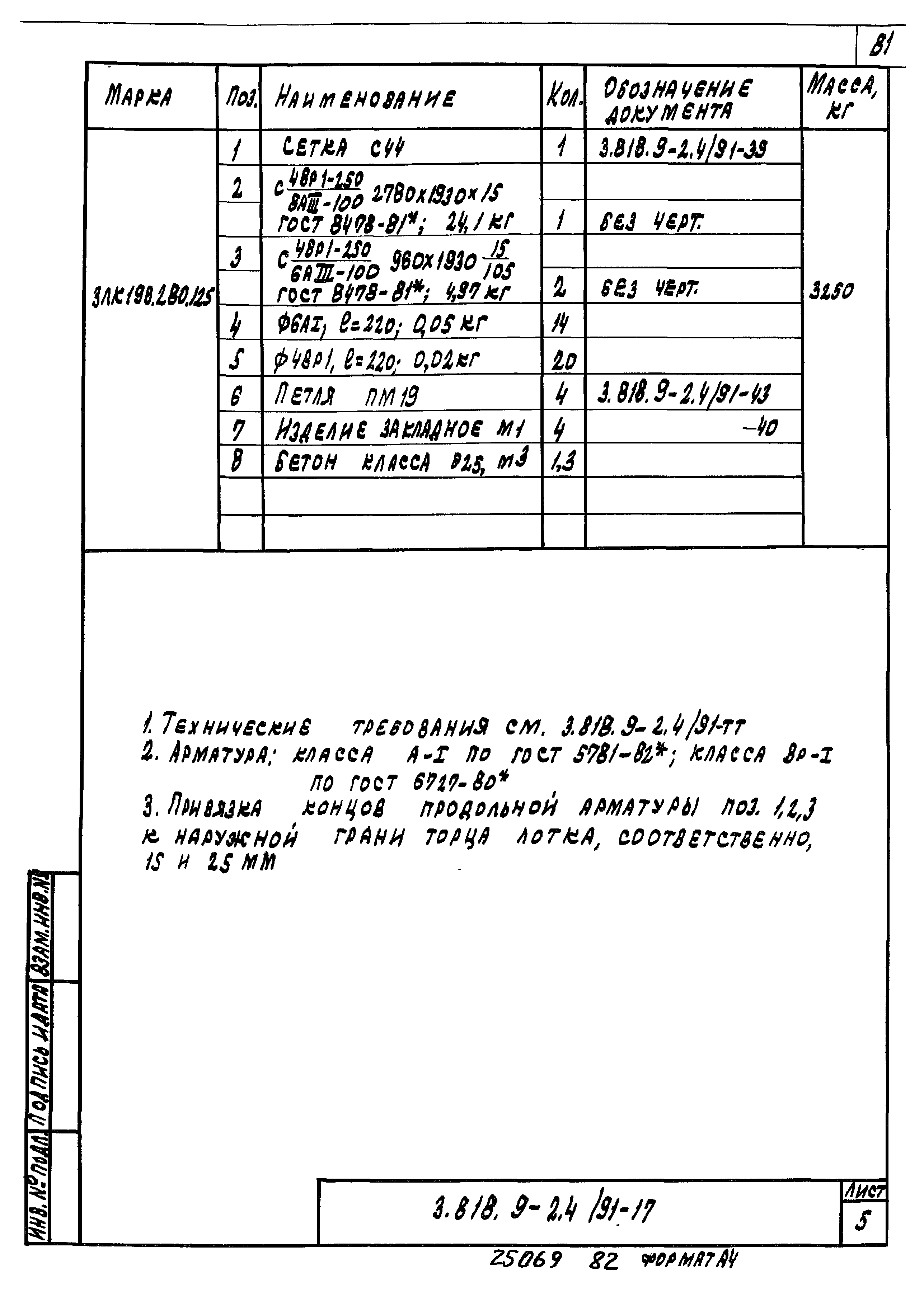
| Оглавление: | 3.818.9-2.4/91-ТТ Технические требования 3.818.9-2.4/91-1 Лоток 1ЛК298.55.24;1ЛК73.55.24 3.818.9-2.4/91-2 Лоток 1ЛК597.55.50;1ЛК73.55.50 3.818.9-2.4/91-3 Лоток 1ЛК597.70.50;1ЛК73.70.50 3.818.9-2.4/91-4 Лоток 1ЛК298.115.90;1ЛК98.115.90 3.818.9-2.4/91-5 Лоток 1ЛК298.120.53 3.818.9-2.4/91-6 Лоток 1ЛК298.55.50 3.818.9-2.4/91-7 Лоток 1ЛК298.70.45 3.818.9-2.4/91-8 Лоток 1ЛК298.140.50;1ЛК298.160.52;1ЛК298.180.52;1ЛК298.200.52 3.818.9-2.4/91-9 Лоток 1ЛК298.198.240.54 3.818.9-2.4/91-10 Лоток 1ЛК298.198.260.70;1ЛК198.280.70 3.818.9-2.4/91-11 Лоток 2ЛК597.55.75;2ЛК597.55.50;2ЛК73.55.75;2ЛК73.55.50 3.818.9-2.4/91-12 Лоток 2ЛК597.70.50;2ЛК73.70.50;2ЛК597.70.75;2ЛК298.70.75;2ЛК298.70.75;2ЛК73.70.75;2ЛК597.70.100;2ЛК298.70.100;2ЛК73.70.100 3.818.9-2.4/91-13 Лоток 2ЛК598.100.50;2ЛК73.100.50;2ЛК298.100.75;2ЛК73.100.75;2ЛК298.100.100;2ЛК73.100.100 3.818.9-2.4/91-14 Лоток 3ЛК298.100.75;3ЛК73.100.75;3ЛК298.100.100;3ЛК73.100.100 3.818.9-2.4/91-15 Лоток 3ЛК298.140.75;3ЛК73.140.75;3ЛК298.140.100;3ЛК73.140.100 3.818.9-2.4/91-16 Лоток 3ЛК298.180.75;3ЛК73.180.75;3ЛК298.180.100;3ЛК73.180.100 3.818.9-2.4/91-17 Лоток 3ЛК198.280.100;3ЛК198.280.125 3.818.9-2.4/91-18 Сетка С1,С2 3.818.9-2.4/91-19 Сетка С3,С4 3.818.9-2.4/91-20 Сетка С5,С6 3.818.9-2.4/91-21 Сетка С7,С8 3.818.9-2.4/91-22 Сетка С9 3.818.9-2.4/91-23 Сетка С10 3.818.9-2.4/91-24 Сетка С11 3.818.9-2.4/91-25 Сетка С12…С14 3.818.9-2.4/91-26 Сетка С15 3.818.9-2.4/91-27 Сетка С16 3.818.9-2.4/91-28 Сетка С17,С18 3.818.9-2.4/91-29 Сетка С19,С20 3.818.9-2.4/91-30 Сетка С21...С23 3.818.9-2.4/91-31 Сетка С24,С25 3.818.9-2.4/91-32 Сетка С26...С28 3.818.9-2.4/91-33 Сетка С29...С31 3.818.9-2.4/91-34 Сетка С32...С34 3.818.9-2.4/91-35 Сетка С35,С36 3.818.9-2.4/91-36 Сетка С37,С38 3.818.9-2.4/91-37 Сетка С39,С40 3.818.9-2.4/91-38 Сетка С41,С42 3.818.9-2.4/91-39 Сетка С43,С44 3.818.9-2.4/91-40 Изделие закладное М1,М2 3.818.9-2.4/91-41 Изделие закладное М3 3.818.9-2.4/91-42 Изделие закладное М4 3.818.9-2.4/91-43 Петля ПМ1…ПМ19 3.818.9-2.4/91-РС Ведомость расхода стали |
| Разработан: | ЦНИИЭПсельстрой ГипроНИсельхоз (Институт Гипронисельхоз ) |
| Утверждён: | 12.02.1991 Совет Министров СССР (USSR Cabinet of Ministers 070-81/70) |
















































































































