Скачать Серия 2.800-2 Выпуск 6. Детали технологического оборудования для свиноводческих фермДата актуализации: 01.01.2021
|
| Обозначение: | Серия 2.800-2 |
| Обозначение англ: | Series 2.800-2 |
| Статус: | не определен законодательством |
| Название рус.: | Выпуск 6. Детали технологического оборудования для свиноводческих ферм |
| Дата добавления в базу: | 01.09.2013 |
| Дата актуализации: | 01.01.2021 |
| Дата введения: | 01.06.1969 |
| Дата окончания срока действия: | 30.06.2003 |
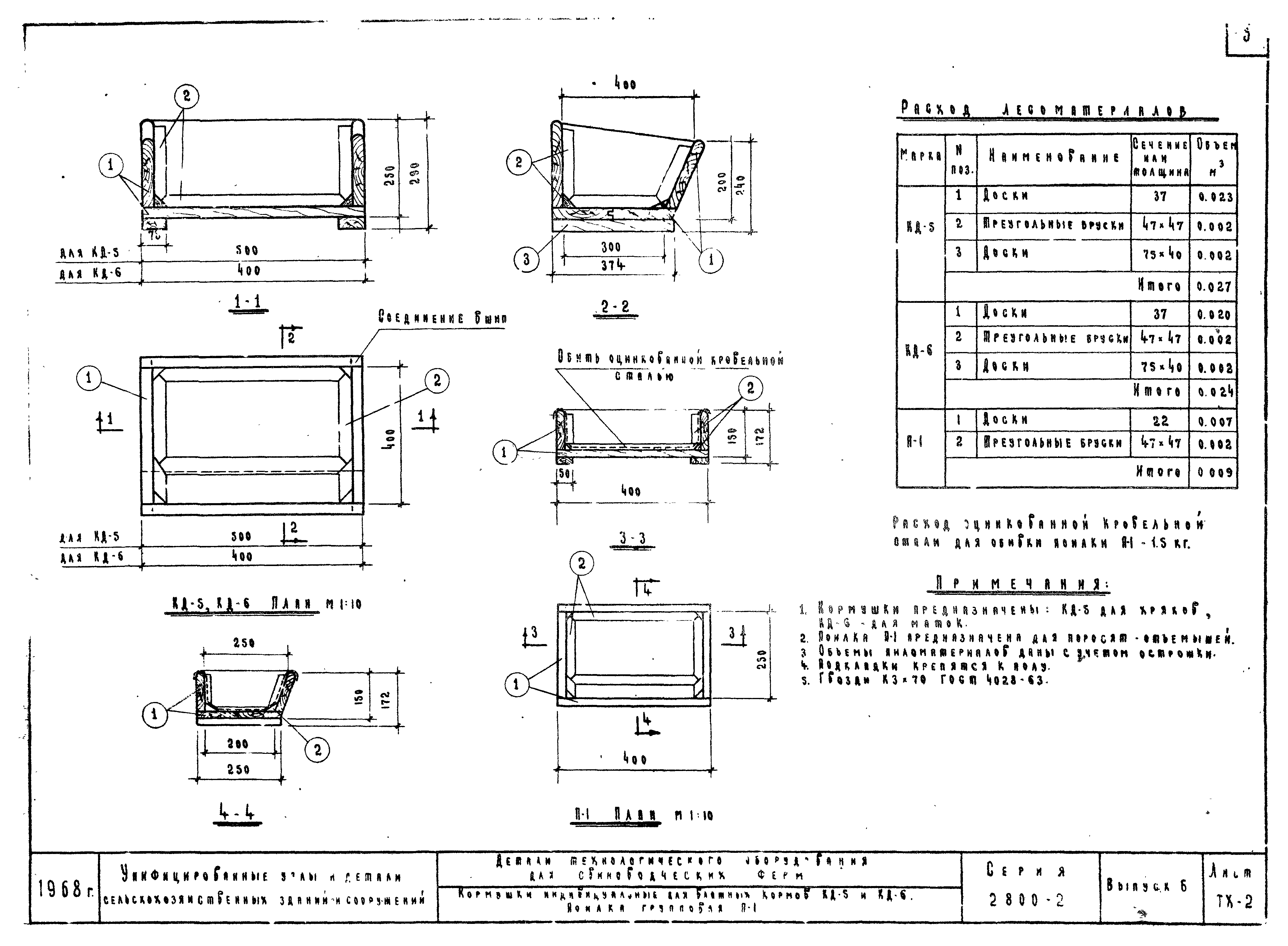
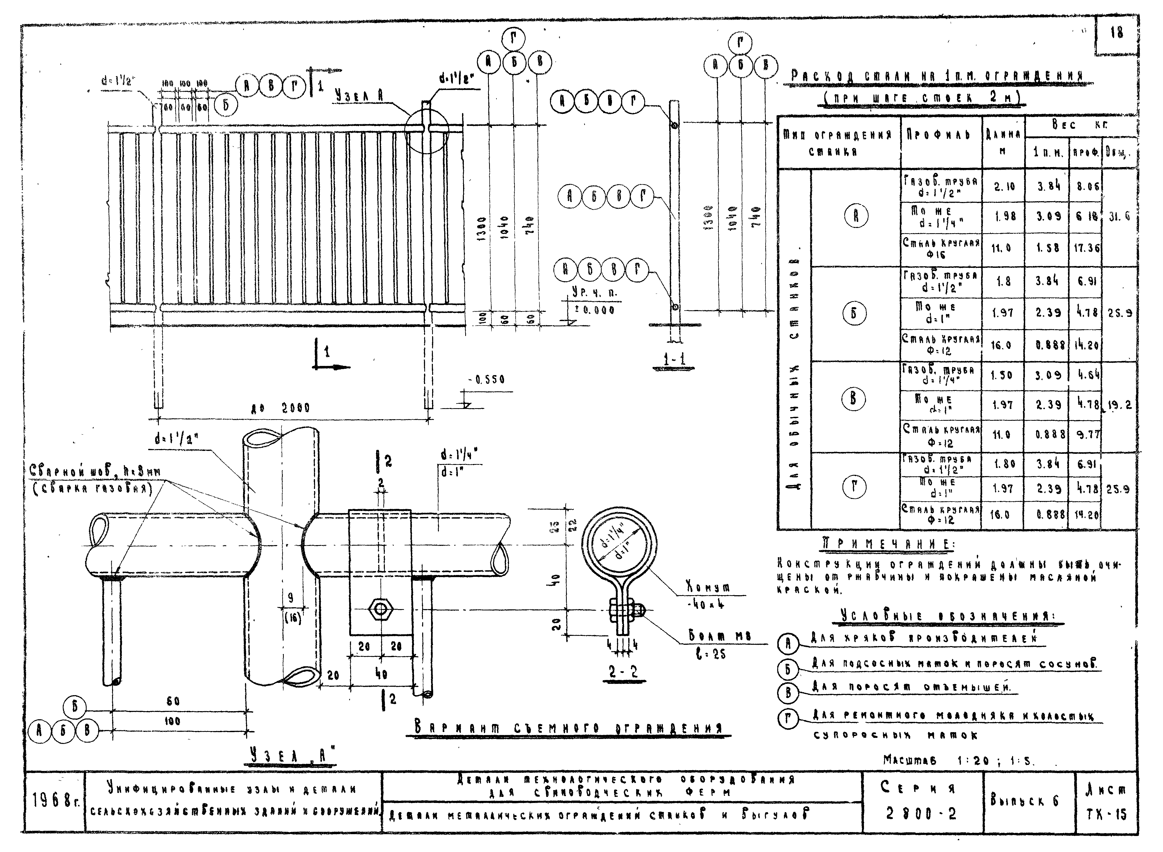
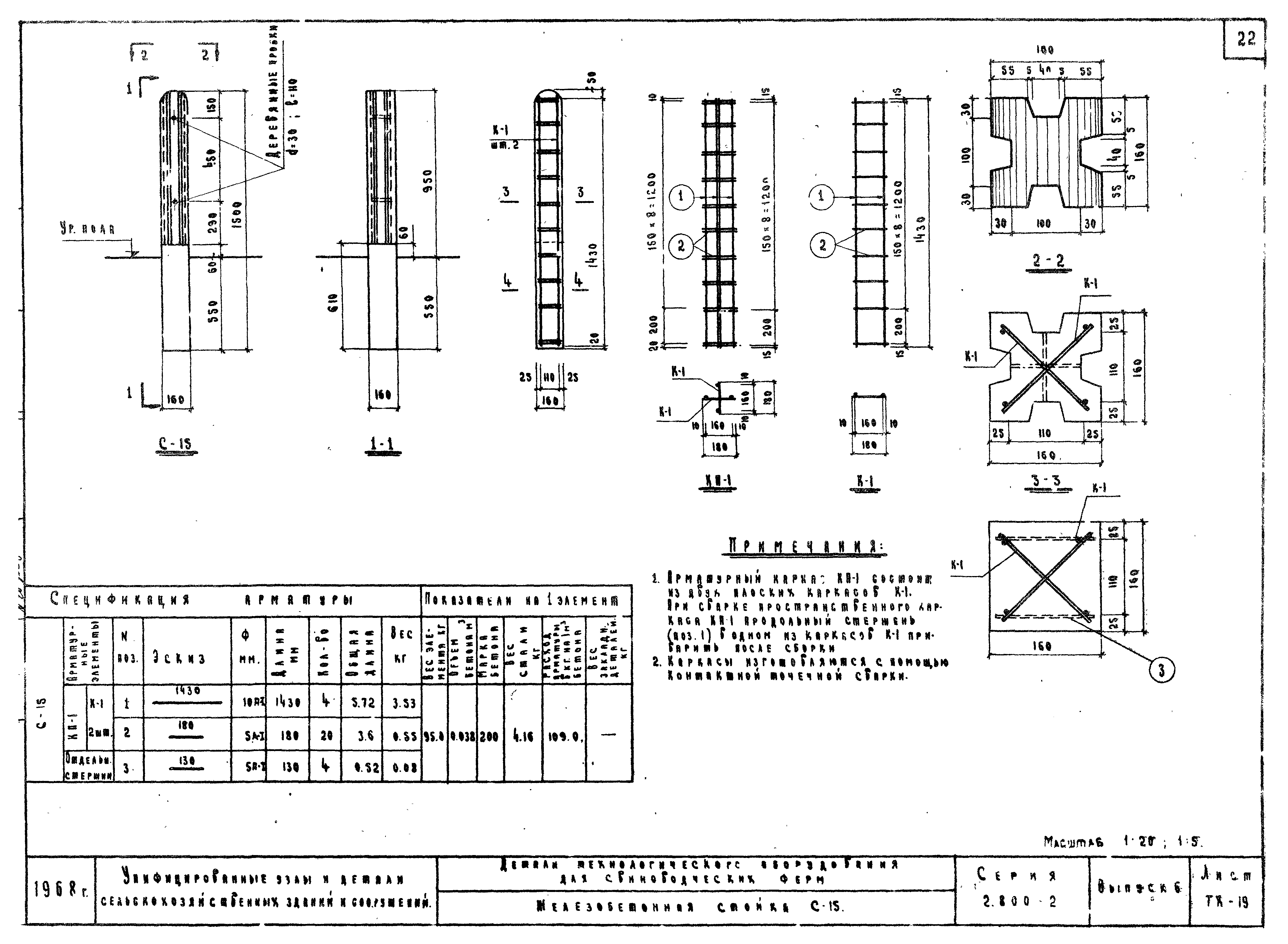
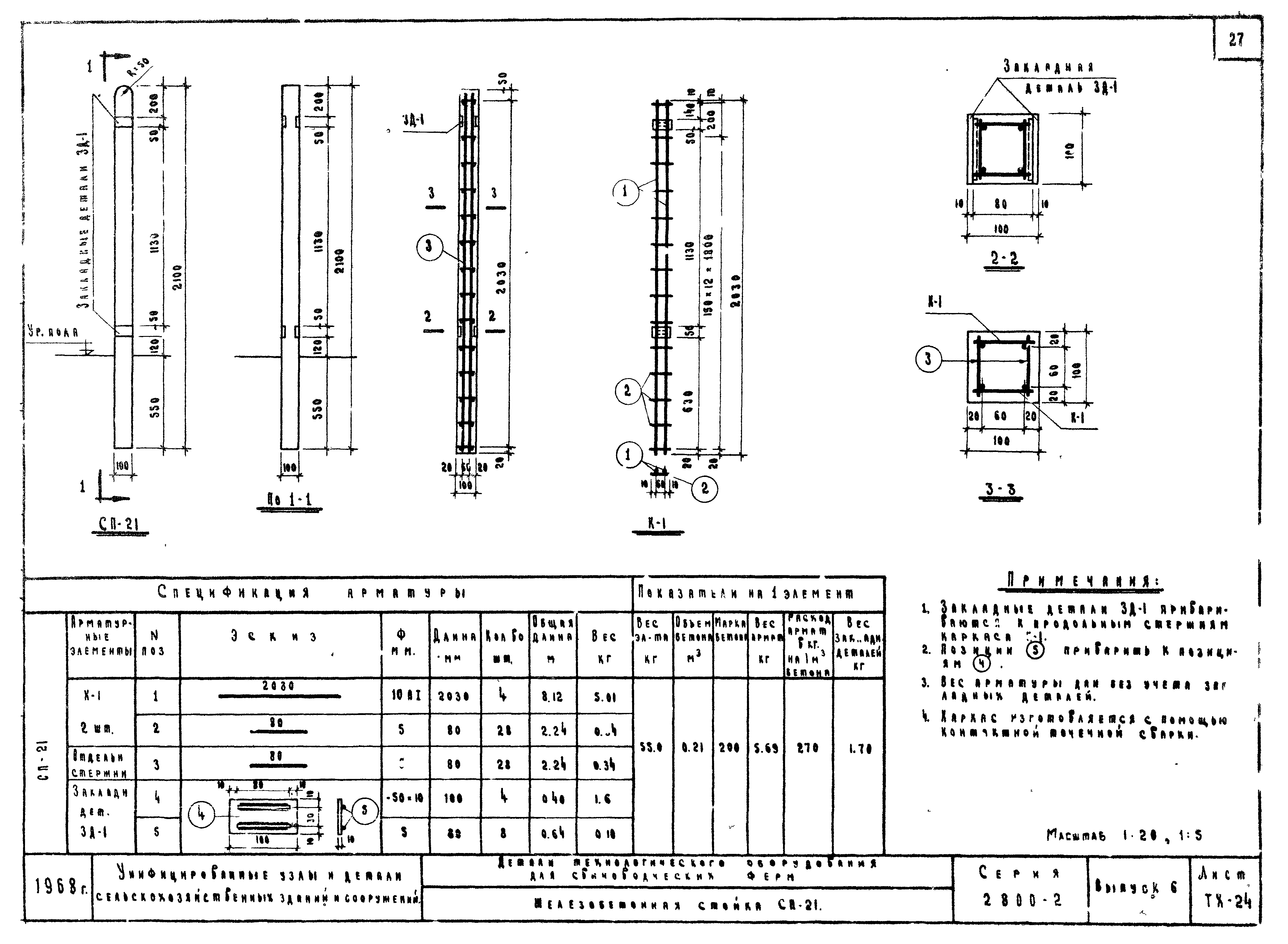
| Оглавление: | Содержание альбома Пояснительная записка Кормушки групповые деревянные для влажных кормов КД-1, КД-2, КД-3 и КД-4 Кормушки индивидуальные деревянные для влажных кормов КД-5 и КД-6. Поилка групповая П-1 Кормушки групповые деревянные для сухих кормов КД-7 и КД-8 Кормушки групповые деревянные для сухих кормов КД-9 и КД-10 Кормушка групповая асбестоцементная для влажных кормов КП-1. Узлы. Детали Кормушка групповая асбестоцементная для влажных кормов ПК-1. Узлы и детали. Спецификация Кормушки групповые железобетонные для влажных кормов КС-80 и КС-120 Лазы деревянные со шлюзами ЛД-1 и ЛД-2 Лазы деревянные ЛД-3 и ЛД-4 Чугунная решетчатая панель для перекрытия навозных каналов Эстакада для погрузки животных на автомашины Детали деревянных ограждений станков и выгулов с железобетонными стойками Детали ограждения свиноводческих ферм Детали деревянных ограждений станков и выгулов с деревянными стойками Детали металлических ограждений станков и выгулов Ворота деревянные ВД-1, ВД-2, ВД-3 Дверки металлические ДМ-1, ДМ-2 и ДМ-3. Крепление дверок Дверки деревянные ДД-1, ДД-2, ДД-3. Детали навески, запора и крепления к стойкам Железобетонная стойка С-15 Железобетонная стойка С-18 Железобетонная стойка С-21 Железобетонная стойка СП-15 Железобетонная стойка СП-18 Железобетонная стойка СП-21 Ларь для концентрированных кормов емкостью 1,5 куб. м |
| Разработан: | ГипроНИсельхоз (Институт Гипронисельхоз ) |
| Утверждён: | 19.02.1969 Главсельстройпроект Минсельхоза СССР (Glavselstroyproject, USSR Minselkhoz 15) |




























