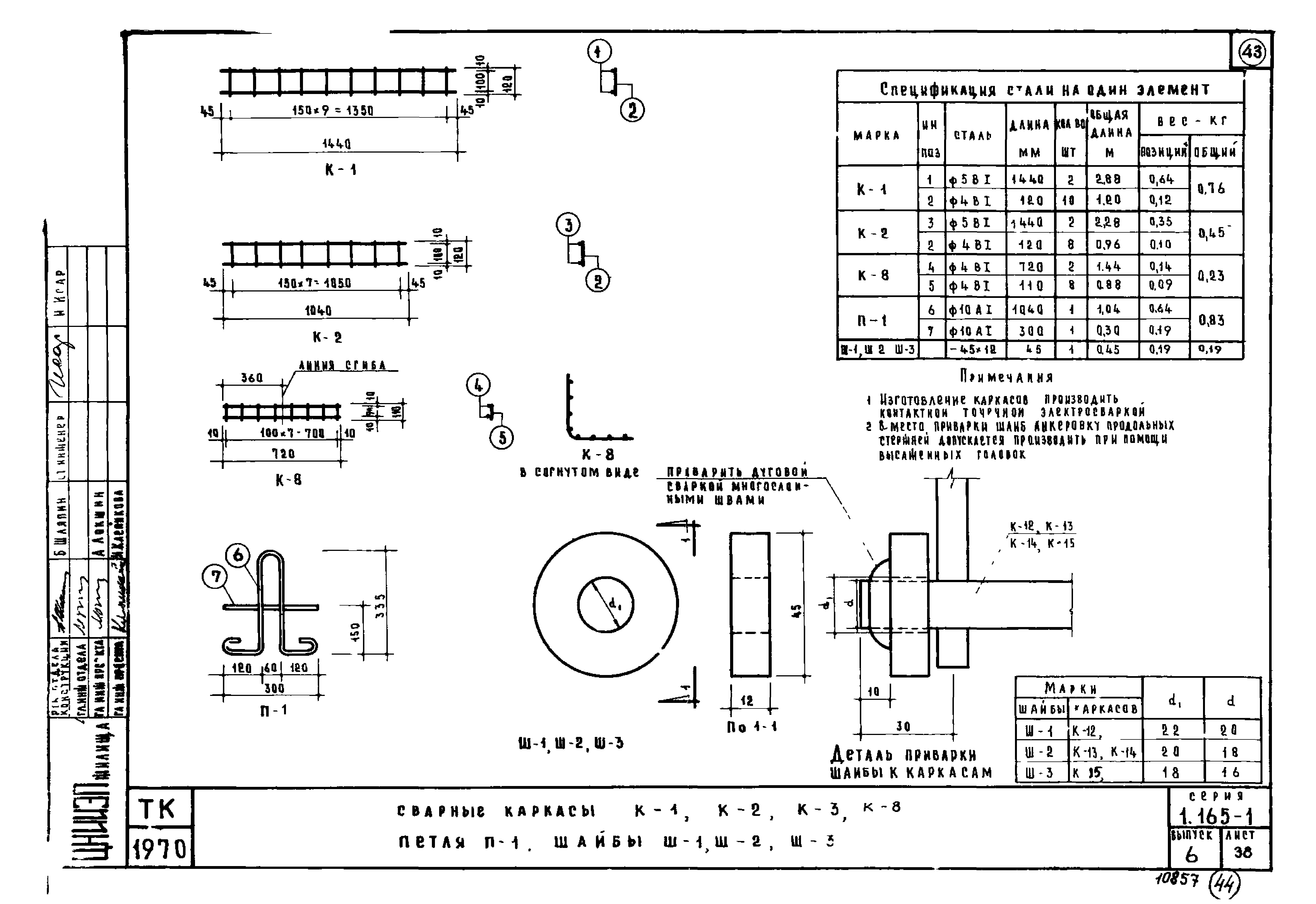
Скачать Серия 1.165-1 Выпуск 6. Панели длиной 628, 598, 538, 508 и 478 шириной 149 и 119 см, армированные сварными каркасами с рабочими стержнями из стали класса А-IIIДата актуализации: 01.01.2021 Серия 1.165-1
Выпуск 6. Панели длиной 628, 598, 538, 508 и 478 шириной 149 и 119 см, армированные сварными каркасами с рабочими стержнями из стали класса А-III| Обозначение: | Серия 1.165-1 | | Обозначение англ: | Series 1.165-1 | | Статус: | не действует | | Название рус.: | Выпуск 6. Панели длиной 628, 598, 538, 508 и 478 шириной 149 и 119 см, армированные сварными каркасами с рабочими стержнями из стали класса А-III | | Дата добавления в базу: | 01.09.2013 | | Дата актуализации: | 01.01.2021 | | Дата окончания срока действия: | 01.06.1987 | | Разработан: | НИИЖБ Госстроя СССР ЦНИИЭП жилища
| | Утверждён: | 31.12.1970 Государственный комитет по гражданскому строительству и архитектуре при Госстрое СССР (220)
|
                                          
|