Скачать Серия 1.420.1-24с Выпуск 1. Книга 2. Железобетонные колонны. Рабочие чертежиДата актуализации: 01.01.2021
|
| Обозначение: | Серия 1.420.1-24с |
| Обозначение англ: | Series 1.420.1-24с |
| Статус: | не определен законодательством |
| Название рус.: | Выпуск 1. Книга 2. Железобетонные колонны. Рабочие чертежи |
| Дата добавления в базу: | 01.09.2013 |
| Дата актуализации: | 01.01.2021 |
| Дата введения: | 30.03.1990 |
| Дата окончания срока действия: | 30.06.2003 |
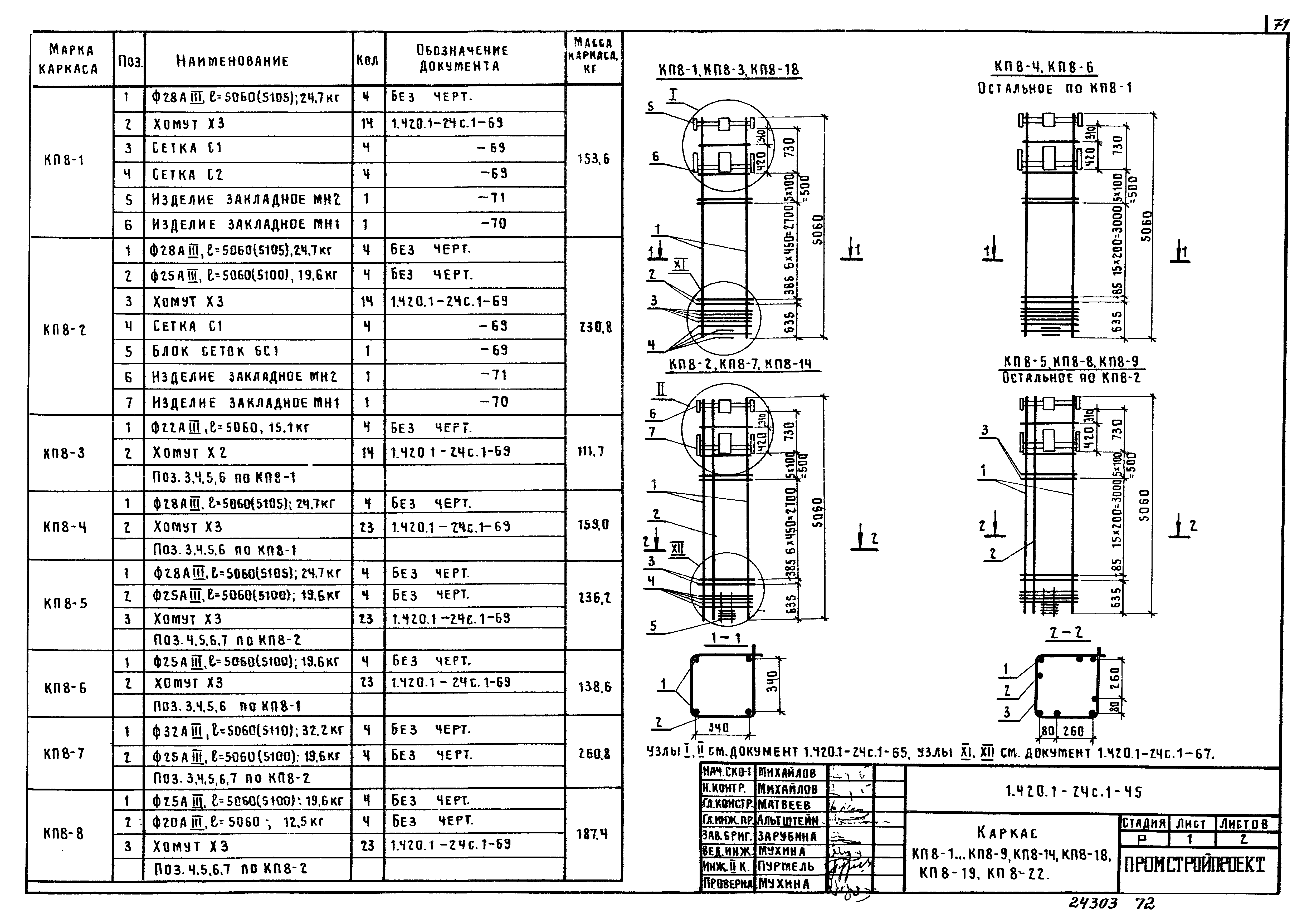
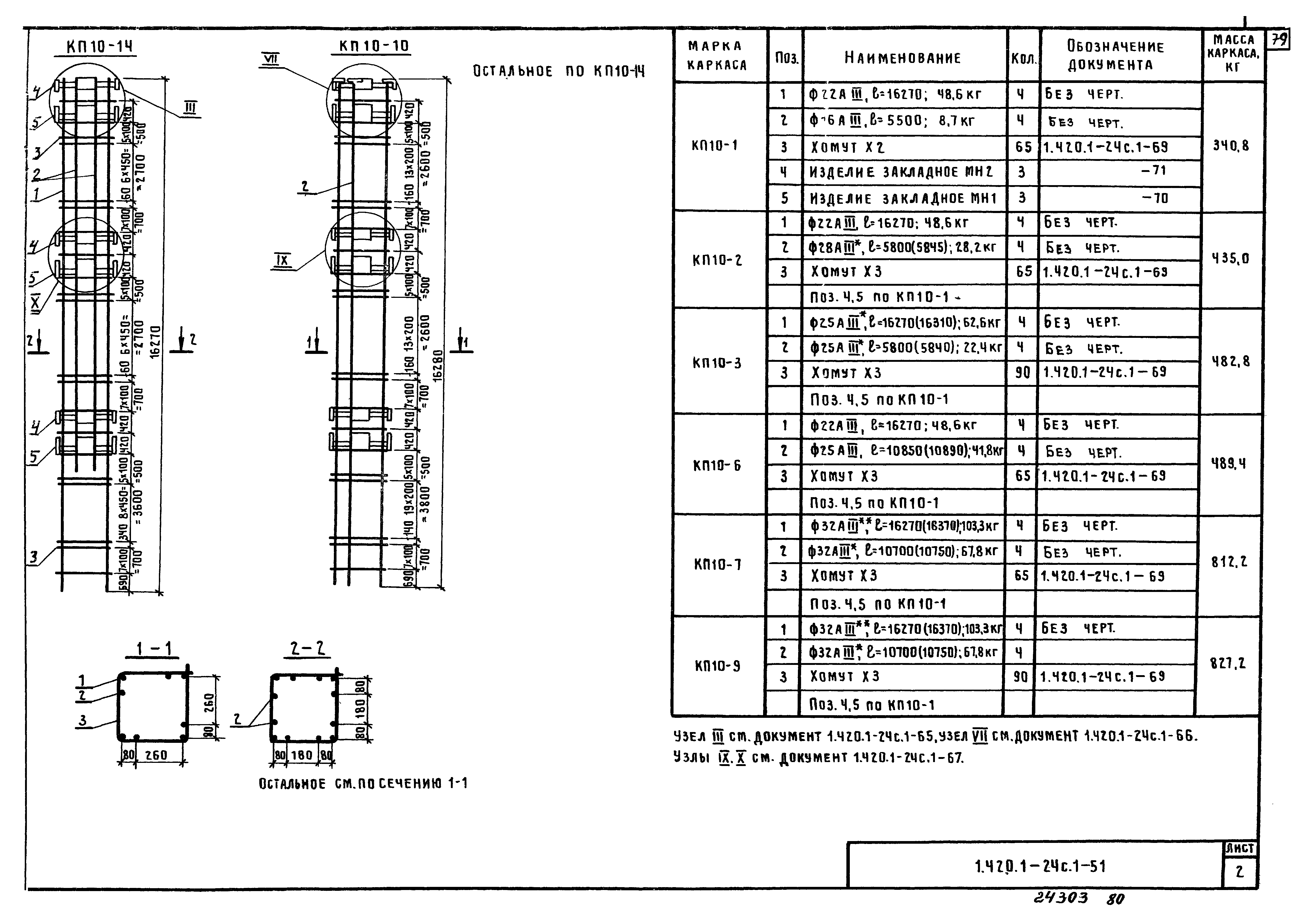
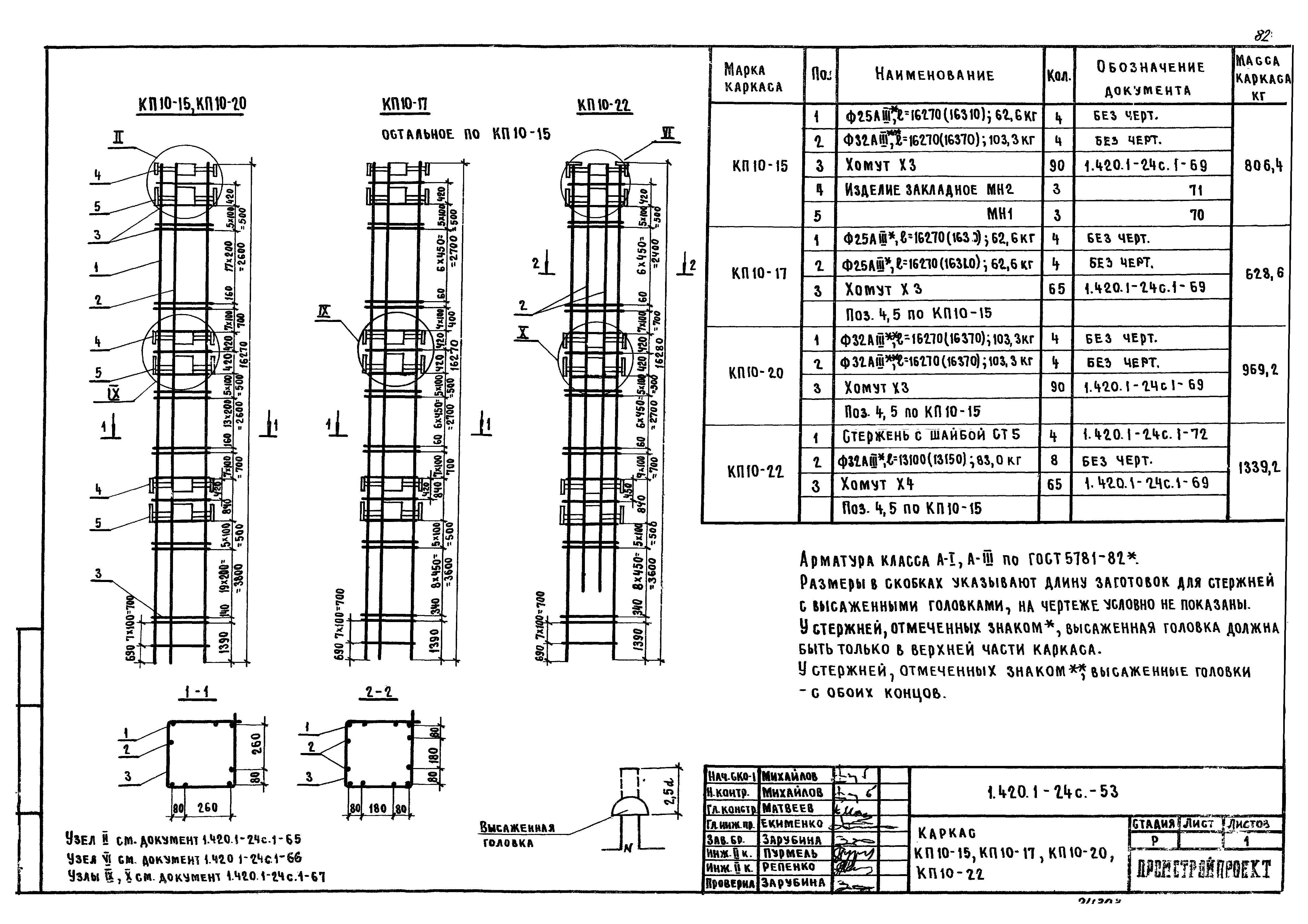
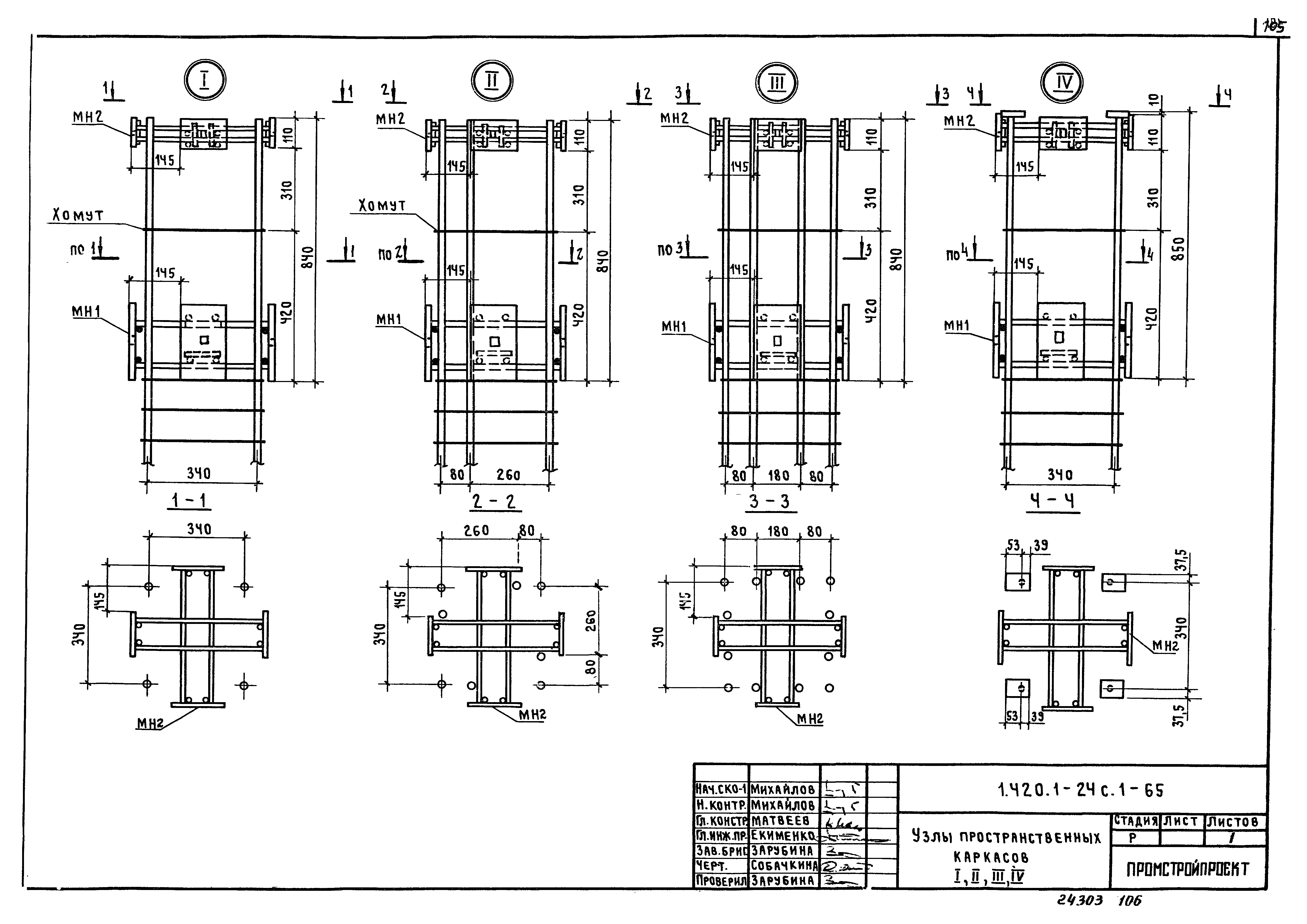
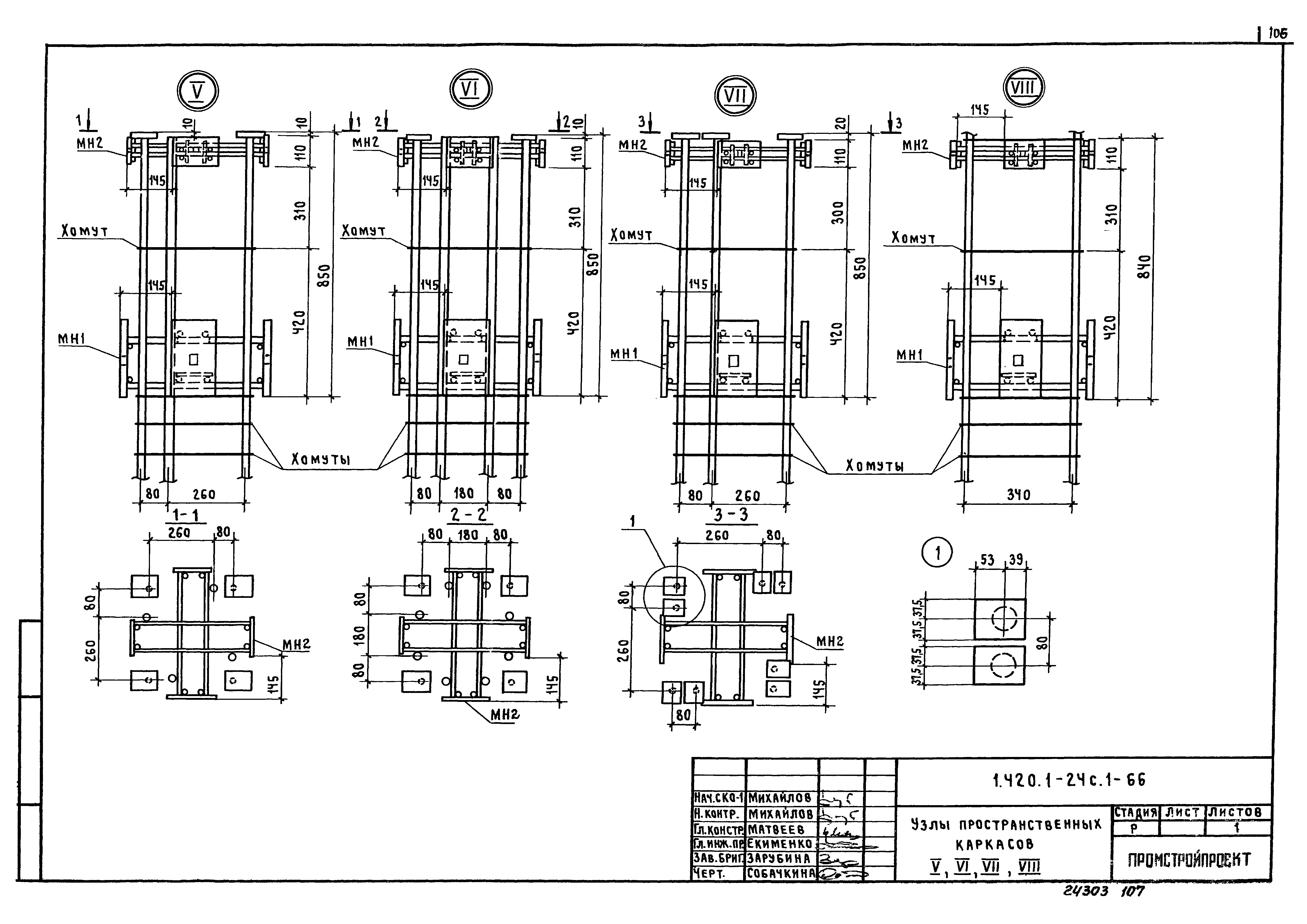
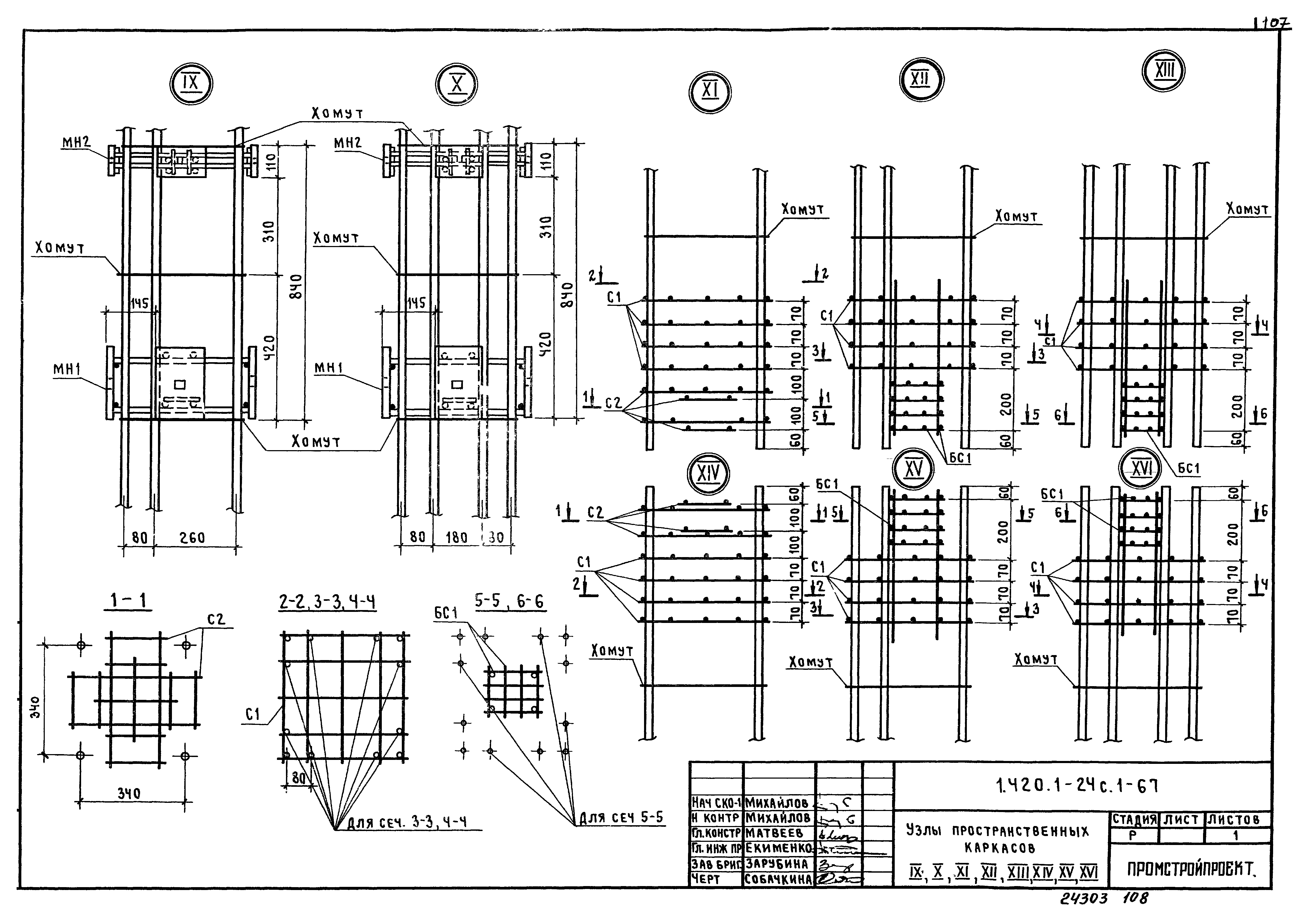
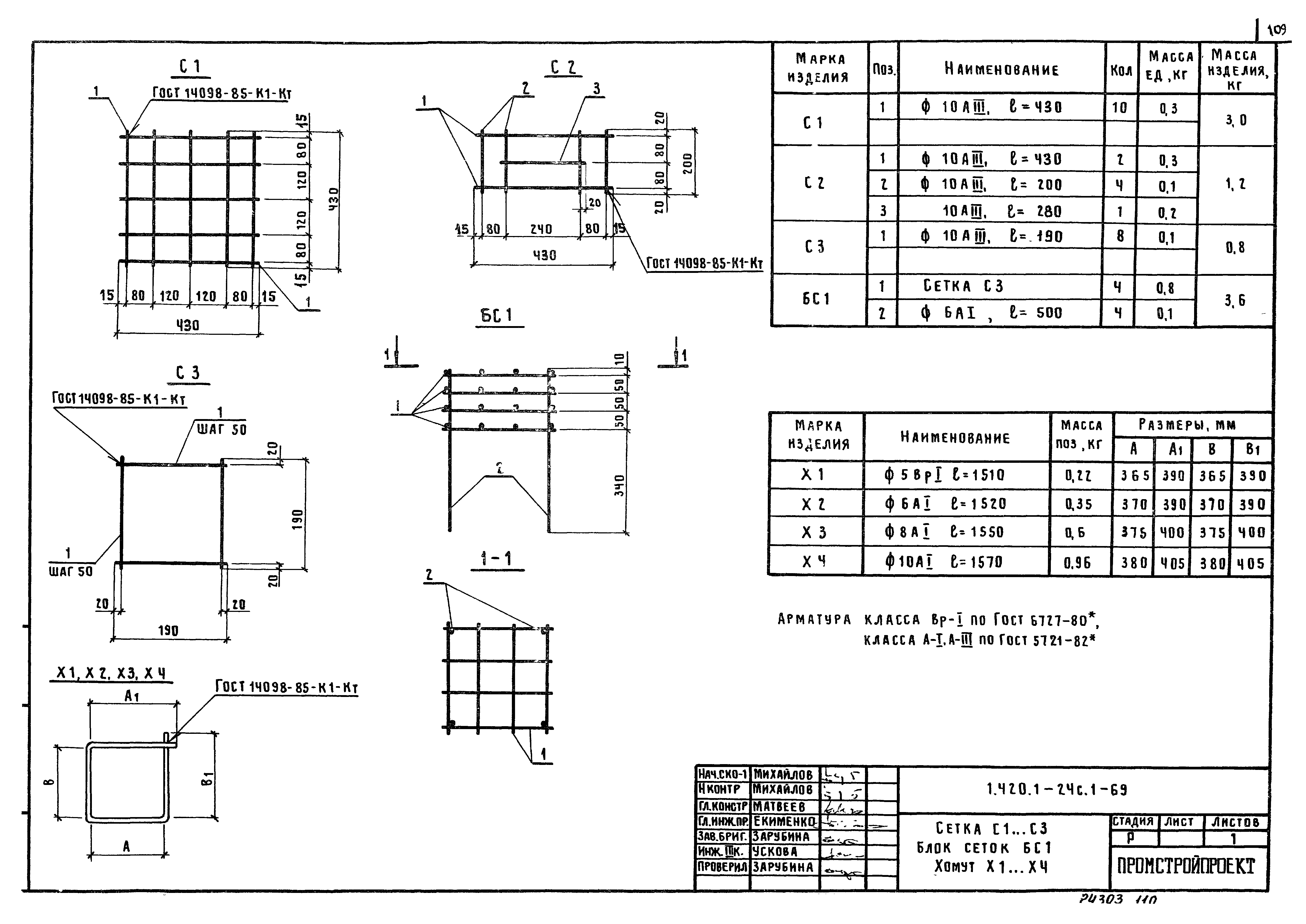
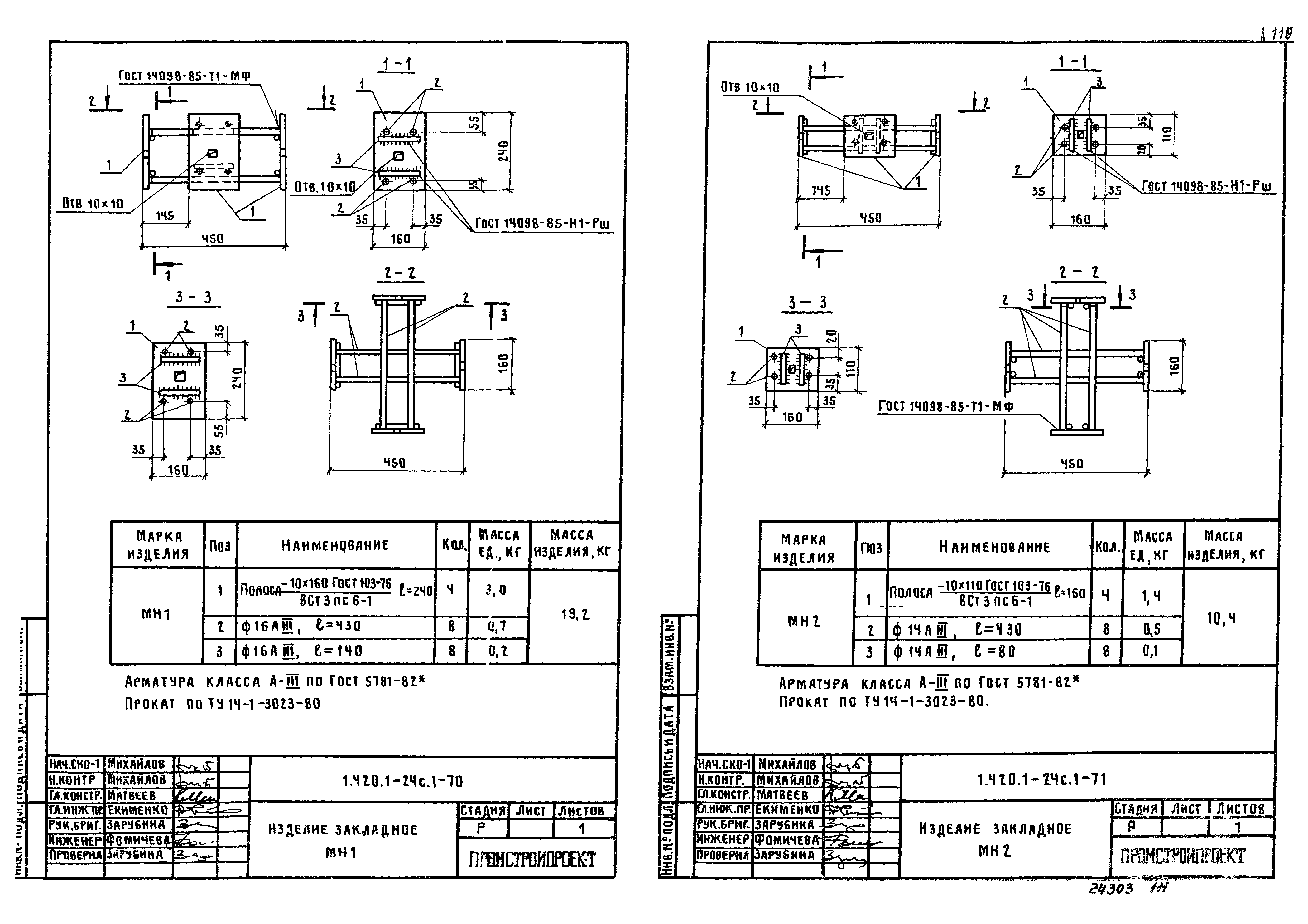
| Оглавление: | 1.420.1-24с.1-39 Каркас КП6-6, КП6-9, КП6-18, КП6-20, КП6-21, КП6-33, КП6-40 1.420.1-24с.1-40 Каркас КП7-1 … КП7-5, КП7-16 1.420.1-24с.1-41 Каркас КП7-6, КП7-12, КП7-14, КП7-22 1.420.1-24с.1-42 Каркас КП7-7, КП7-8, КП7-10, КП7-11, КП7-13, КП7-15 1.420.1-24с.1-43 Каркас КП7-9, КП7-19 1.420.1-24с.1-44 Каркас КП7-17, КП7-18, КП7-20, КП7-21, КП7-23 1.420.1-24с.1-45 Каркас КП8-1 … КП8-9, КП8-14, КП8-18, КП8-15, КП8-22 1.420.1-24с.1-46 Каркас КП8-10, КП8-13, КП8-15 … КП8-17, КП8-19, КП8-20 1.420.1-24с.1-47 Каркас КП9-1 … КП9-3, КП9-7 … КП9-10 1.420.1-24с.1-48 Каркас КП9-4 … КП9-6, КП9-11, КП9-12, КП9-19, КП9-22 1.420.1-24с.1-49 Каркас КП9-13 … КП9-15, КП9-20 1.420.1-24с.1-50 Каркас КП9-16 … КП9-19, КП9-21 1.420.1-24с.1-51 Каркас КП10-1 … КП10-3, КП10-6, КП10-7, КП10-9 … КП10-14, КП10-18, КП10-19, КП10-21, КП10-23, КП10-25, КП10-26 1.420.1-24с.1-52 Каркас КП10-4, КП10-5, КП10-8, КП10-16, КП10-24 1.420.1-24с.1-53 Каркас КП10-15, КП10-17, КП10-20, КП10-22 1.420.1-24с.1-54 Каркас КП11-1 … КП11-4, КП11-6, КП11-7, КП11-11, КП11-12, КП11-16, КП11-17, КП11-19, КП11-20 … КП11-23, КП11-25, КП11-26 1.420.1-24с.1-55 Каркас КП11-5, КП11-8 … КП11-10, Кп11-13, КП11-15, КП11-18, КП11-24 1.420.1-24с.1-56 Каркас КП12-1, КП12-2, КП12-4, КП12-9 … КП12-11, КП12-15, КП12-19, КП12-21, КП12-23, КП12-25, КП12-27, КП12-29, КП12-31 … КП12-33, КП12-37, КП12-39 1.420.1-24с.1-57 Каркас КП12-3, КП12-6, КП12-7, КП12-14, КП12-30, КП12-35, КП12-36, КП12-47 1.420.1-24с.1-58 Каркас КП12-12, КП12-13, КП12-16, КП12-20, КП12-26, КП12-28, КП12-34, КП12-38, КП12-40 … КП12-46, КП12-50 1.420.1-24с.1-59 Каркас КП12-8, КП12-22, КП12-48 1.420.1-24с.1-60 Каркас КП12-5, КП12-16 … КП12-18, КП12-24, Кп12-49 1.420.1-24с.1-61 Каркас КП13-1, КП13-3, КП13-4, КП13-6, КП13-7, КП13-9, КП13-13, КП13-16, КП13-23 1.420.1-24с.1-62 Каркас КП13-2, КП13-5, КП13-8, КП13-10 … КП13-12, КП13-14, КП13-15, КП13-17 … КП13-22 1.420.1-24с.1-63 Каркас КП14-1 … Кп14-9, КП14-5 1.420.1-24с.1-64 Каркас КП14-10 … КП14-14, КП14-16 1.420.1-24с.1-65 Узлы пространственных каркасов I, II, III, IV 1.420.1-24с.1-66 Узлы пространственных каркасов V, VI, VII, VIII 1.420.1-24с.1-67 Узлы пространственных каркасов IX, X, XI, XII, XIII, XIV, XV, XVI 1.420.1-24с.1-68 Узлы пространственных каркасов XVII, XVIII, XIX, XX, XXI, XXII, XXIII, XXIV 1.420.1-24с.1-69 Сетка С1 … С3. Блок сеток БС1. Хомут Х1 … Х4 1.420.1-24с.1-70 Изделие закладное МН1 1.420.1-24с.1-71 Изделие закладное МН2 1.420.1-24с.1-72 Стержень с шайбой СТ1 … СТ12 1.420.1-24с.1-РС Ведомость расхода стали, кг |
| Разработан: | ЦНИИпромзданий НИИЖБ Узгипротяжпром Промстройпроект |
| Утверждён: | 30.11.1989 Главоргпроект Госстроя СССР (4/5-1470) |
| Издан: | ЦИТП Госстроя СССР (CITP, Gosstroy (USSR) 1990 г. ) |



































































