Скачать Серия 1.462.5-20 Выпуск 1. Балки пролетом 18 и 24 м. Указания по применению. Технические условия. Рабочие чертежиДата актуализации: 01.01.2021
|
| Обозначение: | Серия 1.462.5-20 |
| Обозначение англ: | Series 1.462.5-20 |
| Статус: | не действует |
| Название рус.: | Выпуск 1. Балки пролетом 18 и 24 м. Указания по применению. Технические условия. Рабочие чертежи |
| Дата добавления в базу: | 01.09.2013 |
| Дата актуализации: | 01.01.2021 |
| Дата введения: | 01.11.1987 |
| Дата окончания срока действия: | 01.02.1993 |
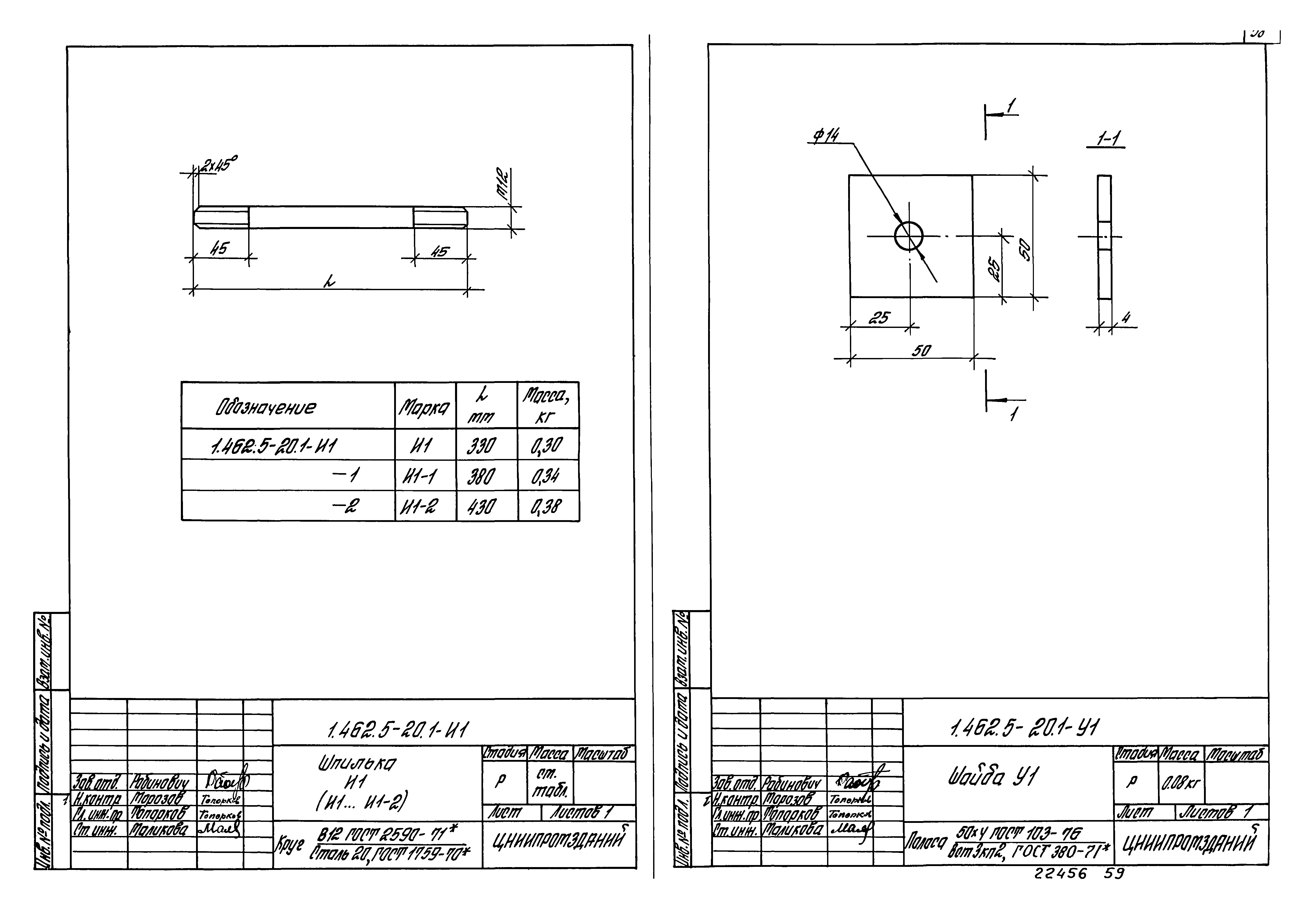
| Оглавление: | Пояснительная записка Номенклатура балок Ключ для подбора односкатных балок пролетом 18 м Ключ для подбора односкатных балок пролетом 24 м Ключ для подбора двускатных балок пролетом 18 м Ключ для подбора двускатных балок пролетом 24 м Расчетные нагрузки от подвесных кранов и монорельса Схемы поперечных разрезов зданий Схемы расположения элементов связей Узел 1а. Опирание балки на колонну крайнего ряда для варианта балки с вклеенным стальным опорным элементом Узел 2а. Опирание балки на колонну среднего ряда для варианта балки с вклеенным стальным опорным элементом Узел 1б. Опирание балки на колонну крайнего ряда для варианта балки без вклеенного стального опорного элемента Узел 2б. Опирание балки на колонну среднего ряда для варианта балки без вклеенного стального опорного элемента Узлы 3а, 3б. Опирание стропильных балок на колонну среднего ряда в разных уровнх Узлы крепления связей Монтажные схемы путей подвесного транспорта Узлы крепления путей подвесного транспорта Технические условия Балка односкатная 1БК018 (1БК018-600…1БК018-3600) Балка односкатная 1БК018 (1БК018-600…1БК018-3600). Сборочный чертеж Балка односкатная 1БК024 (1БК024-600…1БК024-3300) Балка односкатная 1БК024 (1БК024-600…1БК024-3300). Сборочный чертеж Балка двускатная 1БКД18 (1БКД18-600…1БКД18-3600) Балка двускатная 1БКД18 (1БКД18-600…1БКД18-3600). Сборочный чертеж Балка двускатная 1БКД24 (1БКД24-600…1БКД24-3600) Балка двускатная 1БКД24 (1БКД24-600…1БКД24-3600). Сборочный чертеж Балка односкатная 2БК018 (2БК018-2400…2БК018-3600) Балка односкатная 2БК024 (2БК024-2100…2БК024-3300) Балка двускатная 2БКД18 (2БКД18-2400…2БКД18-3600) Балка двускатная 2БКД24 (2БКД24-2100…2БКД24-3300) Элемент Е18 (Е18…Е18-16) Элемент Е24 (Е24…Е24-16) Элемент Д18 (Д18…Д18-18) Элемент Д24 (Д24…Д24-17) Опорный элемент М1 (М1…М1-5) Плита П1 (П1…П1-4) Изделие соединительное М2 (М2…М2-2) Шпилька И1 (И1…И1-2) Шайба У1 Ведомость расхода материалов |
| Разработан: | ЦНИИСК им. В.А. Кучеренко ЦНИИпромзданий |
| Утверждён: | 26.08.1987 Госстрой СССР (Государственный комитет Совета Министров СССР по делам строительства) (USSR Gosstroy 54) |
| Заменяет собой: | |
| Чем заменён: |
|































































