Скачать Серия 1.420.1-24с Выпуск 2. Книга 2. Железобетонные капители, межколонные и пролетные плиты. Рабочие чертежиДата актуализации: 01.01.2021
|
| Обозначение: | Серия 1.420.1-24с |
| Обозначение англ: | Series 1.420.1-24с |
| Статус: | не определен законодательством |
| Название рус.: | Выпуск 2. Книга 2. Железобетонные капители, межколонные и пролетные плиты. Рабочие чертежи |
| Дата добавления в базу: | 01.09.2013 |
| Дата актуализации: | 01.01.2021 |
| Дата введения: | 30.03.1990 |
| Дата окончания срока действия: | 30.06.2003 |
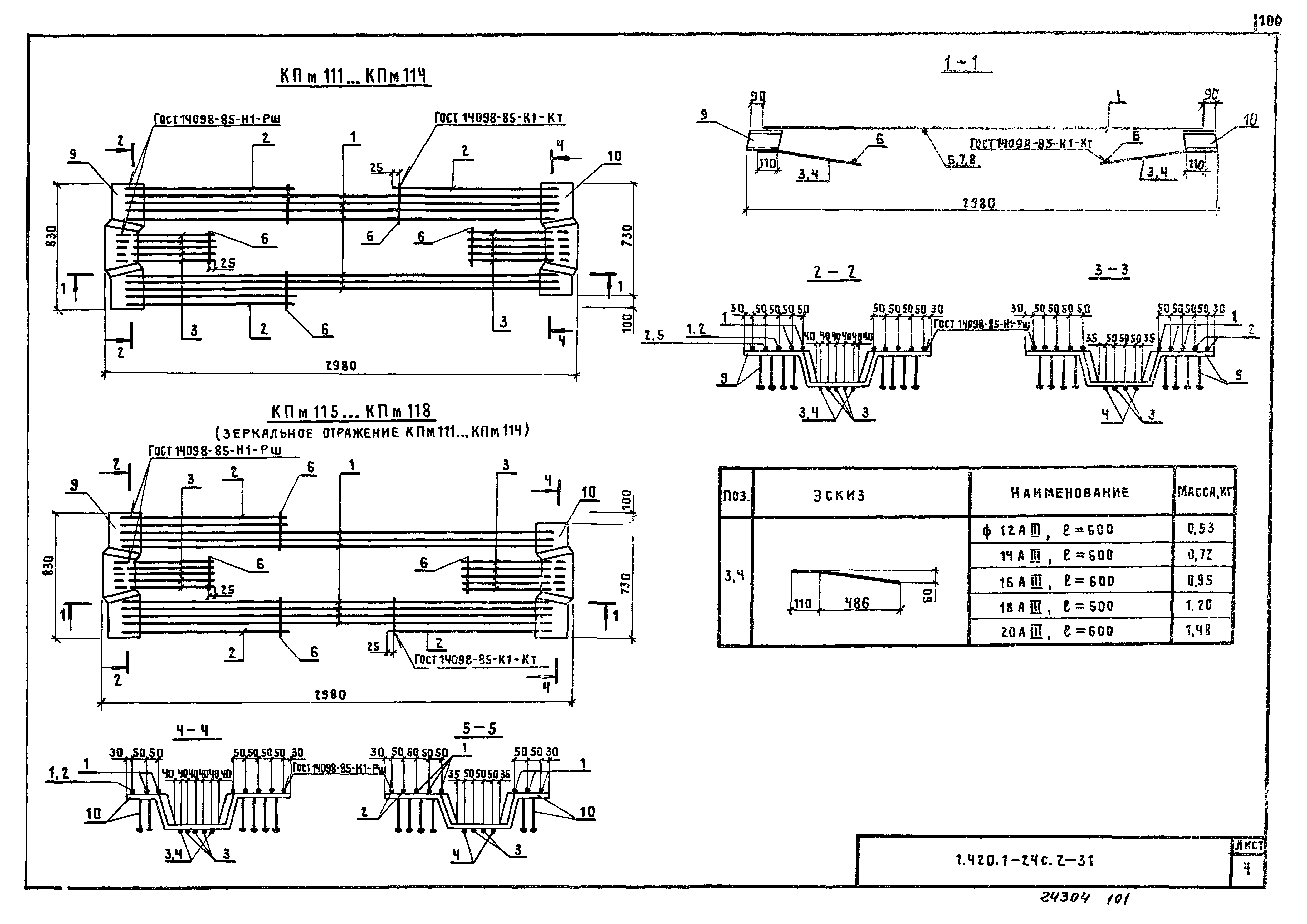
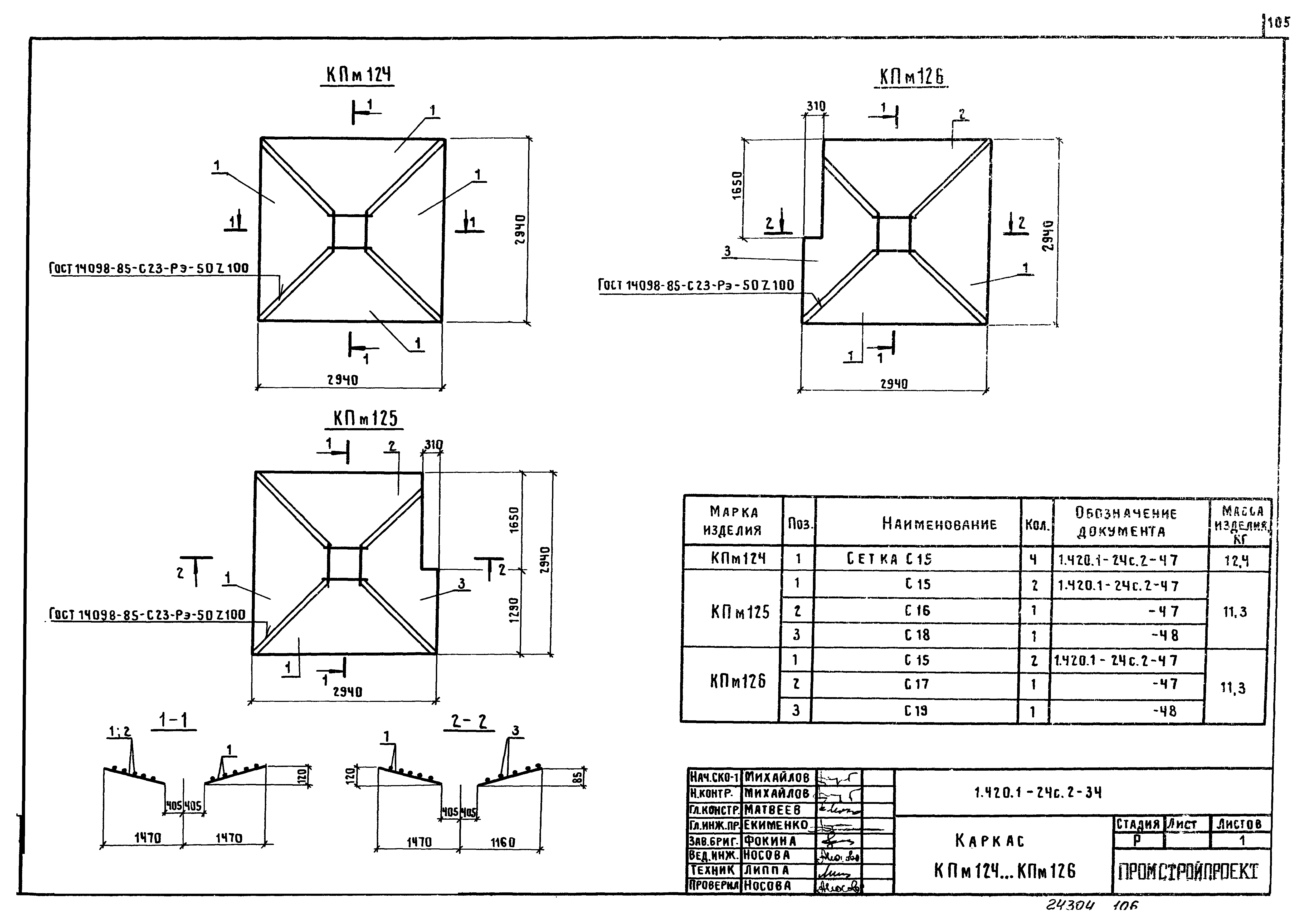
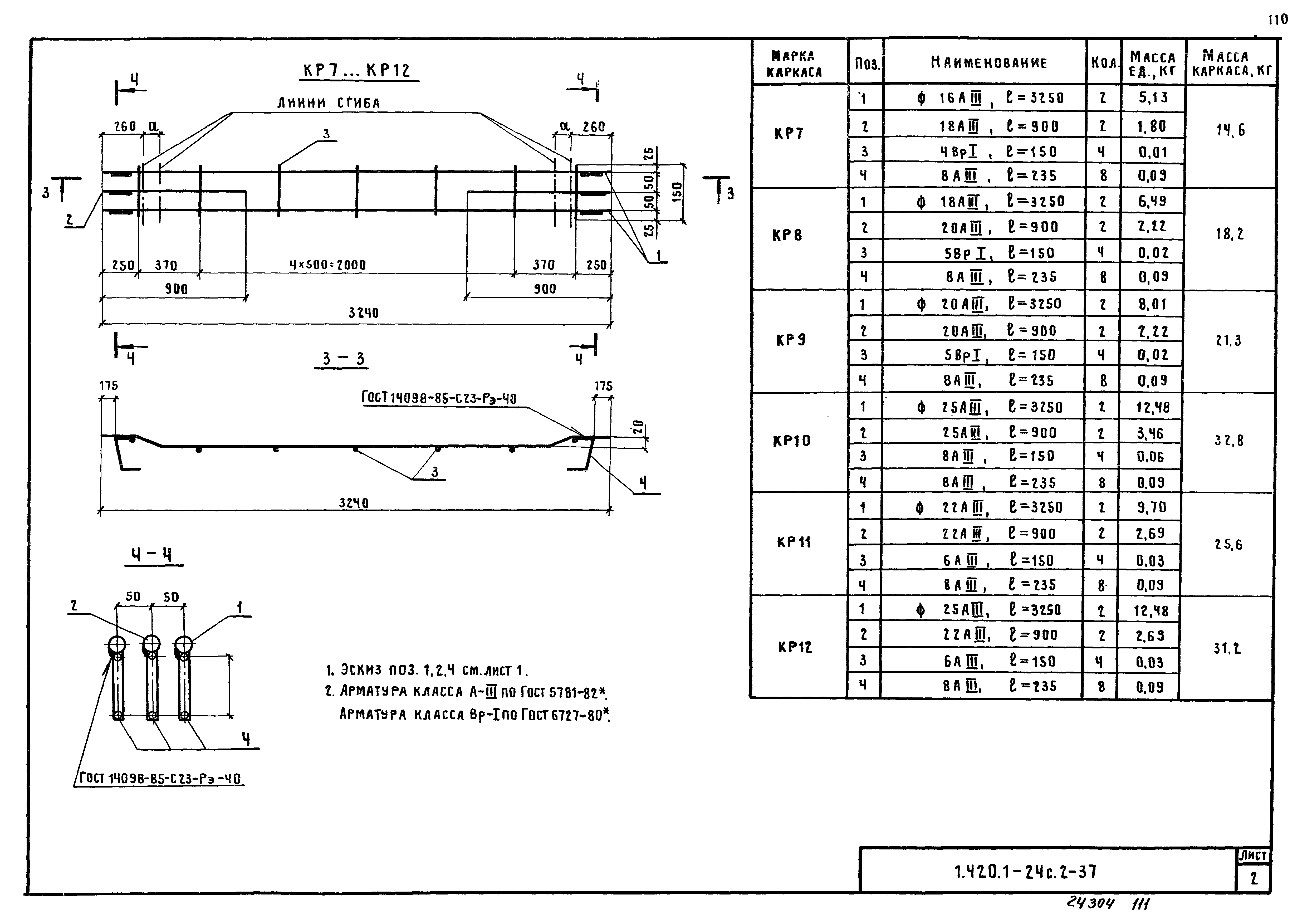
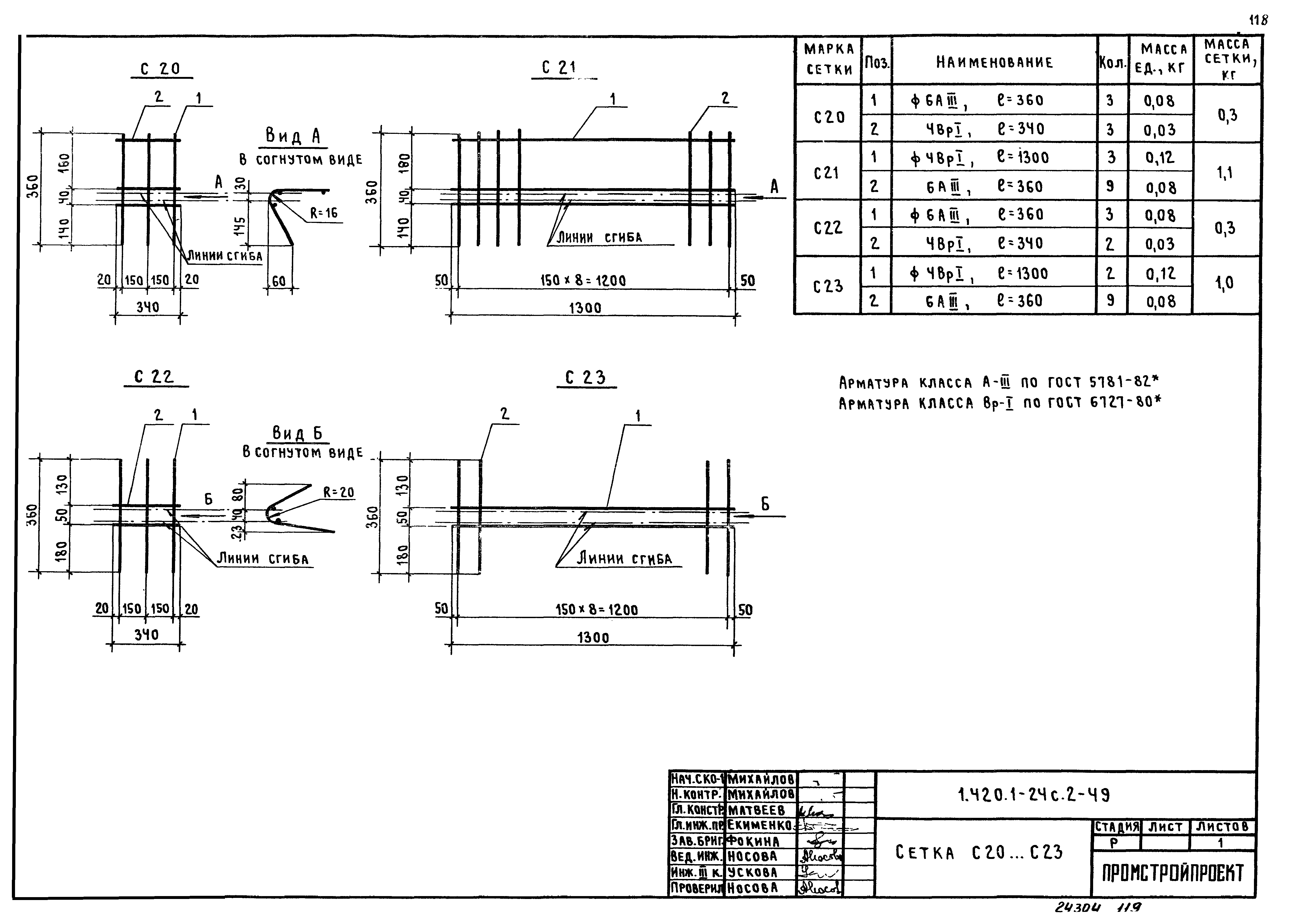
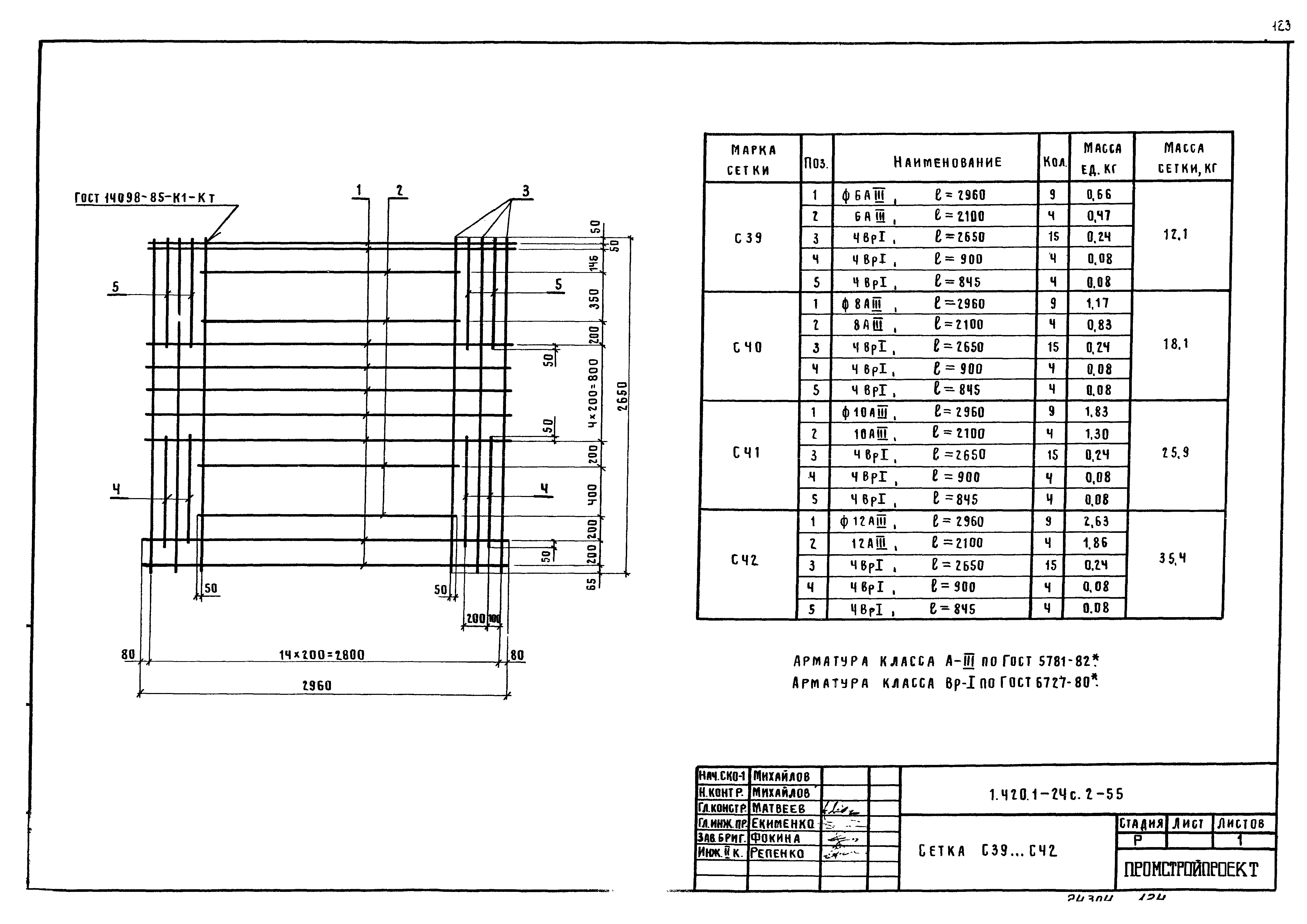
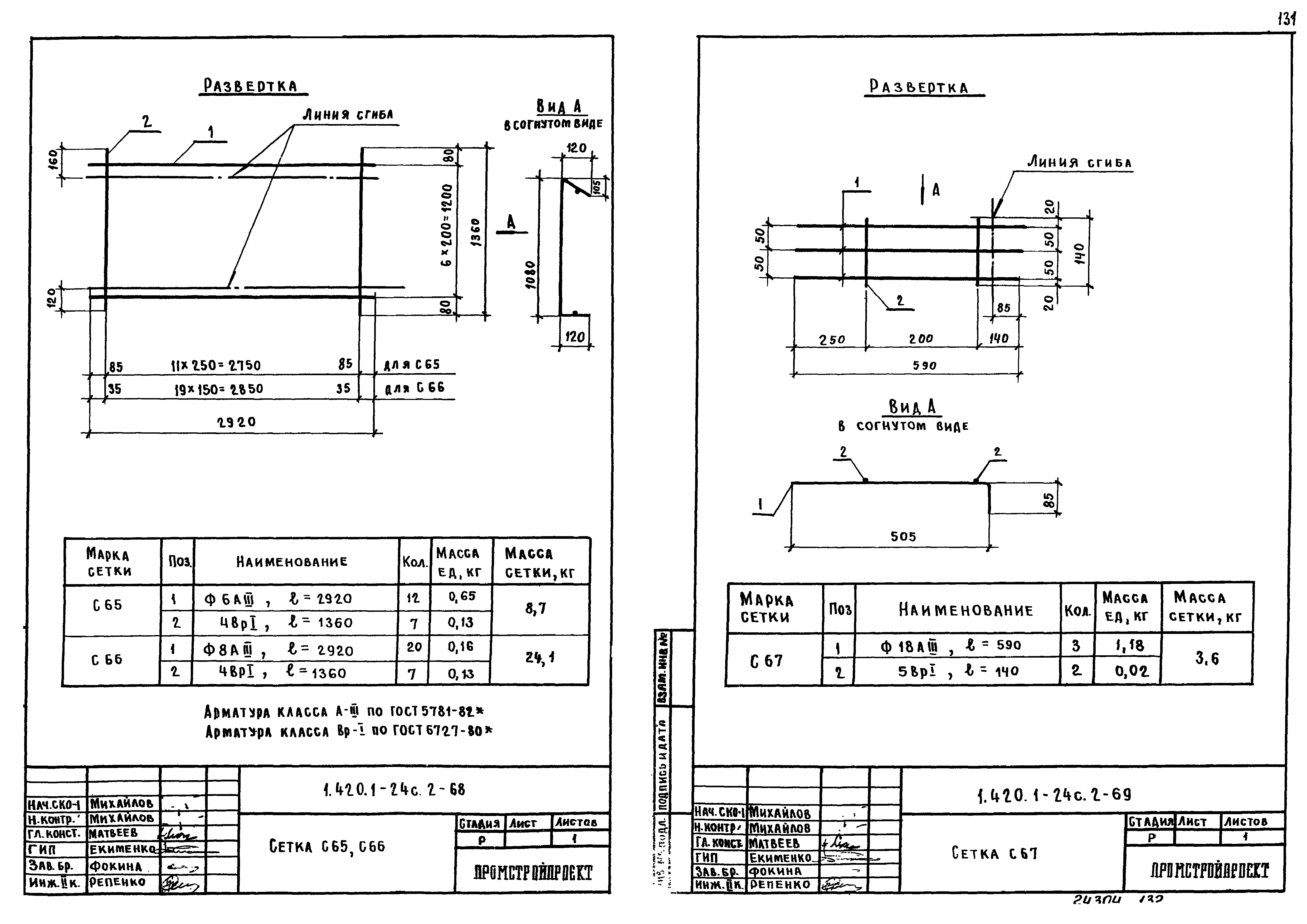
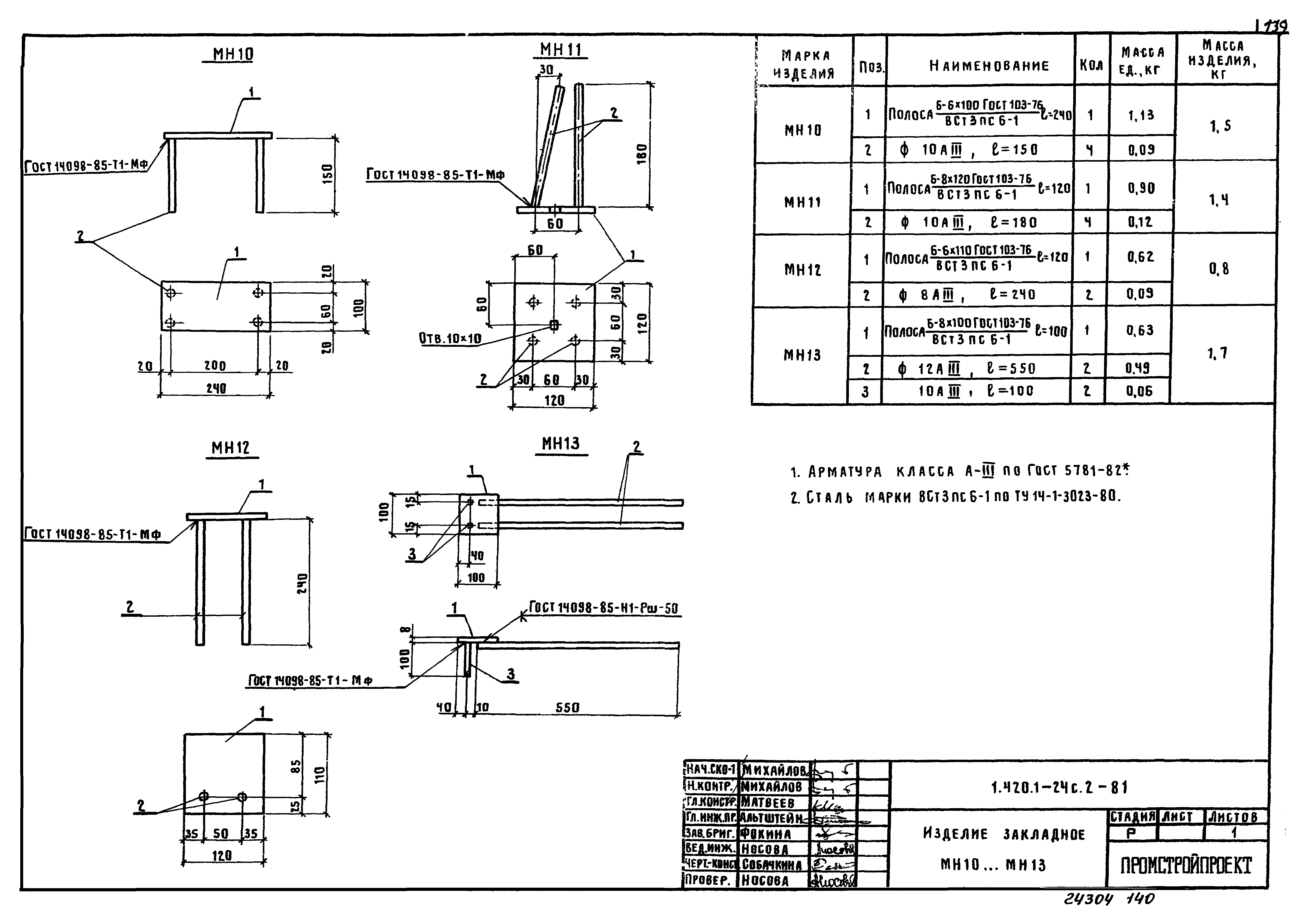
| Оглавление: | 1.420.1-24с.2-26 Каркас КП137, КП138. Узел 21 … 28 1.420.1-24с.2-27 Каркас КПм1 … КПм16 1.420.1-24с.2-28 Каркас КПм17 … КПм34 1.420.1-24с.2-29 Каркас КПм35 … КПм70 1.420.1-24с.2-30 Каркас КПм71 … КПм86 1.420.1-24с.2-31 Каркас КПм87 … КПм118 1.420.1-24с.2-32 Каркас КПм119 1.420.1-24с.2-33 Каркас КПм120 … КПм123 1.420.1-24с.2-34 Каркас КПм124 … КПм126 1.420.1-24с.2-35 Каркас КПм127 … КПм138 1.420.1-24с.2-36 Каркас КПм139 … КПм152 1.420.1-24с.2-37 Каркас КР1 … КР12 1.420.1-24с.2-38 Каркас КР13 … КР15 1.420.1-24с.2-39 Каркас КР16 … КР19 1.420.1-24с.2-40 Каркас КР20, КР21 1.420.1-24с.2-41 Каркас КР22, КР23 1.420.1-24с.2-42 Каркас КР24 … КР26 1.420.1-24с.2-43 Каркас КР27 … КР29 1.420.1-24с.2-44 Сетка С1 1.420.1-24с.2-45 Сетка С2 1.420.1-24с.2-46 Сетка С3 … С14 1.420.1-24с.2-47 Сетка С15 … С17 1.420.1-24с.2-48 Сетка С18, С19 1.420.1-24с.2-49 Сетка С20 … С23 1.420.1-24с.2-50 Сетка С24 … С27 1.420.1-24с.2-51 Сетка С28 1.420.1-24с.2-52 Сетка С29 … С32 1.420.1-24с.2-53 Сетка С33 … С36 1.420.1-24с.2-54 Сетка С37, С38 1.420.1-24с.2-55 Сетка С39 … С42 1.420.1-24с.2-56 Сетка С43 … С48 1.420.1-24с.2-57 Сетка С49, С50 1.420.1-24с.2-58 Сетка С51, С52 1.420.1-24с.2-59 Сетка С53, С54 1.420.1-24с.2-60 Сетка С55 1.420.1-24с.2-61 Сетка С56 1.420.1-24с.2-62 Сетка С57 1.420.1-24с.2-63 Сетка С58 1.420.1-24с.2-64 Сетка С59, С60 1.420.1-24с.2-65 Сетка С61, С62 1.420.1-24с.2-66 Сетка С63 1.420.1-24с.2-67 Сетка С64 1.420.1-24с.2-68 Сетка С65, С66 1.420.1-24с.2-69 Сетка С67 1.420.1-24с.2-70 Сетка С68, С69 1.420.1-24с.2-71 Сетка С70, С71 1.420.1-24с.2-72 Сетка С72 … С74 1.420.1-24с.2-73 Сетка С75 1.420.1-24с.2-74 Сетка С76 1.420.1-24с.2-75 Сетка С77 1.420.1-24с.2-76 Сетка С78 1.420.1-24с.2-77 Сетка С79, С80 1.420.1-24с.2-78 Сетка С81, С82 1.420.1-24с.2-79 Сетка С83 1.420.1-24с.2-80 Изделия закладное МН1 … МН9 1.420.1-24с.2-81 Изделия закладное МН10 … МН13 1.420.1-24с.2-82 Изделия закладное МН14 … МН17 1.420.1-24с.2-83 Составная позиция СП1, СП2 1.420.1-24с.2-84 Позиция 4 … 7 1.420.1-24с.2-85 РС Капители. Ведомость расхода стали, кг 1.420.1-24с.2-86 РС Межколонные плиты. Ведомость расхода стали, кг 1.420.1-24с.2-87 РС Пролетные плиты. Ведомость расхода стали, кг |
| Разработан: | ЦНИИпромзданий НИИЖБ Узгипротяжпром Промстройпроект |
| Утверждён: | 30.11.1989 Главоргпроект Госстроя СССР (4/5-1470) |
| Издан: | ЦИТП Госстроя СССР (CITP, Gosstroy (USSR) 1990 г. ) |
















































































