Скачать Типовой проект 907-2-221 Альбом 2. СметыДата актуализации: 01.01.2021
|
| Обозначение: | Типовой проект 907-2-221 |
| Обозначение англ: | 907-2-221 |
| Статус: | действует |
| Название рус.: | Альбом 2. Сметы |
| Дата добавления в базу: | 01.09.2013 |
| Дата актуализации: | 01.01.2021 |
| Дата введения: | 01.02.1980 |
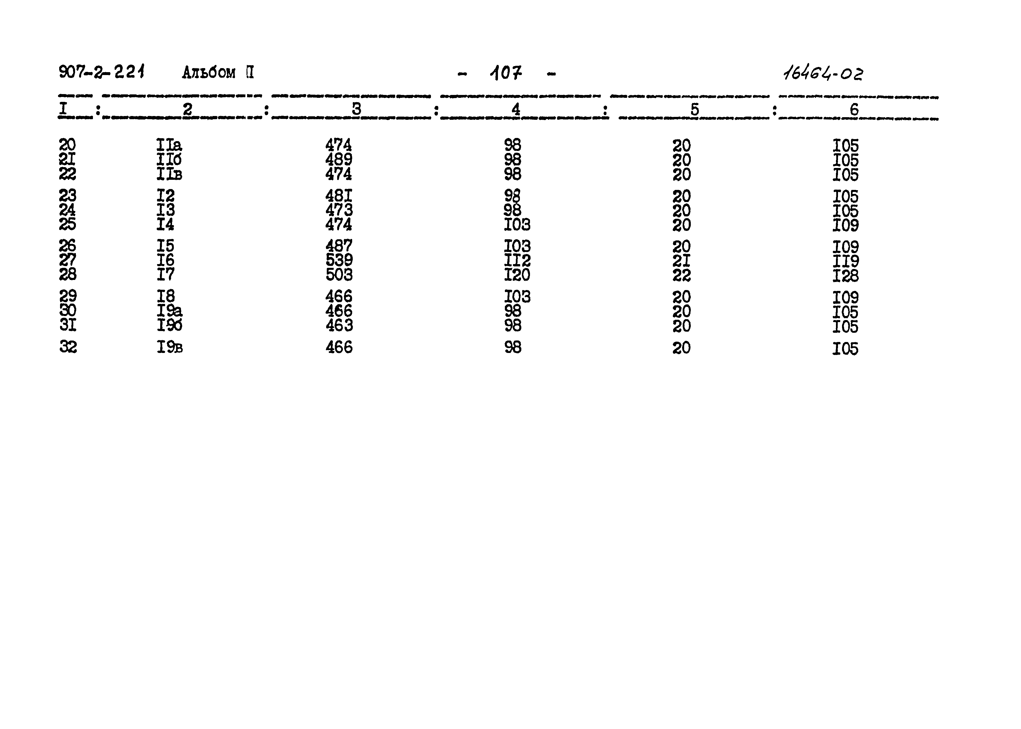
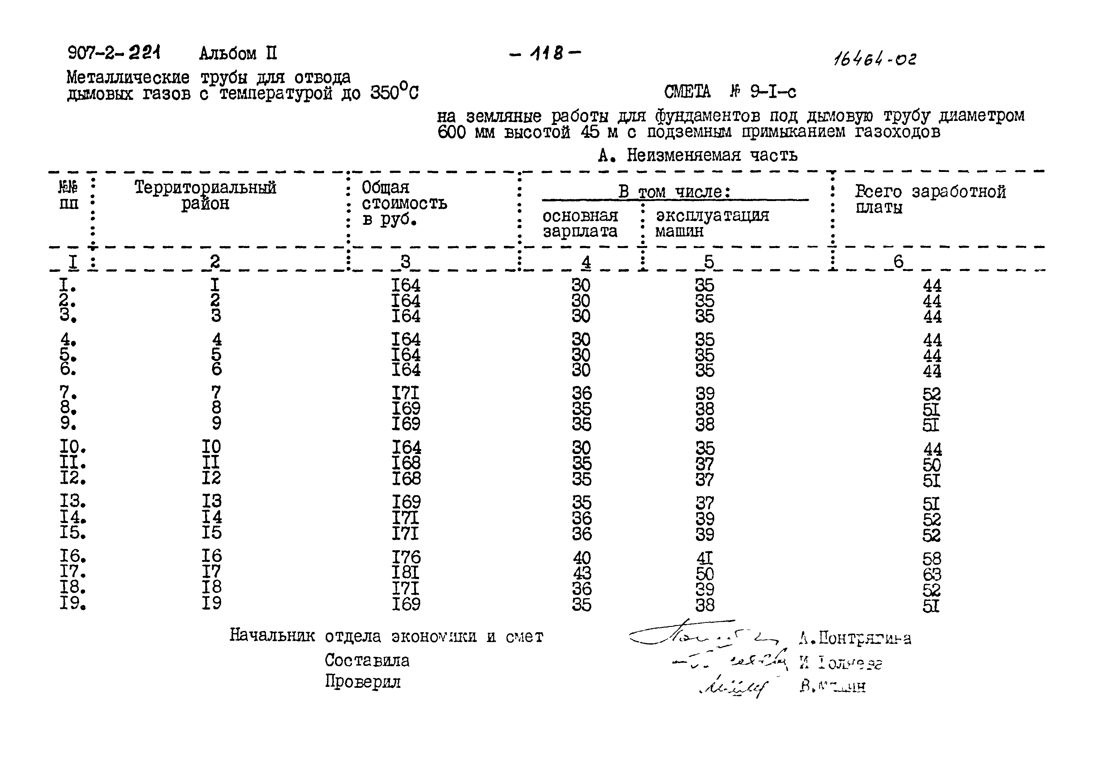
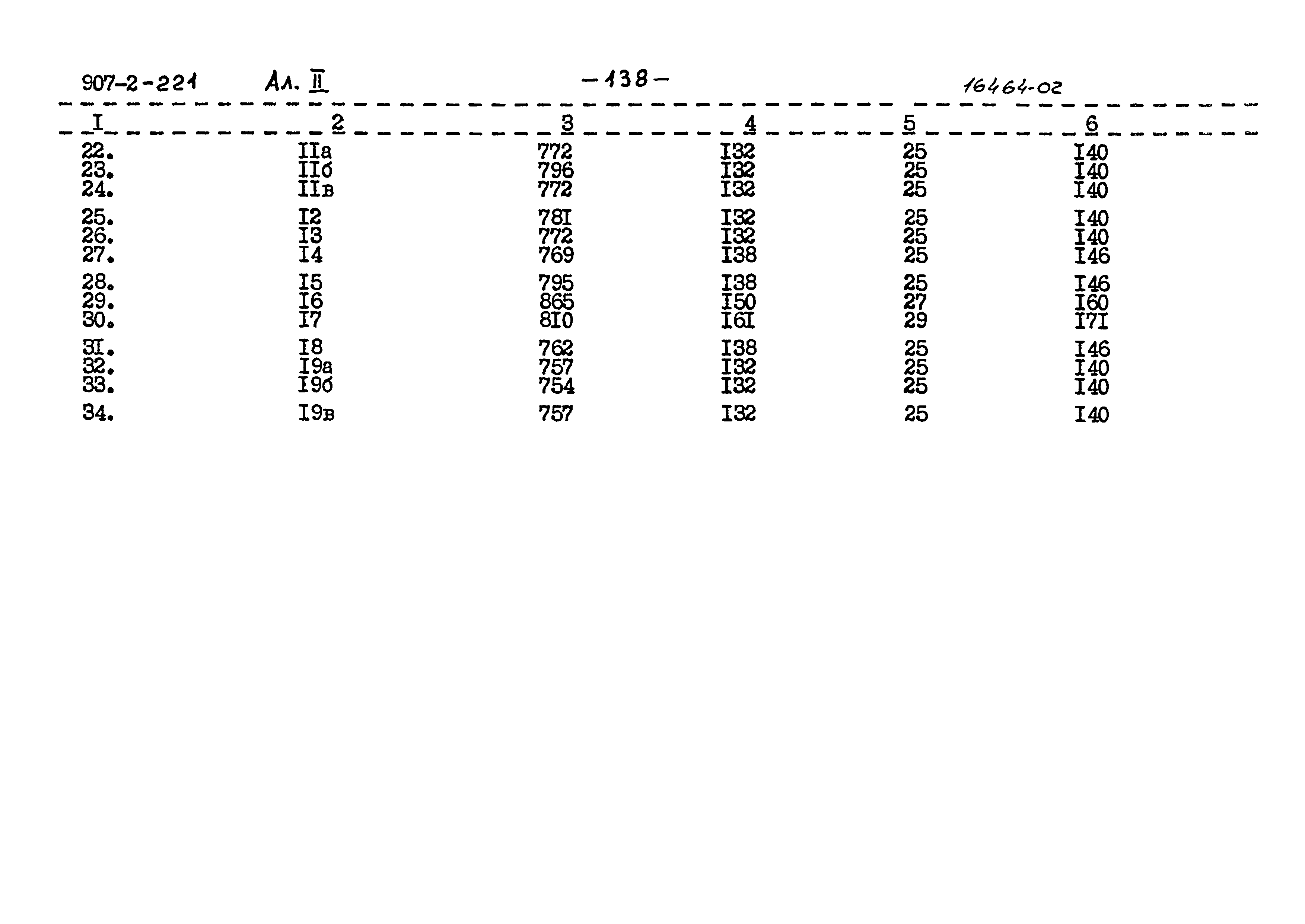
| Оглавление: | Пояснительная записка Объектные сметы дымовых труб №1…8 Смета №1-3а. Земляные работы для анкерных фундаментов для труб Н = 21,375 м Смета №2-3а. Земляные работы для анкерных фундаментов для труб Н = 31,375 м Смета №3-3а. Земляные работы для анкерных фундаментов для труб Н = 44,225 м Смета №1-ФА. Анкерные фундаменты для труб Н = 21,375 м Смета №2-ФА. Анкерные фундаменты для труб Н = 31,375 м Смета №3-ФА. Анкерные фундаменты для труб Н = 44,225 м Смета №1-1. Стальные конструкции Смета №2-1. Стальные конструкции Смета №3-1. Стальные конструкции Смета №4-1. Стальные конструкции Смета №5-1. Стальные конструкции Смета №6-1. Стальные конструкции Смета №7-1. Стальные конструкции Смета №8-1. Стальные конструкции Смета №1-2. Антикоррозийная защита стальных конструкций Смета №2-2. Антикоррозийная защита стальных конструкций Смета №3-2. Антикоррозийная защита стальных конструкций Смета №4-2. Антикоррозийная защита стальных конструкций Смета №5-2. Антикоррозийная защита стальных конструкций Смета №6-2. Антикоррозийная защита стальных конструкций Смета №7-2. Антикоррозийная защита стальных конструкций Смета №8-2. Антикоррозийная защита стальных конструкций Сводки объемов и стоимости работ по типоразмерам труб Сводная ведомость потребности в производственных ресурсах по сметам Ведомости объемов строительных и монтажных работ на сооружение Смета №1-1-С. Земляные работы для фундаментов под дымовую трубу Д = 400 мм; высотой 20 м с подземным примыканием газоходов Смета №1-2-С. Фундаменты под дымовую трубу Д = 400 мм высотой 20 м с подземным примыканием газоходов Смета №2-1-С. Земляные работы для фундаментов под дымовую трубу Д = 400 мм; высотой 20 м с надземным примыканием газоходов Смета №2-2-С. Фундаменты под дымовую трубу Д = 400 мм высотой 20 м с надземным примыканием газоходов Смета №3-1-С. Земляные работы для фундаментов под дымовую трубу Д = 500 мм; высотой 20 м с подземным примыканием газоходов Смета №3-2-С. Фундаменты под дымовую трубу Д = 500 мм высотой 20 м с подземным примыканием газоходов Смета №4-1-С. Земляные работы для фундаментов под дымовую трубу Д = 500 мм; высотой 20 м с надземным примыканием газоходов Смета №4-2-С. Фундаменты под дымовую трубу Д = 500 мм высотой 20 м с надземным примыканием газоходов Смета №5-1-С. Земляные работы для фундаментов под дымовую трубу Д = 600 мм; высотой 30 м с подземным примыканием газоходов Смета №5-2-С. Фундаменты под дымовую трубу Д = 600 мм высотой 30 м с подземным примыканием газоходов Смета №6-1-С. Земляные работы для фундаментов под дымовую трубу Д = 600 мм; высотой 30 м с надземным примыканием газоходов Смета №6-2-С. Фундаменты под дымовую трубу Д = 600 мм высотой 30 м с надземным примыканием газоходов Смета №7-1-С. Земляные работы для фундаментов под дымовую трубу Д = 800 мм; высотой 30 м с подземным примыканием газоходов Смета №7-2-С. Фундаменты под дымовую трубу Д = 800 мм высотой 30 м с подземным примыканием газоходов Смета №8-1-С. Земляные работы для фундаментов под дымовую трубу Д = 800 мм; высотой 30 м с надземным примыканием газоходов Смета №8-2-С. Фундаменты под дымовую трубу Д = 800 мм высотой 30 м с надземным примыканием газоходов Смета №9-1-С. Земляные работы для фундаментов под дымовую трубу Д = 600 мм; высотой 45 м с подземным примыканием газоходов Смета №9-2-С. Фундаменты под дымовую трубу Д = 600 мм высотой 45 м с подземным примыканием газоходов Смета №10-1-С. Земляные работы для фундаментов под дымовую трубу Д = 600 мм; высотой 45 м с надземным примыканием газоходов Смета №10-2-С. Фундаменты под дымовую трубу Д = 600 мм высотой 45 м с надземным примыканием газоходов Смета №11-1-С. Земляные работы для фундаментов под дымовую трубу Д = 800 мм; высотой 45 м с подземным примыканием газоходов Смета №11-2-С. Фундаменты под дымовую трубу Д = 800 мм высотой 45 м с подземным примыканием газоходов Смета №12-1-С. Земляные работы для фундаментов под дымовую трубу Д = 800 мм; высотой 45 м с надземным примыканием газоходов Смета №12-2-С. Фундаменты под дымовую трубу Д = 800 мм высотой 45 м с надземным примыканием газоходов Смета №13-1-С. Земляные работы для фундаментов под дымовую трубу Д = 1000 мм; высотой 45 м с подземным примыканием газоходов Смета №13-2-С. Фундаменты под дымовую трубу Д = 1000 мм высотой 45 м с подземным примыканием газоходов Смета №14-1-С. Земляные работы для фундаментов под дымовую трубу Д = 1000 мм; высотой 45 м с надземным примыканием газоходов Смета №14-2-С. Фундаменты под дымовую трубу Д = 1000 мм высотой 45 м с надземным примыканием газоходов Сводка объемов и стоимости работ к смете на фундаменты Смета №15-С. Светоограждение дымовой трубы Н = 20 м Смета №16-С. Светоограждение дымовой трубы Н = 30 м Смета №17-С. Светоограждение дымовой трубы Н = 45 м Ведомость объемов строительных и монтажных работ по сооружению фундаментов |
| Разработан: | Сантехпроект Госстроя СССР Укрпроектстальконструкция |
| Утверждён: | 29.12.1978 Главпромстройпроект Госстроя СССР (49) |
| Заменяет собой: |



































































































































































































