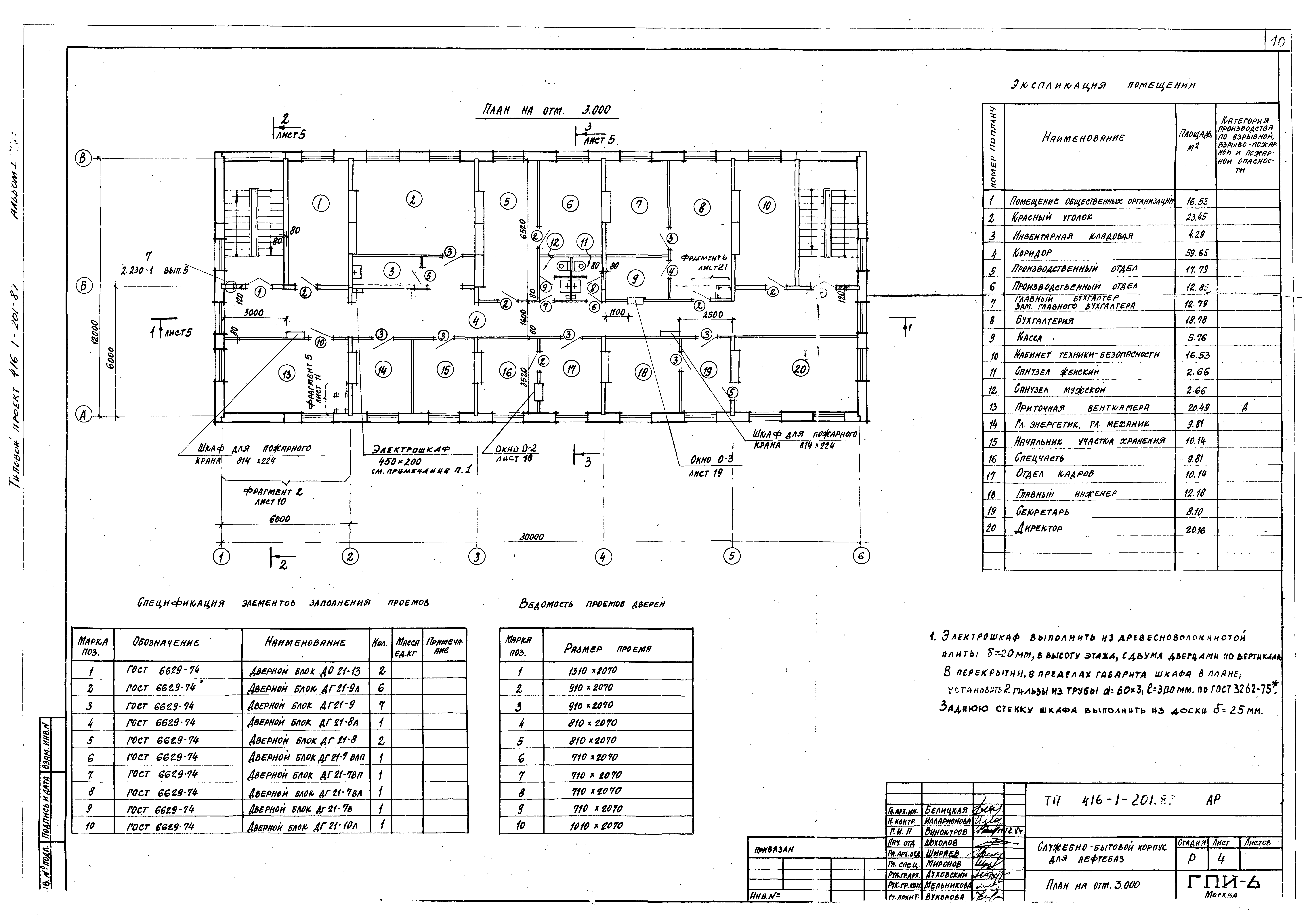
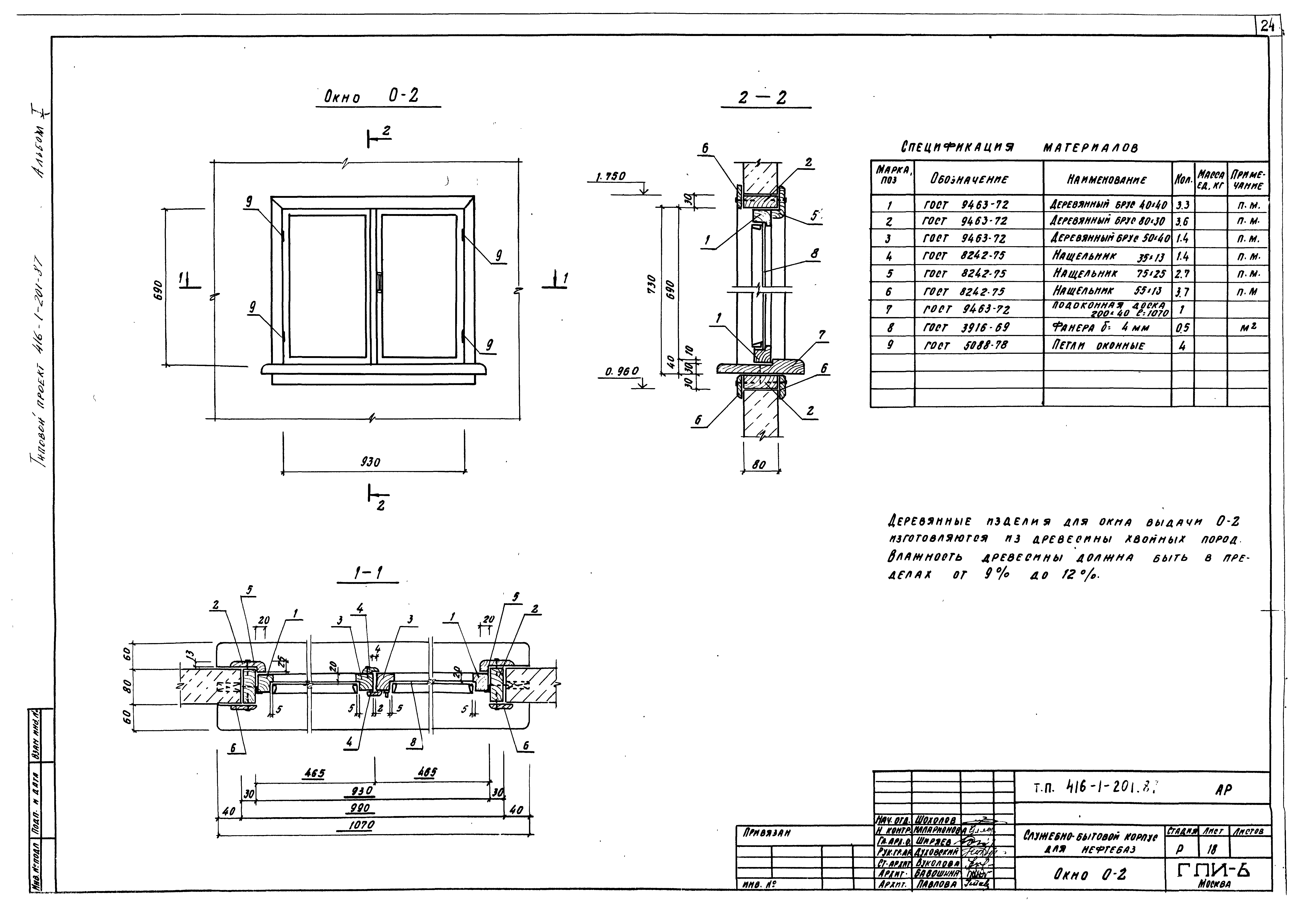
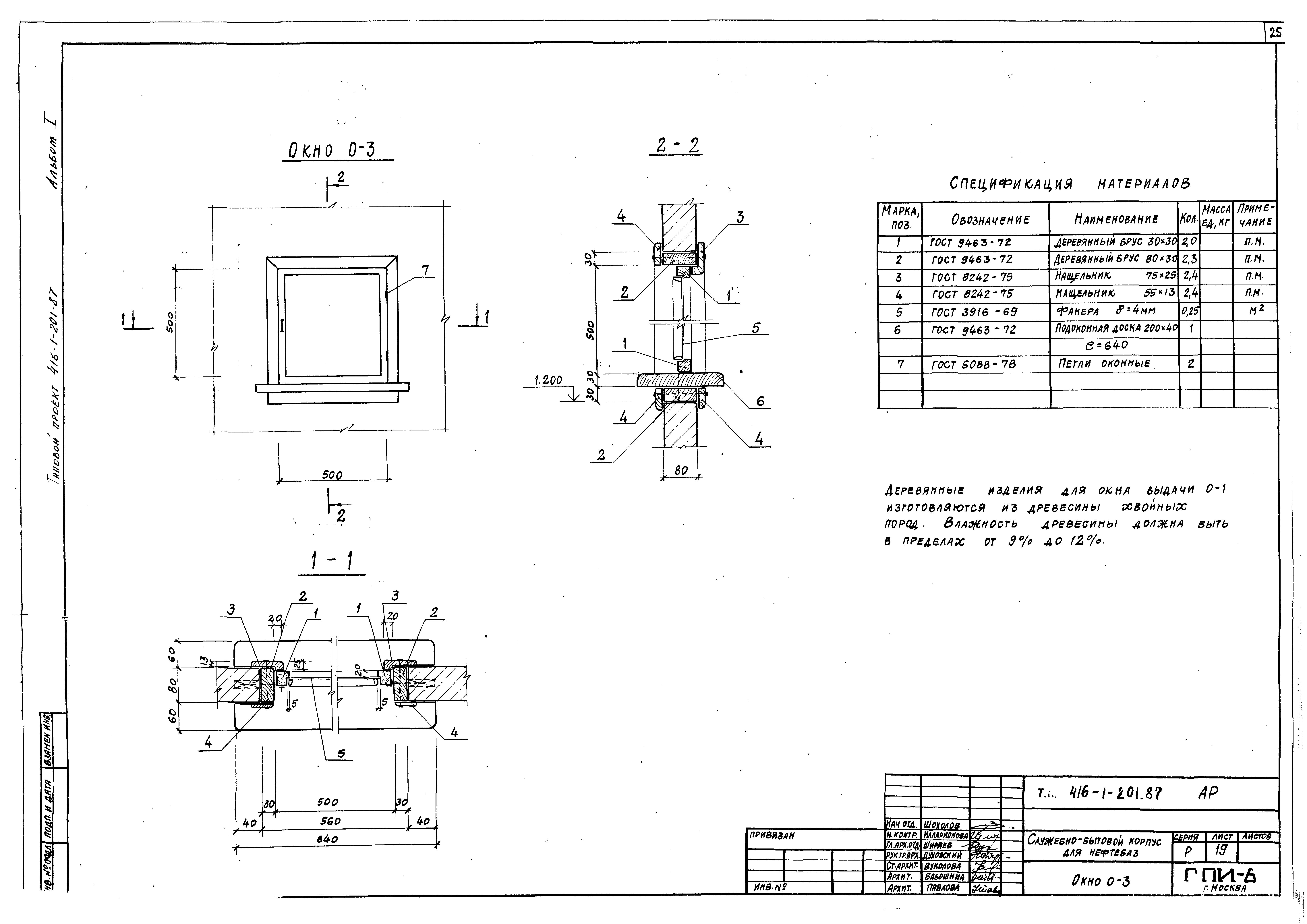
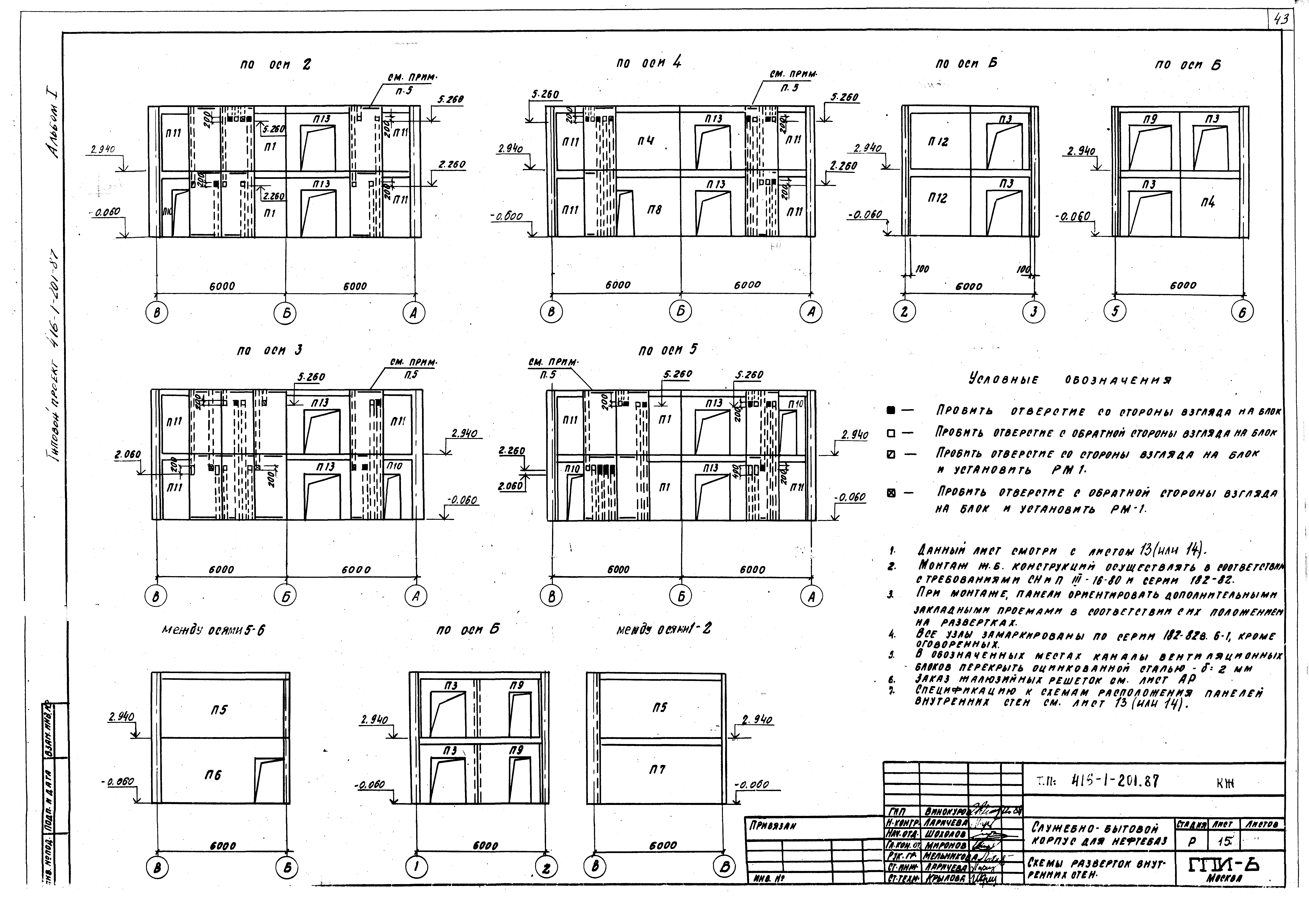
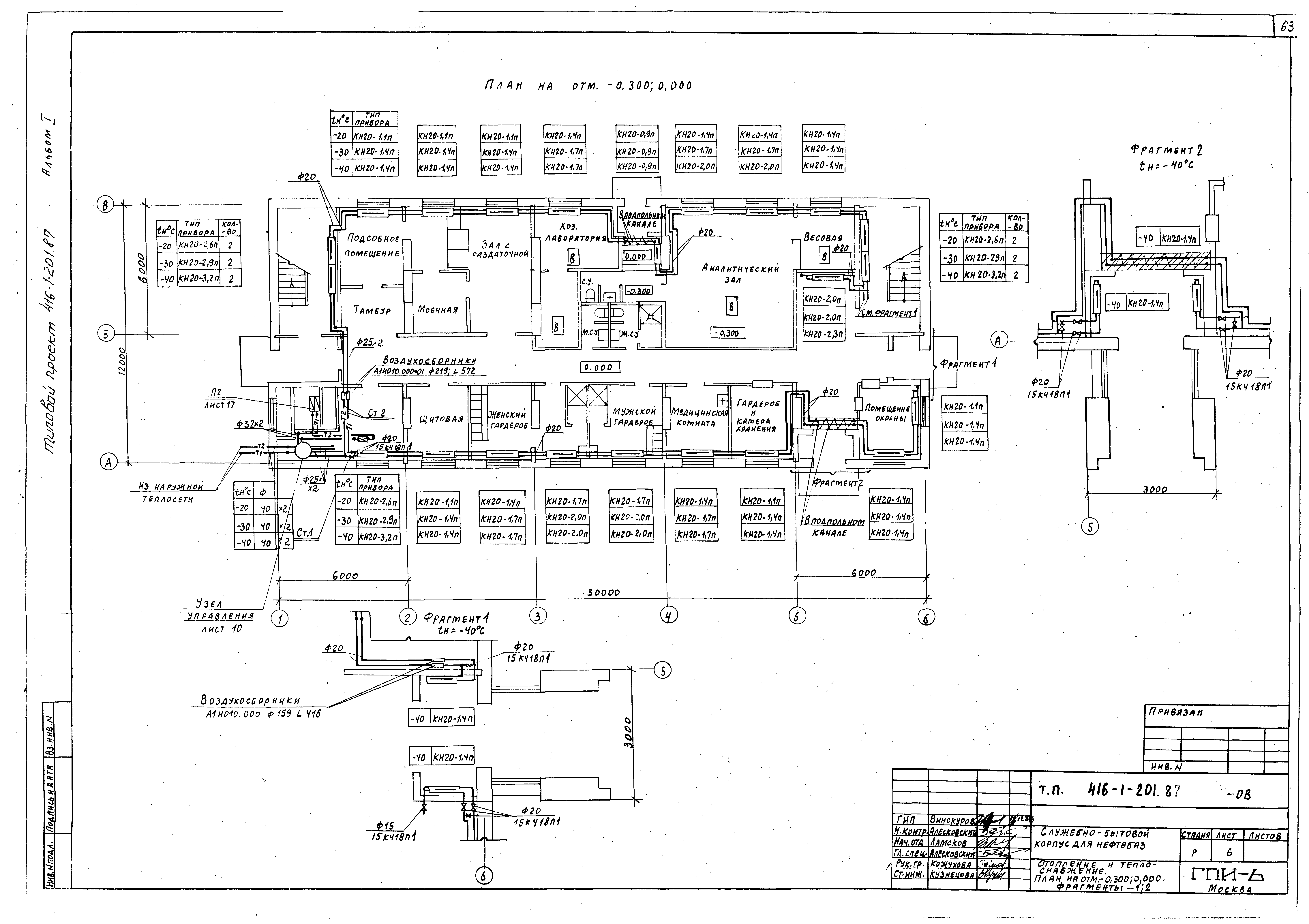
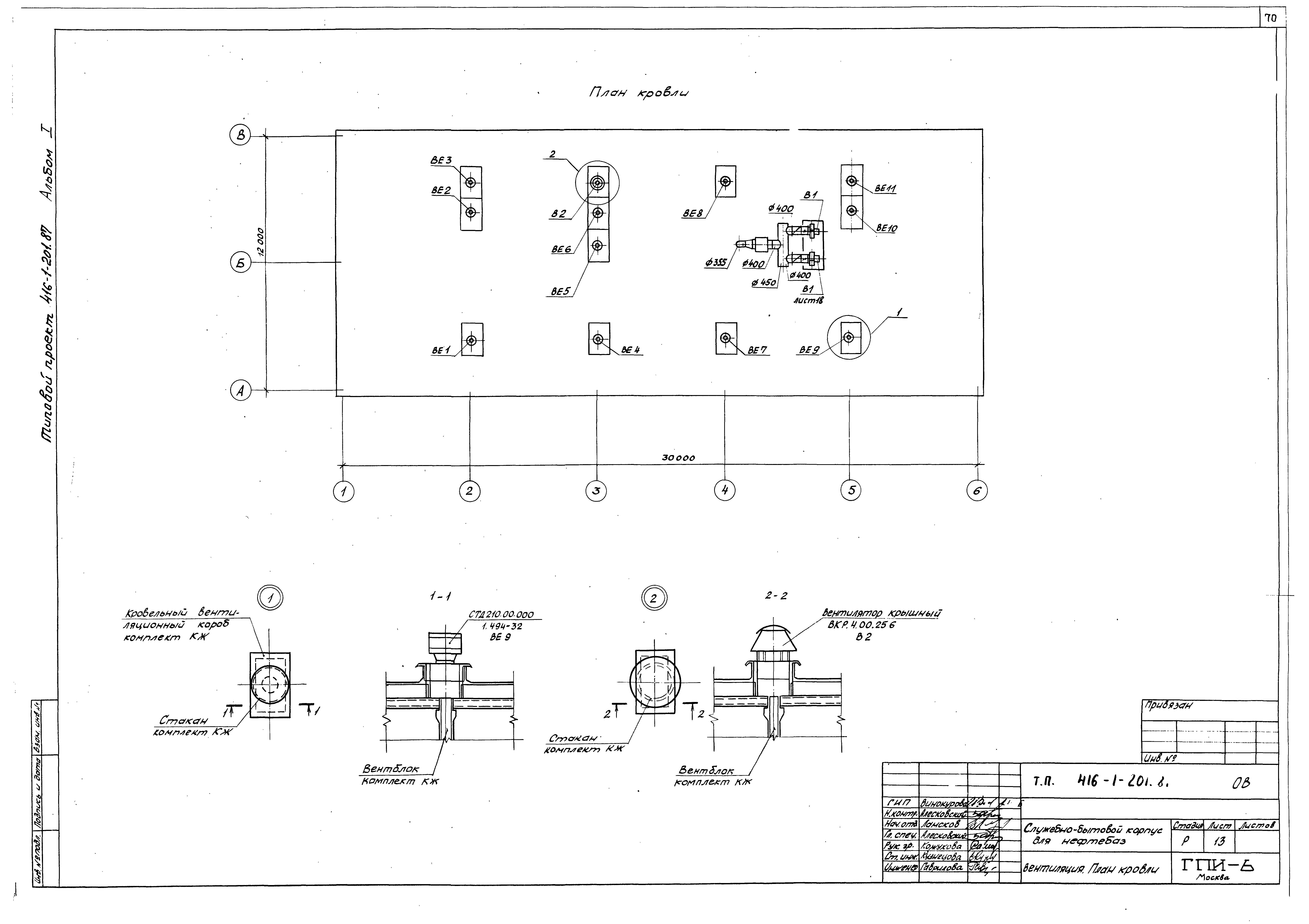
Скачать Типовой проект 416-1-201.87 Альбом I. Архитектурно-строительные чертежи. Чертежи санитарно-технических систем и устройств. Технологические чертежи буфетаДата актуализации: 01.01.2021
|
| Обозначение: | Типовой проект 416-1-201.87 |
| Обозначение англ: | 416-1-201.87 |
| Статус: | не определен законодательством |
| Название рус.: | Альбом I. Архитектурно-строительные чертежи. Чертежи санитарно-технических систем и устройств. Технологические чертежи буфета |
| Дата добавления в базу: | 01.09.2013 |
| Дата актуализации: | 01.01.2021 |
| Дата введения: | 26.09.1986 |
| Дата окончания срока действия: | 30.06.2003 |
| Разработан: | ЦНИИпромзданий ГПИ-6 Госкомлегпрома Гипроторг |
| Утверждён: | 26.09.1986 ГПИ-6 (193) |
















































































