Скачать Типовой проект 902-2-428.87 Альбом 3. Конструкции железобетонныеДата актуализации: 01.01.2021
|
| Обозначение: | Типовой проект 902-2-428.87 |
| Обозначение англ: | 902-2-428.87 |
| Статус: | не определен законодательством |
| Название рус.: | Альбом 3. Конструкции железобетонные |
| Дата добавления в базу: | 01.09.2013 |
| Дата актуализации: | 01.01.2021 |
| Дата введения: | 01.05.1987 |
| Дата окончания срока действия: | 30.06.2003 |
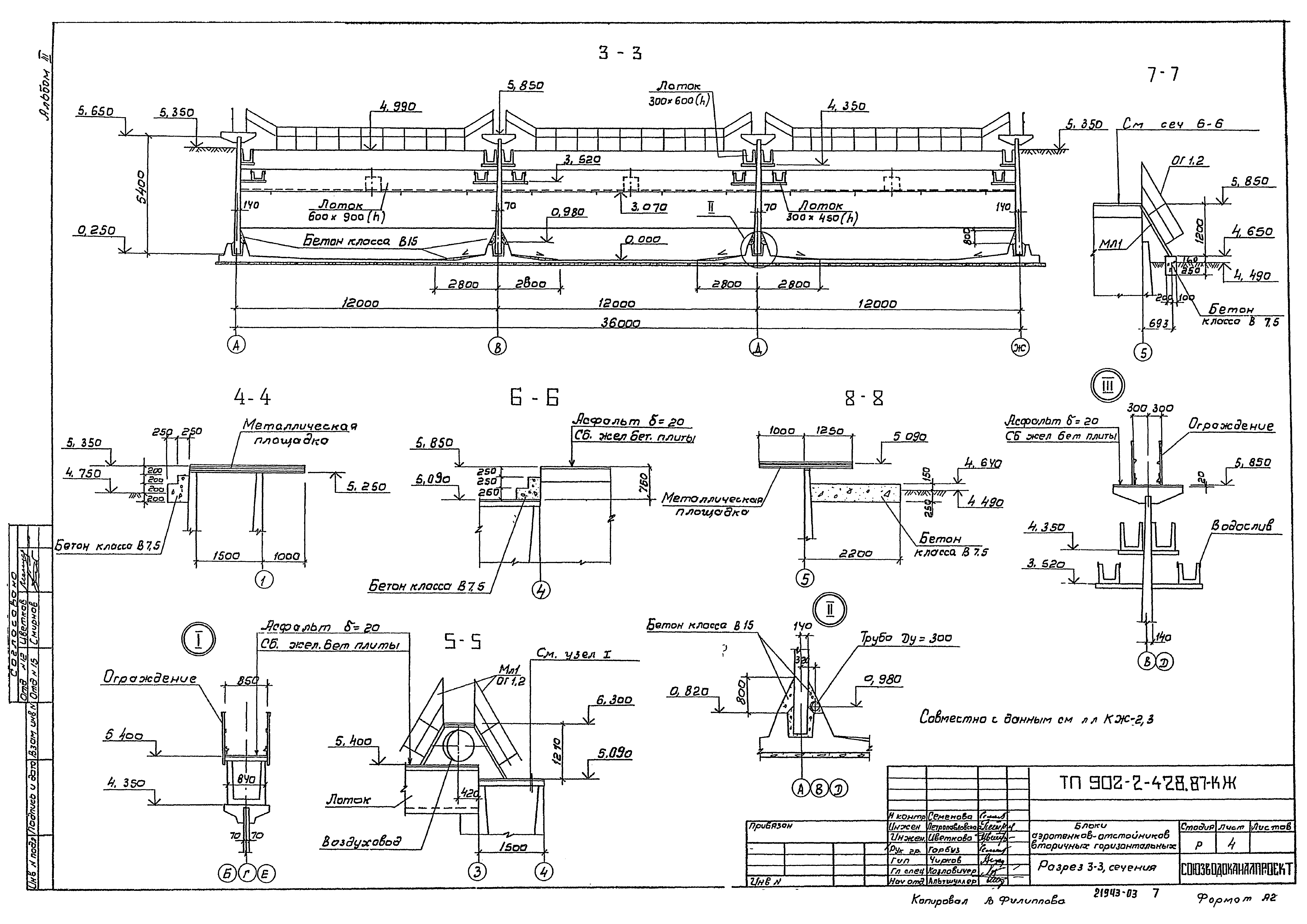
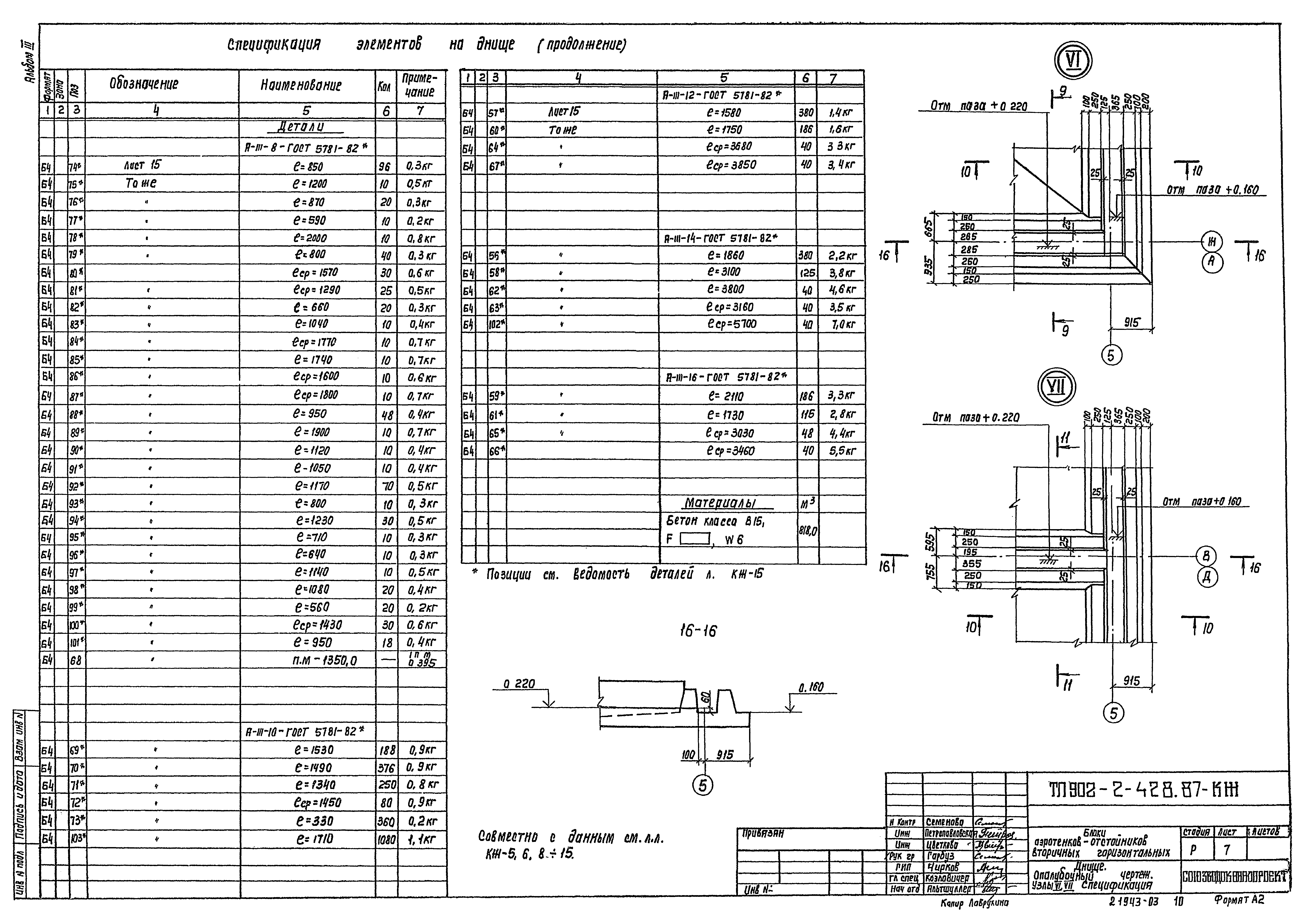
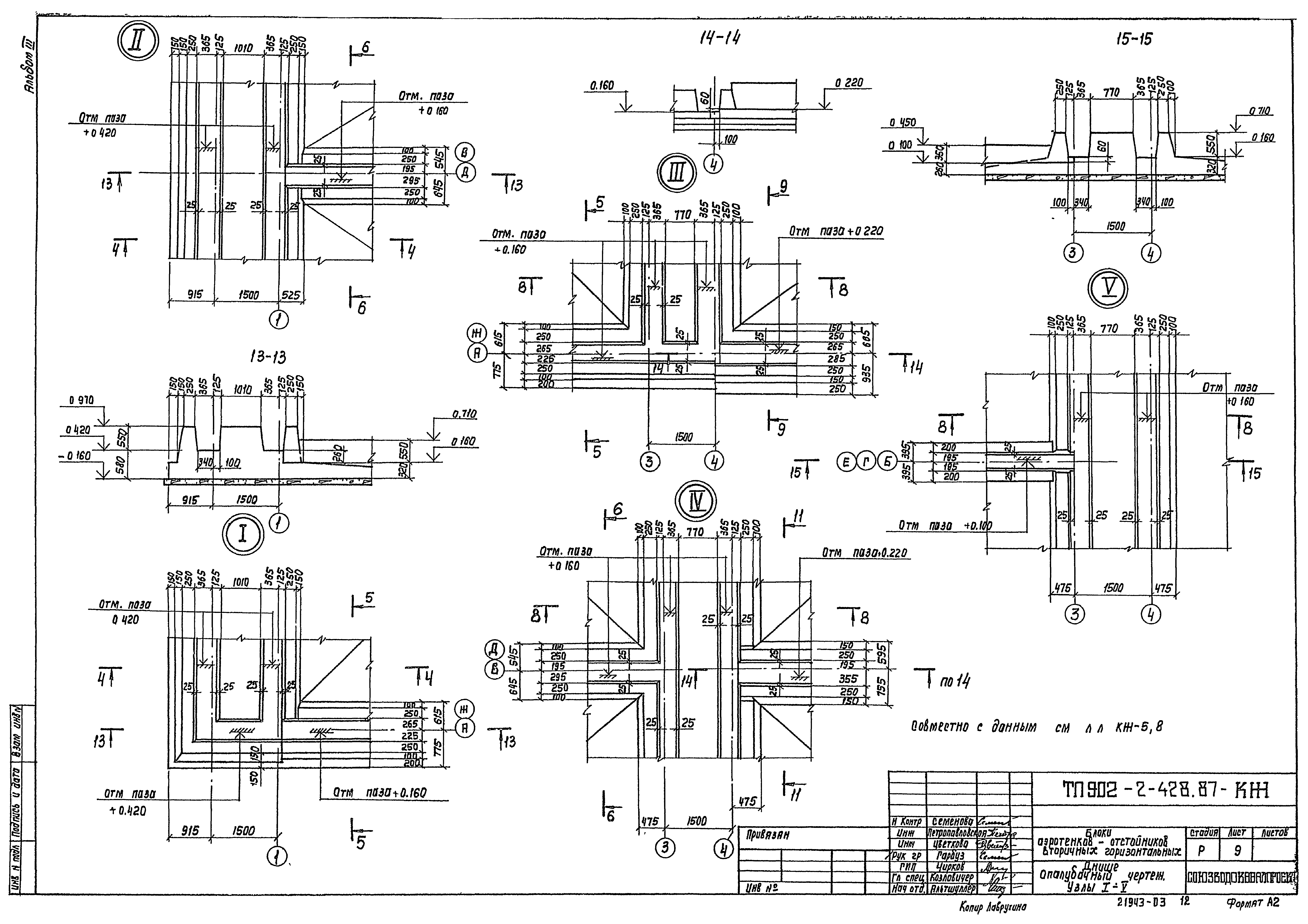
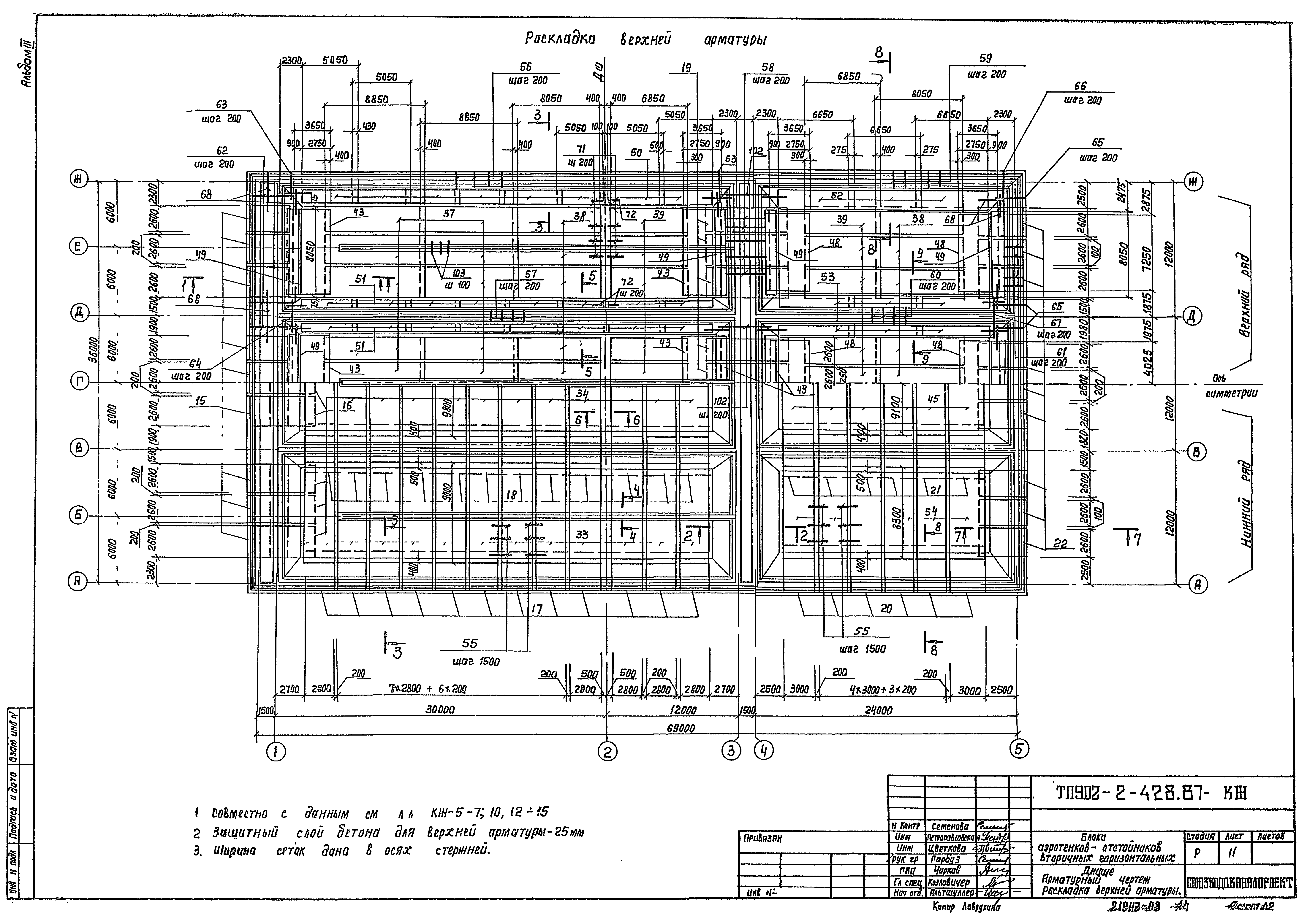
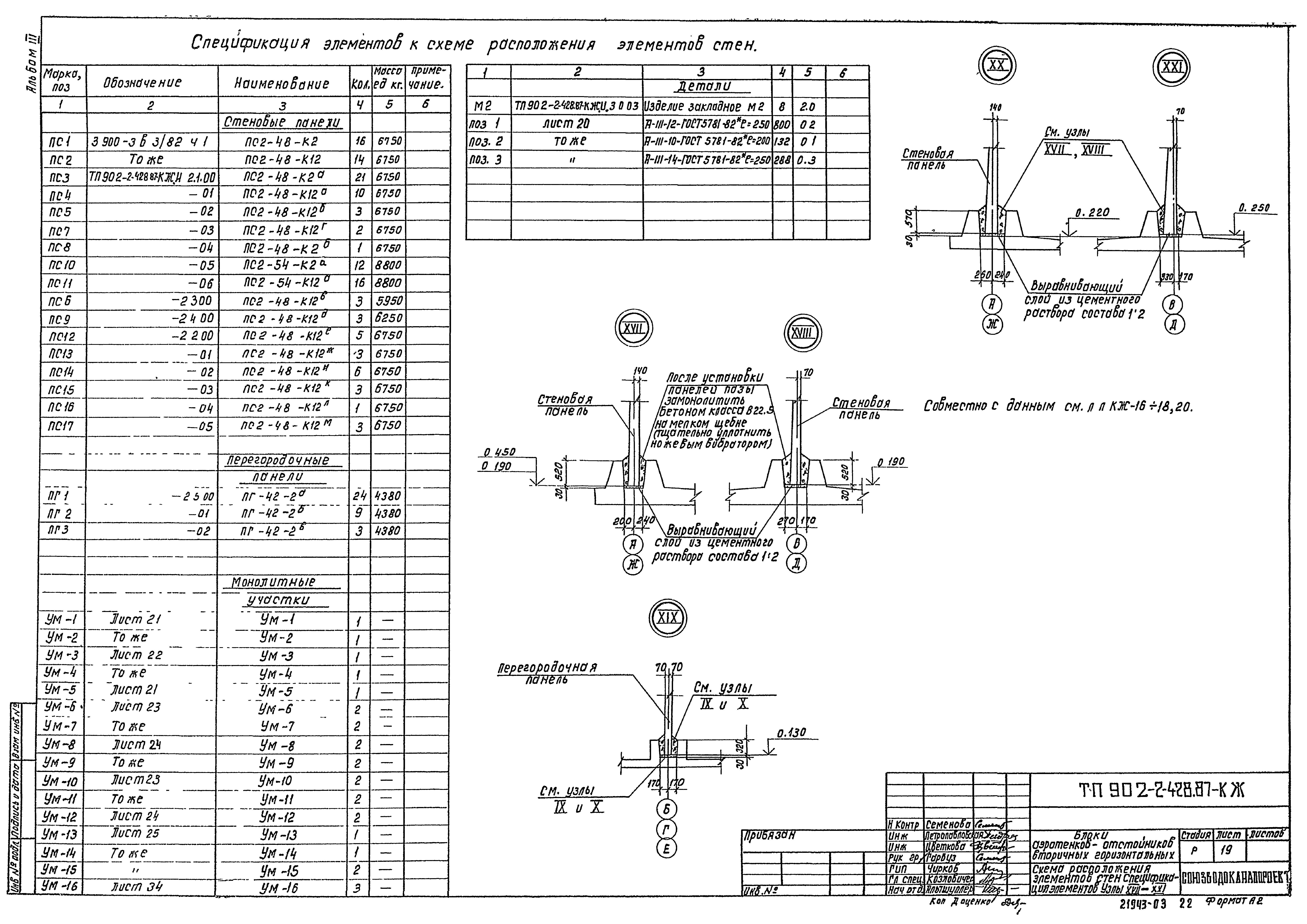
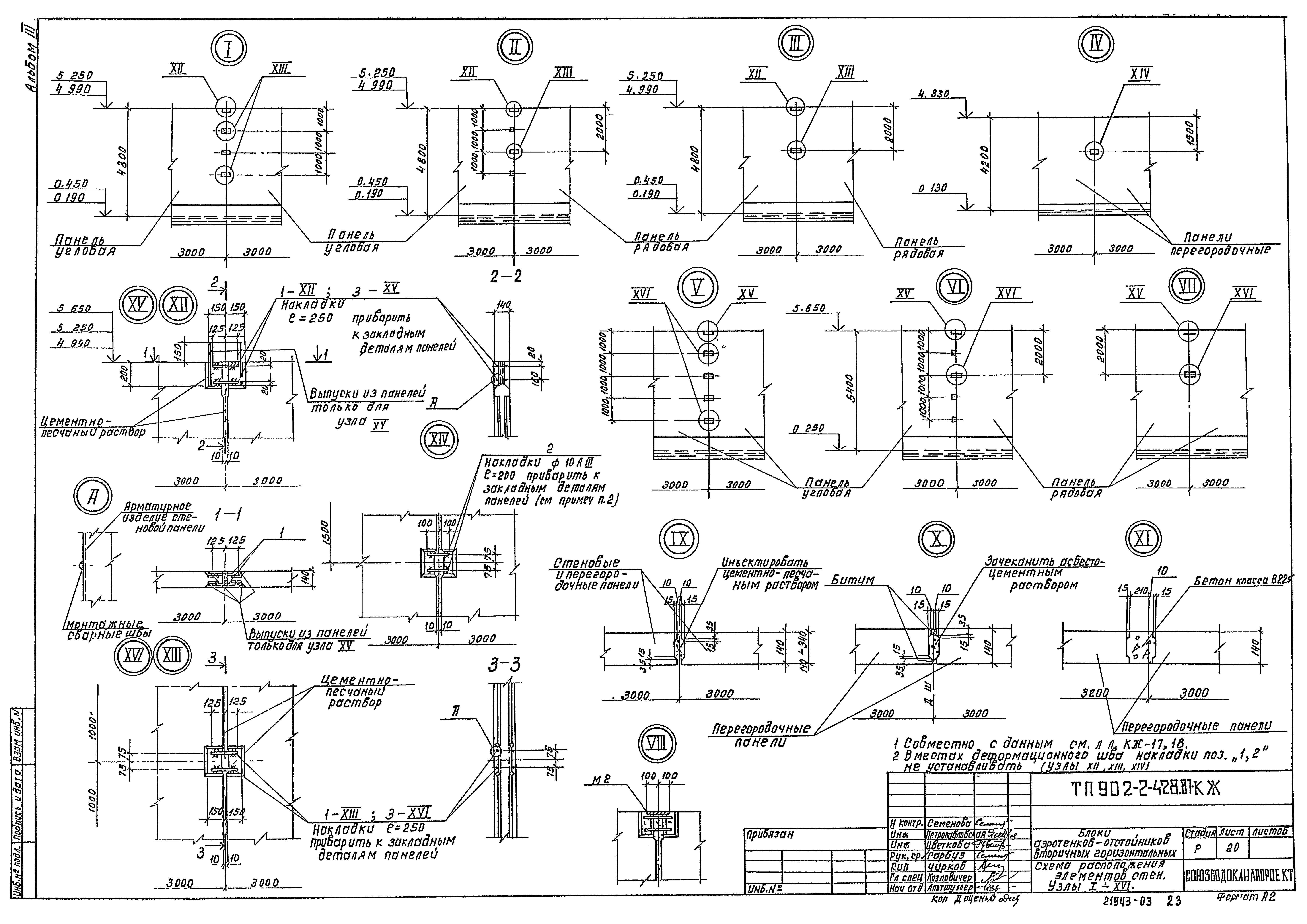
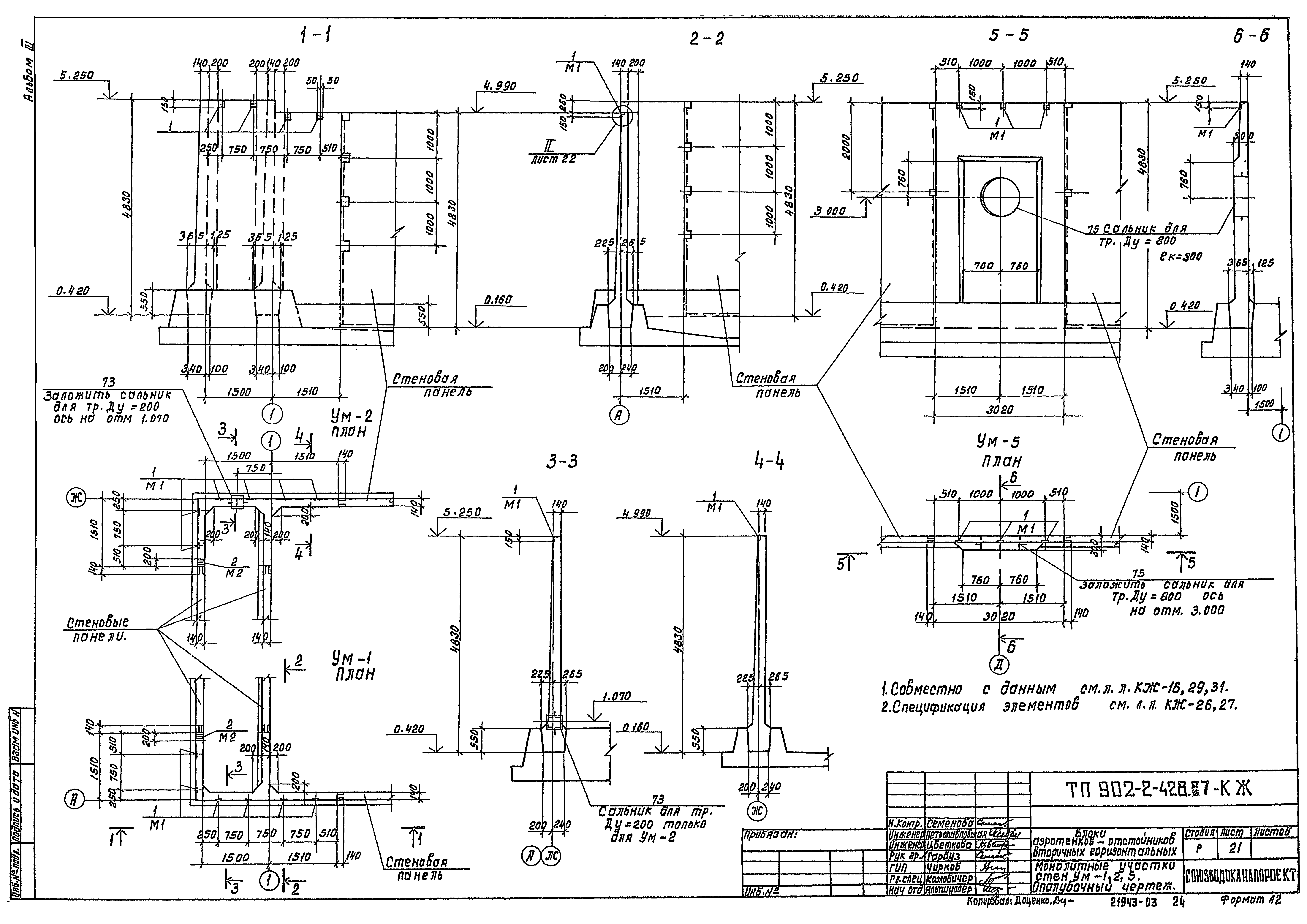
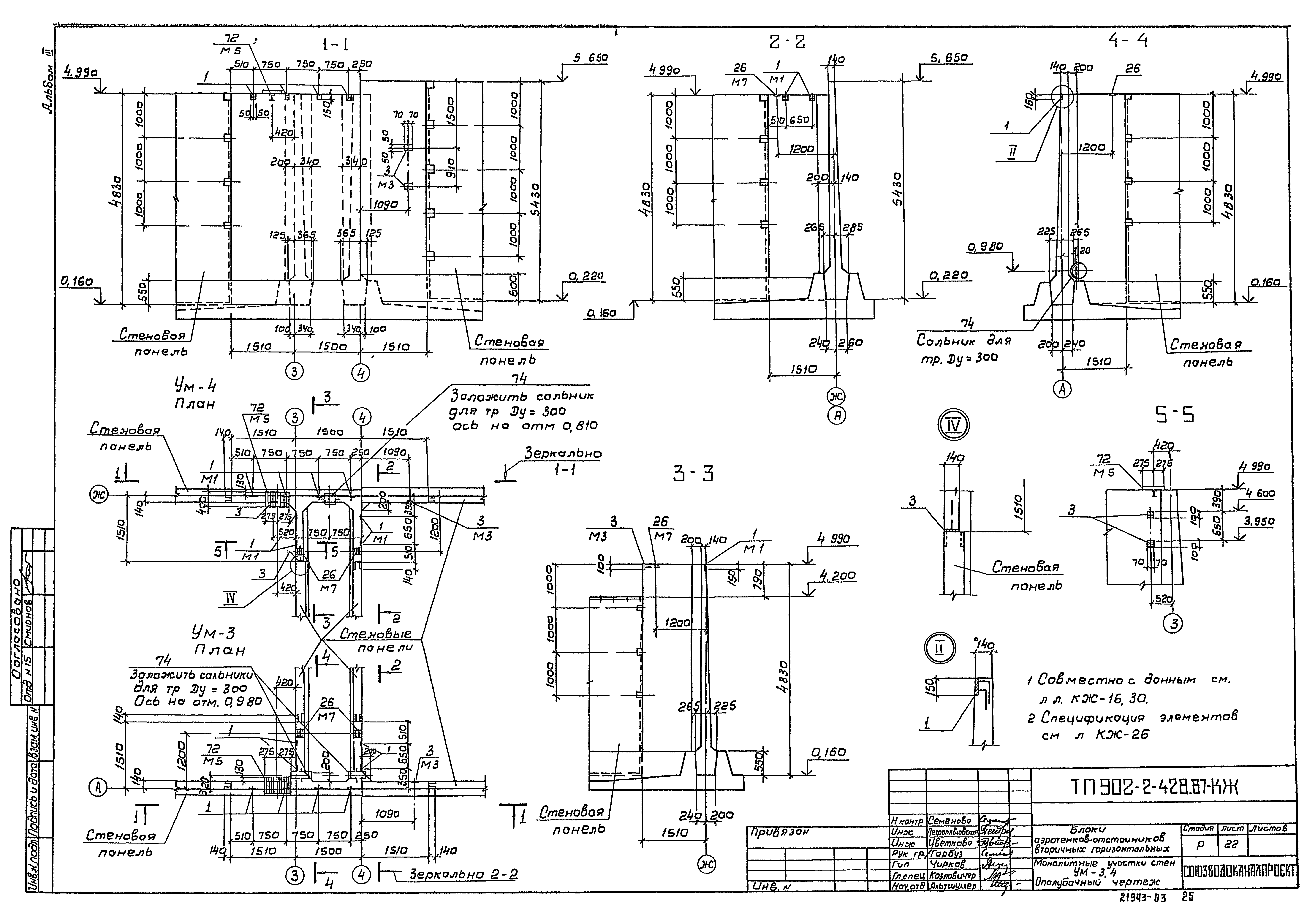
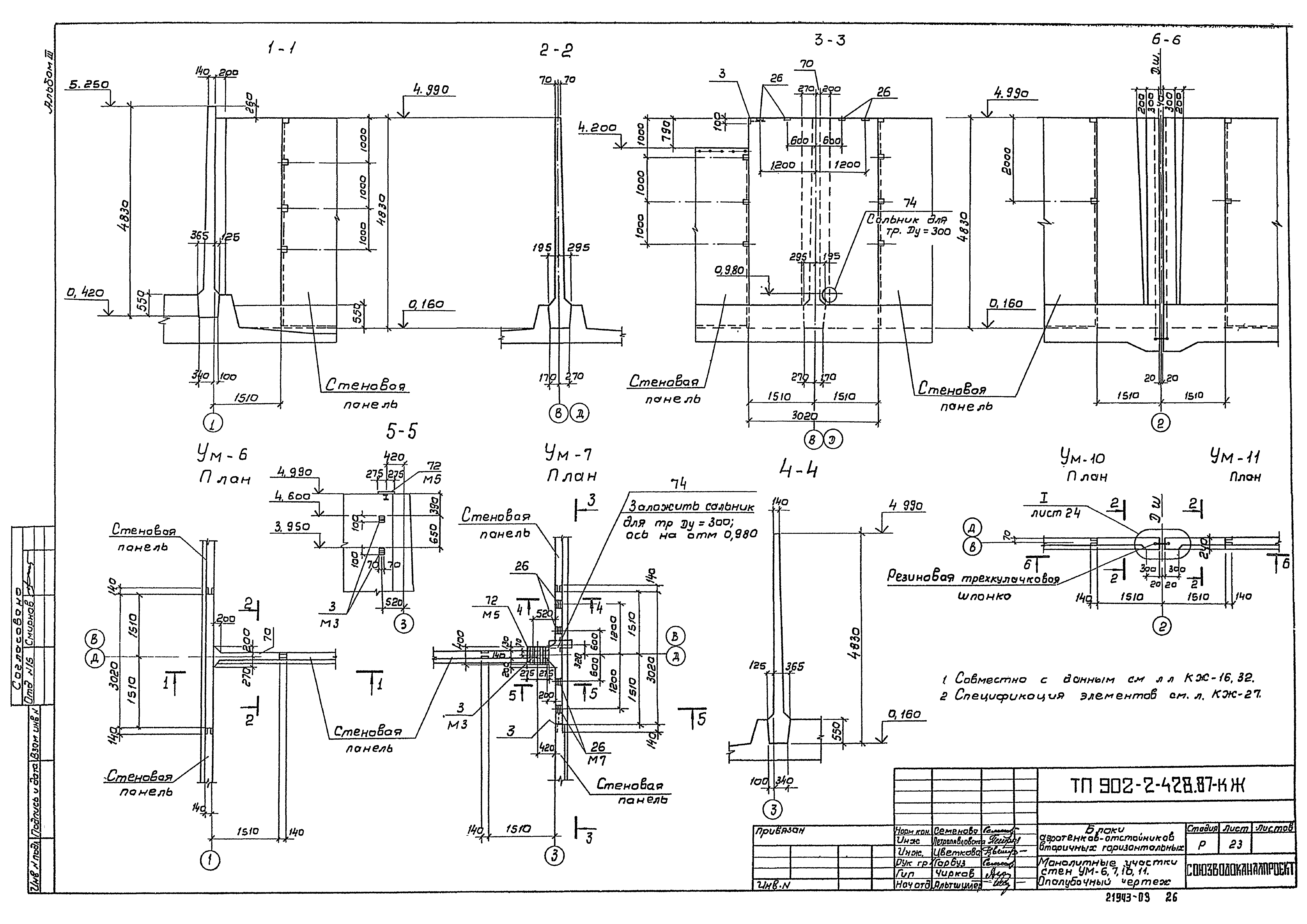
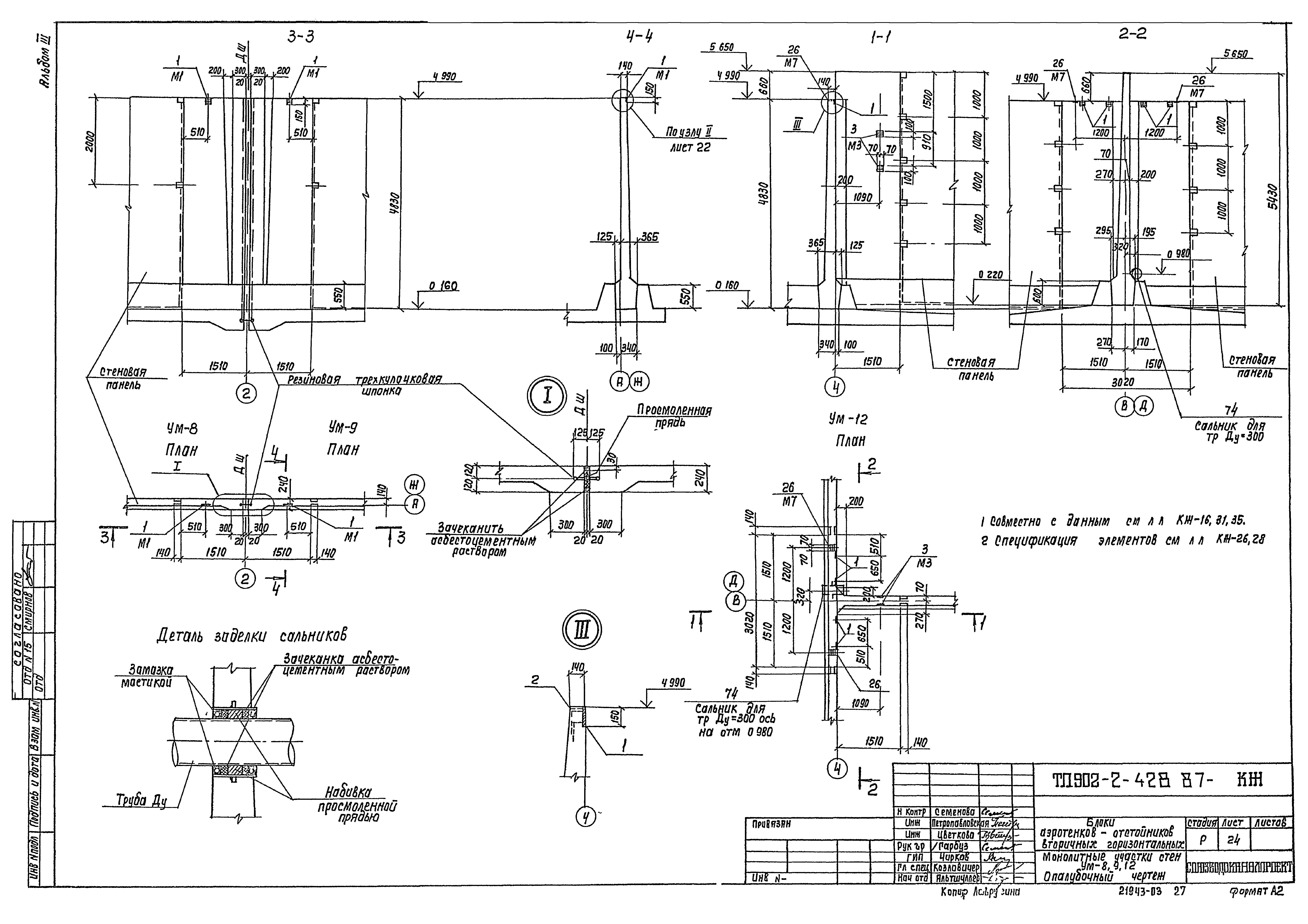
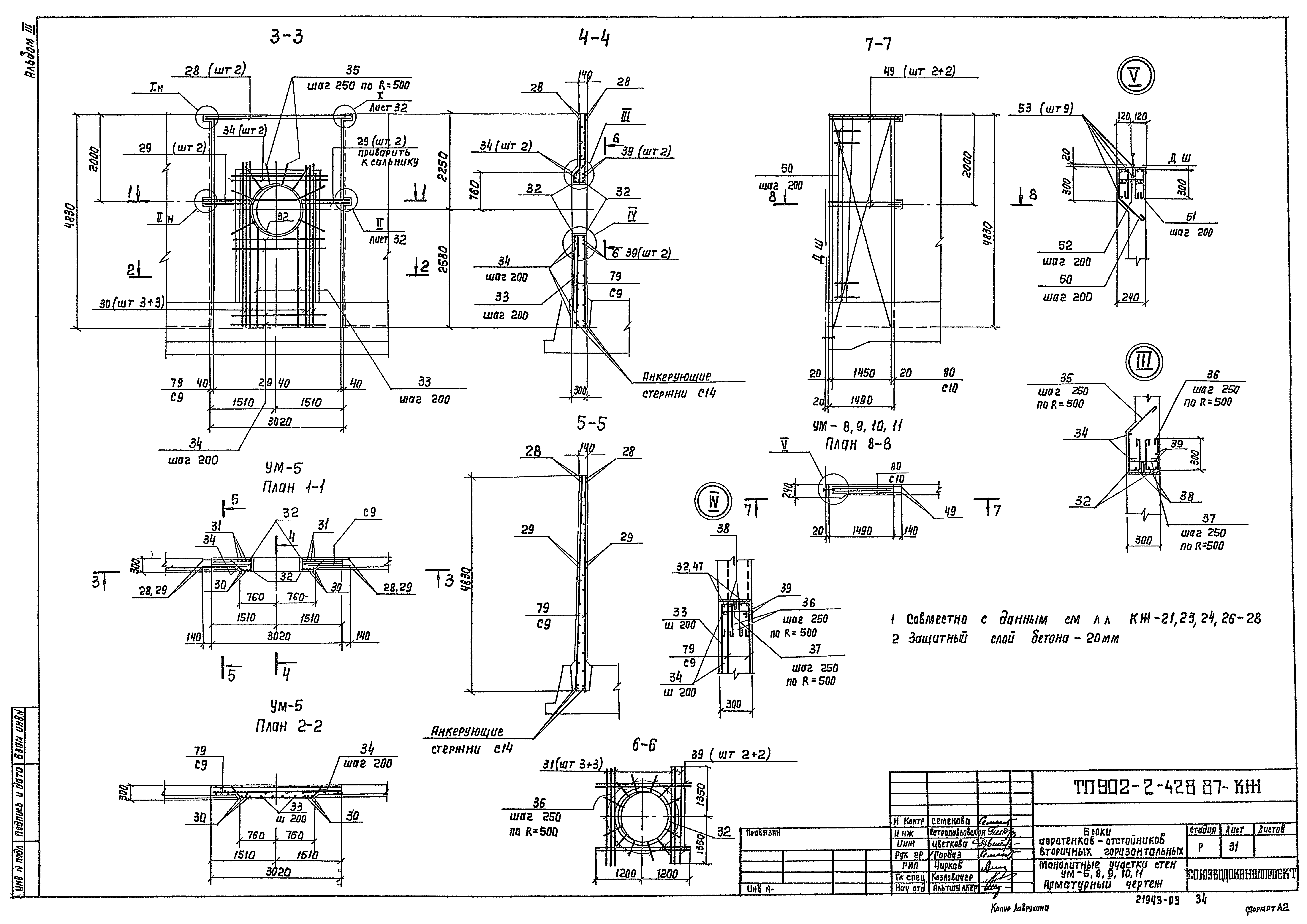
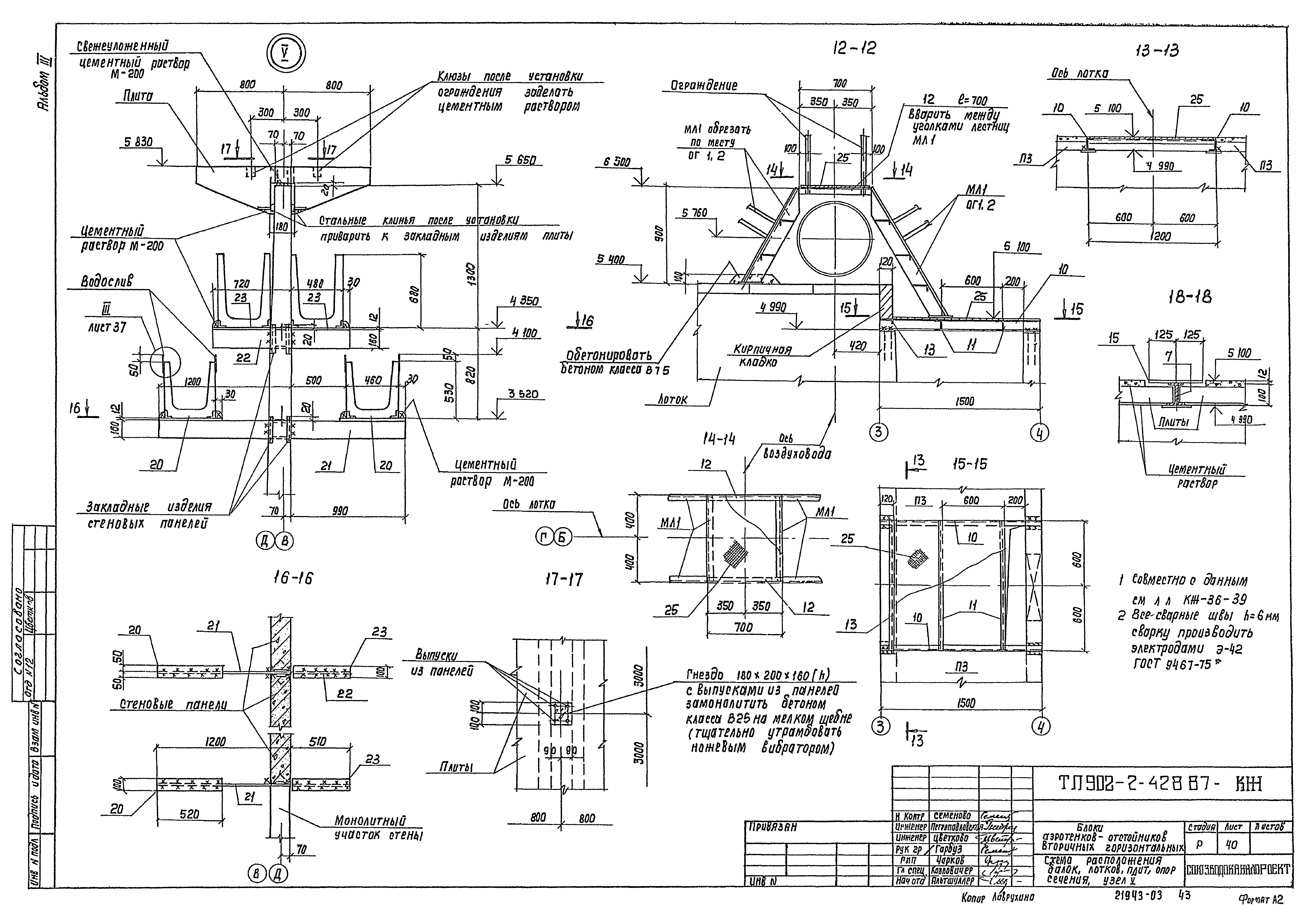
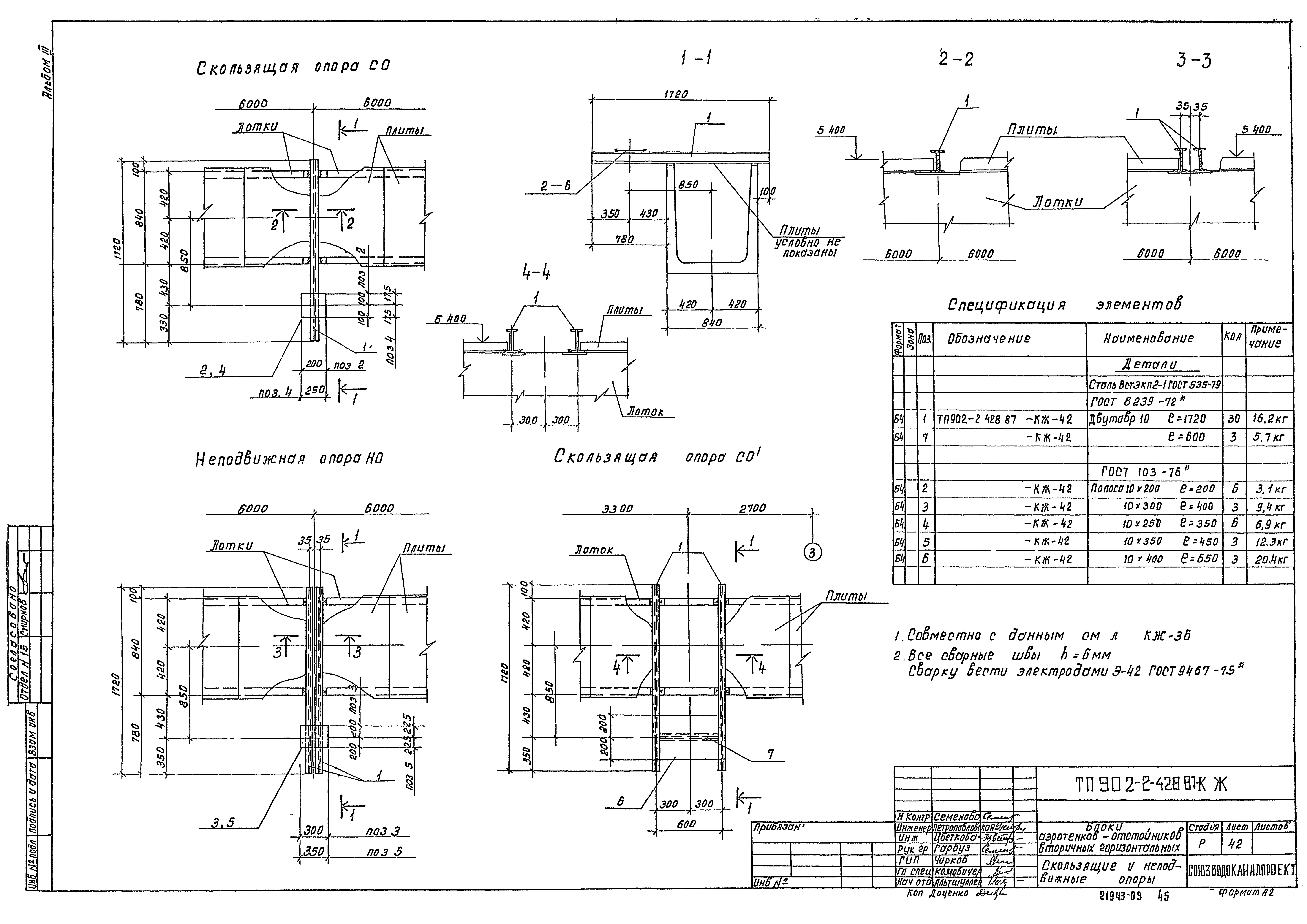
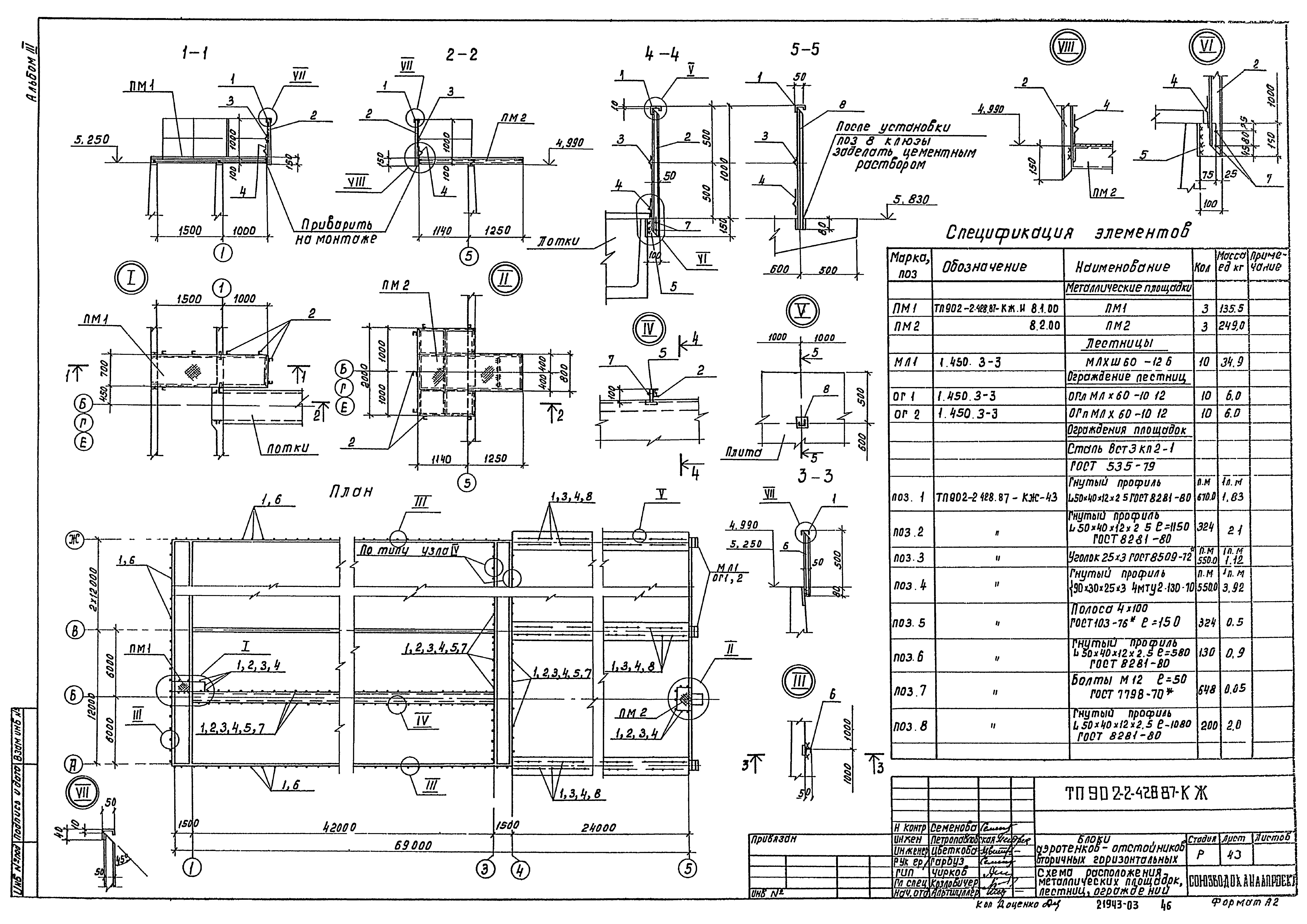
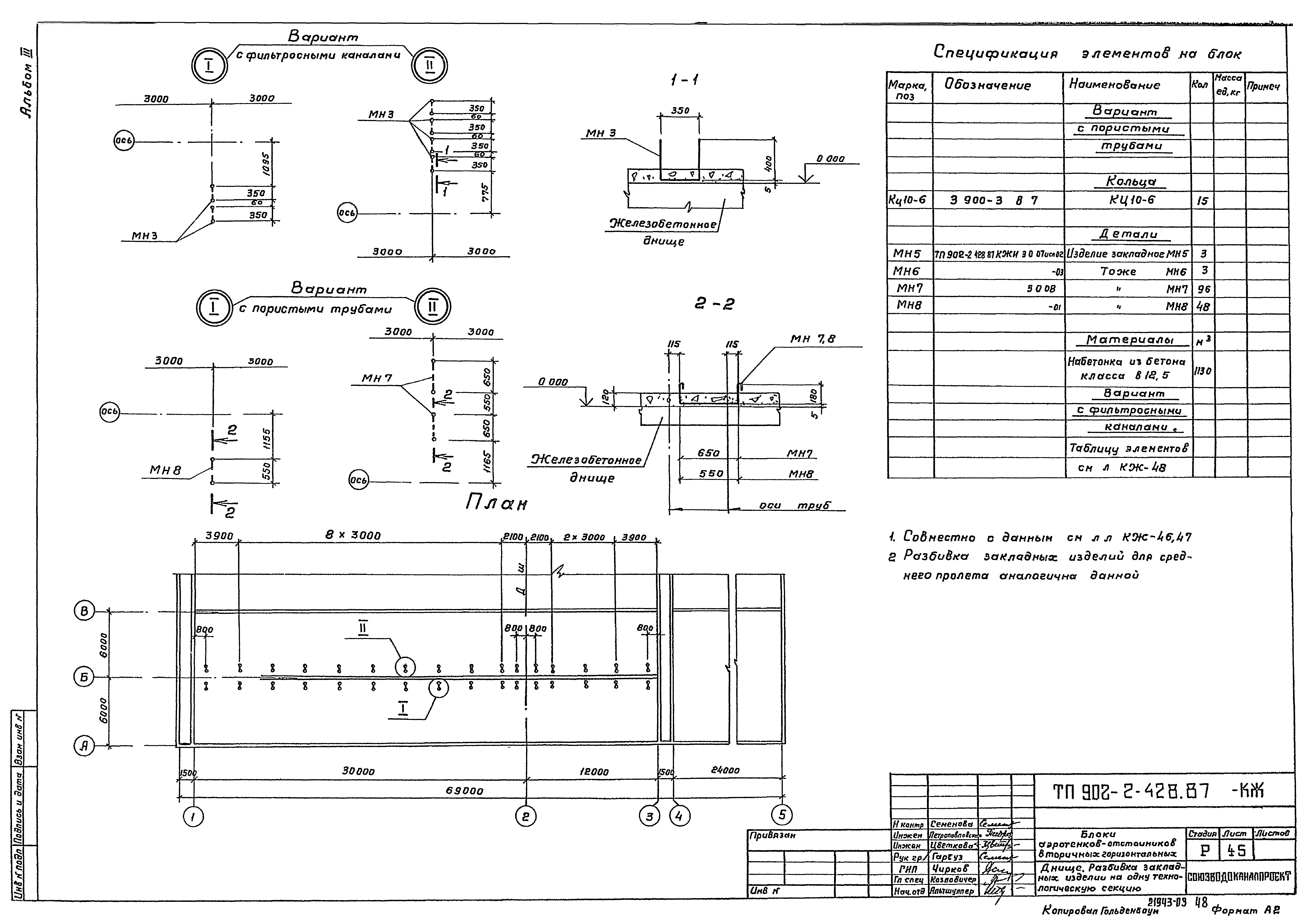
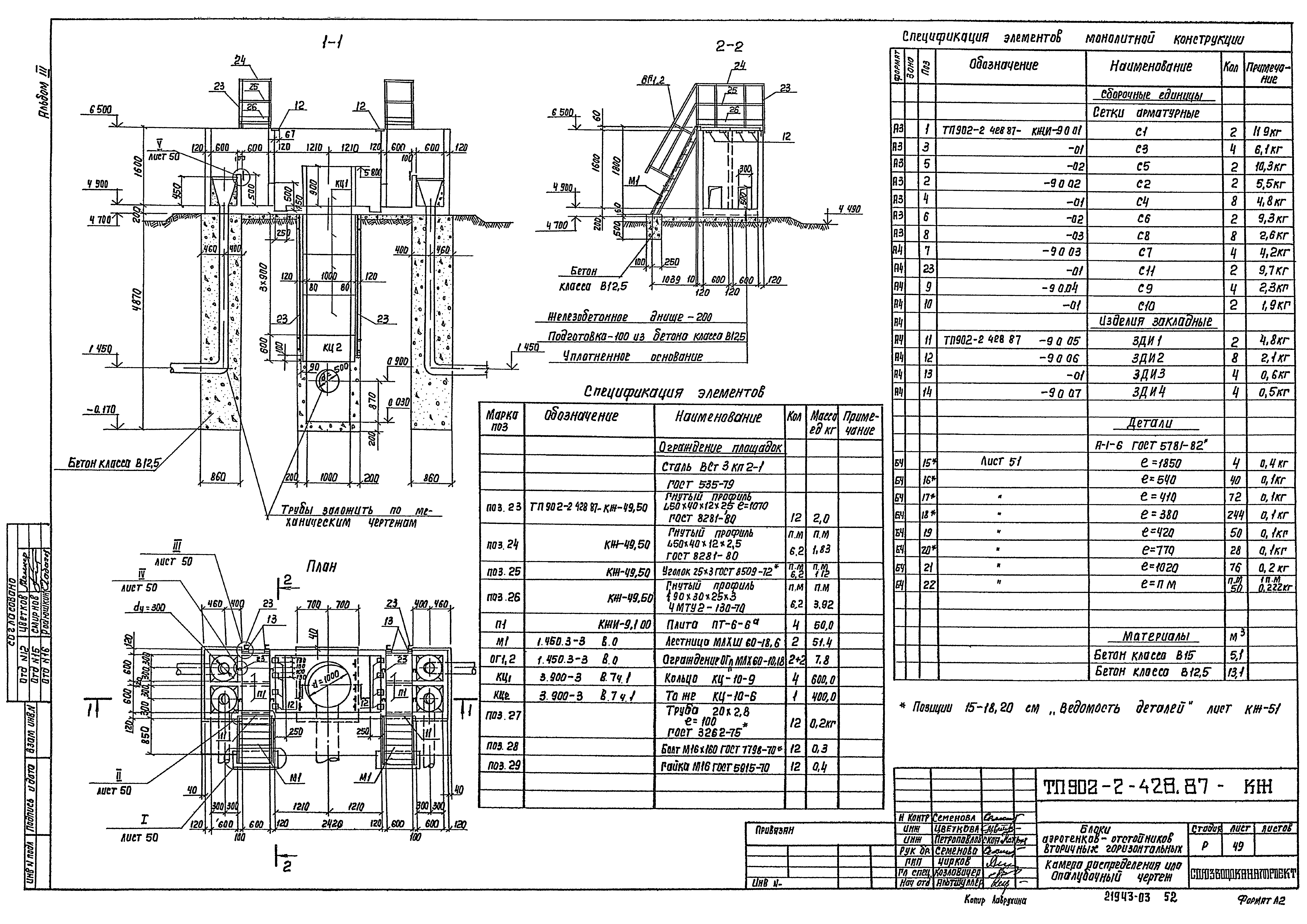
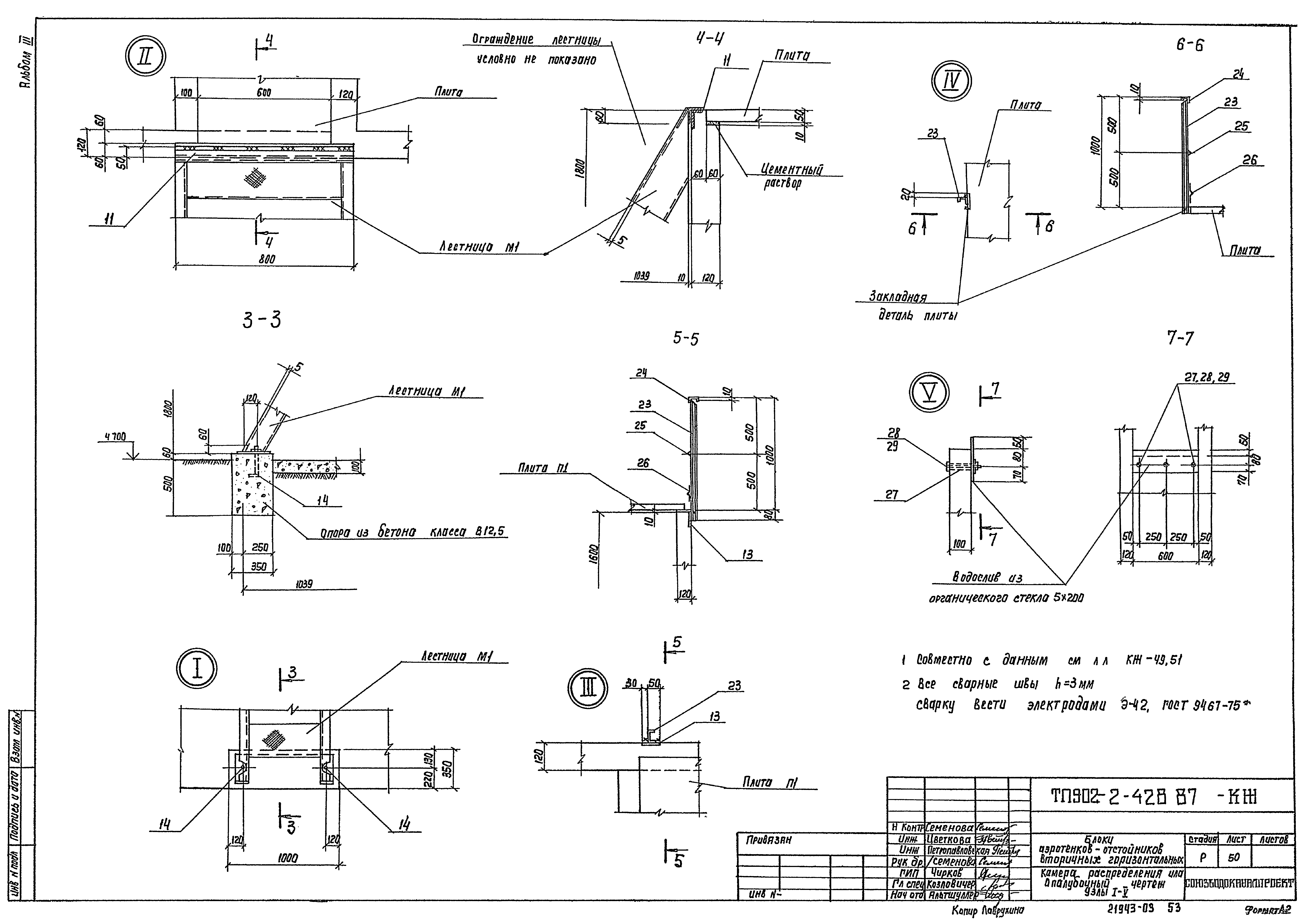
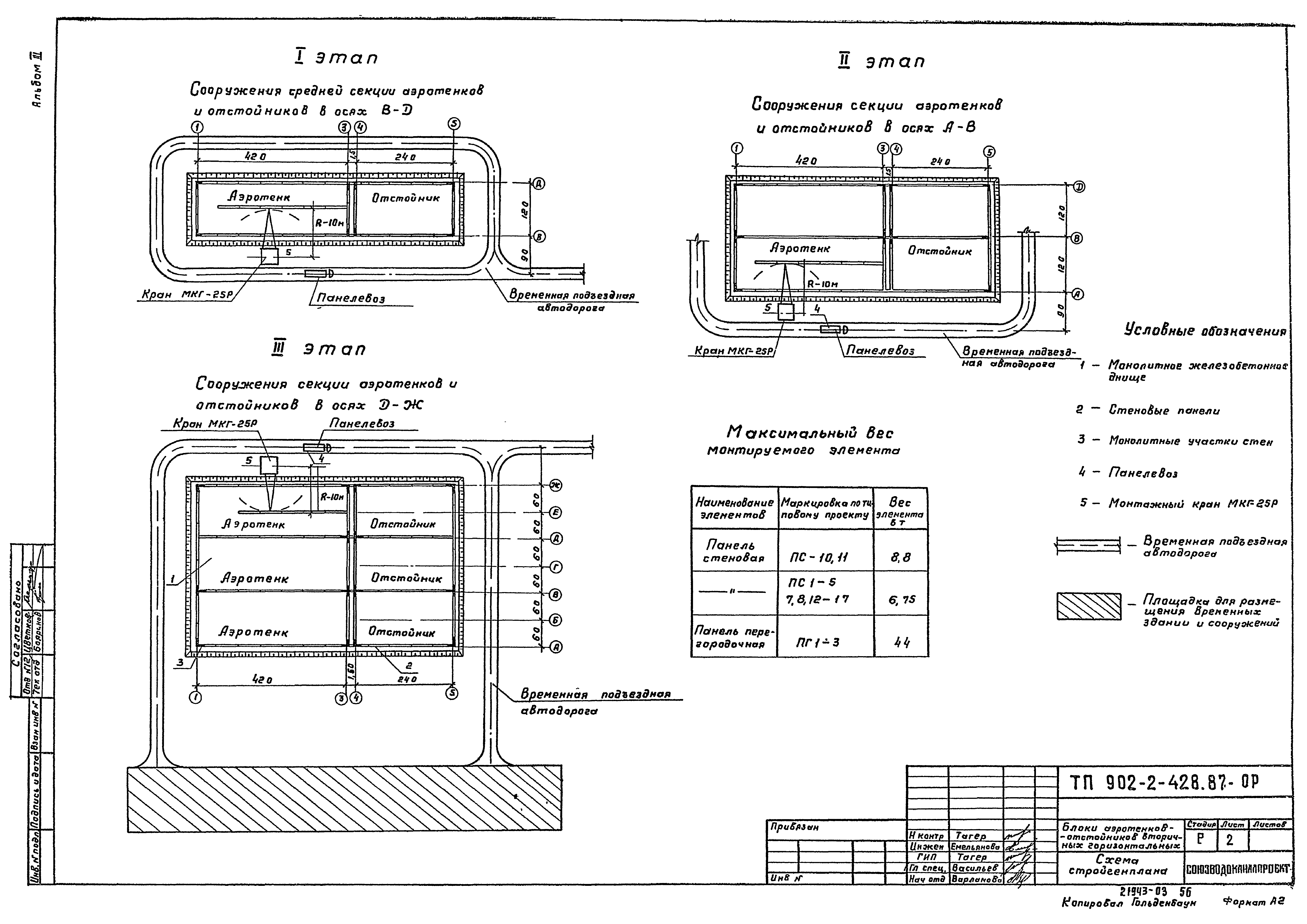
| Оглавление: | Содержание альбома Общие данные План Разрезы 1-1, 2-2 Разрез 3-3, сечения Днище. Опалубочный чертеж. План, сечения 1-1, 2-2 Днище. Опалубочный чертеж. Спецификация элементов Днище. Опалубочный чертеж. Узлы 6, 7. Спецификация Днище. Опалубочный чертеж. Сечения 3-3…12-12 Днище. Опалубочный чертеж. Узлы 1…5 Днище. Арматурный чертеж. Раскладка нижней арматуры Днище. Арматурный чертеж. Раскладка верхней арматуры Днище. Арматурный чертеж. Сечения 1-1…4-4 Днище. Арматурный чертеж. Сечения 5-5…9-9 Днище. Арматурный чертеж. Раскладка каркасов. Узлы 1…4 Днище. Арматурный чертеж. Узлы 5…7. Ведомость деталей Схема расположения элементов стен. План Схема расположения элементов стен. Виды 1-1…3-3 Схема расположения элементов стен. Виды 4-4…9-9 Схема расположения элементов стен. Спецификация элементов. Узлы 17…21 Схема расположения элементов стен. Узлы 1…16 Монолитные участки стен Ум-1, 2, 5. Опалубочный чертеж Монолитные участки стен Ум-3, 4. Опалубочный чертеж Монолитные участки стен Ум-6, 7, 10, 11. Опалубочный чертеж Монолитные участки стен Ум-8, 9, 12. Опалубочный чертеж Монолитные участки стен Ум-13, 14, 15. Опалубочный чертеж Спецификация монолитных участков стен Ум-1, 2, 3, 4, 8, 9 Спецификация монолитных участков стен Ум-5, 6, 7, 10, 11, 16 Спецификация монолитных участков стен Ум-12, 13, 14, 15 Монолитные участки стен Ум-1, 2. Арматурный чертеж Монолитные участки стен Ум-3, 4. Арматурный чертеж Монолитные участки стен Ум-5, 8, 9, 10, 11. Арматурный чертеж Монолитные участки стен Ум-6, 7. Арматурный чертеж Монолитные участки стен Ум-13, 14. Арматурный чертеж. Ведомость деталей Монолитный участок стен Ум-16. Арматурно-опалубочный чертеж Монолитные участки стен Ум-12, 15. Арматурный чертеж. Ведомость расхода стали Схема расположения балок, лотков, плит, опор. План Схема расположения балок, лотков, плит, опор. Узлы 1…3 Схема расположения балок, лотков, плит, опор. Фрагменты планов №1, 2 Схема расположения балок, лотков, плит, опор. Сечения, узел 4 Схема расположения балок, лотков, плит, опор. Сечения, узел 5 Схема расположения балок, лотков, плит, опор. Узел 6, спецификация элементов Скользящие и неподвижные опоры Схема расположения металлических площадок, лестниц, ограждений Конструкция водослива Днище, разбивка закладных изделий на одну технологическую секцию Днище. План набетонки и фильтроносных каналов на одну технологическую секцию Днище. План набетонки под пористые трубы на одну технологическую секцию Днище. Фильтроносные каналы. Узлы, детали Камера распределения ила. Опалубочный чертеж Камера распределения ила. Опалубочный чертеж. Узлы 1…5 Камера распределения ила. Арматурный чертеж Общие данные Схема стройгенплана График производства работ для первой очереди строительства График производства работ для второй очереди строительства График производства работ для третьей очереди строительства |
| Разработан: | Союзводоканалпроект |
| Утверждён: | 18.07.1986 Госстрой СССР (Государственный комитет Совета Министров СССР по делам строительства) (USSR Gosstroy АЧ-42) |



























































