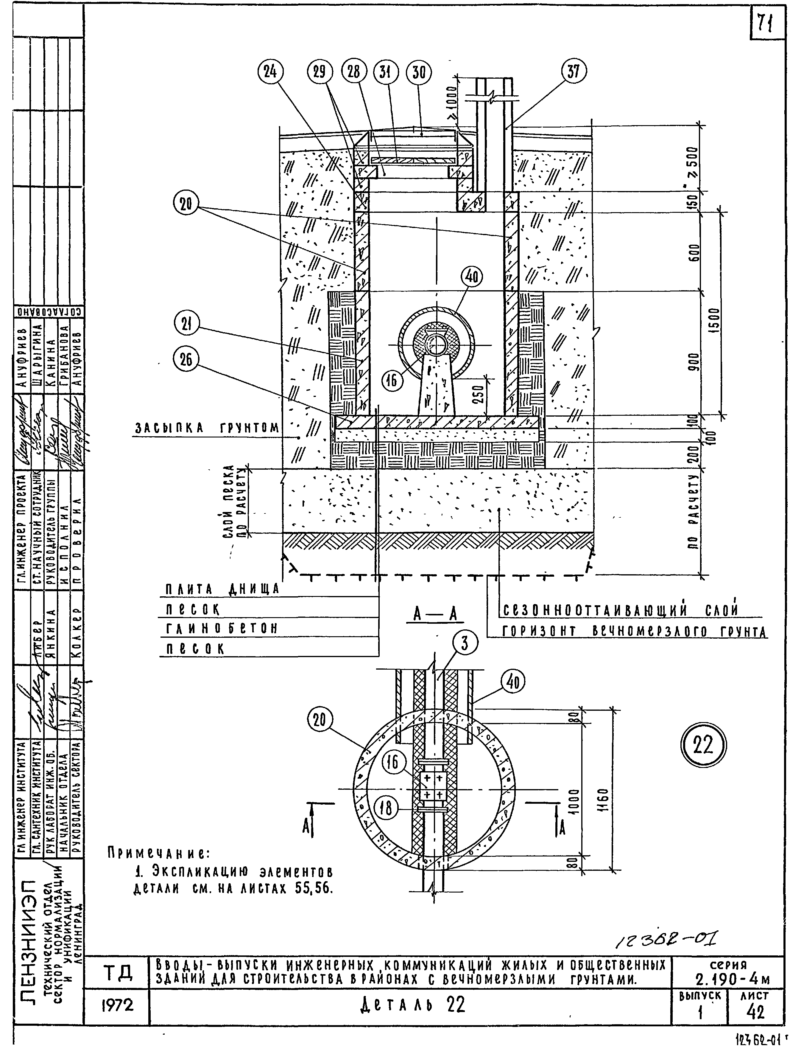
Скачать Серия 2.190-4м Выпуск 1Дата актуализации: 01.01.2021
|
| Обозначение: | Серия 2.190-4м |
| Обозначение англ: | Series 2.190-4м |
| Статус: | не определен законодательством |
| Название рус.: | Выпуск 1 |
| Дата добавления в базу: | 01.09.2013 |
| Дата актуализации: | 01.01.2021 |
| Дата введения: | 10.09.1973 |
| Дата окончания срока действия: | 30.06.2003 |
| Разработан: | ЛенЗНИИЭП Госгражданстроя |
| Утверждён: | 10.09.1973 Государственный комитет по гражданскому строительству и архитектуре при Госстрое СССР (197) |























































































