Скачать Типовой проект 902-2-429.87 Альбом 1. Пояснительная запискаДата актуализации: 01.01.2021
|
| Обозначение: | Типовой проект 902-2-429.87 |
| Обозначение англ: | 902-2-429.87 |
| Статус: | не определен законодательством |
| Название рус.: | Альбом 1. Пояснительная записка |
| Дата добавления в базу: | 01.09.2013 |
| Дата актуализации: | 01.01.2021 |
| Дата введения: | 01.07.1987 |
| Дата окончания срока действия: | 30.06.2003 |
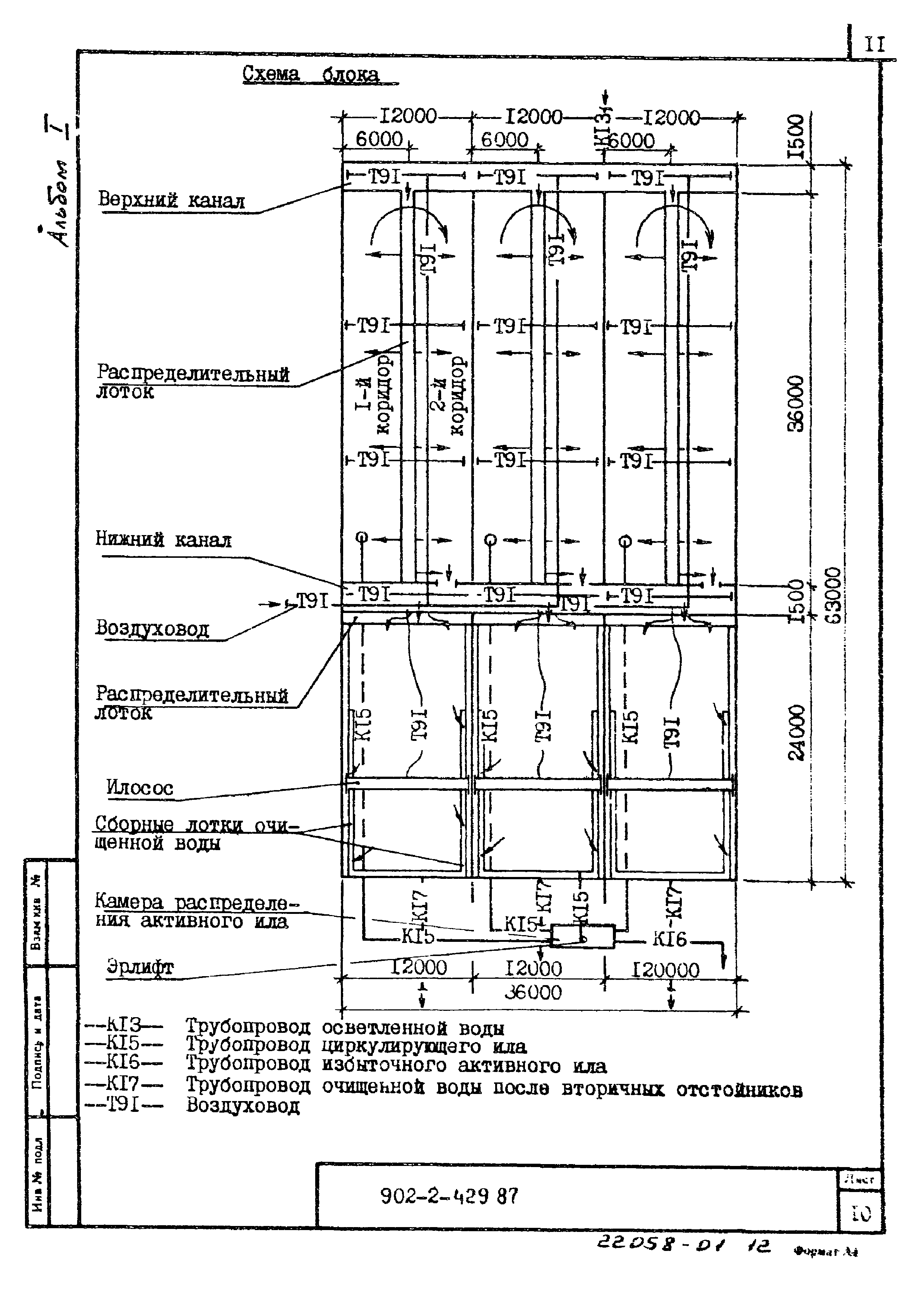
| Оглавление: | Технологическая часть Общая часть Принцип работы Расчет блока аэротенков-отстойников вторичных горизонтальных Строительная часть Общие сведения Основные расчетные положения Материалы конструкций Мероприятия по защите от коррозии Основные положения по производству работ Общие сведения Подготовительные работы Земляные работы Бетонные и железобетонные работы (бетонная подготовка, днище, монолитные участки стен) Монтаж сборных железобетонных элементов Гидравлические испытания Особенности производства работ в зимнее время Техника безопасности Электрооборудование, автоматизация и технологический контроль Общие положения Электроснабжение Силовое электрооборудование Управление двигателем механизма движения тележки илососа отстойника Технологический контроль Электрическое освещение Зануление Молниезащита Указания по привязке проекта |
| Разработан: | Союзводоканалпроект |
| Утверждён: | 13.01.1987 Госстрой СССР (Государственный комитет Совета Министров СССР по делам строительства) (USSR Gosstroy А4-5) |







































