Скачать Типовой проект 905-1-24.87 Альбом 6. СметыДата актуализации: 01.01.2021
|
| Обозначение: | Типовой проект 905-1-24.87 |
| Обозначение англ: | 905-1-24.87 |
| Статус: | не определен законодательством |
| Название рус.: | Альбом 6. Сметы |
| Дата добавления в базу: | 01.09.2013 |
| Дата актуализации: | 01.01.2021 |
| Дата введения: | 01.10.1987 |
| Дата окончания срока действия: | 30.06.2003 |
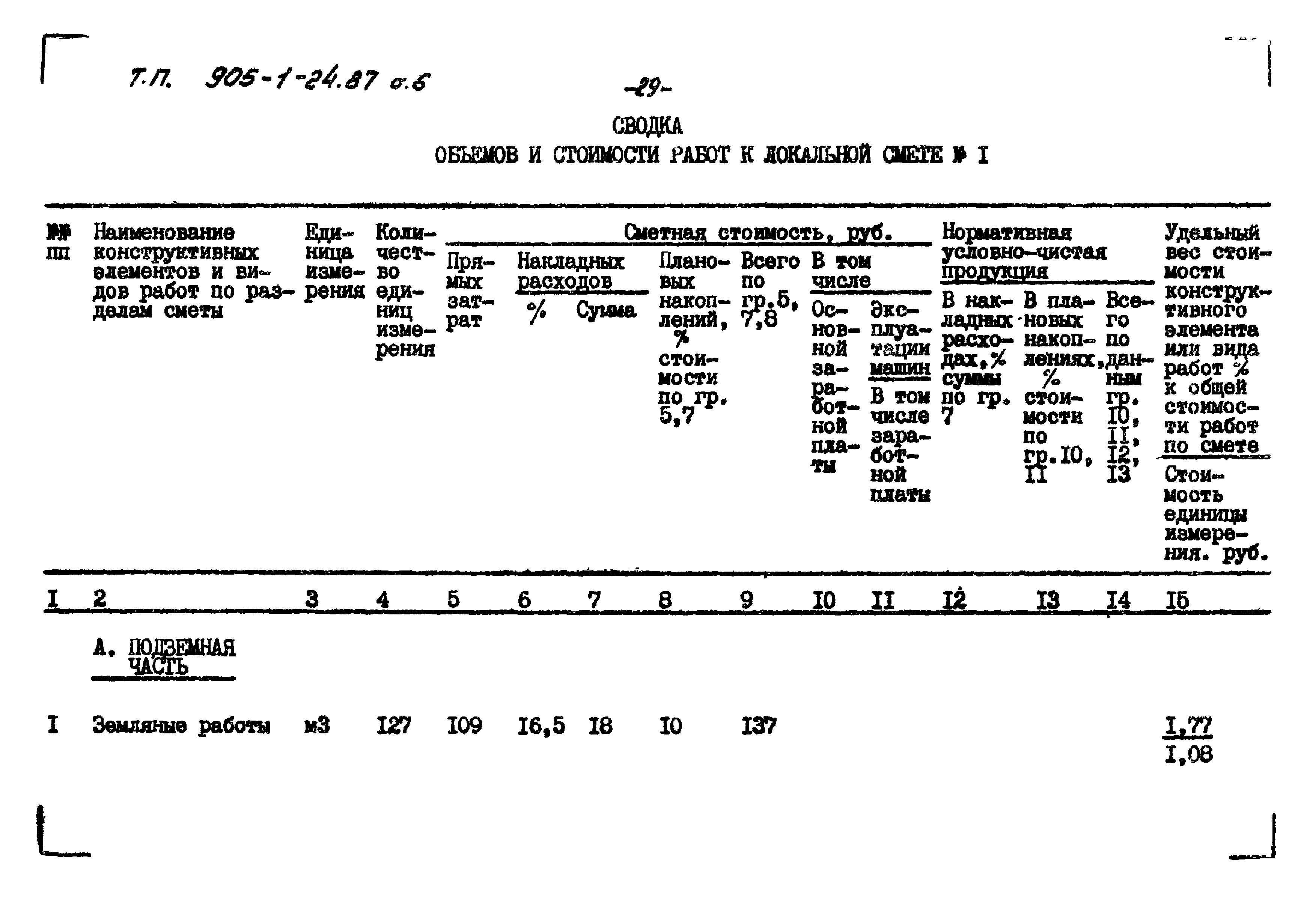
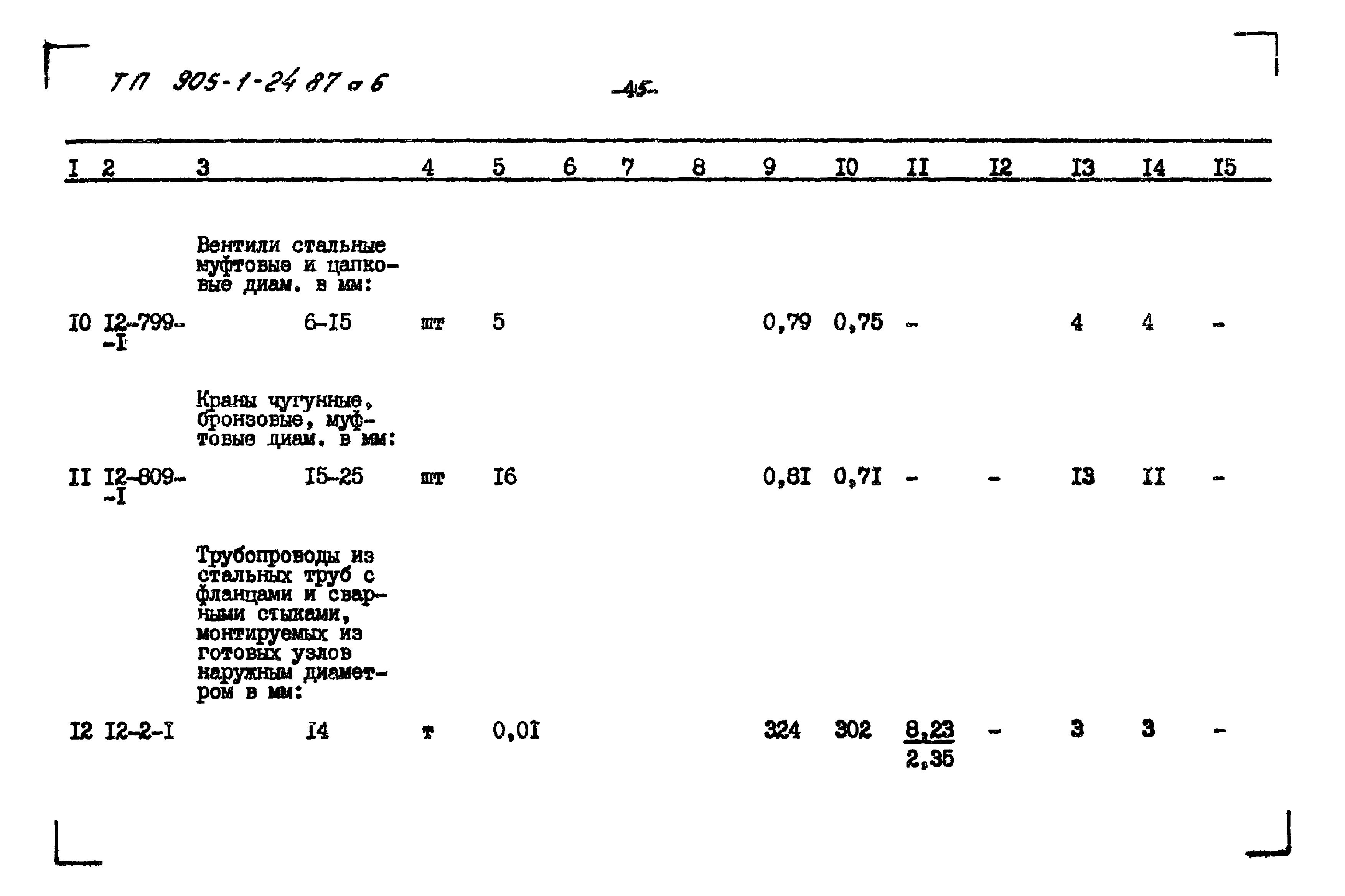
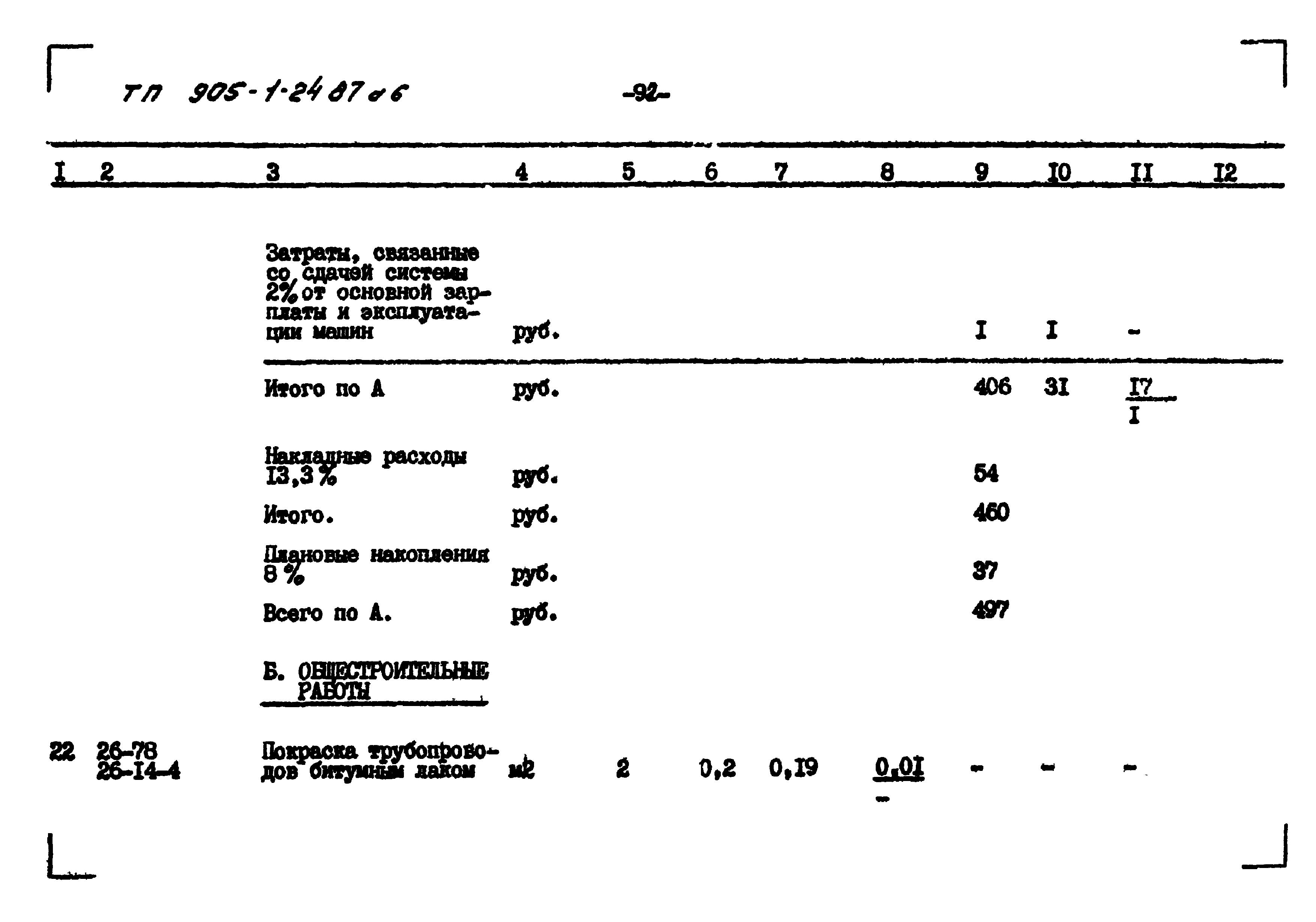
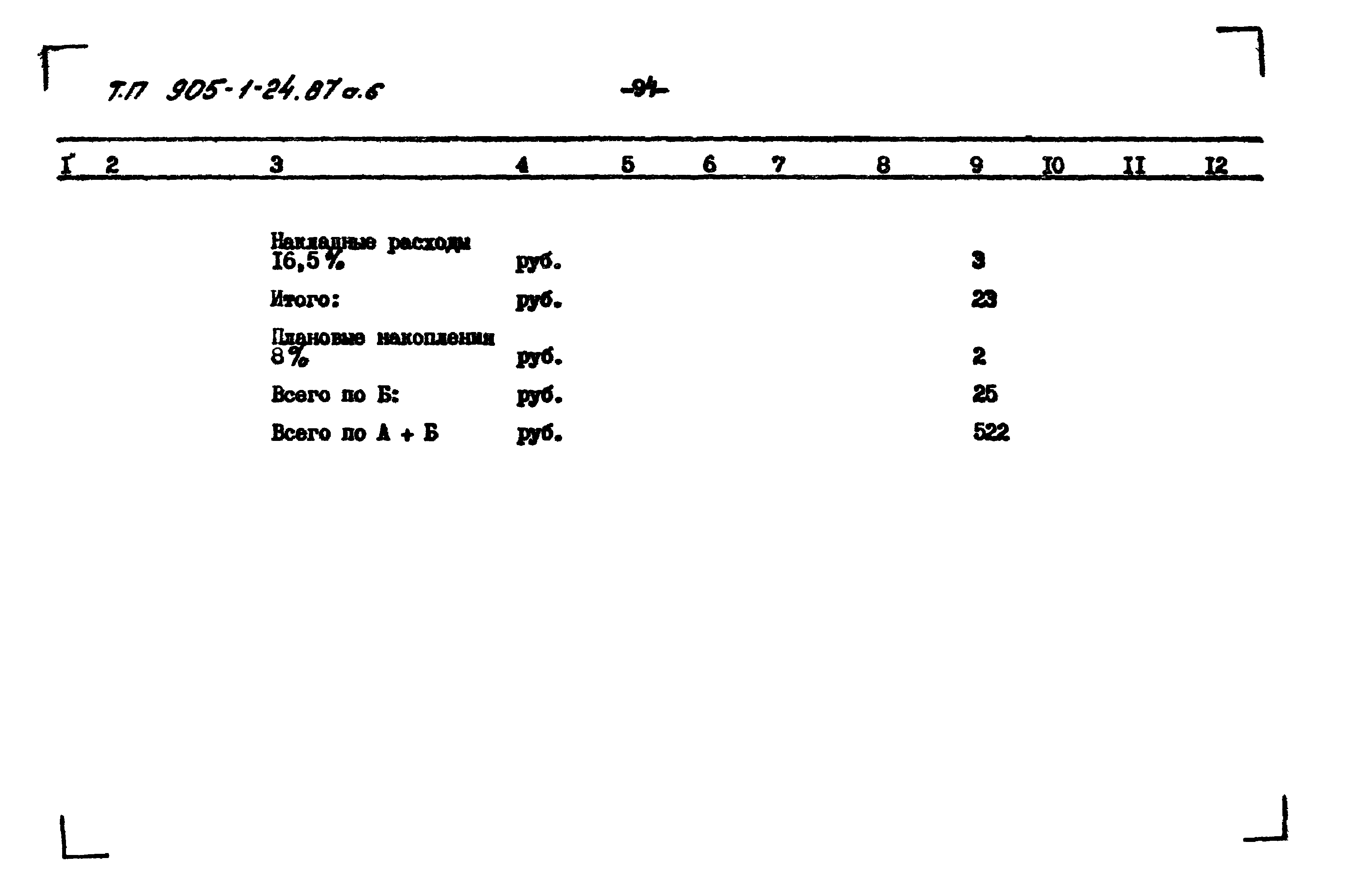
| Оглавление: | Пояснительная записка Объектная смета Смета №1. Строительство здания Дополнения и изменения к смете №1 Смета №2. Приобретение и монтаж газового оборудования и КИП Дополнения и изменения к смете №2 Смета №3. Отопление от отопительного аппарата и вентиляция Дополнения и изменения к смете №3 Смета №3а. Отопление от наружных тепловых сетей и вентиляция Дополнения и изменения к смете №3а Смета №4. Электроосвещение и молниезащита Смета №5. Связь Ведомость потребности в производственных ресурсах |
| Разработан: | Мосгазниипроект Мосгорисполкома |
| Утверждён: | 20.04.1987 Госстрой СССР (Государственный комитет Совета Министров СССР по делам строительства) (USSR Gosstroy АЧ-46) |































































































































