Скачать Типовой проект 903-1-223.86 Альбом 1. Пояснительная запискаДата актуализации: 01.01.2021
|
| Обозначение: | Типовой проект 903-1-223.86 |
| Обозначение англ: | 903-1-223.86 |
| Статус: | не определен законодательством |
| Название рус.: | Альбом 1. Пояснительная записка |
| Дата добавления в базу: | 01.09.2013 |
| Дата актуализации: | 01.01.2021 |
| Дата введения: | 01.06.1986 |
| Дата окончания срока действия: | 30.06.2003 |
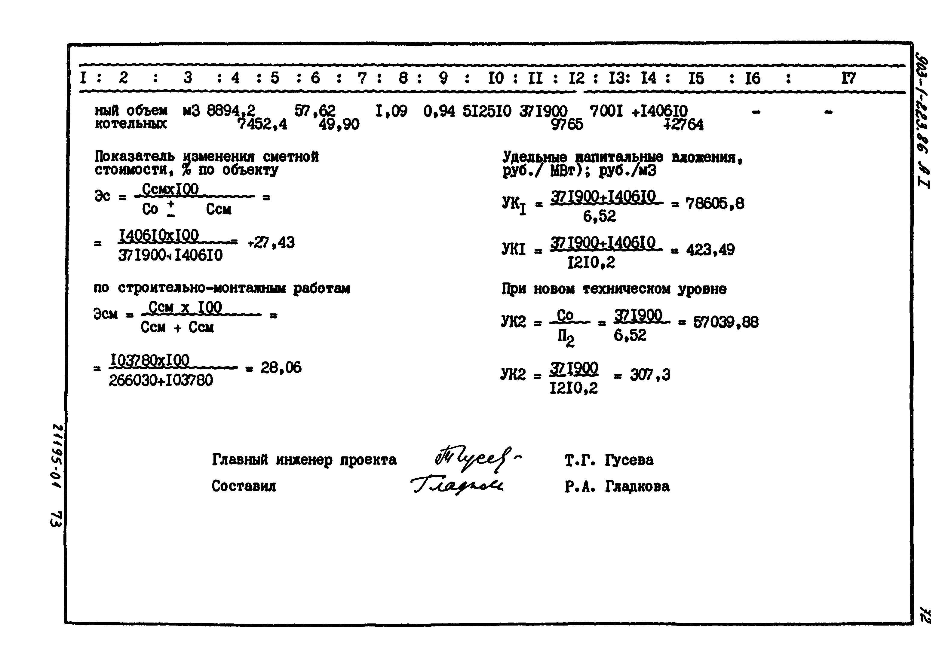
| Оглавление: | Общая часть Основания для разработки проекта Область применения Исходные данные Сравнения технико-экономических показателей разработанного проекта с показателями проекта-аналога Технико-экономическая часть Пояснительная записка Технико-экономические показатели Годовые эксплуатационные расходы Генеральный план Тепломеханическая часть Основные технические решения Производительность и характеристика котельной Компоновка котельной Водоподготовительная установка Реагентное хозяйство Топливоподача и шлакозолоудаление Схемы и состав систем топливоподачи и шлакозолоудаления Техническая характеристика систем топливоподачи и шлакозолоудаления Техника безопасности при эксплуатации систем топливоподачи и шлакозолоудаления Организация ремонтов Обслуживающий персонал Контроль и регулирование Общая часть Теплотехнический контроль Автоматическое регулирование Технологическая защита Сигнализация и управление Щит управления Питание электроэнергией Установка и монтаж аппаратуры Указание по привязке проекта Электротехническая часть Общая часть Электроснабжение Силовое электрооборудование Управление механизмами топливоподачи и шлакозолоудаление Топливоподача Шлакозолоудаление Электроосвещение Заземление. Молниезащита Связь и сигнализация Пожарная сигнализация в галерее топливоподачи Архитекурно-строительная часть Исходные данные Объемно-планировочные решения Конструктивные решения Антикоррозийная защита Противопожарные мероприятия Мероприятия по снижению сметной стоимости и экономии основных строительных материалов Указания по применению проекта Отопление и вентиляция Отопление Вентиляция Водоснабжение и канализация Хозяйственно-питьевой (противопожарный) водопровод Водопровод горячей воды Система повторного использования воды Канализация бытовая Производственная канализация Производственная канализация механически загрязненных вод Использование вторичных энергоресурсов Мероприятия по охране окружающей среды Мероприятия по охране труда Показатели изменения сметной стоимости СМР, затрат труда и расходы основных строительных материалов при применении достижений науки, техники и передового опыта |
| Разработан: | Горьковский Сантехпроект |
| Утверждён: | 13.03.1986 Госстрой СССР (Государственный комитет Совета Министров СССР по делам строительства) (USSR Gosstroy А4-15) |











































































