Скачать Типовой проект 903-1-223.86 Альбом 16. Книга 3. СметыДата актуализации: 01.01.2021
|
| Обозначение: | Типовой проект 903-1-223.86 |
| Обозначение англ: | 903-1-223.86 |
| Статус: | не определен законодательством |
| Название рус.: | Альбом 16. Книга 3. Сметы |
| Дата добавления в базу: | 01.09.2013 |
| Дата актуализации: | 01.01.2021 |
| Дата введения: | 01.06.1986 |
| Дата окончания срока действия: | 30.06.2003 |
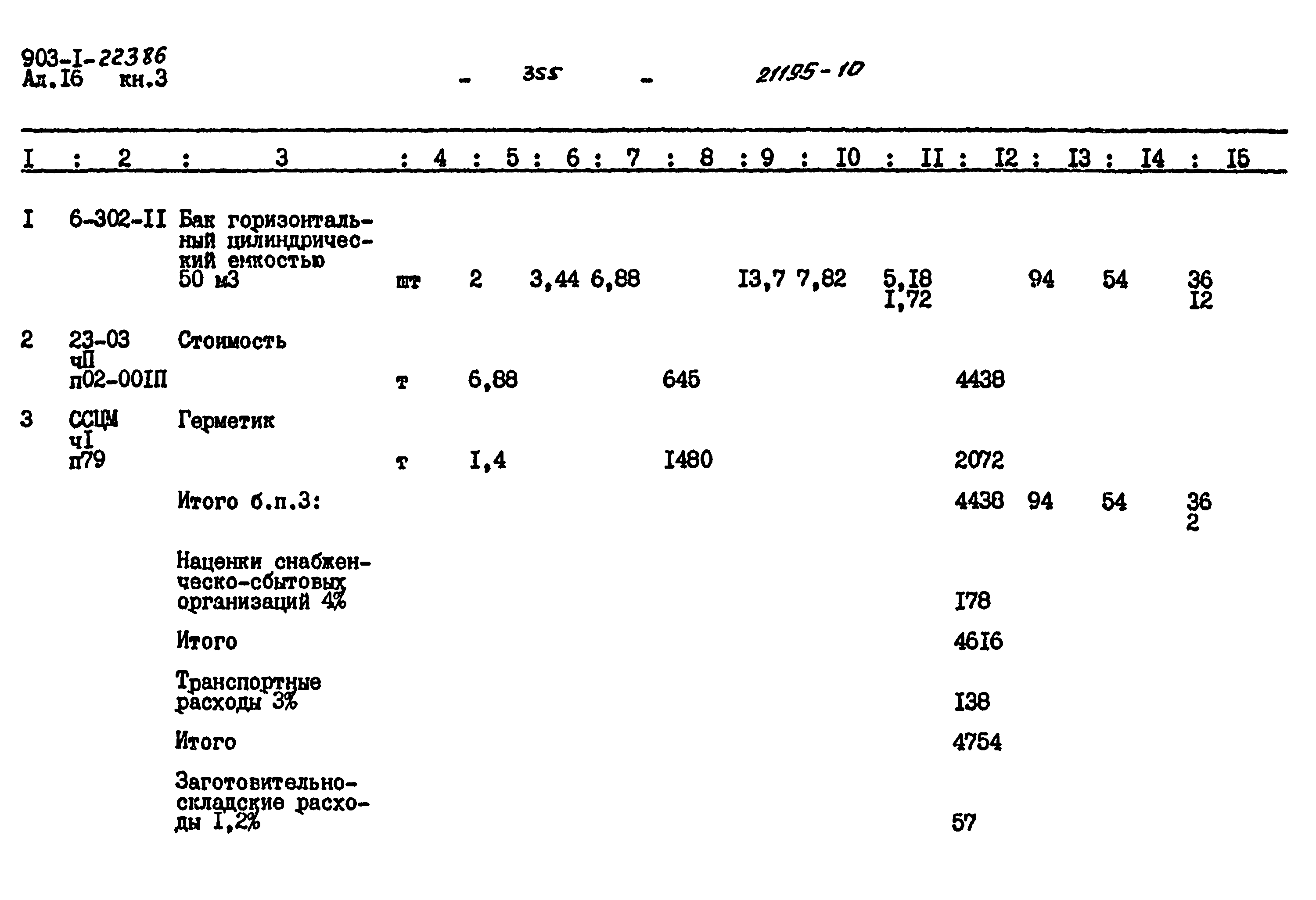
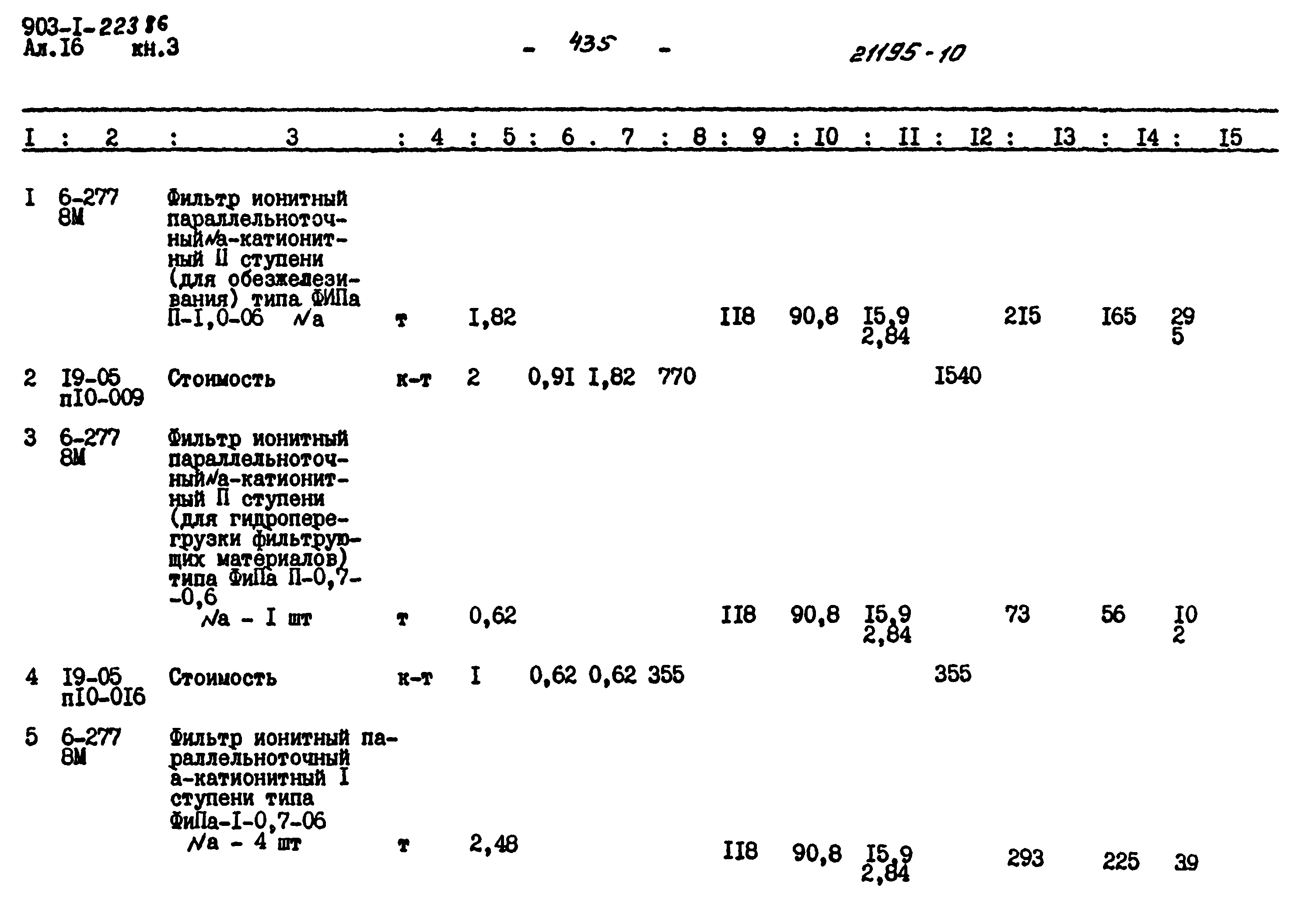
| Оглавление: | Объектная смета №7. На строительство баков-аккумуляторов емк. 2 х 50 куб. м Смета №7-1. Строительные работы фундаментов под аккумуляторные баки Смета №7-2. Оборудование и трубопроводы баков-аккумуляторов Смета №7-3. Антикоррозийное покрытие баков-аккумуляторов Смета №7-4. Изоляционные работы баков-аккумуляторов Смета №1-17. Оборудование котельной. Топливо - каменные угли Смета №1-17. Приложение. Оборудование котельной. Топливо - бурые угли. Обмуровочные и изоляционные работы котлоагрегатов КЕ-2,5-14с (4 шт.). Смета №1-18. Обмуровочные и изоляционные работы котлоагрегатов КЕ-2,5-14с (4 шт.). Топливо - каменные угли Смета №1-18. Приложение. Обмуровочные и изоляционные работы котлоагрегатов КЕ-2,5-14с (4 шт.). Топливо - бурые угли Смета №1-19. Трубопроводы котлоагрегата КЕ-2,5-14с (4 шт.). Топливо - каменные угли Смета №1-19. Приложение. Трубопроводы котлоагрегата КЕ-2,5-14с (4 шт.). Топливо - бурые угли Смета №1-20. Общекотельные трубопроводы Смета №1-21. Антикоррозийное покрытие и изоляционные работы оборудования котельной Смета №1-22. Оборудование водоподготовки Смета №1-23. Трубопроводы водоподготовки Смета №1-24. Антикоррозийное покрытие оборудования водоподготовки Смета №1-25. Оборудование химлаборатории Смета №1-26. Электроосвещение Смета №1-26-1. Электроосвещение |
| Разработан: | Горьковский Сантехпроект |
| Утверждён: | 13.03.1986 Госстрой СССР (Государственный комитет Совета Министров СССР по делам строительства) (USSR Gosstroy А4-15) |

























































































































































