Скачать Типовой проект 903-1-221.86 Альбом 16. Книга 2. СметыДата актуализации: 01.01.2021
|
| Обозначение: | Типовой проект 903-1-221.86 |
| Обозначение англ: | 903-1-221.86 |
| Статус: | не определен законодательством |
| Название рус.: | Альбом 16. Книга 2. Сметы |
| Дата добавления в базу: | 01.09.2013 |
| Дата актуализации: | 01.01.2021 |
| Дата введения: | 18.12.1985 |
| Дата окончания срока действия: | 30.06.2003 |
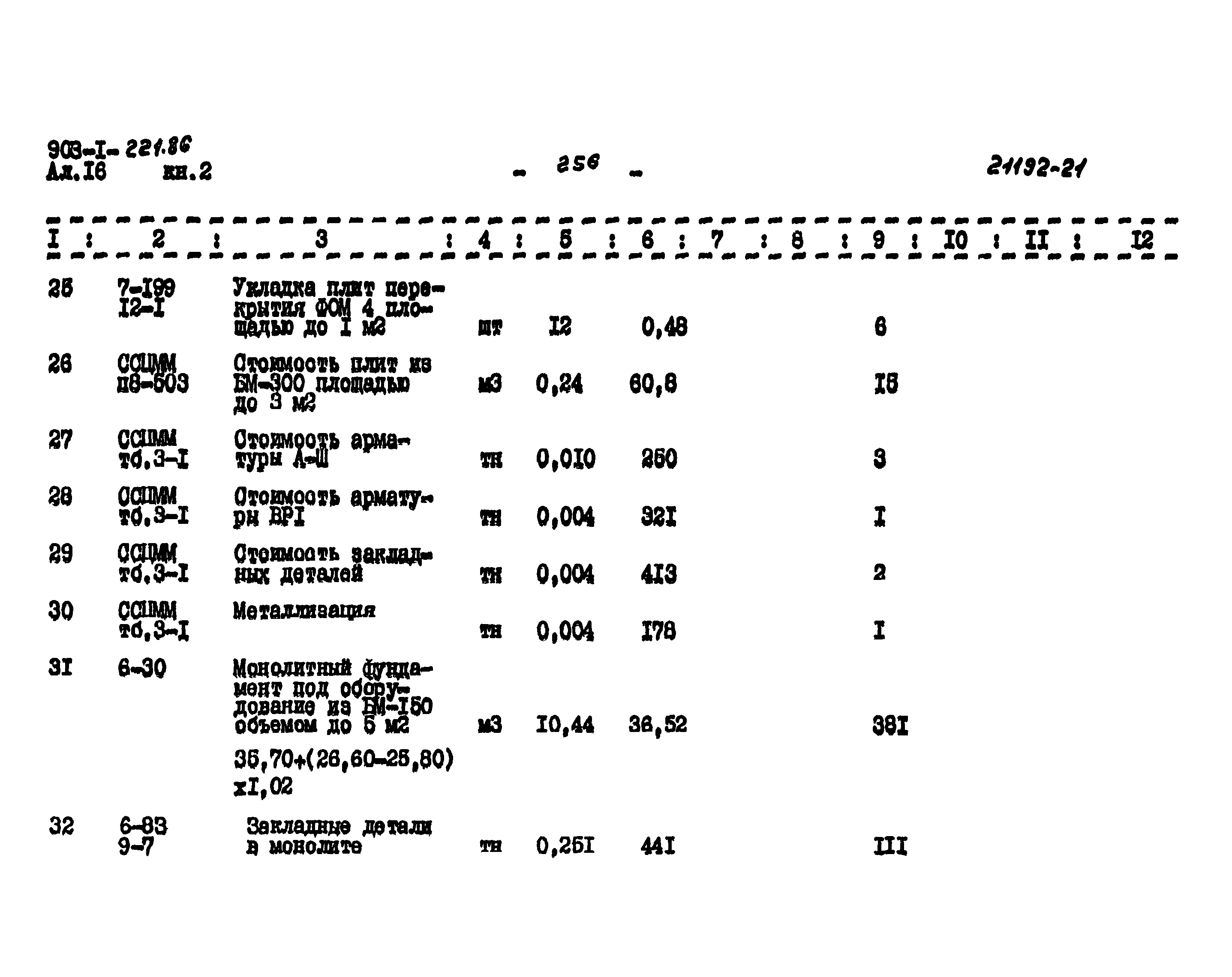
| Оглавление: | Сводка объемов и стоимости работ к локальной смете №3-1 Смета №3-1. Строительные работы котельной (стеновые панели по серии 1.832.1-9, 1.832.1-10). Топливо - каменные угли. Вариант топливоподачи с ленточным конвейером Сводка объемов и стоимости работ к локальной смете №4-1 Смета №4-1. Строительные работы котельной (стеновые панели по серии 1.832.1-9, 1.832.1-10). Топливо - бурые угли. Вариант топливоподачи с ленточным конвейером Сводка объемов и стоимости работ к локальной смете №5-1 Смета №5-1. Строительные работы котельной (стеновые панели по серии 1.832.1-9). Топливо - каменные угли. Вариант топливоподачи со скребковым конвейером Сводка объемов и стоимости работ к локальной смете №6-1 Смета №6-1. Строительные работы котельной (стеновые панели по серии 1.832.1-9). Топливо - бурые угли. Вариант топливоподачи со скребковым конвейером Сводка объемов и стоимости работ к локальной смете №7-1 Смета №7-1. Строительные работы котельной (стеновые панели по серии 1.832.1-9, 1.832.1-10). Топливо - каменные угли. Вариант топливоподачи со скребковым конвейером Сводка объемов и стоимости работ к локальной смете №8-1 Смета №8-1. Строительные работы котельной (стеновые панели по серии 1.832.1-9, 1.832.1-10). Топливо - бурые угли. Вариант топливоподачи со скребковым конвейером Смета №1-2. Подземное хозяйство внутри здания (топливо - каменные угли) Смета №2-2. Подземное хозяйство внутри здания (топливо - бурые угли) Смета №1-3. Строительные работы фундаментов под оборудование вне здания Смета №1-4. Строительные работы продувочного колодца и канал к нему Смета №1-5. Строительные работы склада мокрого хранения соли Смета №1-6. Строительные работы газоходов Смета №1-7. Гардеробное оборудование Смета №1-8. Отопление Смета №1-8-1. Отопление Смета №1-9. Теплоснабжение калориферов, узел ввода Смета №1-9-1. Теплоснабжение калориферов, узел ввода Смета №1-10. Вентиляция Смета №1-10-1. Вентиляция Смета №1-11. Водопровод хозяйственно-питьевой (противопожарный) Смета №1-12. Водопровод горячей воды ТЗ Смета №1-13. Водопровод повторно-используемой воды В-10 Смета №1-14. Производственная канализация механически загрязненных вод К-14 Смета №1-15. Бытовая канализация К-1 Смета №1-16. Производственная канализация К-3 |
| Разработан: | Горьковский Сантехпроект |
| Утверждён: | 26.11.1985 Минсельхоз СССР (USSR Minselkhoz 93-ЭГ) |






















































































































































































































































