Скачать Типовой проект 902-1-78.83 Альбом 10. Сметы. Общая частьДата актуализации: 01.01.2021
|
| Обозначение: | Типовой проект 902-1-78.83 |
| Обозначение англ: | 902-1-78.83 |
| Статус: | действует |
| Название рус.: | Альбом 10. Сметы. Общая часть |
| Дата добавления в базу: | 01.09.2013 |
| Дата актуализации: | 01.01.2021 |
| Дата введения: | 06.02.1984 |
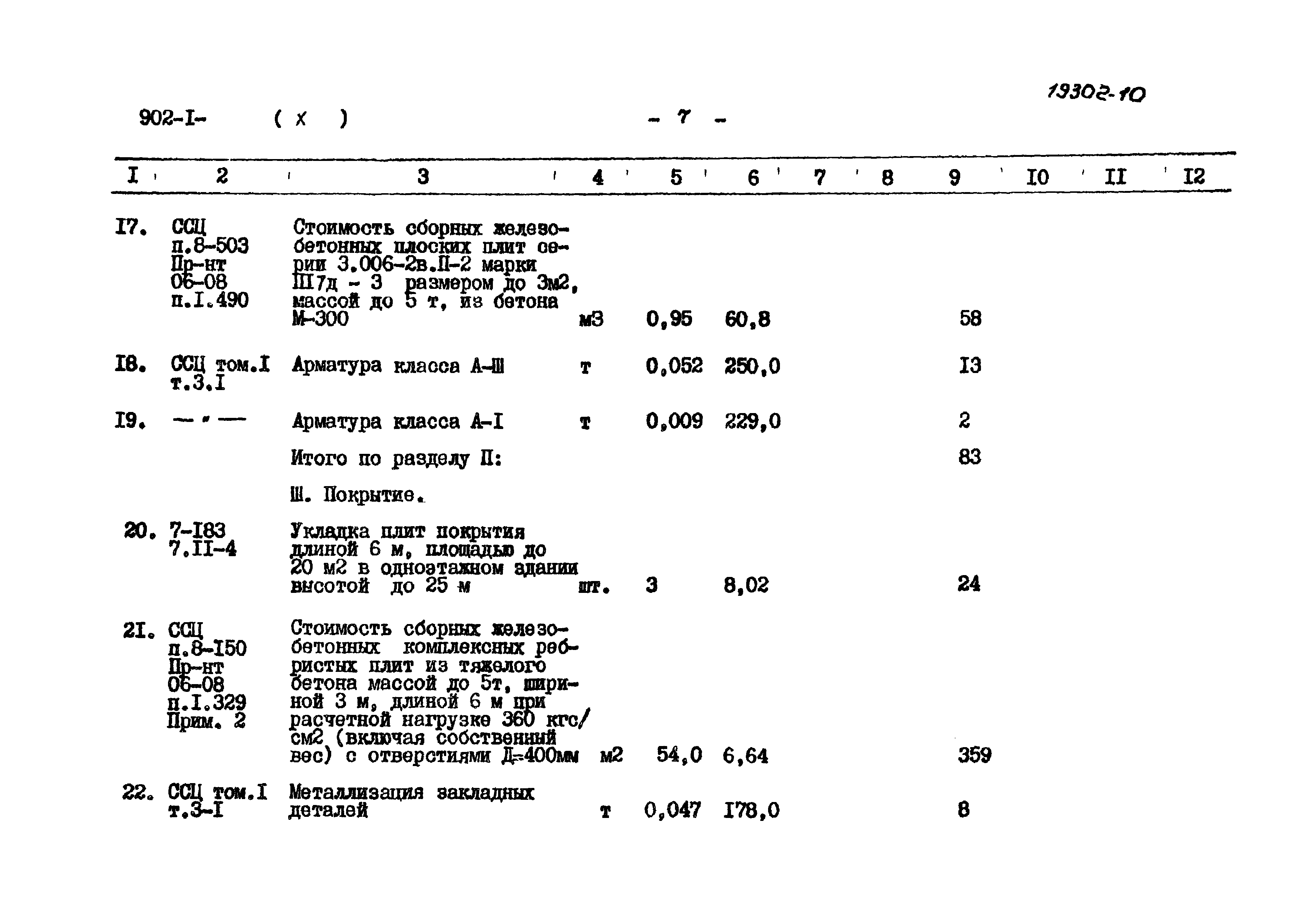
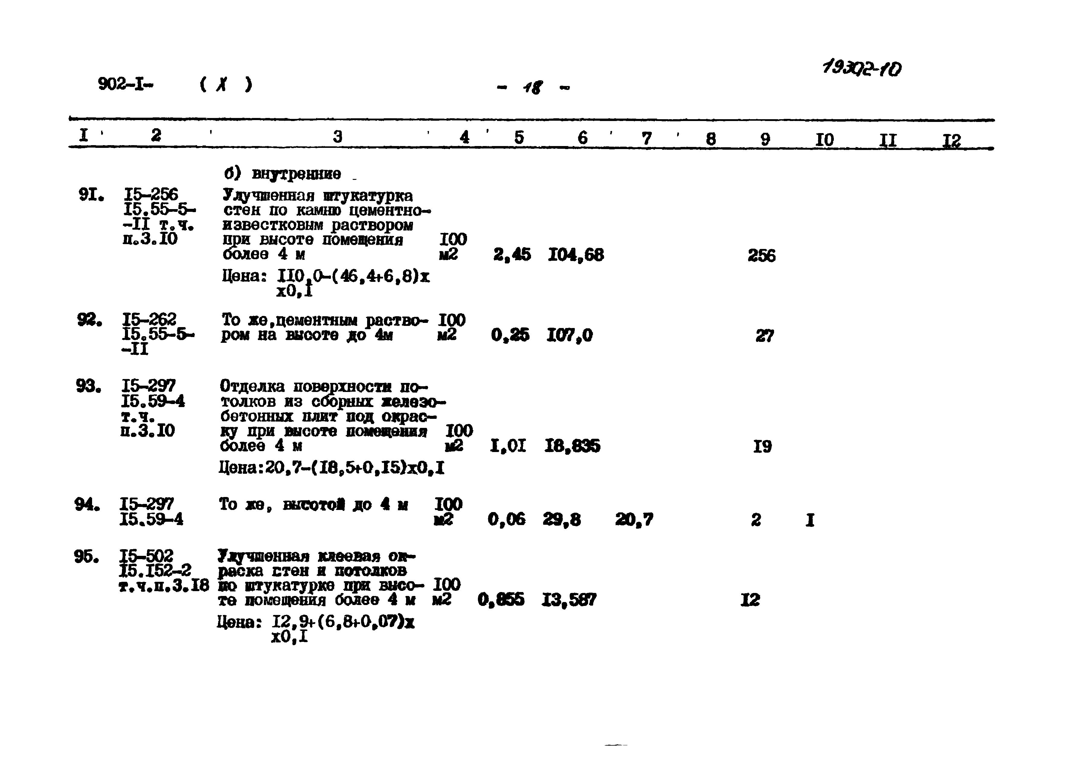
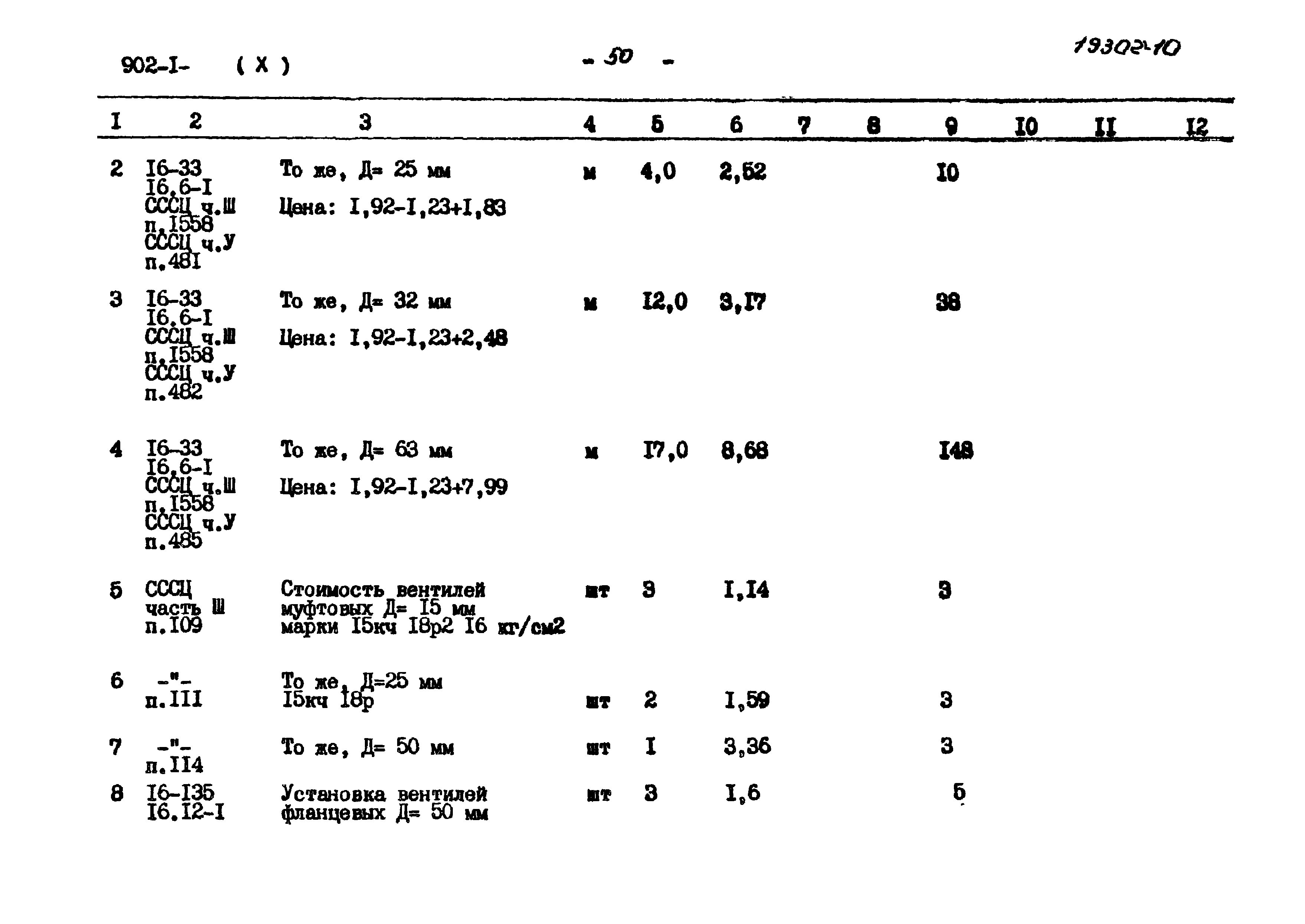
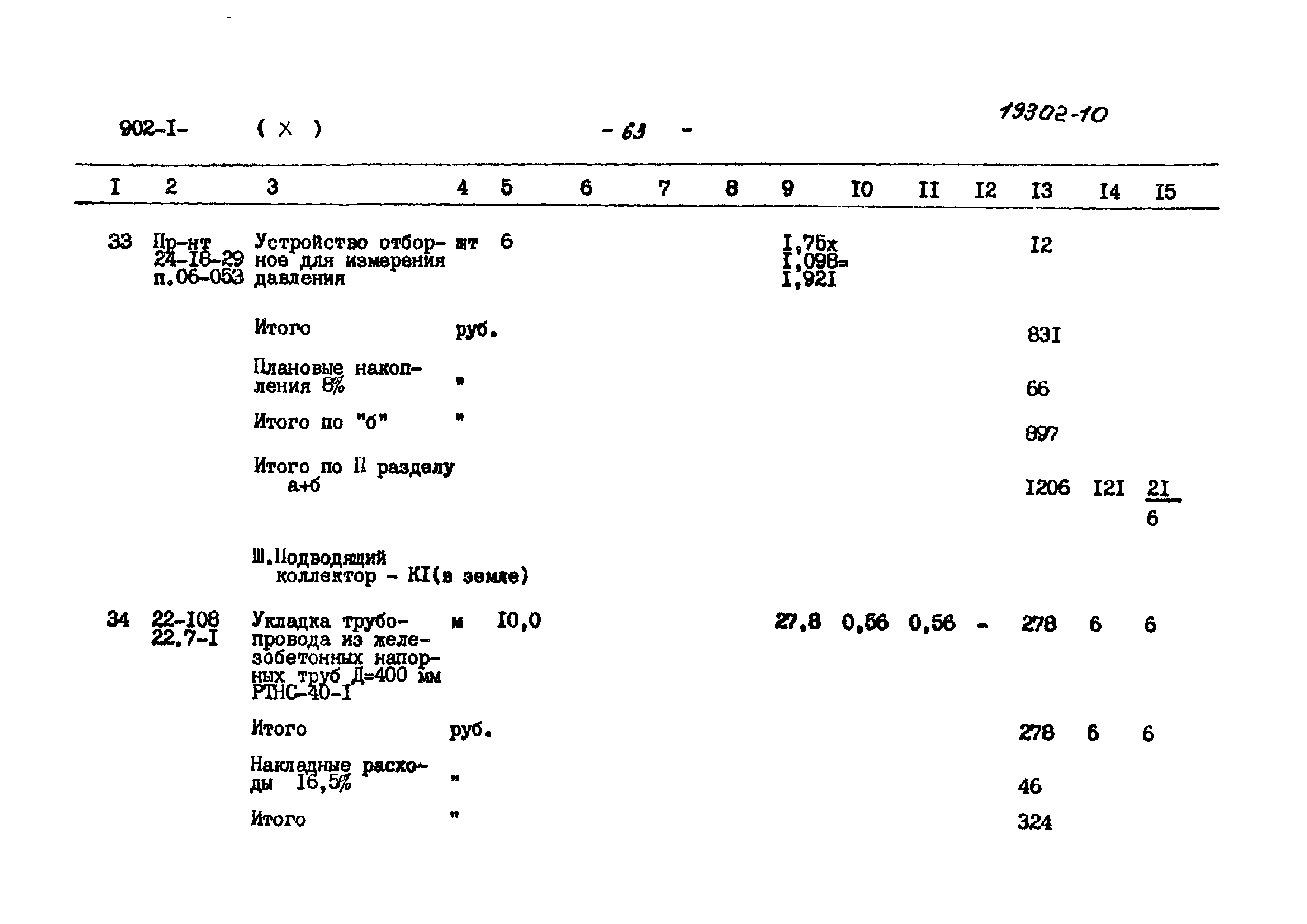
| Оглавление: | Пояснительная записка Смета №2 на общестроительные работы надземной части Смета №3 на отопление Смета №4 на теплоснабжение установки П-I Смета №5 на теплоснабжение водоподогревателя Смета №6 на узел управления Смета №7 на вентиляцию Смета №8 на внутренний водопровод Смета №9 на внутреннюю канализацию Смета №10 на технологическое оборудование и трубопроводы Смета №11 на трубопровод производственной воды Смета №12 на приобретение гардеробного оборудования Смета №13 на электросиловое оборудование Смета №14 на электроосвещение Смета №15 на КИП и средства автоматизации Ведомость потребности в производственных ресурсах |
| Разработан: | Харьковский Водоканалпроект |
| Утверждён: | 27.10.1983 Союзводоканалпроект (Soyuzvodokanalproject 59) |
































































































































