Скачать Типовой проект 902-2-250 Альбом 2. Технологическая, архитектурно-строительная, электротехническая и санитарно-техническая частиДата актуализации: 01.01.2021
|
| Обозначение: | Типовой проект 902-2-250 |
| Обозначение англ: | 902-2-250 |
| Статус: | действует |
| Название рус.: | Альбом 2. Технологическая, архитектурно-строительная, электротехническая и санитарно-техническая части |
| Дата добавления в базу: | 01.09.2013 |
| Дата актуализации: | 01.01.2021 |
| Дата введения: | 15.09.1975 |
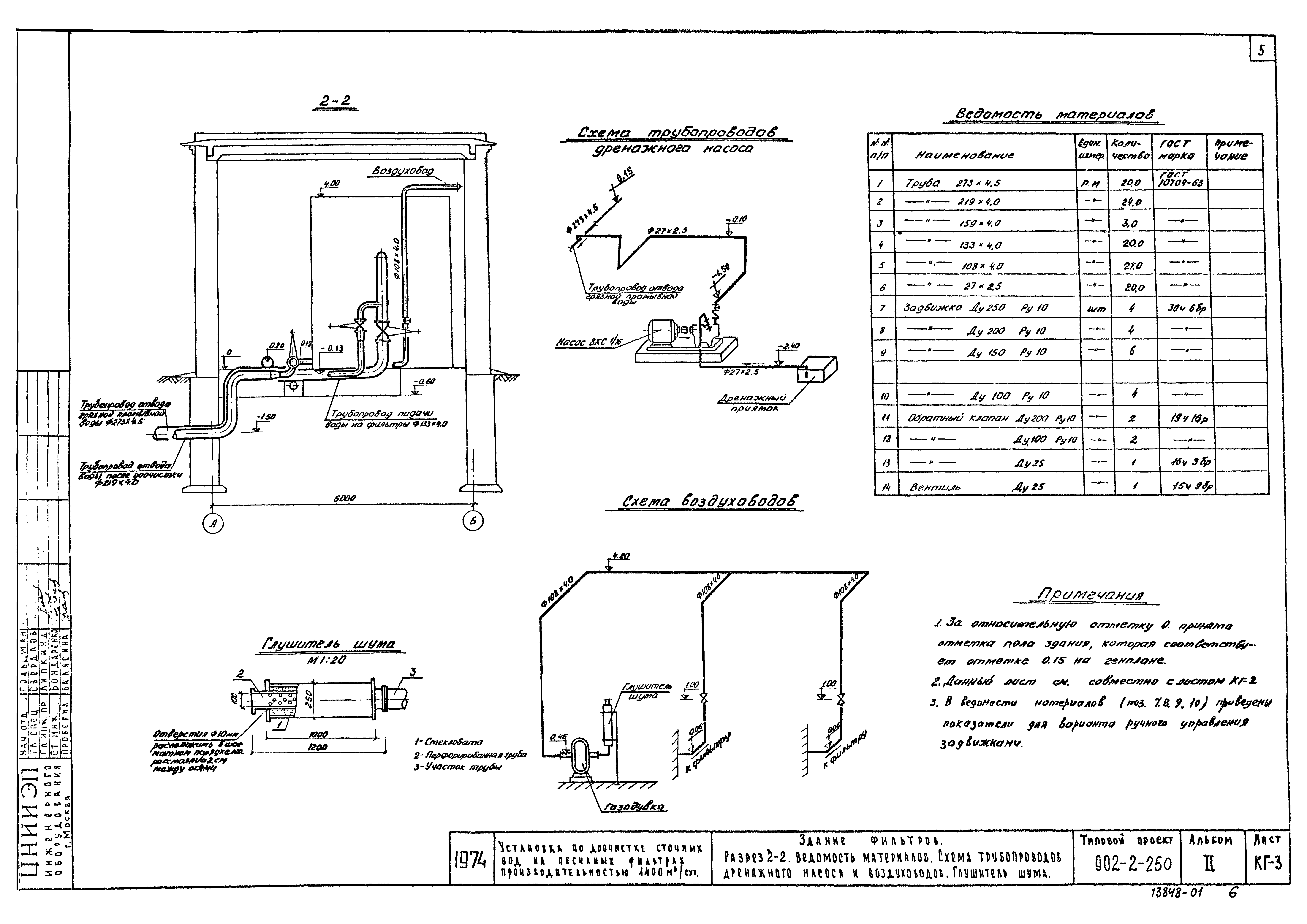
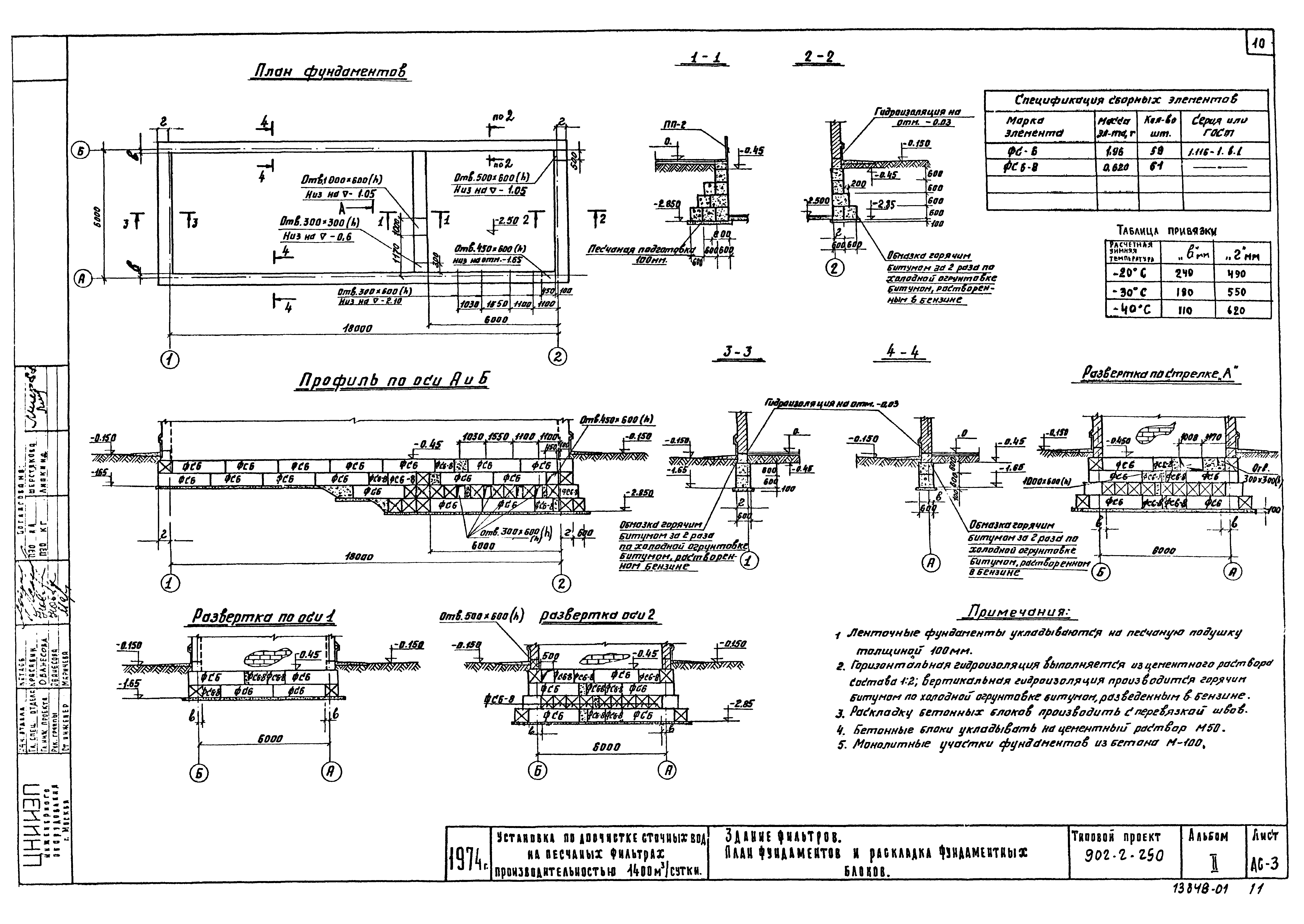
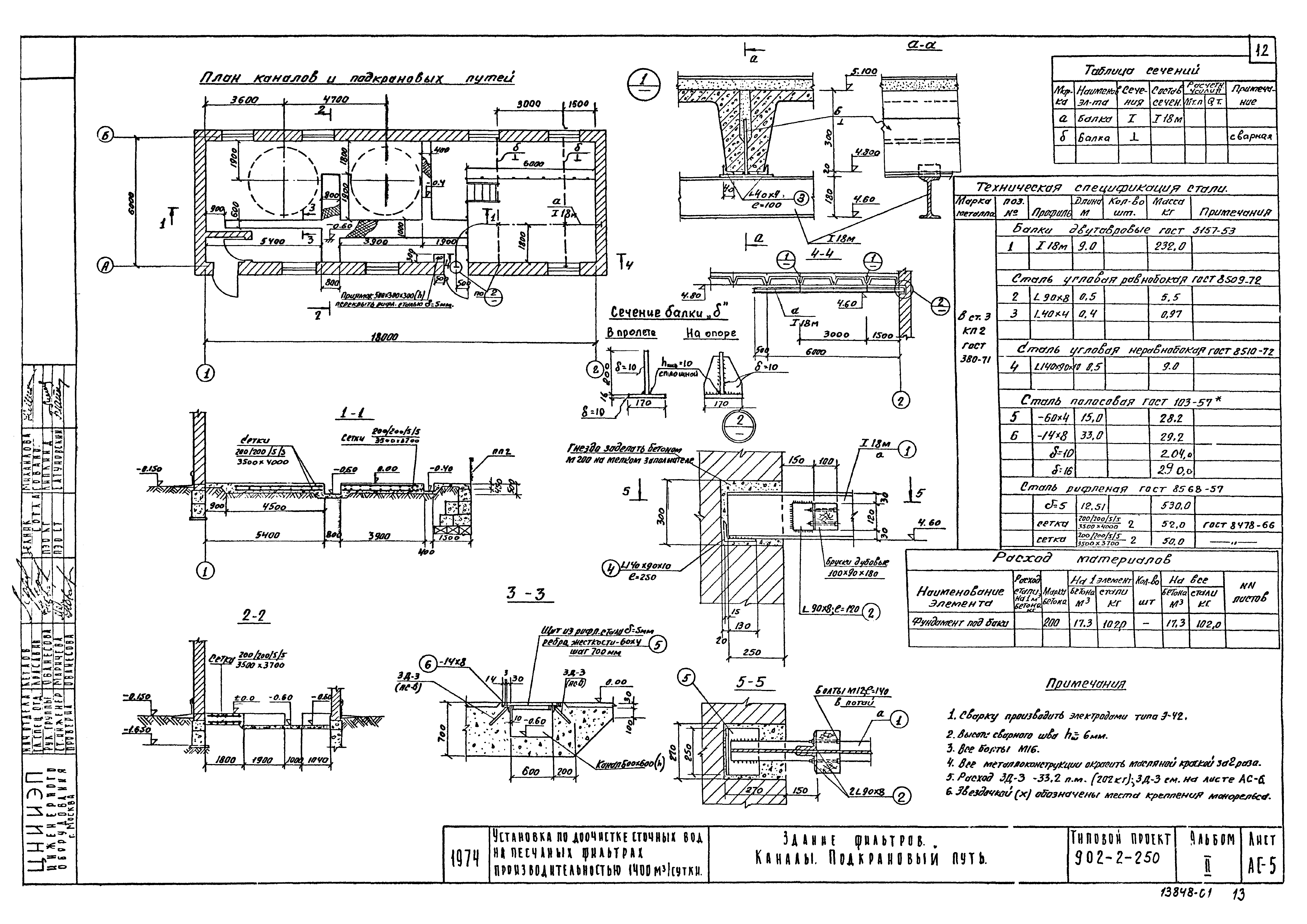
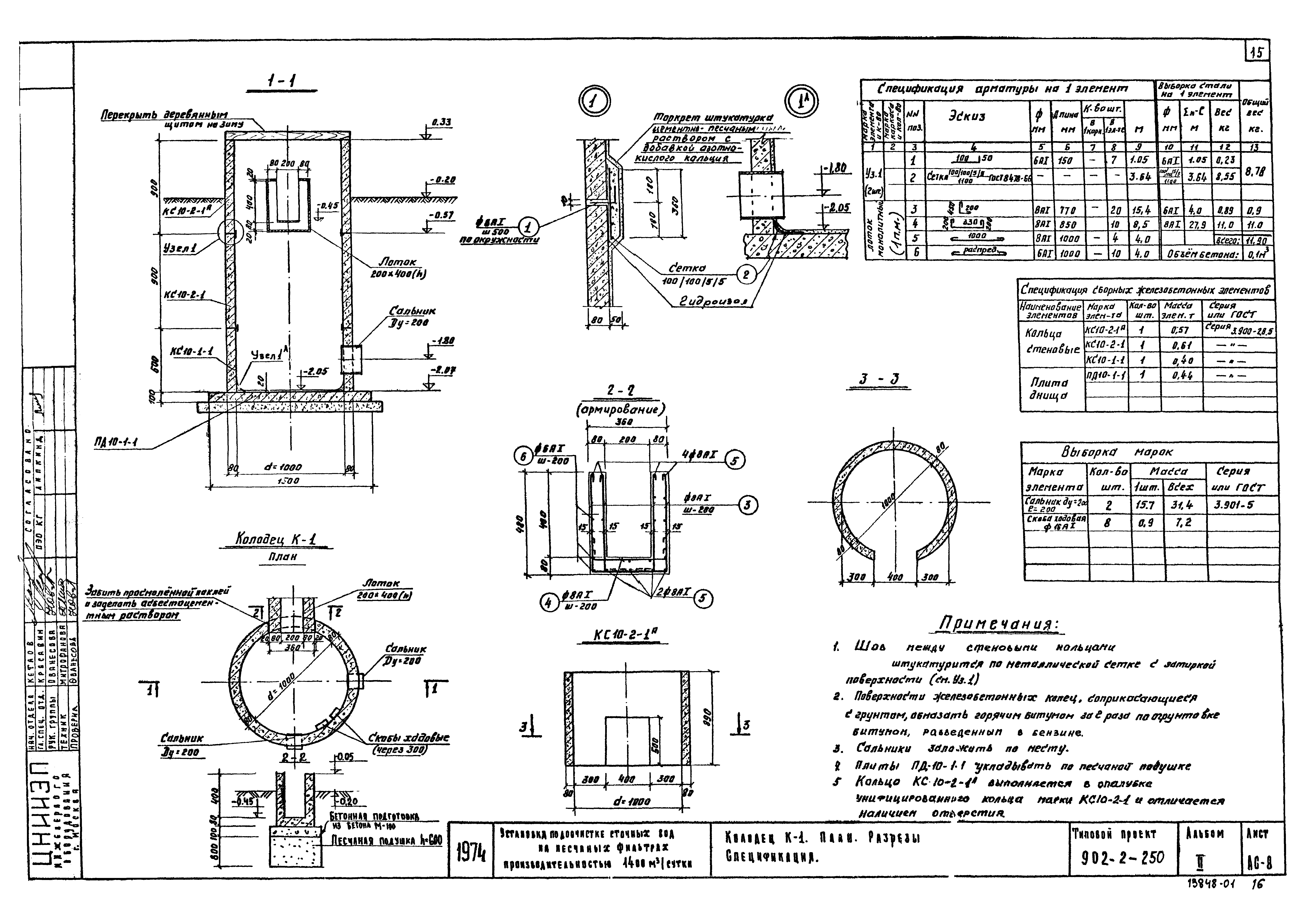
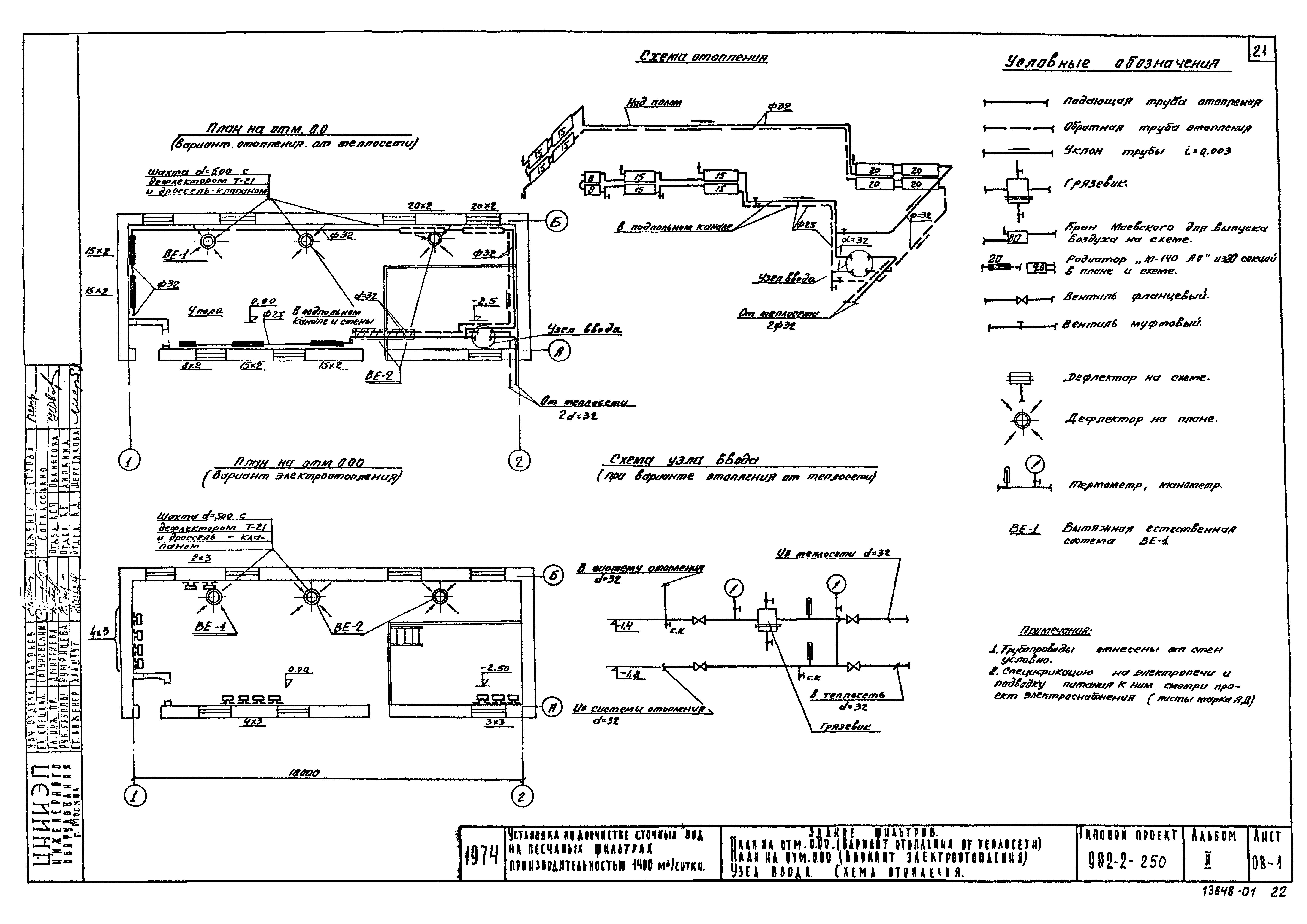
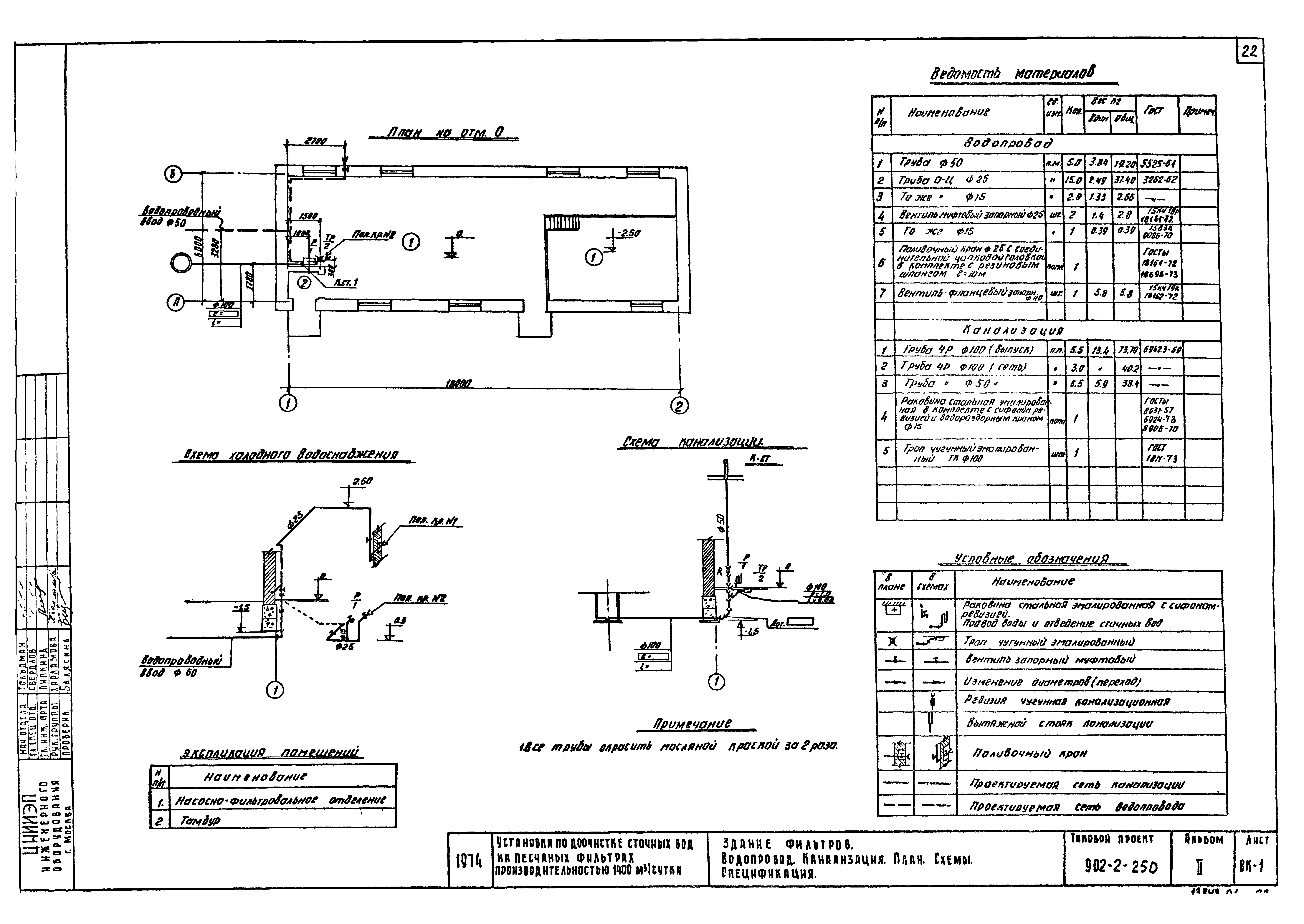
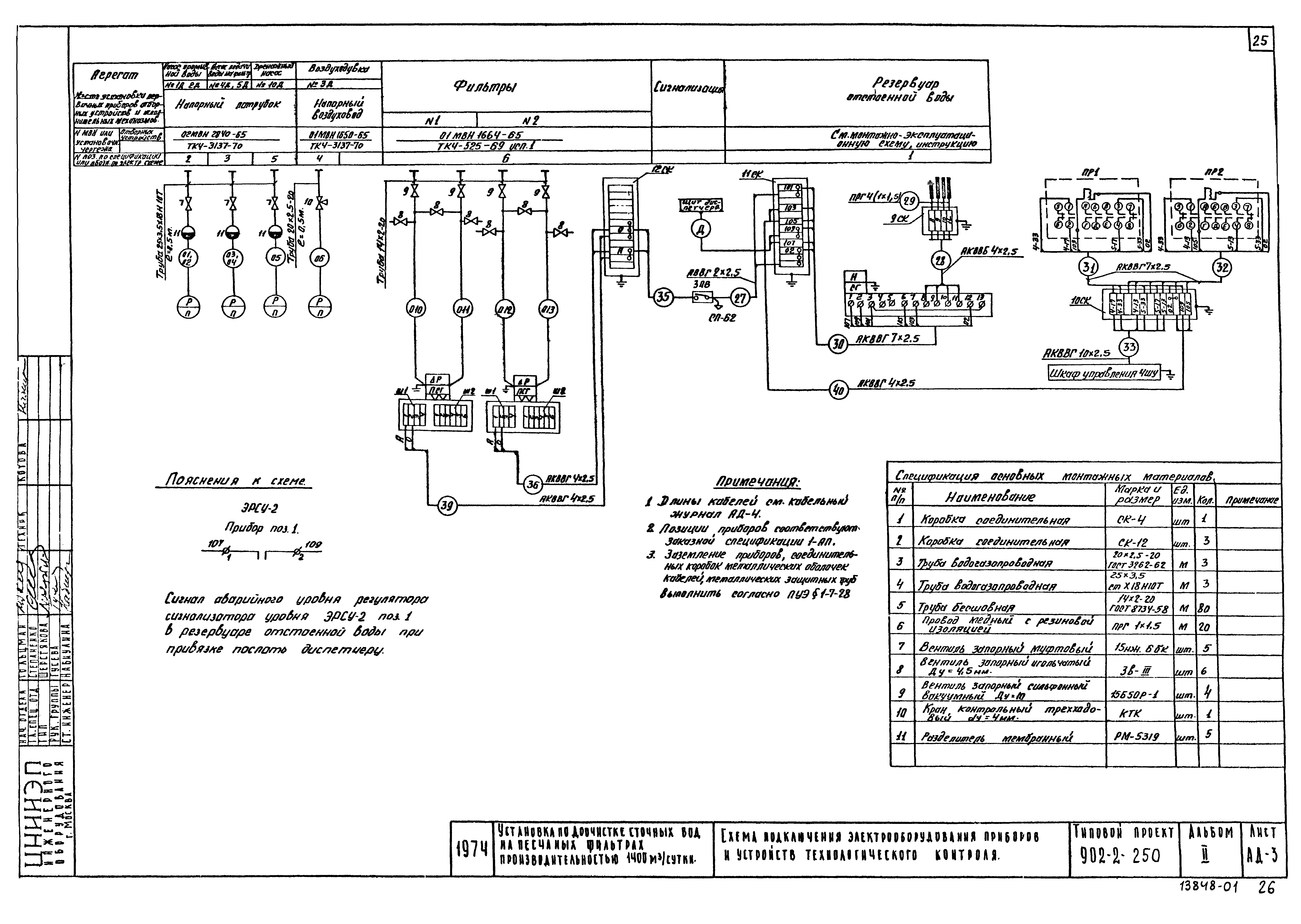
| Оглавление: | Содержание Технологические чертежи Примерный генплан с коммуникациями. Технологическая схема Здание фильтров для установки производительностью 1400 куб. м/сутки. План. Разрез 1-1. Экспликация оборудования То же. Разрез 2-2. Ведомость материалов. Схема трубопроводов дренажного насоса и воздуховодов. Глушитель шума Приемный резервуар. Резервуар чистой и грязной промывной воды. Колодец К-1 Строительные чертежи Примерный генплан Здание фильтров. План на отм. 0. Разрезы 1-1, 2-2. Экспликация помещений То же. Фасады 1-2, 2-1. Экспликация дверных и оконных блоков То же. План фундаментов и раскладка фундаментных блоков То же. План раскладки плит покрытия. Разрезы То же. Каналы. Подкрановый путь То же. Металлическая площадка То же. Фундаменты под оборудование Колодец К-1. План. Разрезы. Спецификация Резервуары промывной воды. План раскладки панелей. Разрезы Резервуары промывной воды. Опалубка и армирование днища. Спецификация Резервуары промывной воды. Армирование монолитных участков стен Резервуары промывной воды. Стыки панелей ПБ2-24-2. Балка Б-1. Ограждения Резервуары промывной воды. Опалубка панелей ПБ2-24-2А и ПБ2-24-2Б Санитарно-технические чертежи План на отм. 0,00 (вариант отопления от теплосети). План на отм. 0,00 (вариант электроотопления). Узел ввода. Схема отопления Здание фильтров. Водопровод. Канализация. План. Схемы. Спецификация Электротехнические чертежи Питание электрооборудования. Схема принципиальная электрическая Управление насосами №4 и №5 подачи воды на фильтры. Схема принципиальная электрическая Схема подключения электрооборудования, приборов и устройств технологического контроля Кабельный журнал. Размещение электрооборудования и прокладка кабеля. Вариант с неэлектрофицированными задвижками Размещение электрооборудования и прокладка кабеля. Вариант с электрофицированными задвижками. Данные для заполнения вопросного листа на РТ30-63 Строительное задание. Размещение электрооборудования и прокладка кабеля. Вариант с электрообогревом Электроосвещение. Заземление. План на отм. 0,00 |
| Разработан: | ЦНИИЭП инженерного оборудования |
| Утверждён: | 31.07.1975 Госгражданстрой (Gosgrazhdanstroy 161) |






























