Скачать Типовые проектные решения 902-3-058.87 Альбом 3. Строительные изделияДата актуализации: 01.01.2021
|
| Обозначение: | Типовые проектные решения 902-3-058.87 |
| Обозначение англ: | 902-3-058.87 |
| Статус: | справочные материалы, мп, тпр |
| Название рус.: | Альбом 3. Строительные изделия |
| Дата добавления в базу: | 01.09.2013 |
| Дата актуализации: | 01.01.2021 |
| Дата введения: | 01.06.1987 |
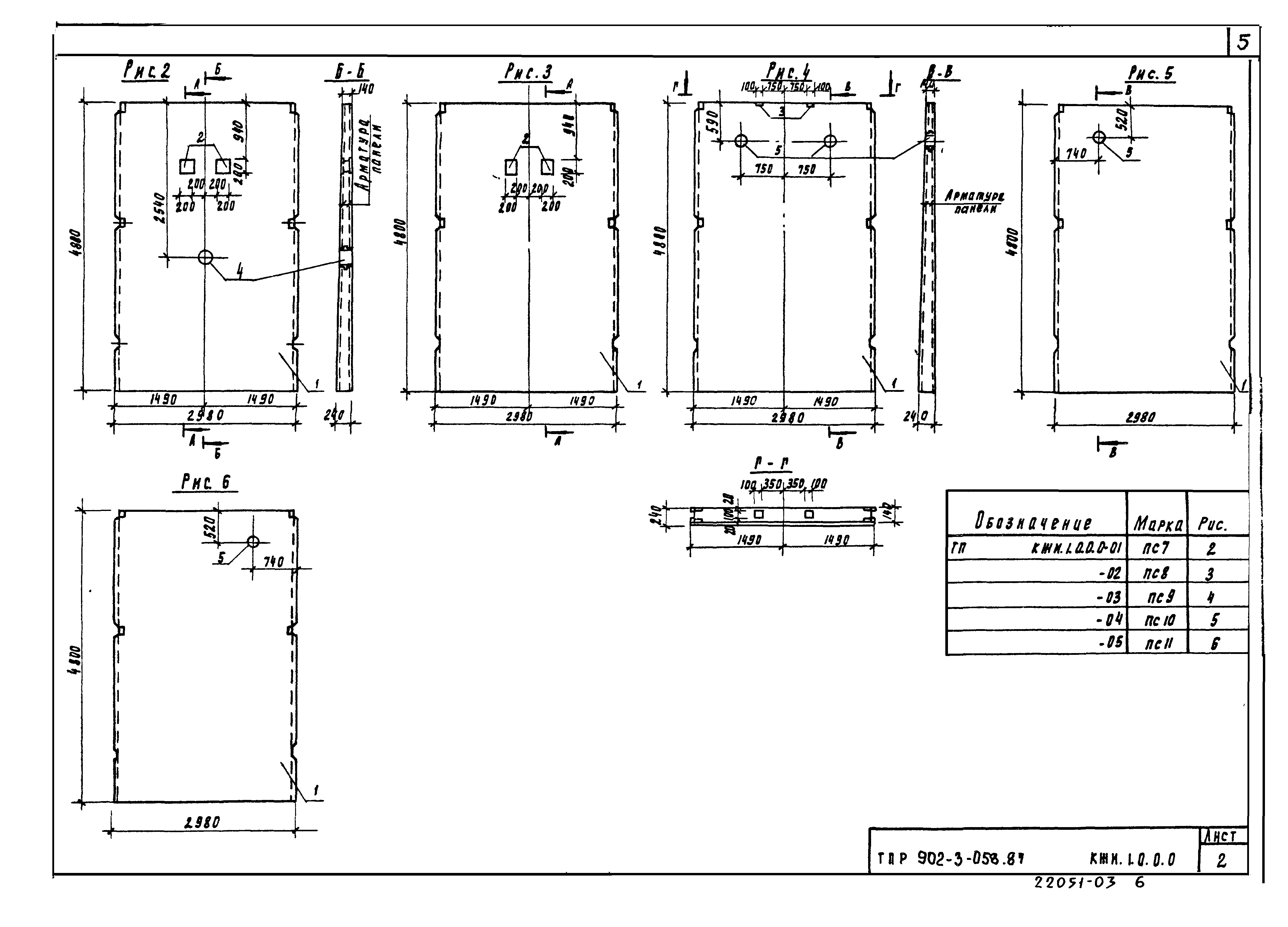
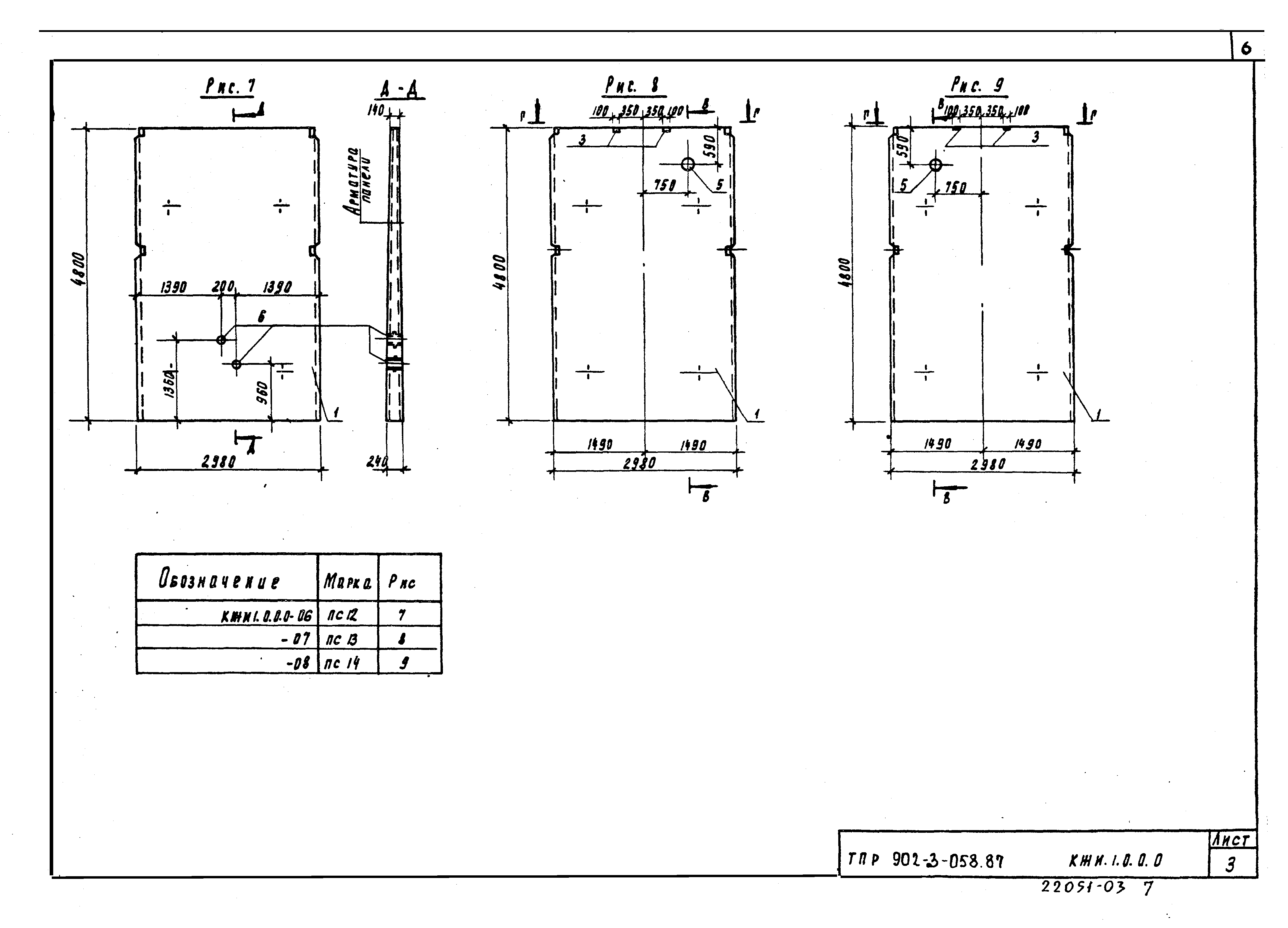
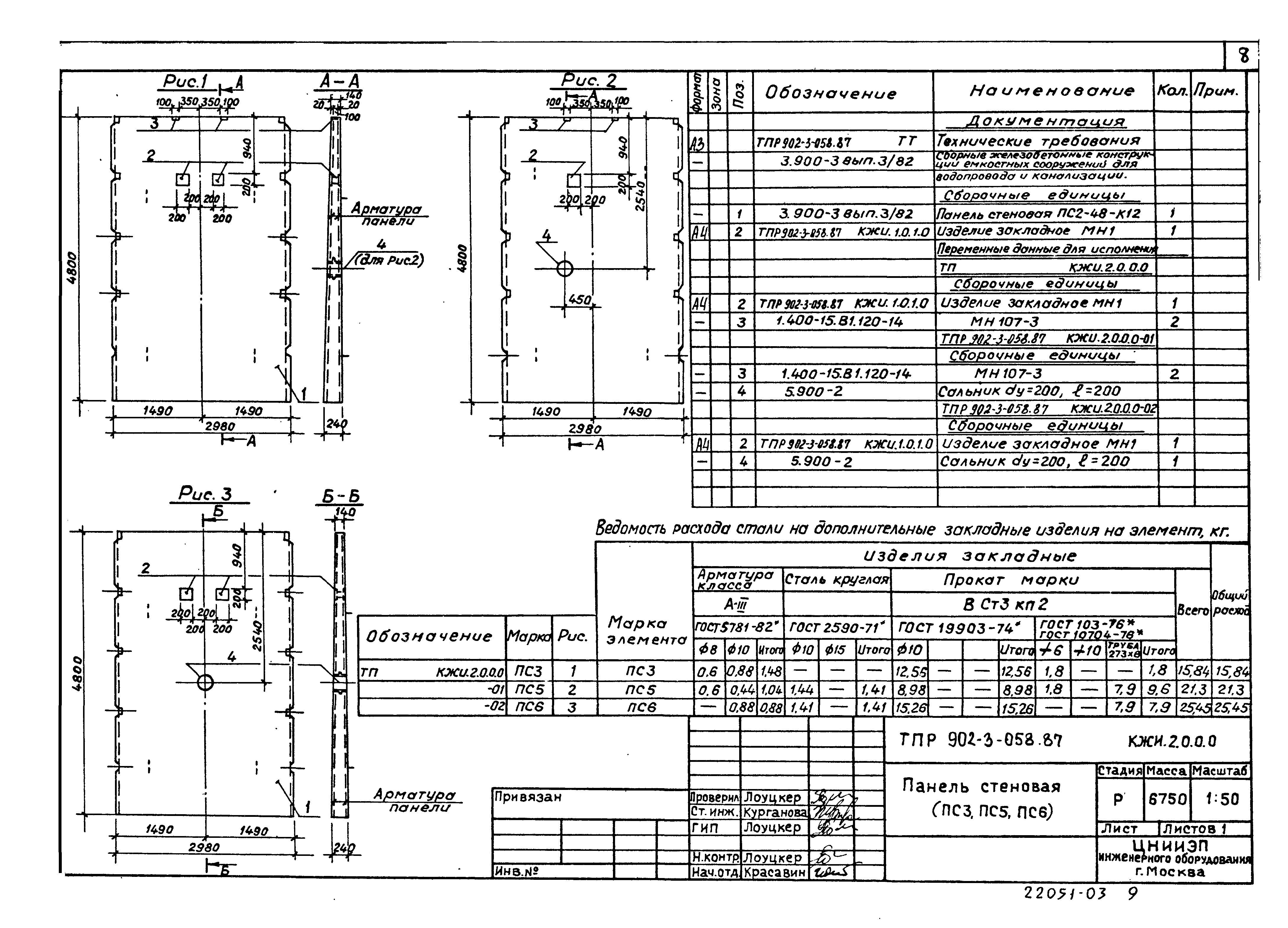
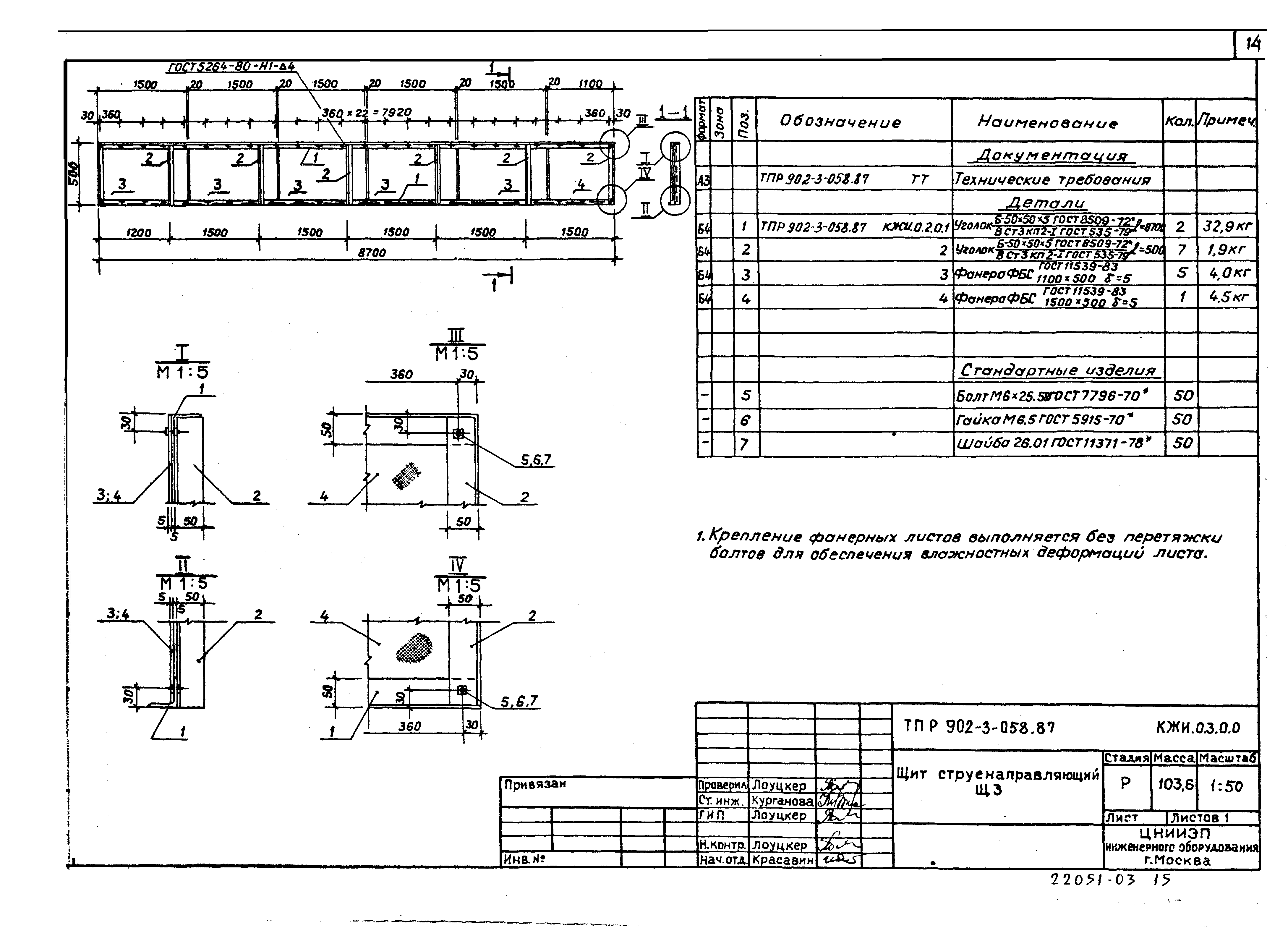
| Оглавление: | Технические требования Панель стеновая (ПС4, ПС7…ПС14) Ведомость расхода стали на дополнительные закладные изделия на элемент, кг Панель стеновая (ПС3, ПС5, ПС6) Плита (П1, П2) Балка Б1 Лоток (ЛТ1, ЛТ2, ЛТ3) Изделие закладное МН1 Изделие соединительное МС6 Щит струенаправляющий (Щ1, Щ2) Щит струенаправляющий Щ3 Каркас пространственный КП1 Каркас плоский КП1-КР1 Сетка арматурная С1 Сетка арматурная С2 Водосливы (В1, В2, В3) |
| Разработан: | ЦНИИЭП инженерного оборудования |
| Утверждён: | 11.12.1986 Госгражданстрой (Gosgrazhdanstroy 418) |


















