Скачать Типовой проект 407-3-514.88 Альбом 1. Пояснительная записка. Архитектурно-строительные решения. Электротехническая часть и опросные листыДата актуализации: 01.01.2021
|
| Обозначение: | Типовой проект 407-3-514.88 |
| Обозначение англ: | 407-3-514.88 |
| Статус: | не определен законодательством |
| Название рус.: | Альбом 1. Пояснительная записка. Архитектурно-строительные решения. Электротехническая часть и опросные листы |
| Дата добавления в базу: | 01.09.2013 |
| Дата актуализации: | 01.01.2021 |
| Дата введения: | 01.12.1988 |
| Дата окончания срока действия: | 30.06.2003 |
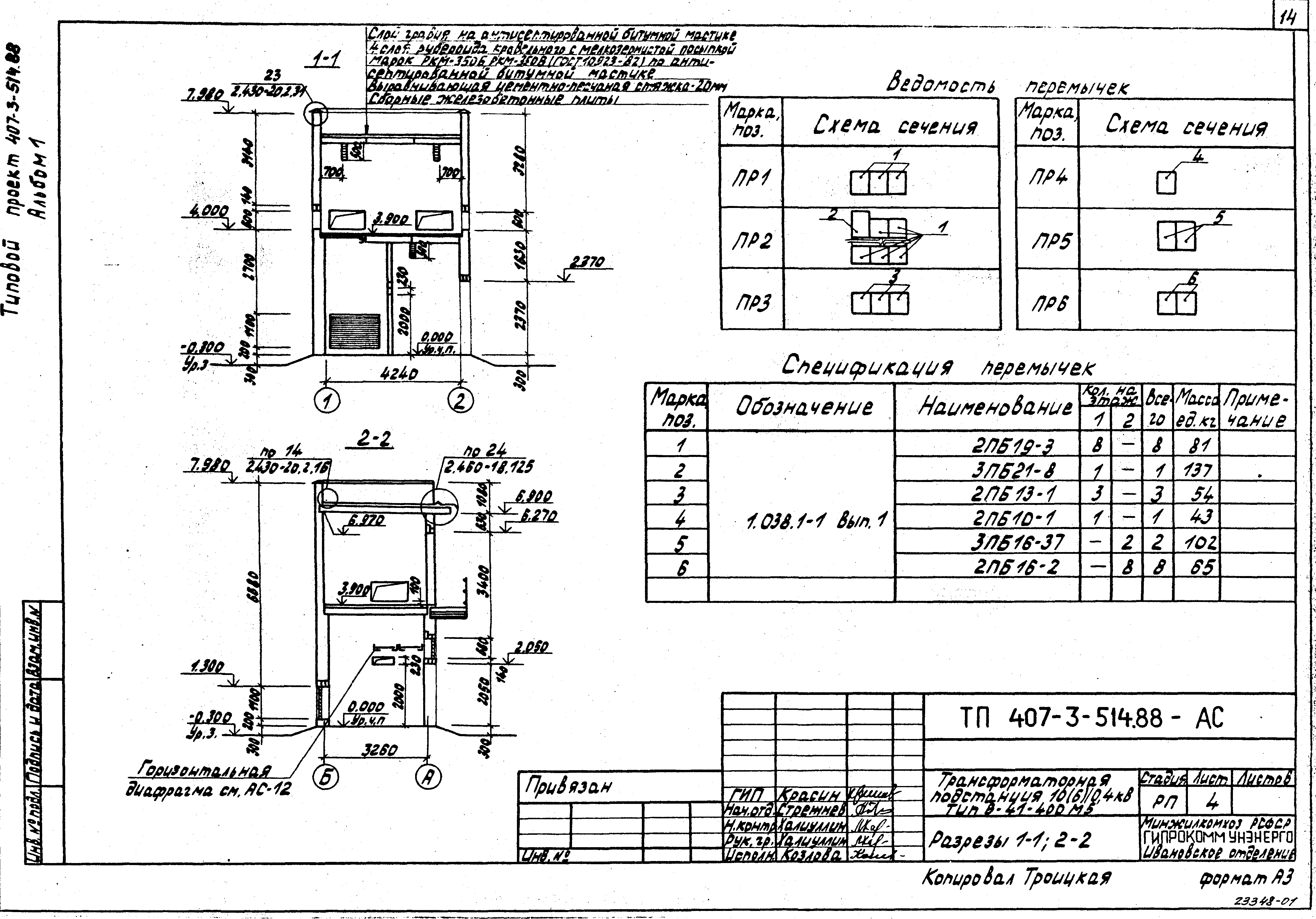
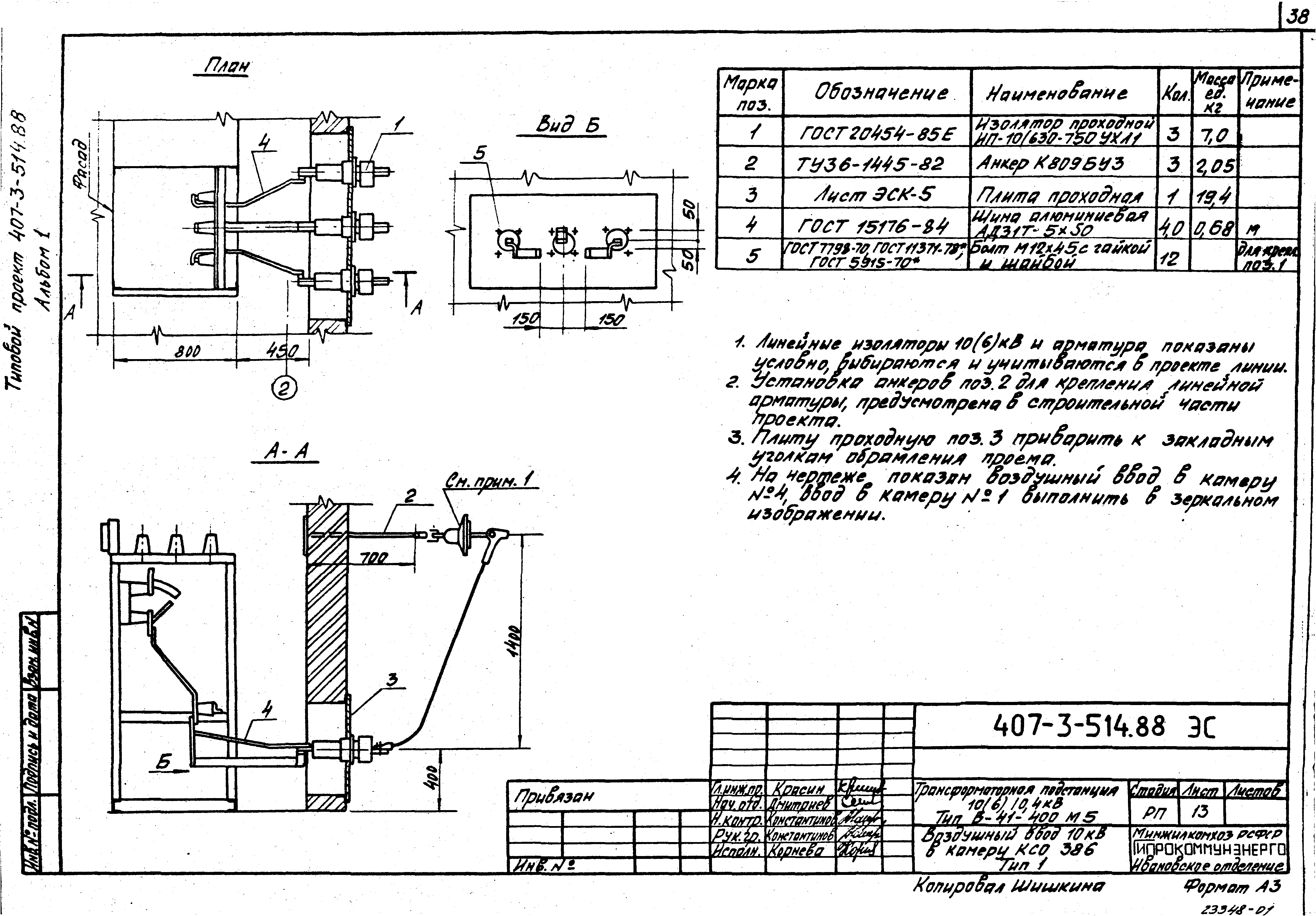
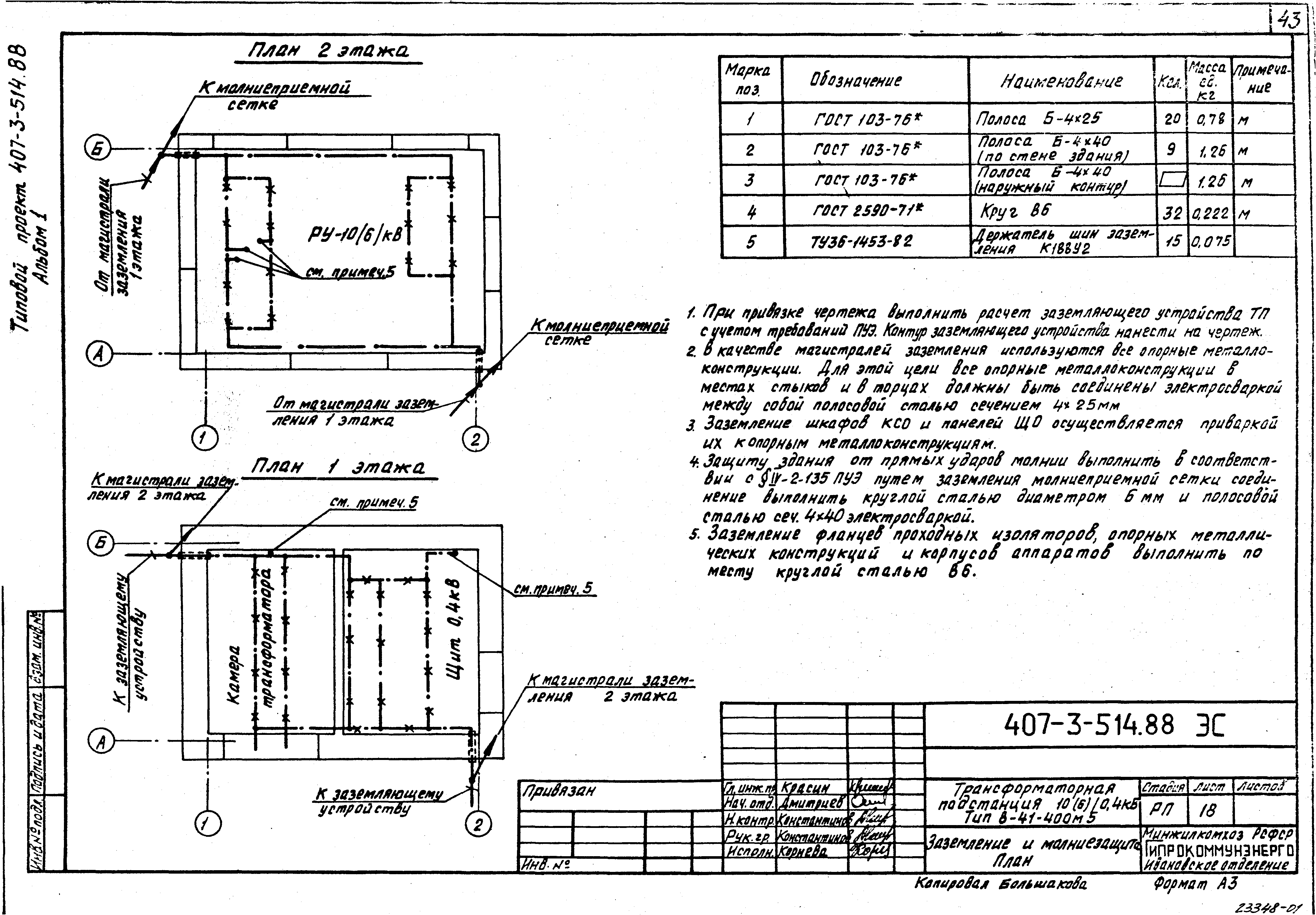
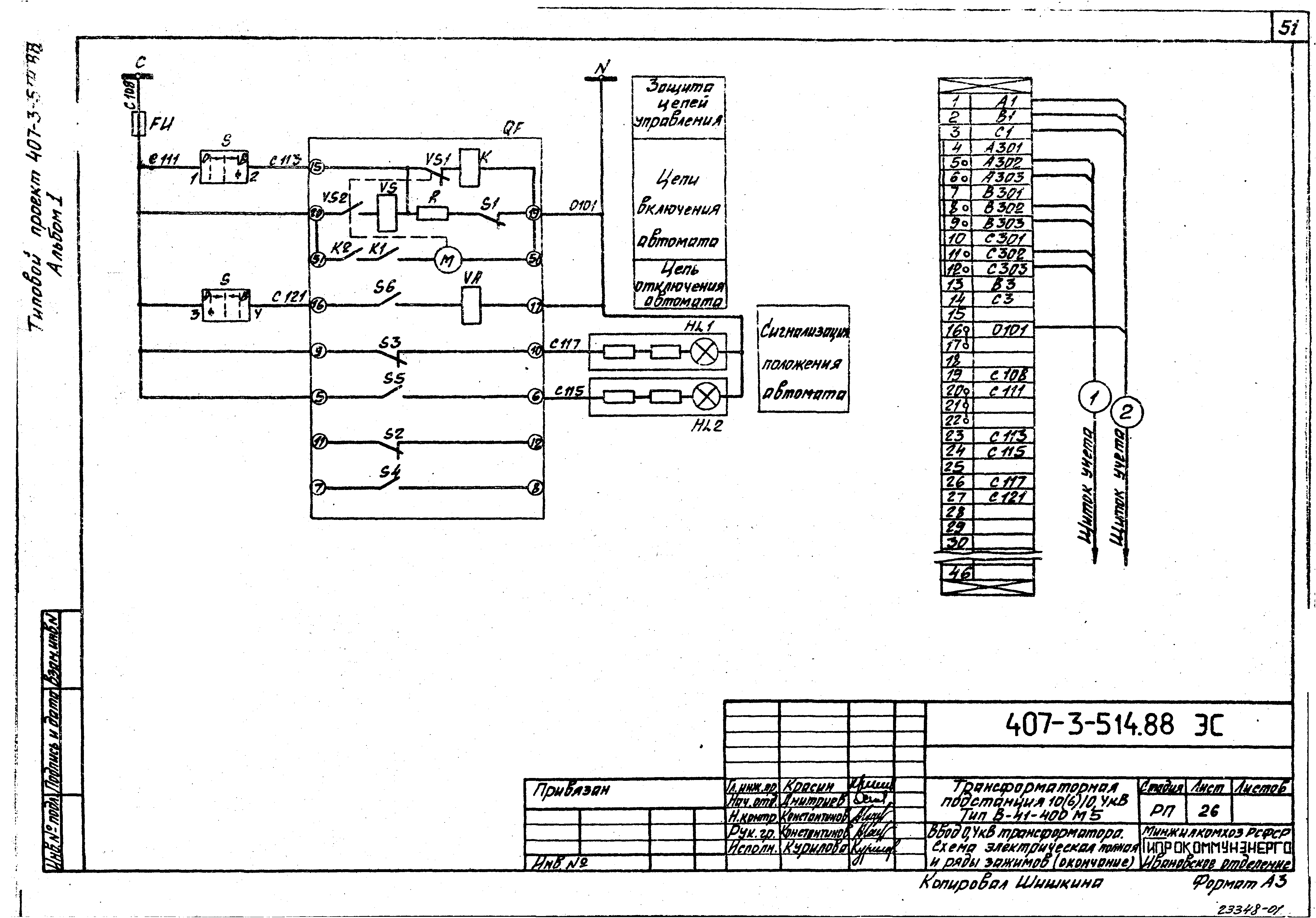
| Оглавление: | Содержание альбома Пояснительная записка Архитектурно-строительные решения Общие данные План на отметке 0.000 и 3.900 Разрезы 1-1 и 2-2 Фасады План полов. План кровли Схема расположения элементов фундаментов. Сечения 1-1 - 4-4 Схема расположения плит перекрытия и покрытия Монолитный участок ПМ1 Ограждение площадки Откидная лестница ЛМ-1 Схема горизонтальной диафрагмы Схема расположения кабельных каналов. Сечения 1-1 - 4-4 Схема расположения плит. Узлы 1 и 2 Схема расположения закладных изделий на отметке 0.000 и 3.900 Электротехнические чертежи марки "ЭС" Общие данные Схема электрических соединений 10(6) кВ №1 Схема электрических соединений 10(6) кВ №2 Схема электрических соединений 0,4 кВ. Вариант с автоматическими выключателями Схема электрических соединений 0,4 кВ. Вариант с предохранителями (160-250 кВА) Схема электрических соединений 0,4 кВ. Вариант с предохранителями (400 кВА) План и разрезы ТП Узел силового трансформатора Шинный ввод 10 кВ в камеру КСО 386 Воздушный ввод 10 кВ в камеру КСО 386. Тип 1 Воздушный ввод 10 кВ в камеру КСО 386. Тип 2 Воздушный вывод 0,4 кВ Электрическое освещение и отопление (начало) Электрическое освещение и отопление (окончание) Заземление и молниезащита. План Кабельный журнал План прокладки кабелей РУ-10 (6) кВ. Ввод, трансформатор, отходящая линия. Схема электрическая принципиальная Рабочий и резервный ввод 10 (6) кВ. Схема электрическая принципиальная Ввод 0,4 кВ трансформатора. Схема электрическая полная и ряд зажимов (160-250 кВА) Ввод 0,4 кВ трансформатора. Схема электрическая полная и ряды зажимов Воздушная линия 0,4 кВ с автоматическим выключателем. Цепи защиты Автоматика обогрева. Схема электрическая принципиальная Прилагаемые документы марки "ЭС, ЛО" Опросный лист на камеры КСО 386 (схема №1) Опросный лист на камеры КСО 386 (схема №2) Опросный лист на панели Щ070. Вариант с автоматическими выключателями Опросный лист на панели Щ070. Вариант с предохранителями (160-250 кВА) Опросный лист на панели Щ070. Вариант с предохранителями (400 кВА) Прилагаемые документы марки "ЭСК" Ведомость изделий МЭЗ Конструкция для крепления изоляторов. Тип 1 Конструкция для крепления изоляторов. Тип 2 Конструкция для крепления изоляторов. Тип 3 Плита проходная Кронштейн под линейные изоляторы Плита проходная асбестоцементная Барьер в камере трансформатора Подставка изолирующая |
| Разработан: | Ивановское отделение института Гипрокоммунэнерго МЖКХ РСФСР |
| Утверждён: | 12.08.1988 Минжилкомхоз РСФСР (Russian Federation Minzhilkomkhoz 216) |

































































