Скачать Типовой проект 407-1-81 Альбом 1. Пояснительная записка. Технологические чертежиДата актуализации: 01.01.2021
|
| Обозначение: | Типовой проект 407-1-81 |
| Обозначение англ: | 407-1-81 |
| Статус: | действует |
| Название рус.: | Альбом 1. Пояснительная записка. Технологические чертежи |
| Дата добавления в базу: | 01.09.2013 |
| Дата актуализации: | 01.01.2021 |
| Дата введения: | 15.05.1977 |
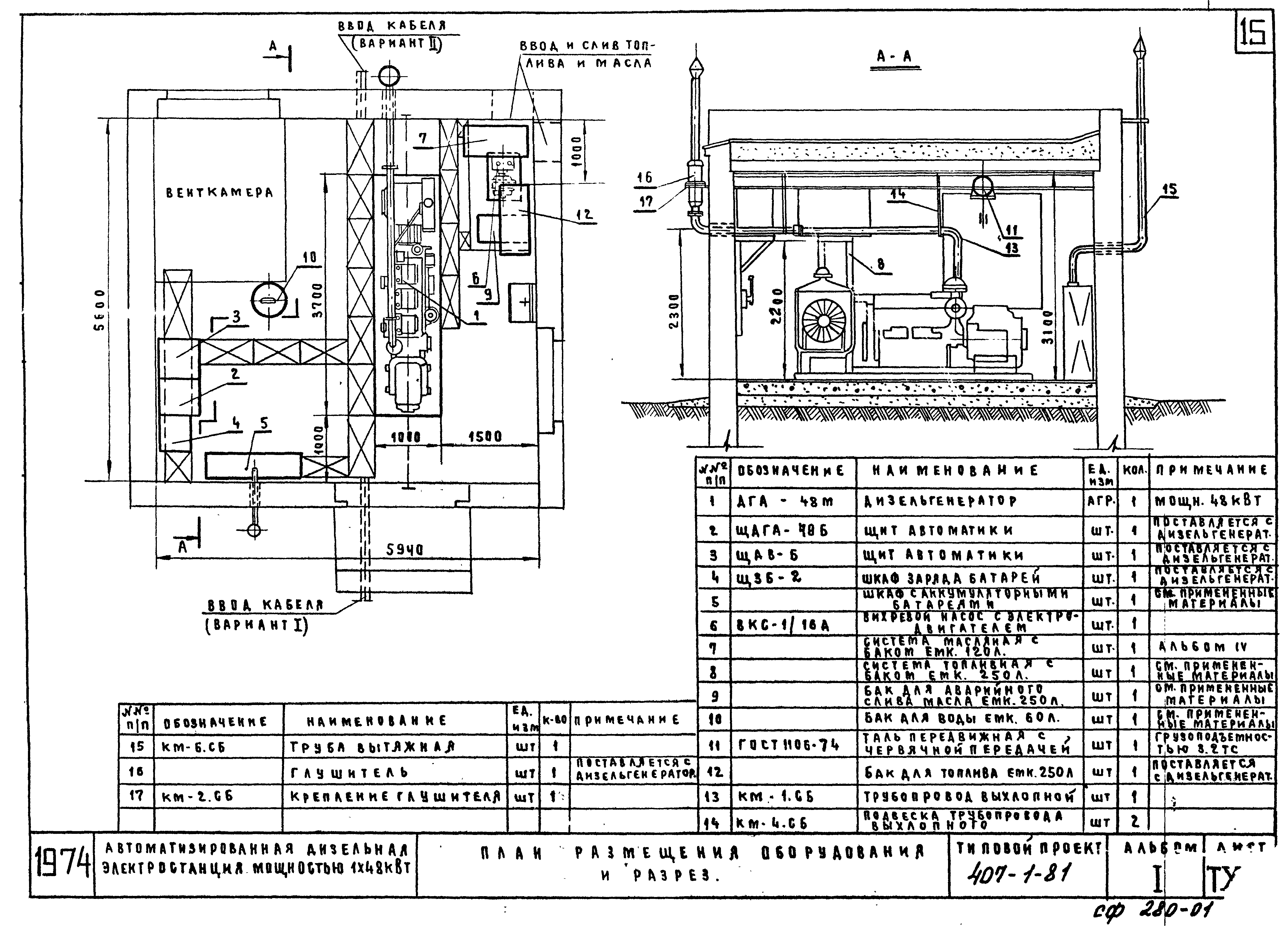
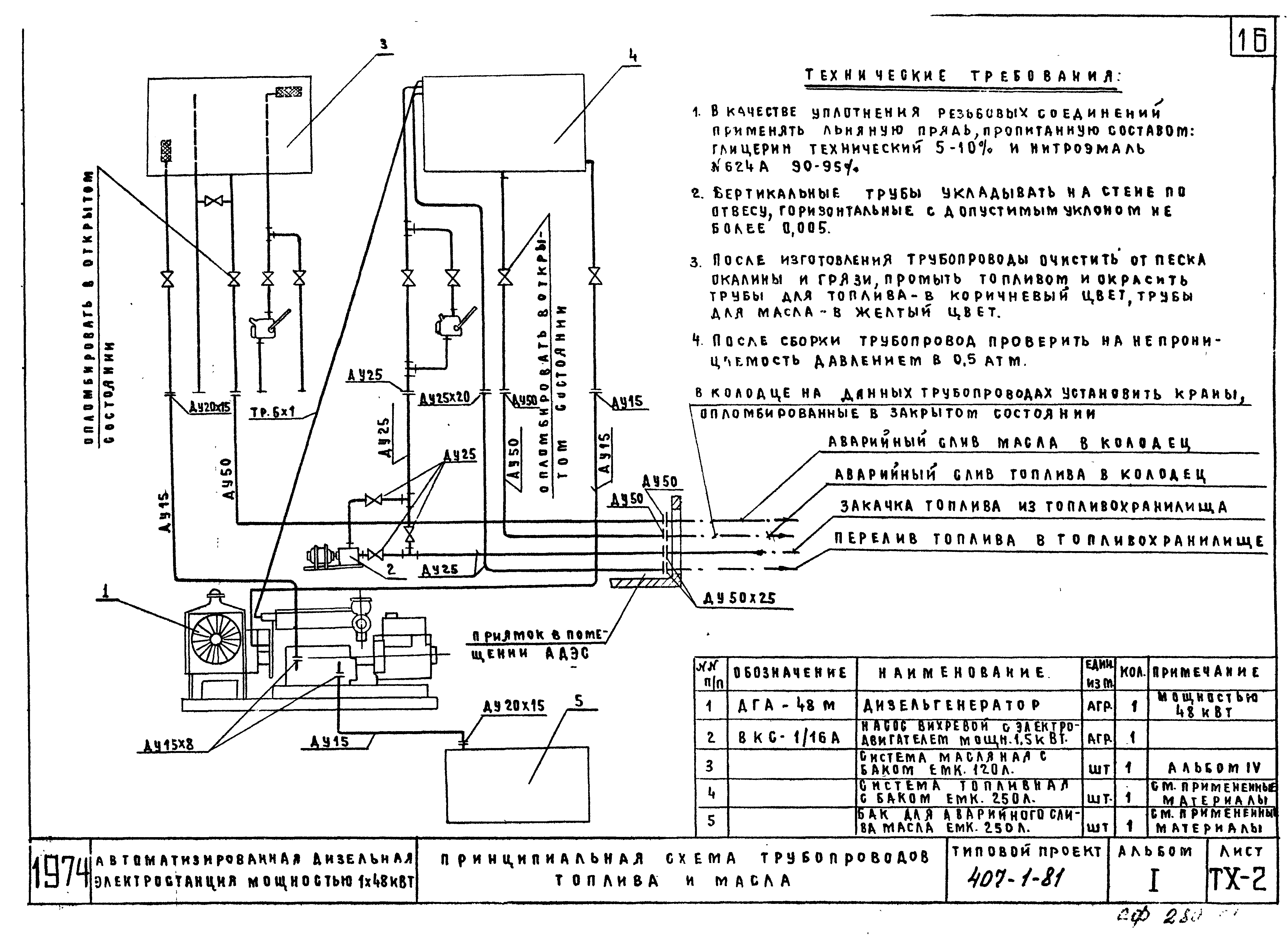
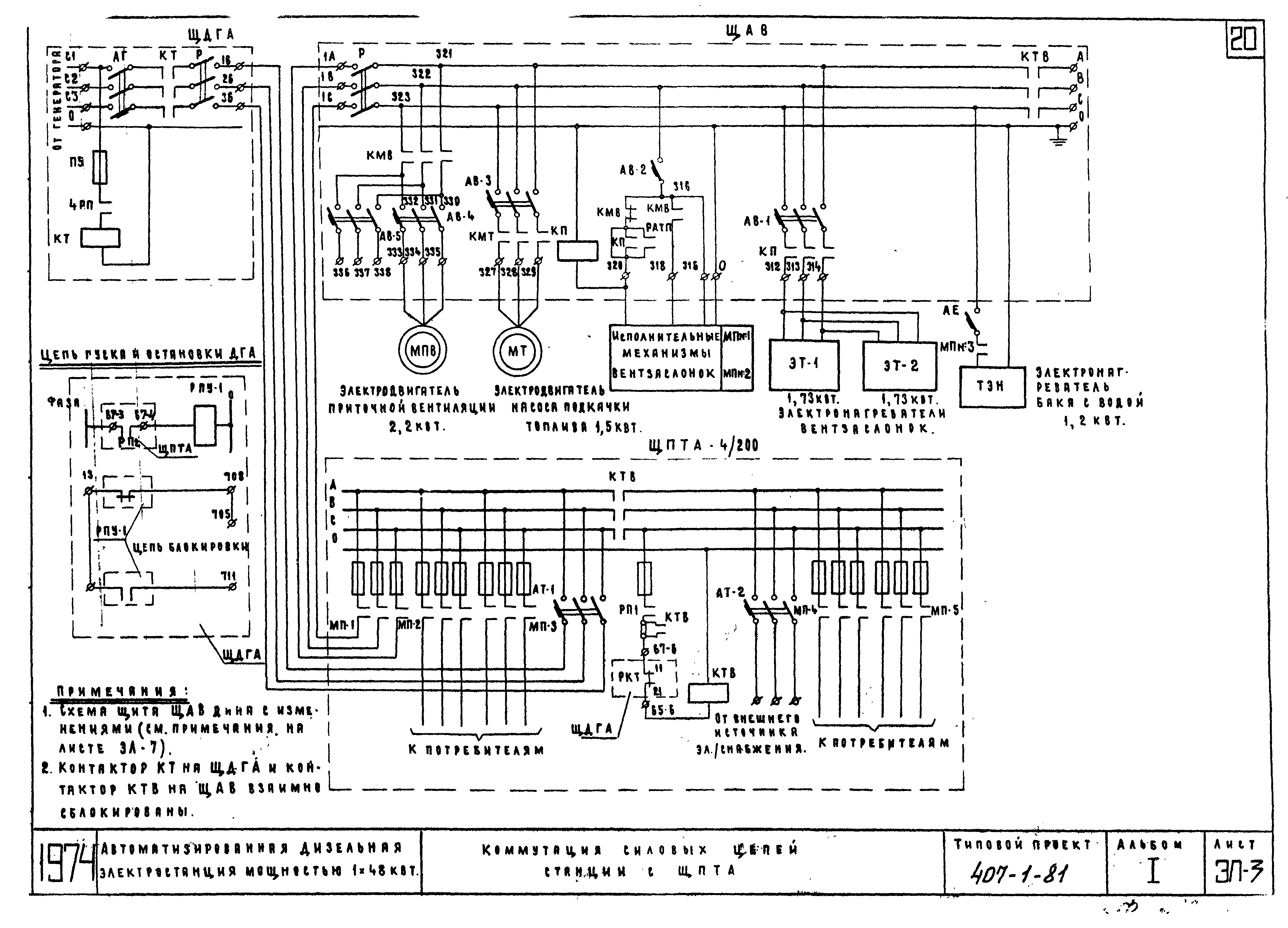
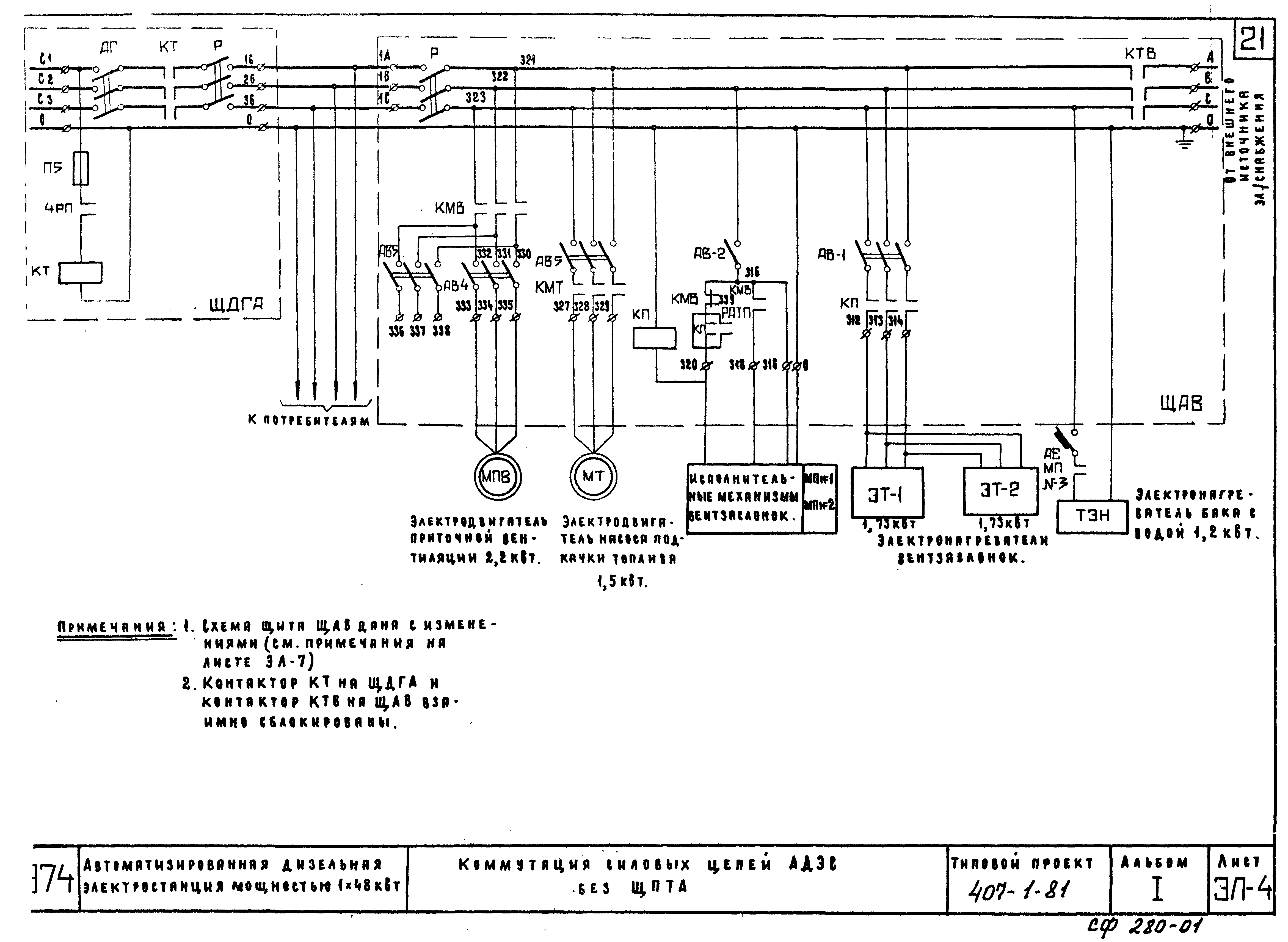
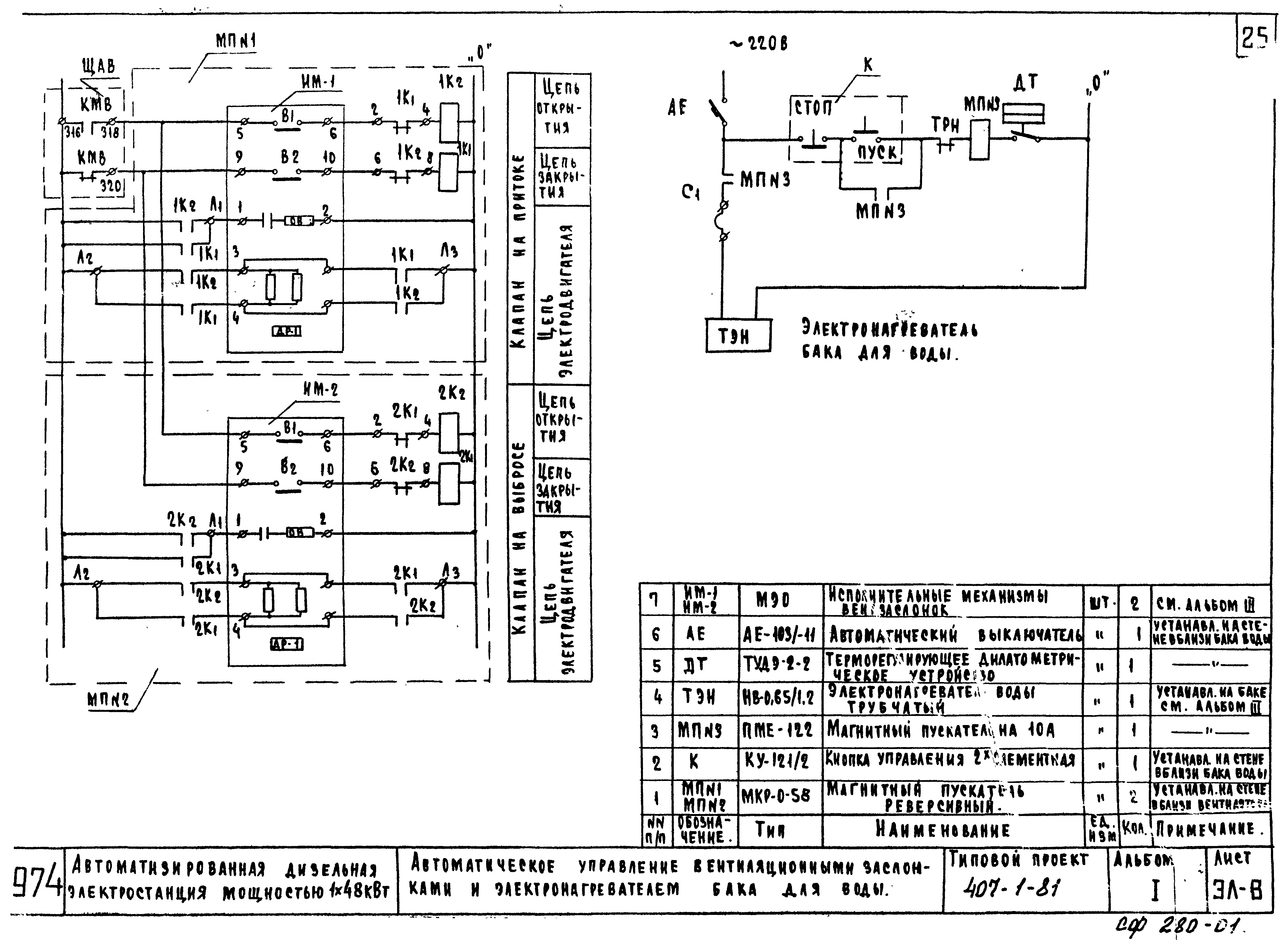
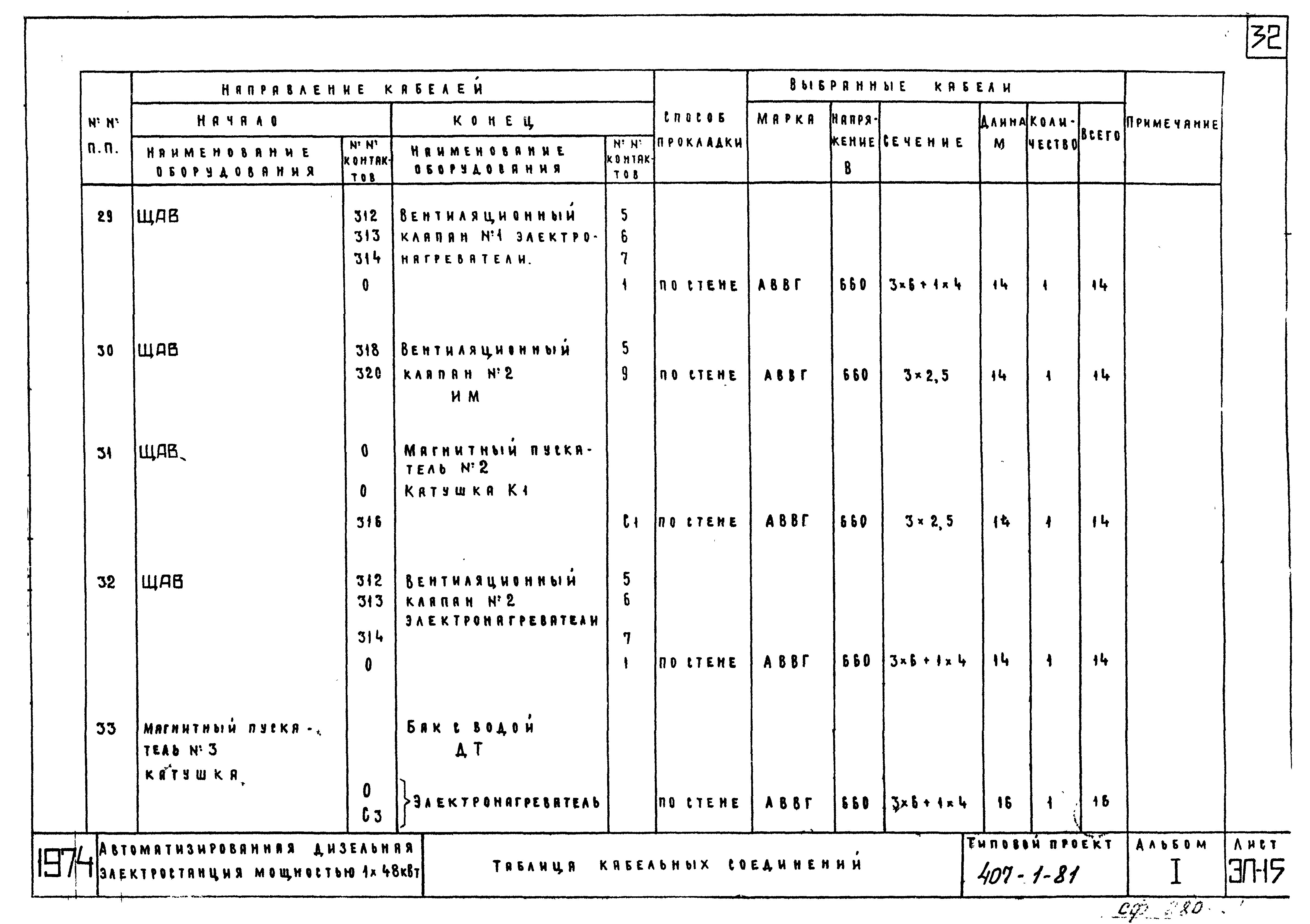
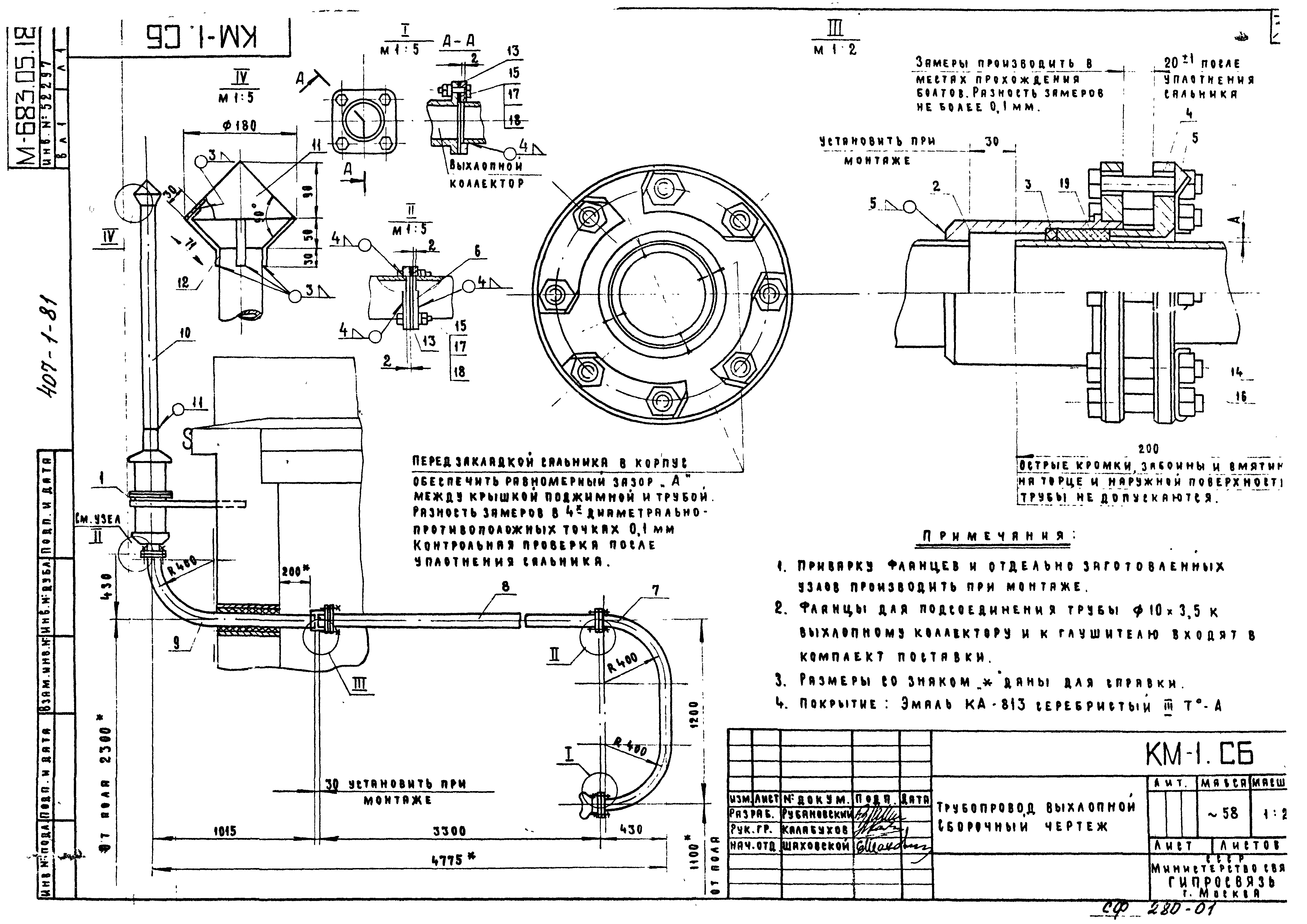
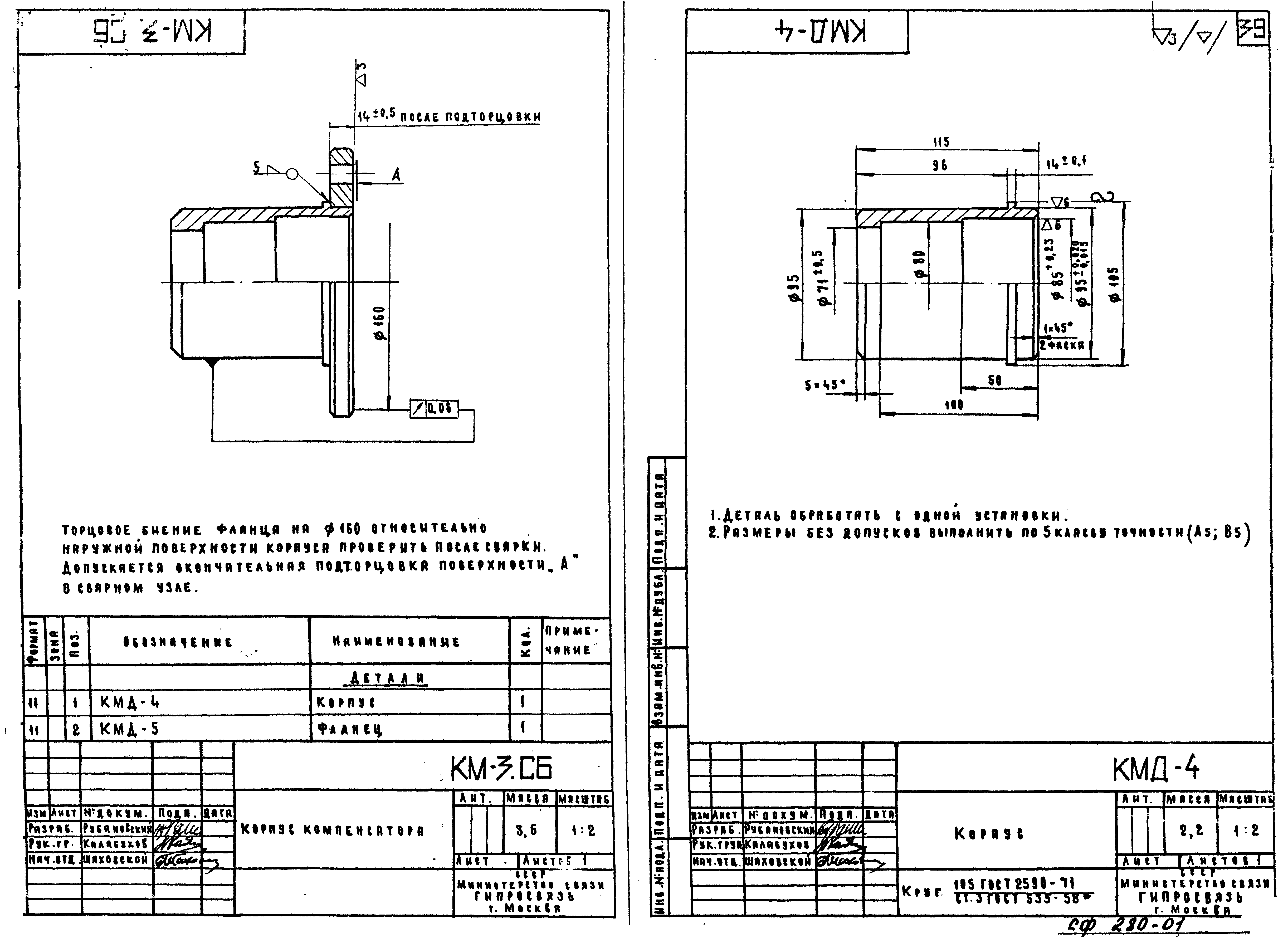
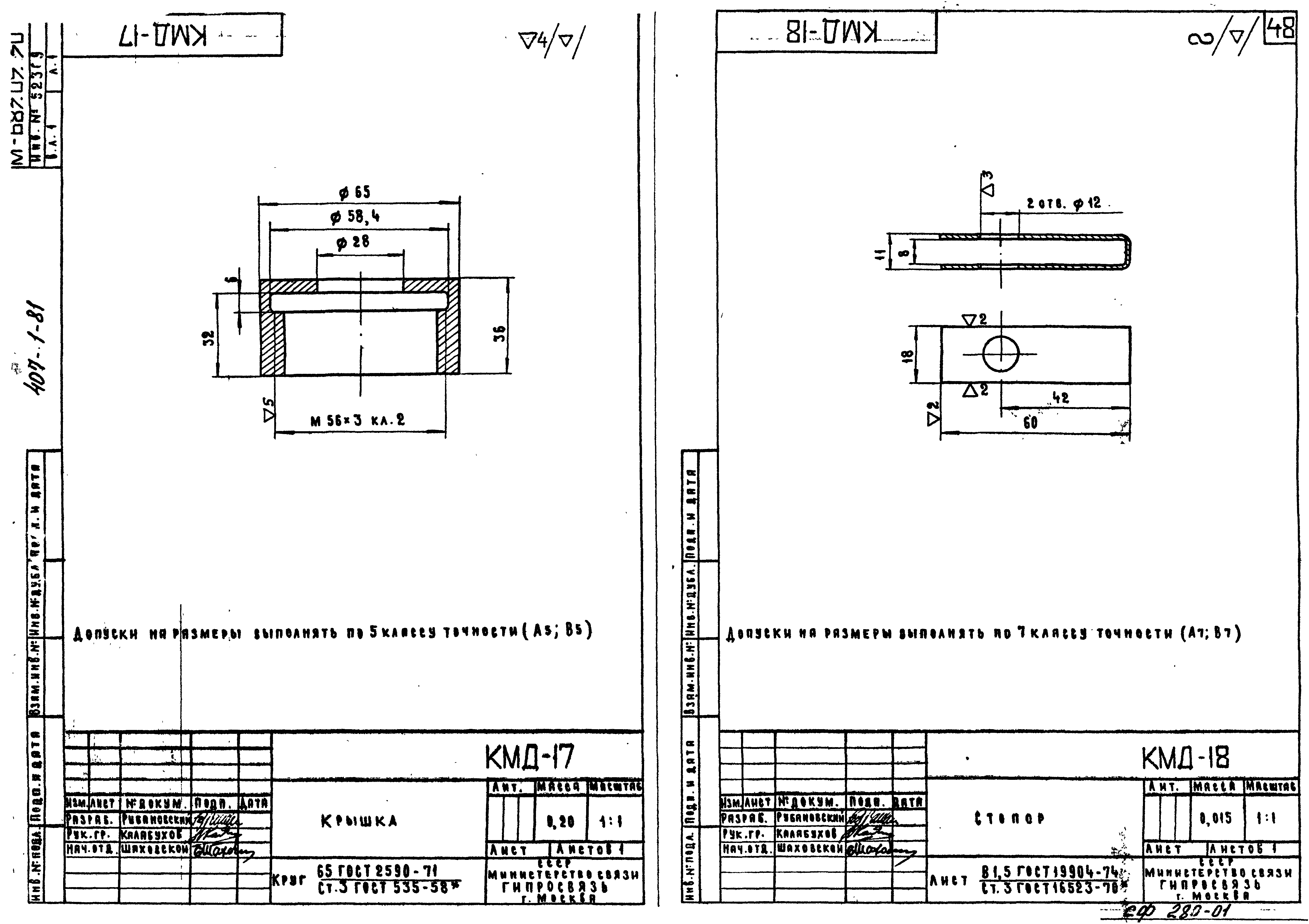
| Оглавление: | 1. Титульный лист 2. Заглавный лист 3. Пояснительная записка 4. План размещения оборудования и разрез 5. Принципиальная схема трубопроводов топлива и масла 6. Монтажная схема трубопроводов топлива и масла 7. Принципиальная электрическая схема станции с ЩПТА 4/200 8. Принципиальная электрическая схема станции без ЩПТА 9. Коммутация силовых цепей станции с ЩПТА 4/200 10. Коммутация силовых цепей станции без ЩПТА 11. Схема монтажная электрическая 12. Автоматическое управление вентиляционными заслонками и электронагревателем бака для воды 13. Таблица кабельных соединений 14. План заземляющих проводников 15. Трубопровод выхлопной 16. Трубопровод выхлопной. Сборочный чертеж 17. Кронштейн для крепления глушителя к стене 18. Кронштейн 19. Прокладка 20. Хомут 21. Корпус компенсатора 22. Корпус 23. Фланец 24. Кольцо упорное 25. Крышка поджимная 26. Шайба стопорная 27. Фланец 28. Прокладка 29. Подвеска трубопровода выхлопного 30. Подвеска трубопровода выхлопного. Сборочный чертеж 31. Амортизатор 32. Амортизатор. Сборочный чертеж 33. Корпус 34. Втулка направляющая 35. Шайба амортизационная 36. Шайба промежуточная 37. Стержень 38. Шайба упорная 39. Крышка 40. Стопор 41. Стяжка 42. Хомут 43. Скоба 44. Скоба 45. Труба вытяжная 46. Труба вытяжная. Сборочный чертеж 47. Фланец 48. Хомут |
| Разработан: | Гипросвязь |
| Утверждён: | 06.01.1976 Минсвязи СССР (USSR Minsvyazi ) |





















































