Скачать Шифр А18-93 Технические данные магнитных пускателей типа ПМ12 на 100 и 160 А и их установка в производственных помещениях. Материалы для проектирования и рабочие чертежиДата актуализации: 01.01.2021
|
| Обозначение: | Шифр А18-93 |
| Обозначение англ: | А18-93 |
| Статус: | справочные материалы, мп, тпр |
| Название рус.: | Технические данные магнитных пускателей типа ПМ12 на 100 и 160 А и их установка в производственных помещениях. Материалы для проектирования и рабочие чертежи |
| Дата добавления в базу: | 01.10.2014 |
| Дата актуализации: | 01.01.2021 |
| Дата введения: | 01.01.1994 |
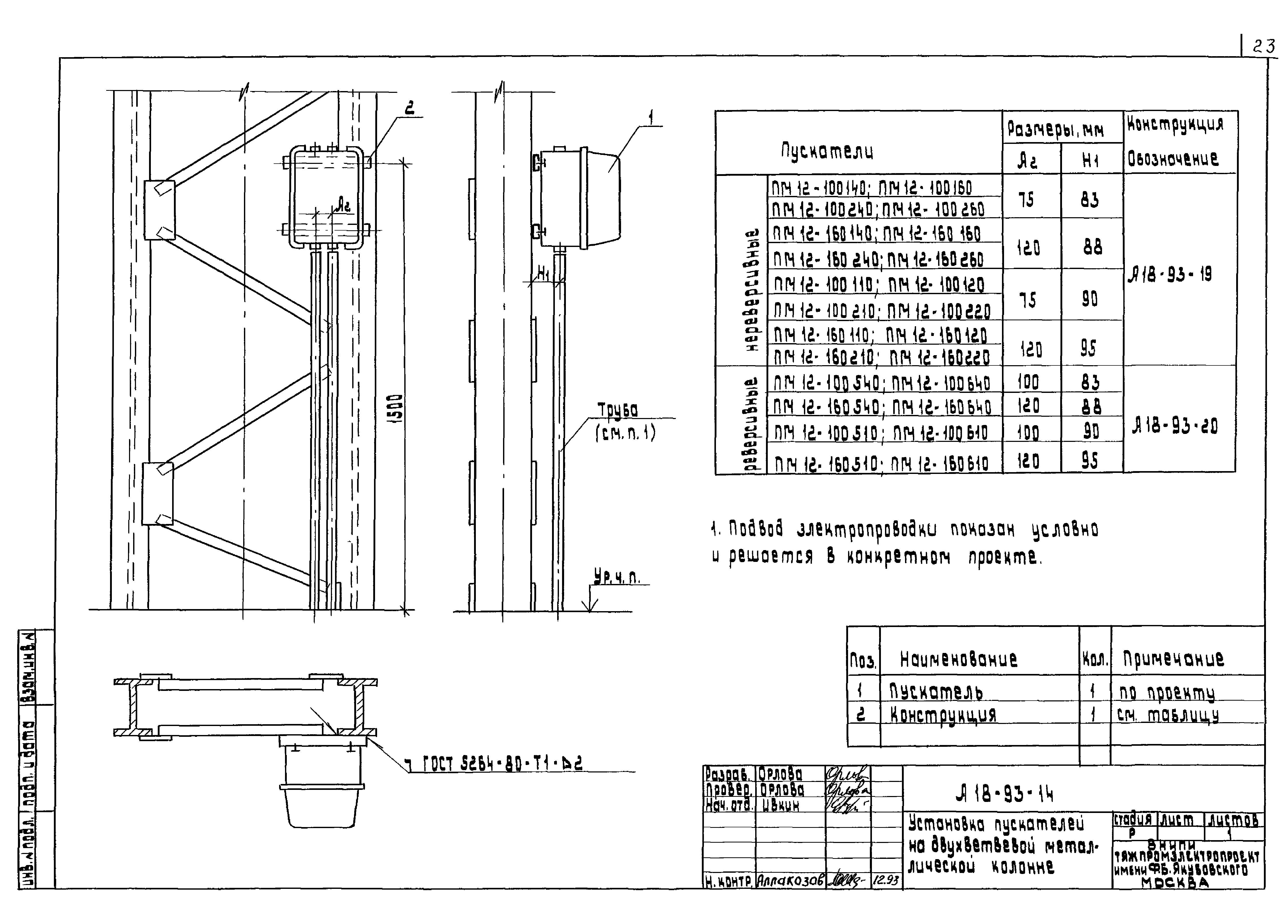
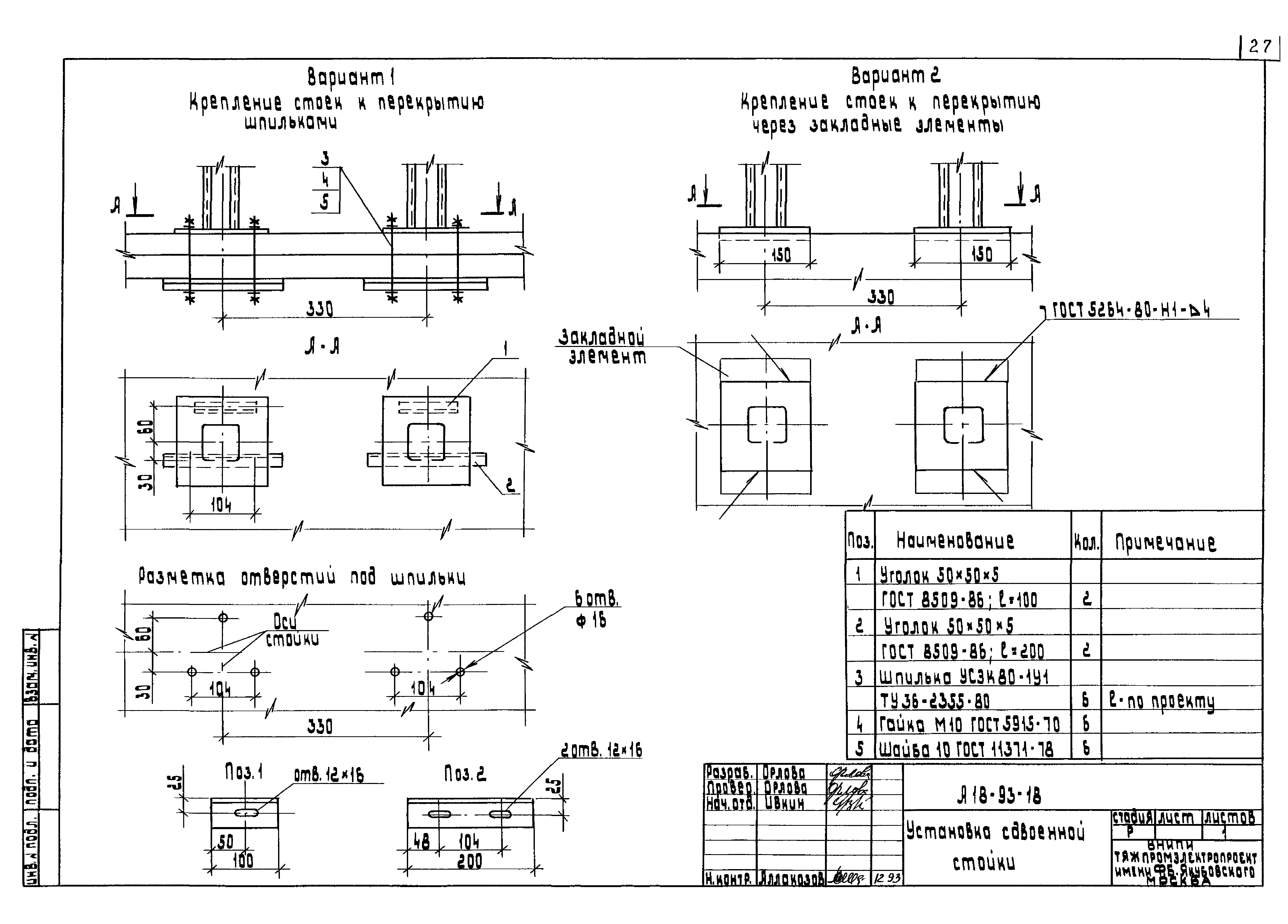
| Оглавление: | А18-93-01 Содержание А18-93-02 Пояснительная записка А18-93-03 Условное обозначение пускателей А18-93-04ГЧ Пускатели со степенью защиты 1Р00. Габаритный чертеж А18-93-05ГЧ Пускатели со степенью защиты 1Р20. Габаритный чертеж А18-93-06ГЧ Пускатели нереверсивные, степень защиты 1Р40. Габаритный чертеж А18-93-07ГЧ Пускатели нереверсивные, степень защиты 1Р54. Габаритный чертеж А18-93-08ГЧ Пускатели реверсивные, степень защиты 1Р40. Габаритный чертеж А18-93-09ГЧ Пускатели реверсивные, степень защиты 1Р54. Габаритный чертеж А18-93-10 Схемы электрические принципиальные пускателей А18-93-11 Установка пускателей на стене и железобетонной колонне А18-93-12 Установка пускателей на металлической колонне. Вариант 1 А18-93-13 Установка пускателей на металлической колонне. Вариант 2 А18-93-14 Установка пускателей на двухветвевой металлической колонне А18-93-15 Установка нереверсивного пускателя на стойке А18-93-16 Установка нереверсивного пускателя на стойке А18-93-17 Установка одиночной стойки. Узел I А18-93-18 Установка сдвоенной стойки. Узел II А18-93-19 Конструкция КСН А18-93-20 Конструкция КСР А18-93-21 Конструкция КК-500 А18-93-22 Конструкция КК-600 А18-93-23 Конструкция КК-700 А18-93-24 Конструкция КК-800 А18-93-25 Конструкция КК-1000 |
| Разработан: | ВНИПИ Тяжпромэлектропроект им. Ф.Б. Якубовского |
| Утверждён: | 24.12.1993 ВНИПИ Тяжпромэлектропроект им. Ф.Б. Якубовского (F.B.Yakubovskiy Tyazhpromelektroproject VNIPI 50) |

































