Скачать Шифр А29-95 Установка комплектных трансформаторных подстанций с сухими трансформаторами на 630 и 1000 кВА Хмельницкого завода трансформаторных подстанций. Материалы для проектирования и рабочие чертежиДата актуализации: 01.01.2021
|
| Обозначение: | Шифр А29-95 |
| Обозначение англ: | А29-95 |
| Статус: | справочные материалы, мп, тпр |
| Название рус.: | Установка комплектных трансформаторных подстанций с сухими трансформаторами на 630 и 1000 кВА Хмельницкого завода трансформаторных подстанций. Материалы для проектирования и рабочие чертежи |
| Дата добавления в базу: | 01.10.2014 |
| Дата актуализации: | 01.01.2021 |
| Дата введения: | 01.08.1995 |
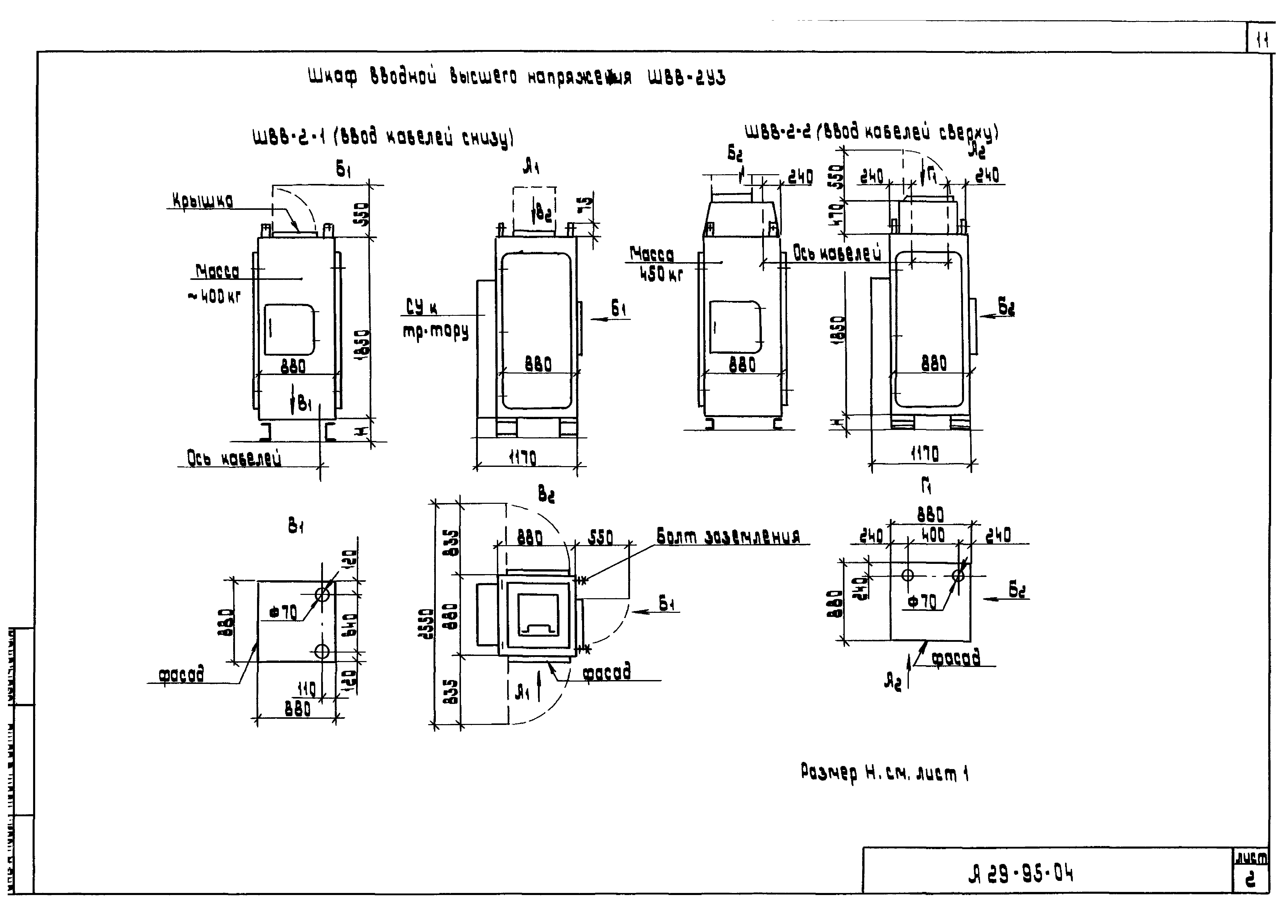
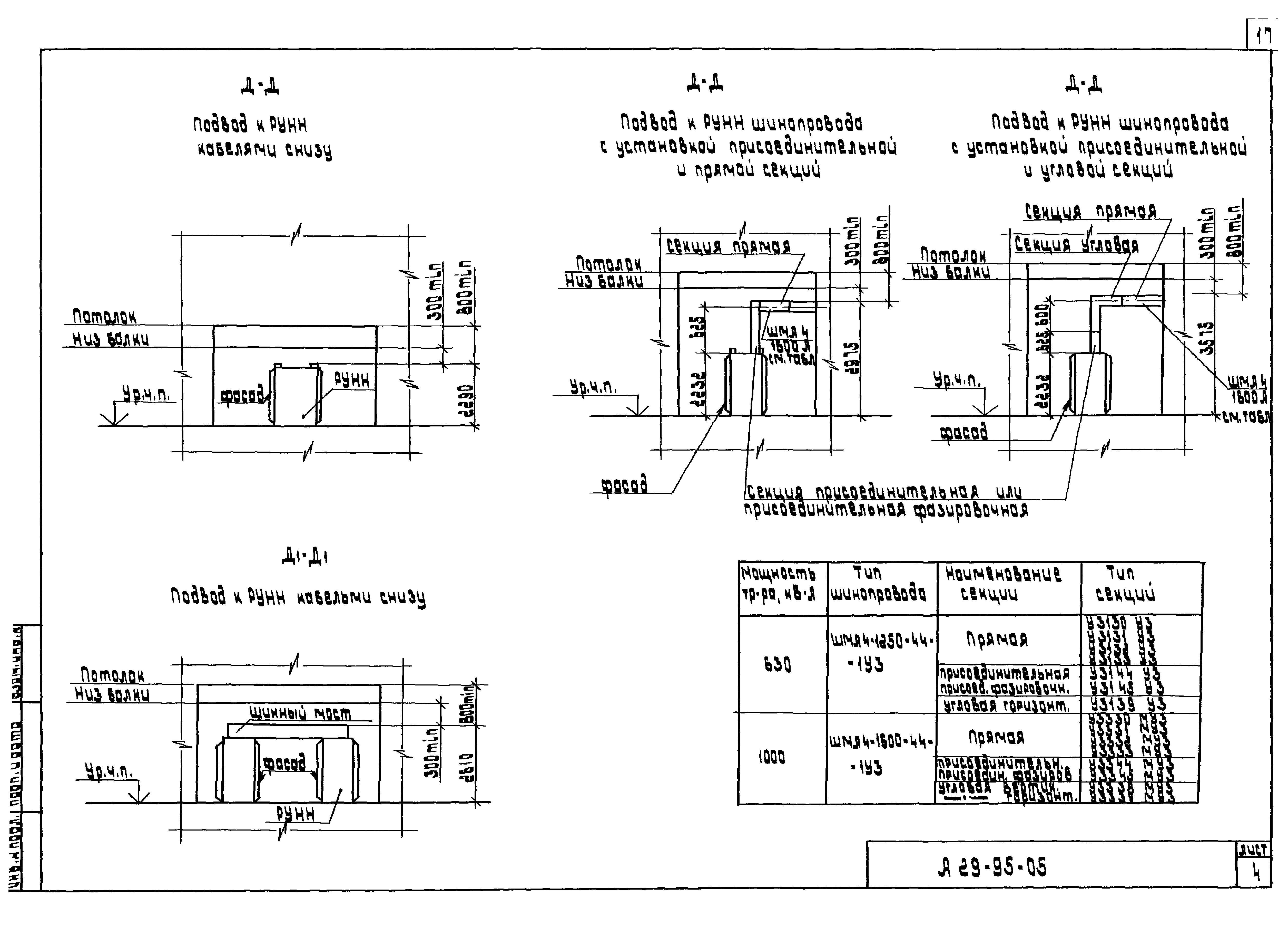
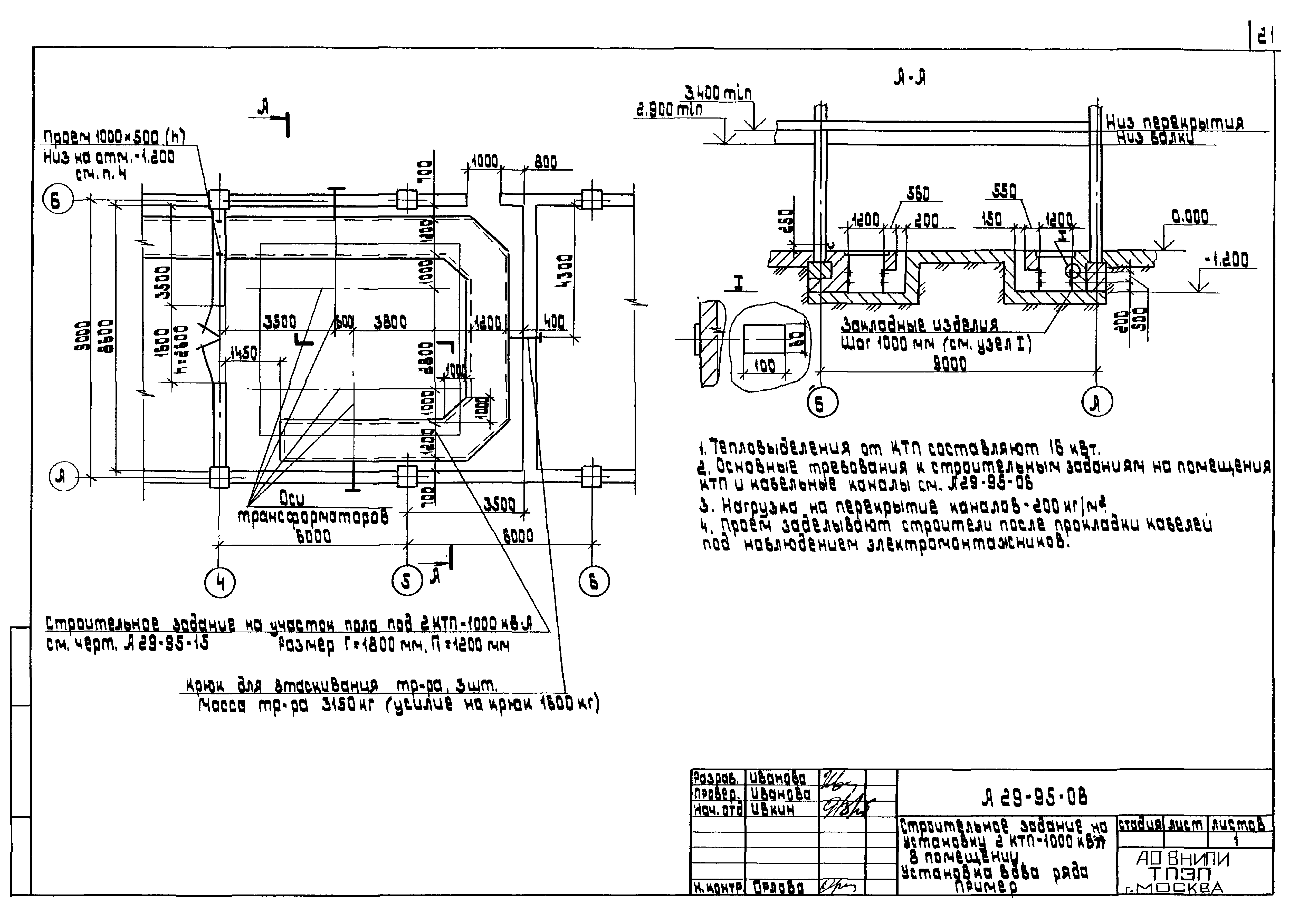
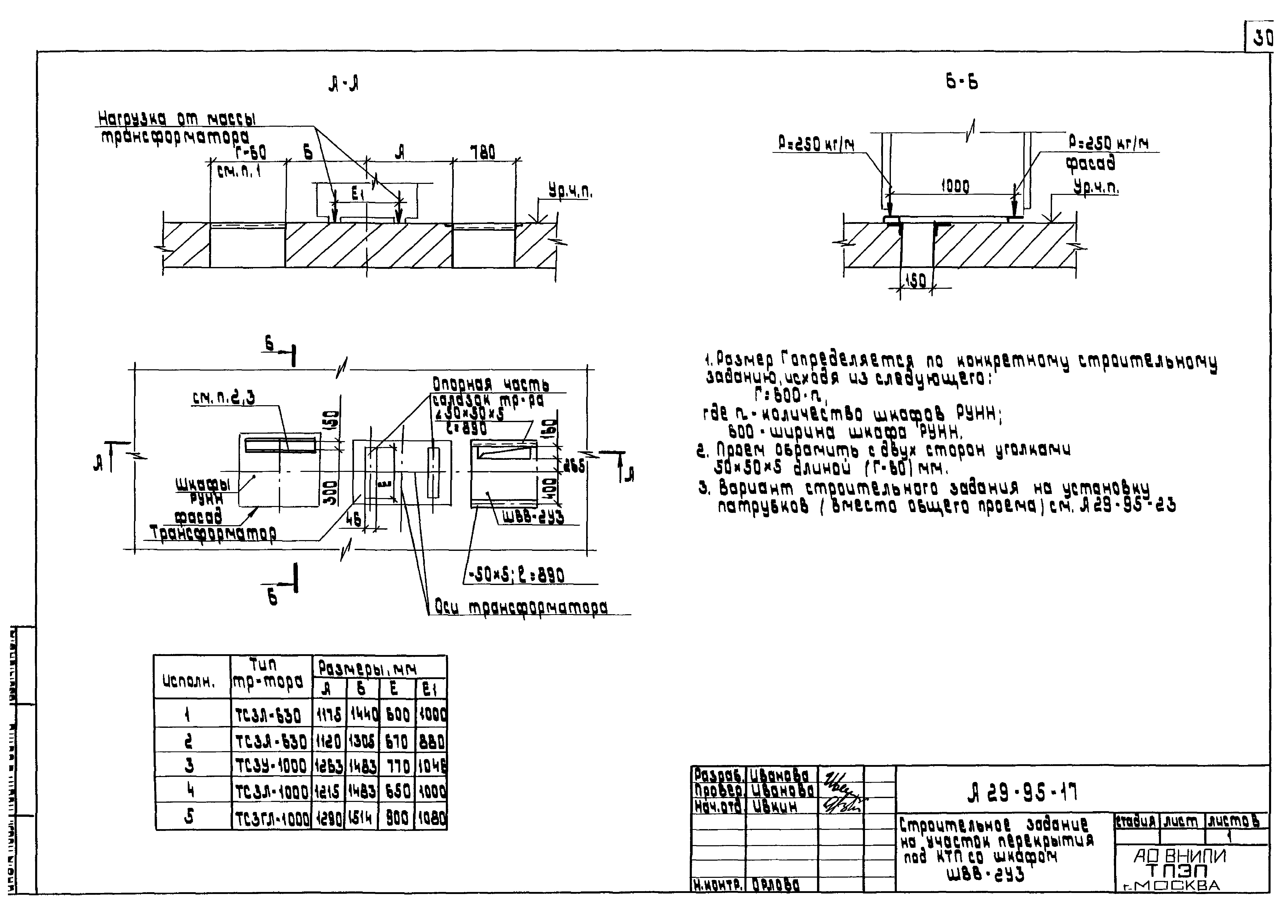
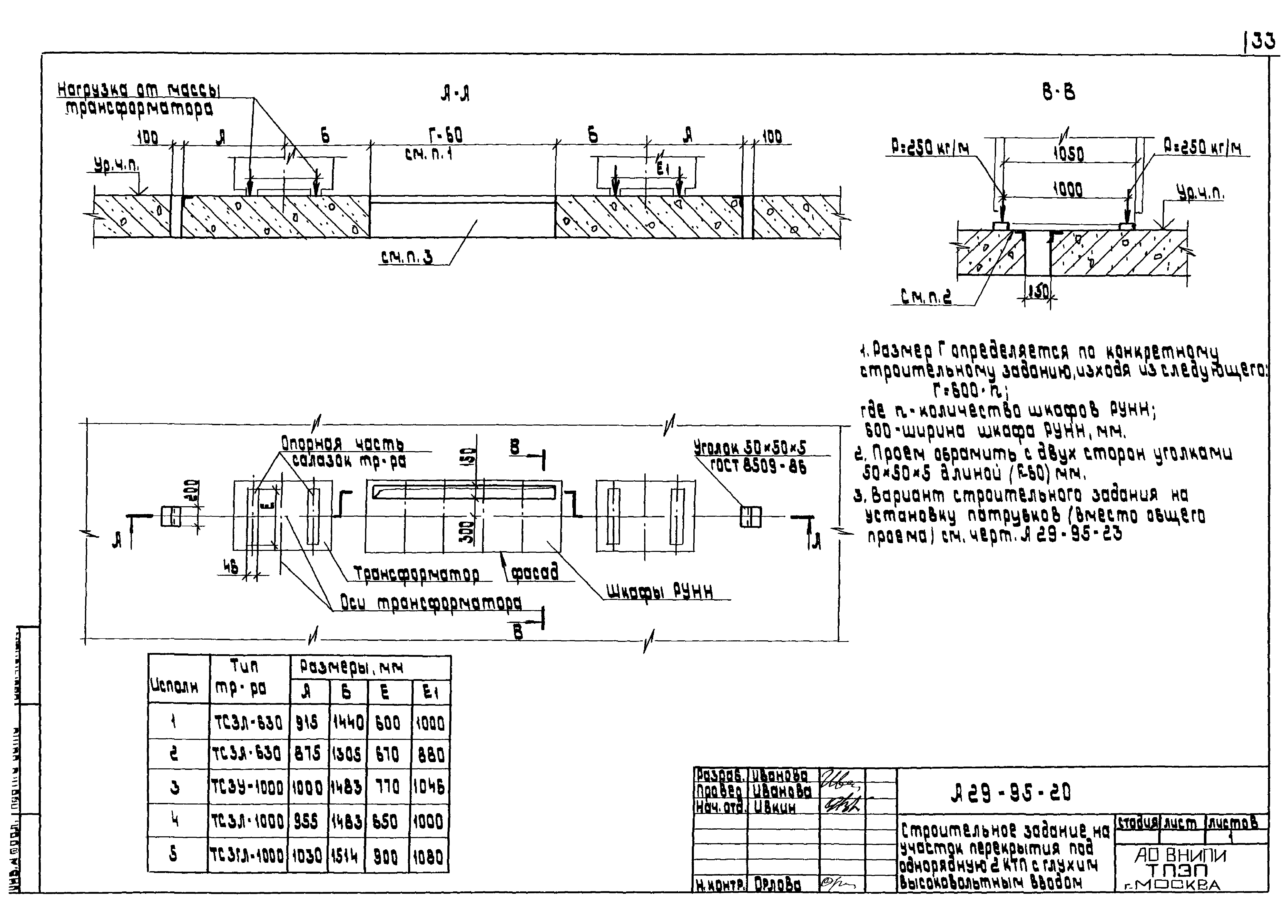
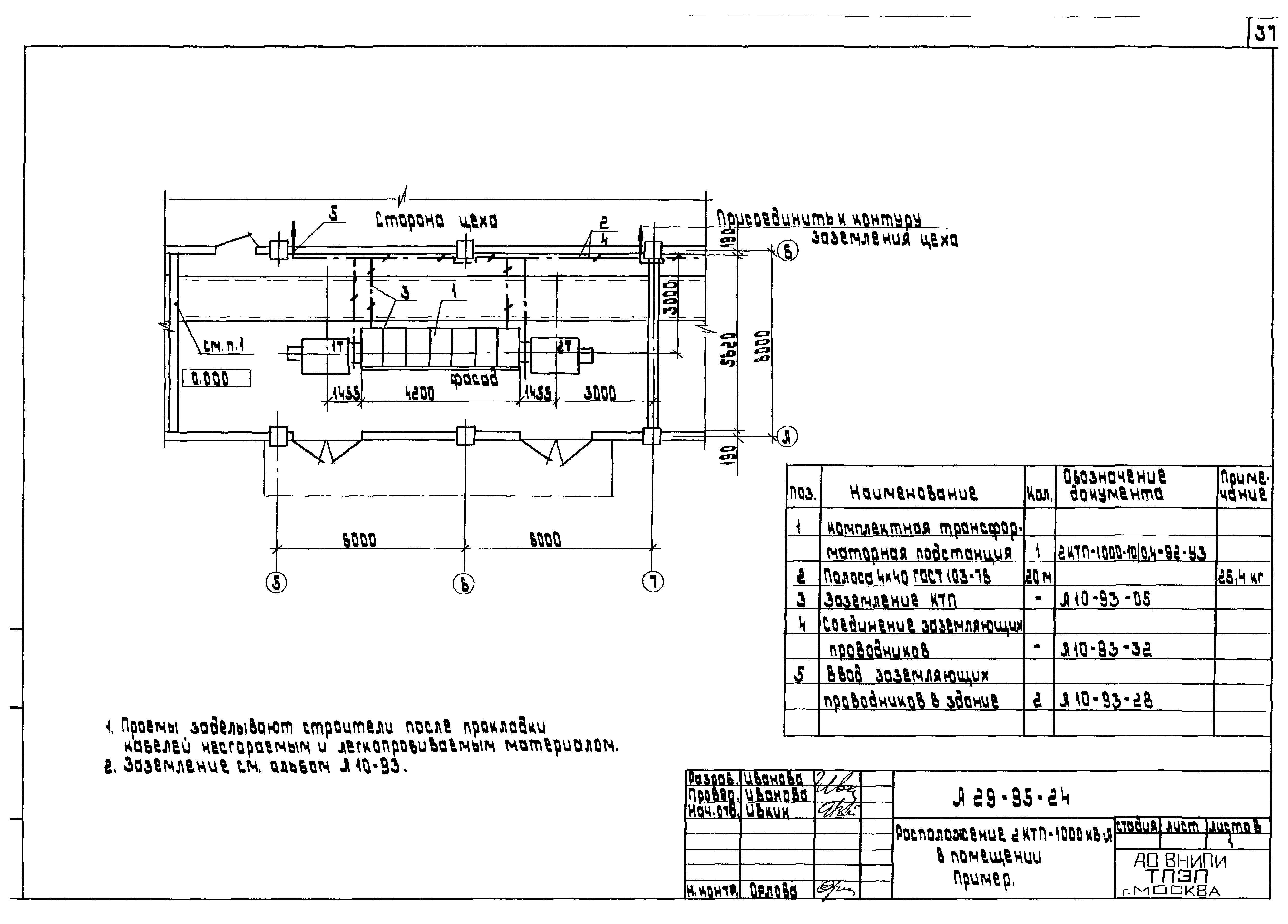
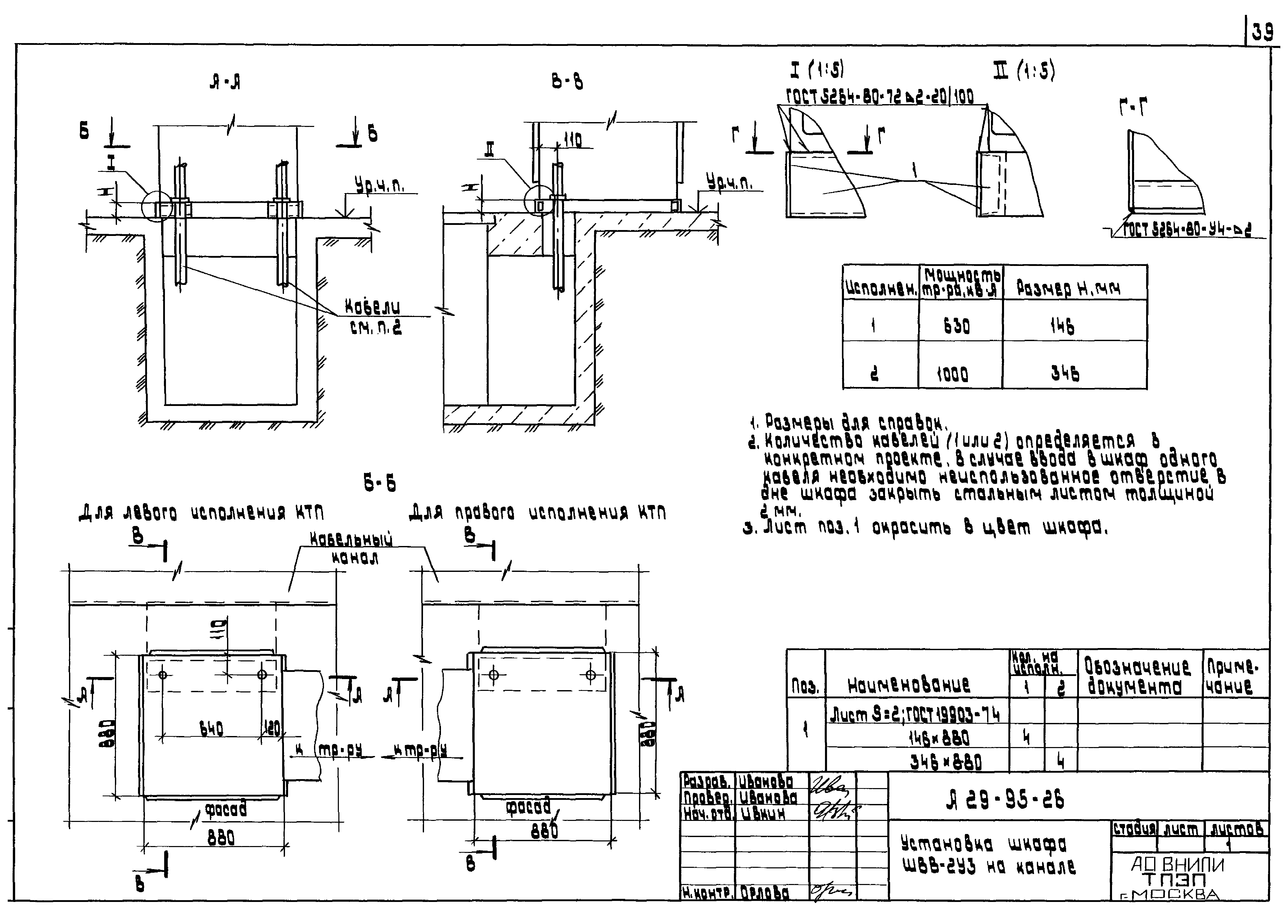
| Оглавление: | А29-95 Содержание А29-95-01ПЗ Пояснительная записка А29-95-02 Форма опросного листа для заказа КТП 630-1000/10/0,4-84У3 А29-95-03 Схемы главных цепей шкафов УВН и РУНН КТП 630 и 1000 кВА с сухими трансформаторами А29-95-04 КТП 630/10-0,4-84У3 и КТП 1000/10-0,4-84У3. Габаритный чертеж А29-95-05 Минимальные размеры приближений при размещении КТП в помещении А29-95-06СЗ Требования к строительным заданиям на установку КТП А29-95-07 Строительное задание на установку 2КТП 1000 кВА в один ряд. Пример А29-95-08 Строительное задание на установку 2КТП 1000 кВА в помещении. Установка в два ряда А29-95-09 Строительное задание на установку КТП 1000 кВА в цехе. Пример А29-95-10 Таблица выбора чертежей строительных заданий А29-95-11 Строительное задание на участок пола под КТП со шкафом ШВВ-2У3 А29-95-12 Строительное задание на участок пола под КТП с глухим высоковольтным вводом А29-95-13 Строительное задание на участок пола под однорядную 2КТП со шкафом ШВВ-2У3 А29-95-14 Строительное задание на участок пола под однорядную 2КТП с глухим высоковольтным вводом А29-95-15 Строительное задание на участок пола под двухрядную 2КТП со шкафом ШВВ-2У3 А29-95-16 Строительное задание на участок пола под двухрядную 2КТП с глухим высоковольтным вводом А29-95-17 Строительное задание на участок перекрытия под КТП со шкафом ШВВ-2У3 А29-95-18 Строительное задание на участок перекрытия под КТП с глухим высоковольтным вводом А29-95-19 Строительное задание на участок перекрытия под однорядную 2КТП со шкафом ШВВ-2У3 А29-95-20 Строительное задание на участок перекрытия под однорядную 2КТП с глухим высоковольтным вводом А29-95-21 Строительное задание на участок перекрытия под двухрядную 2КТП со шкафом ШВВ-2У3 А29-95-22 Строительное задание на участок перекрытия под двухрядную 2КТП с глухим высоковольтным вводом А29-95-23 Строительное задание на установку патрубков под шкафы РУНН А29-95-24 Расположение 2КТП 1000 кВА в помещении. Пример А29-95-25 Установка 2КТП 1000 кВА. Расположение на полу цеха. Пример А29-95-26 Установка шкафа ШВВ-2У3 на канале А29-95-27 Установка шкафа ШВВ-2У3 на перекрытии А29-95-28 Подвод кабелей к шкафам РУНН на канале А29-95-29 Подвод кабелей к шкафам РУНН на перекрытии |
| Разработан: | ОАО ВНИПИ Тяжпромэлектропроект |
| Утверждён: | 25.07.1995 ОАО ВНИПИ Тяжпромэлектропроект (VNIPI Tyazhpromelektroproject OAO 12) |









































