Скачать Типовой проект 901-1-91.88 Альбом II. Архитектурно-строительные решения (надземная часть), отопление, вентиляция, водопровод, канализацияДата актуализации: 01.01.2021
|
| Обозначение: | Типовой проект 901-1-91.88 |
| Обозначение англ: | 901-1-91.88 |
| Статус: | не определен законодательством |
| Название рус.: | Альбом II. Архитектурно-строительные решения (надземная часть), отопление, вентиляция, водопровод, канализация |
| Дата добавления в базу: | 01.09.2013 |
| Дата актуализации: | 01.01.2021 |
| Дата введения: | 05.07.1988 |
| Дата окончания срока действия: | 30.06.2003 |
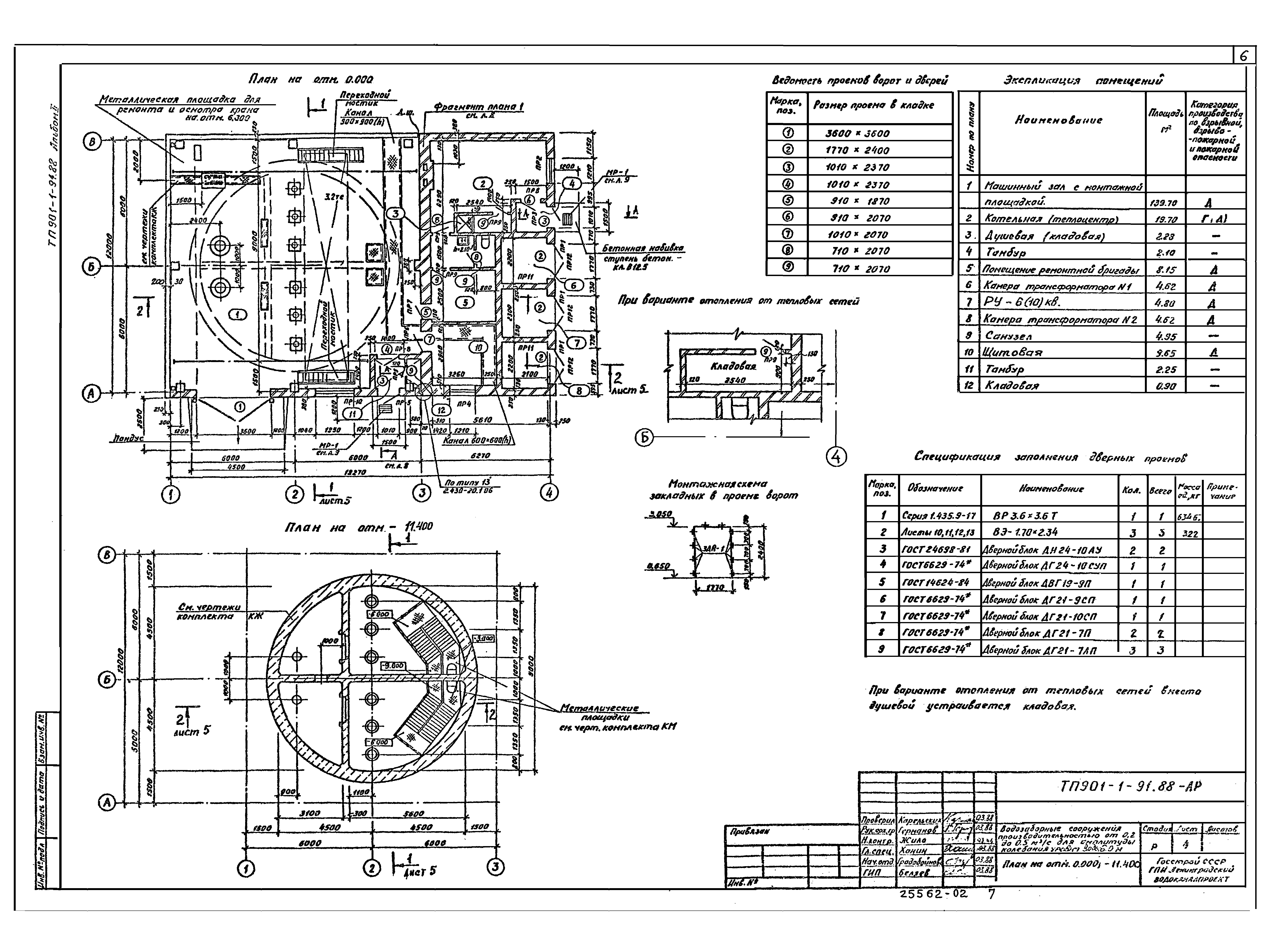
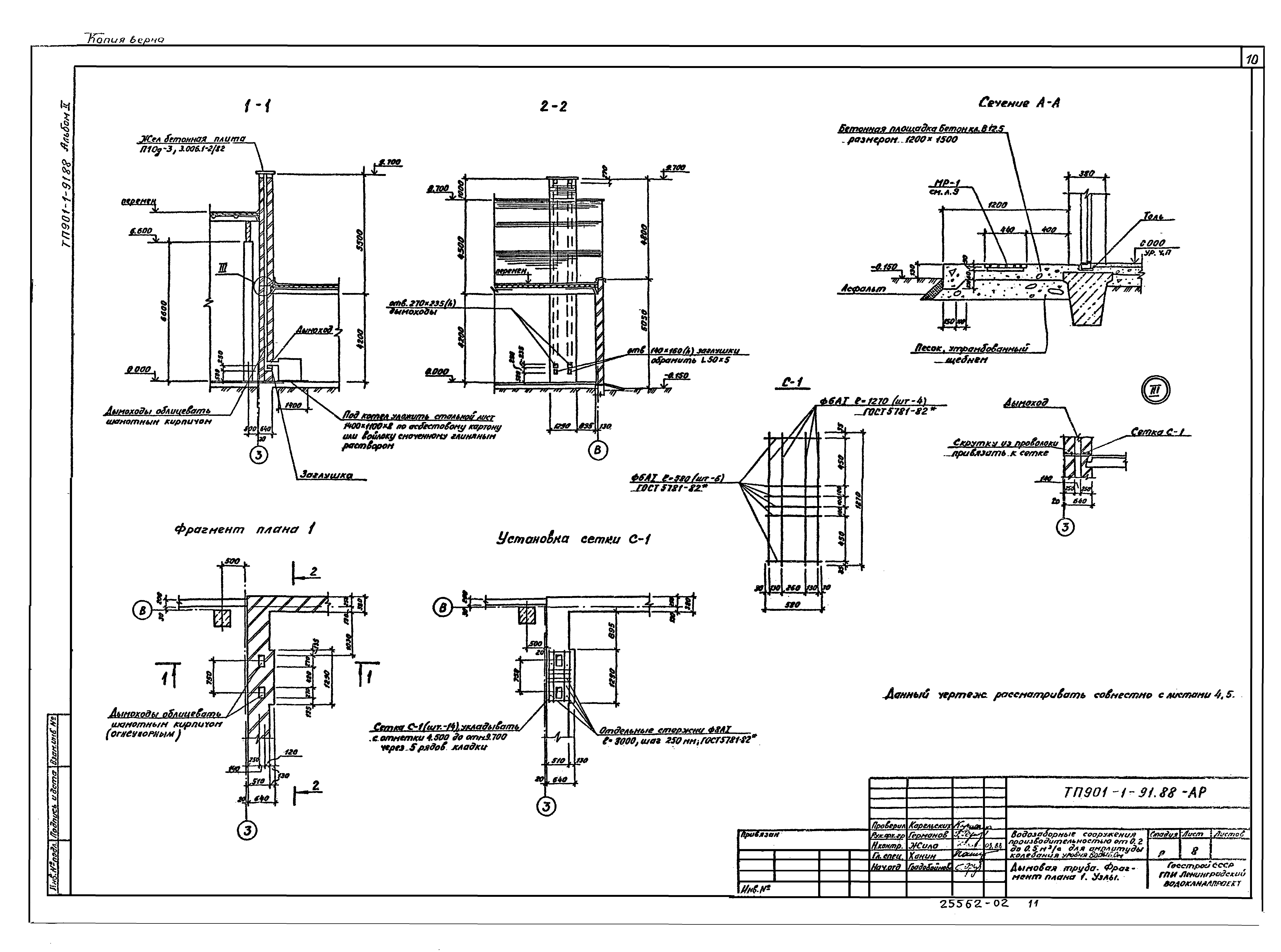
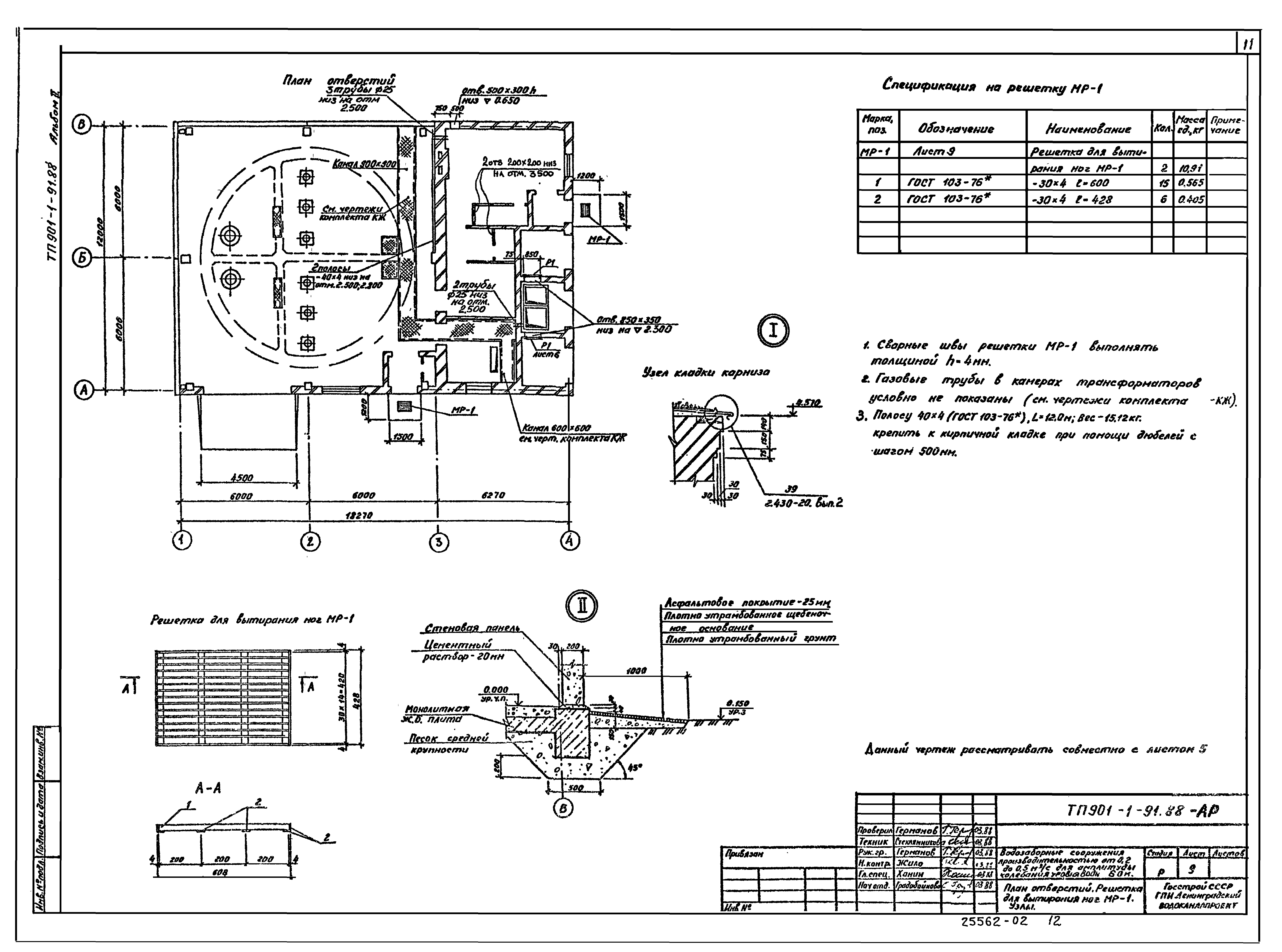
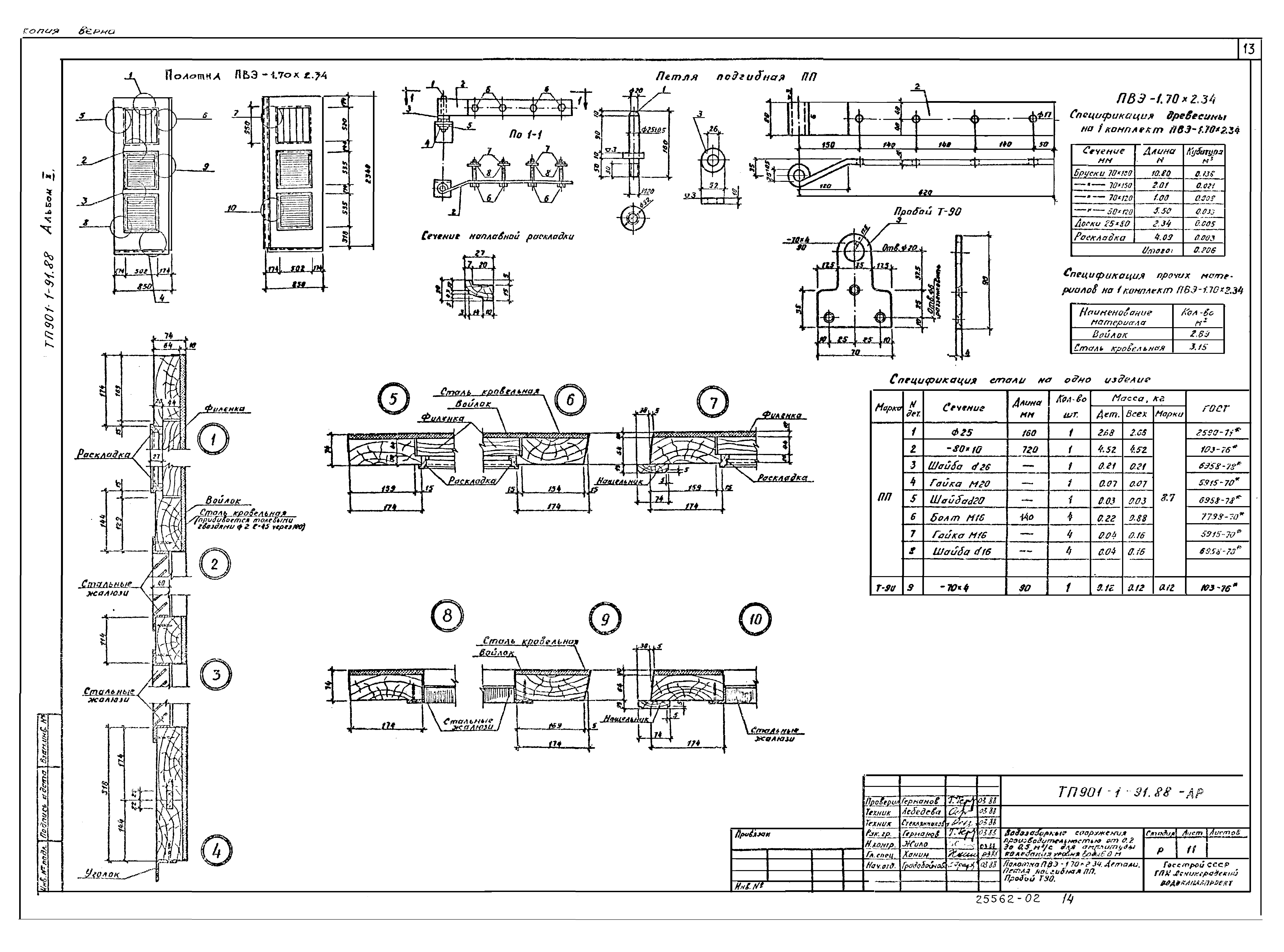
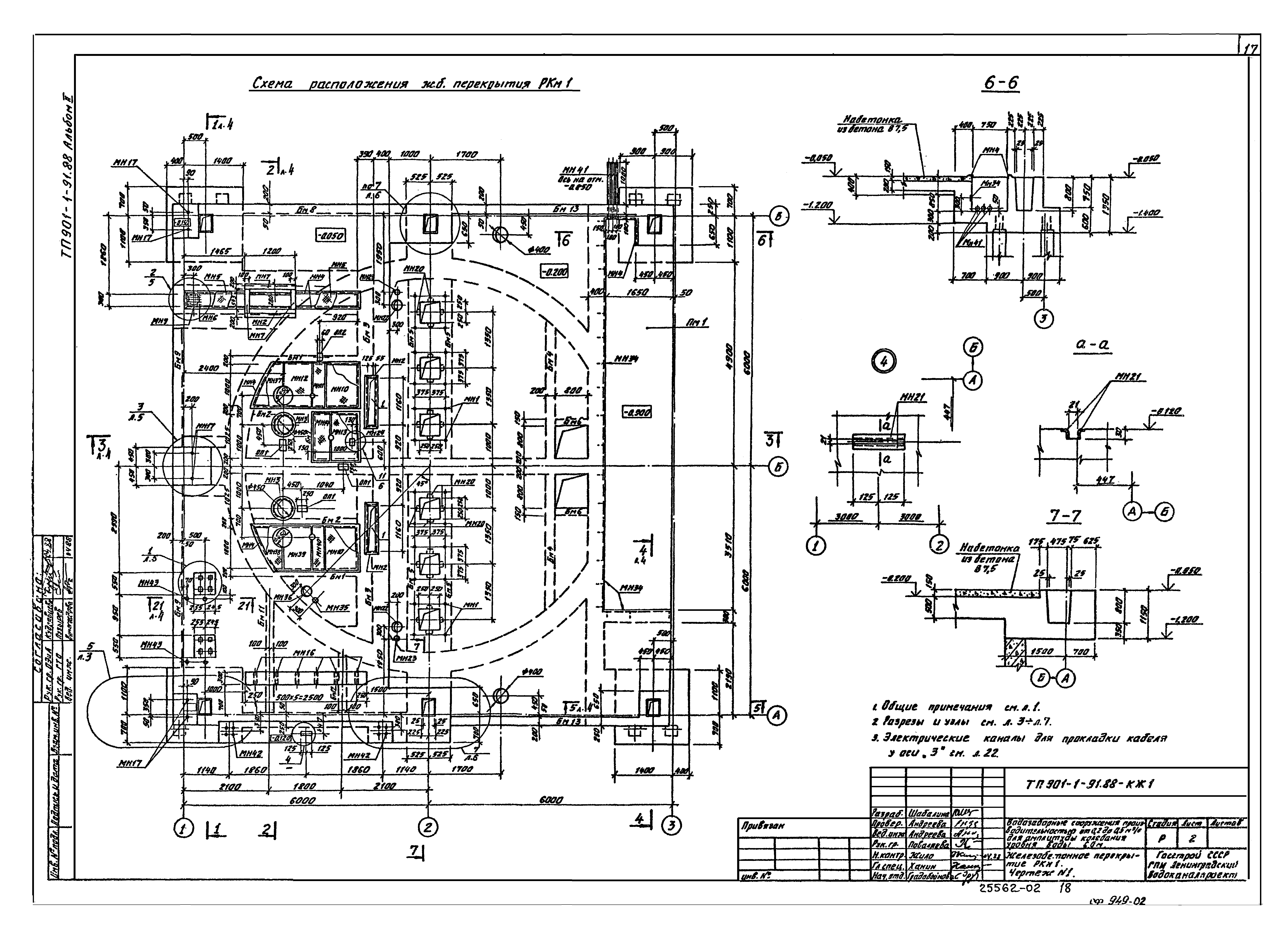
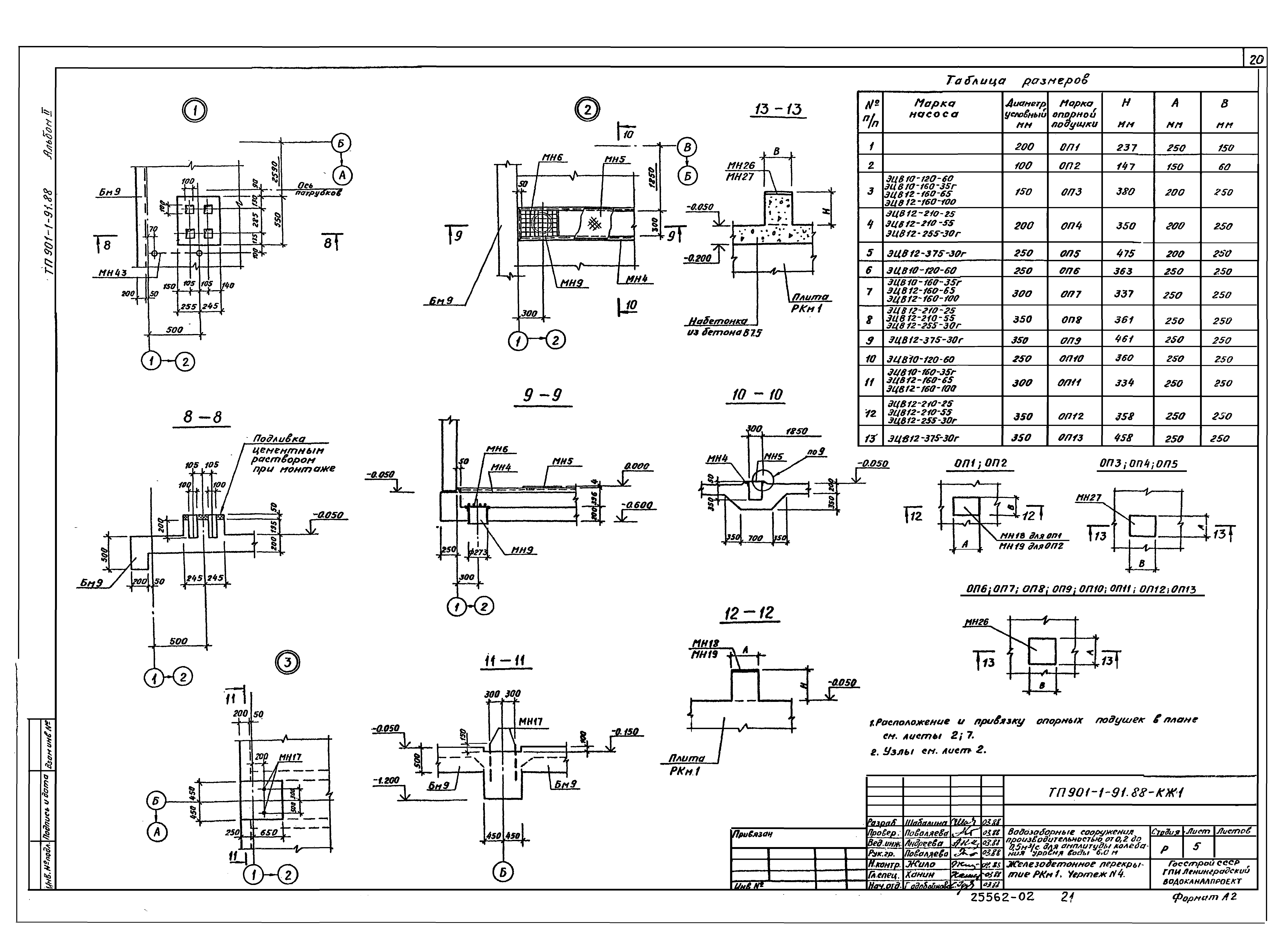
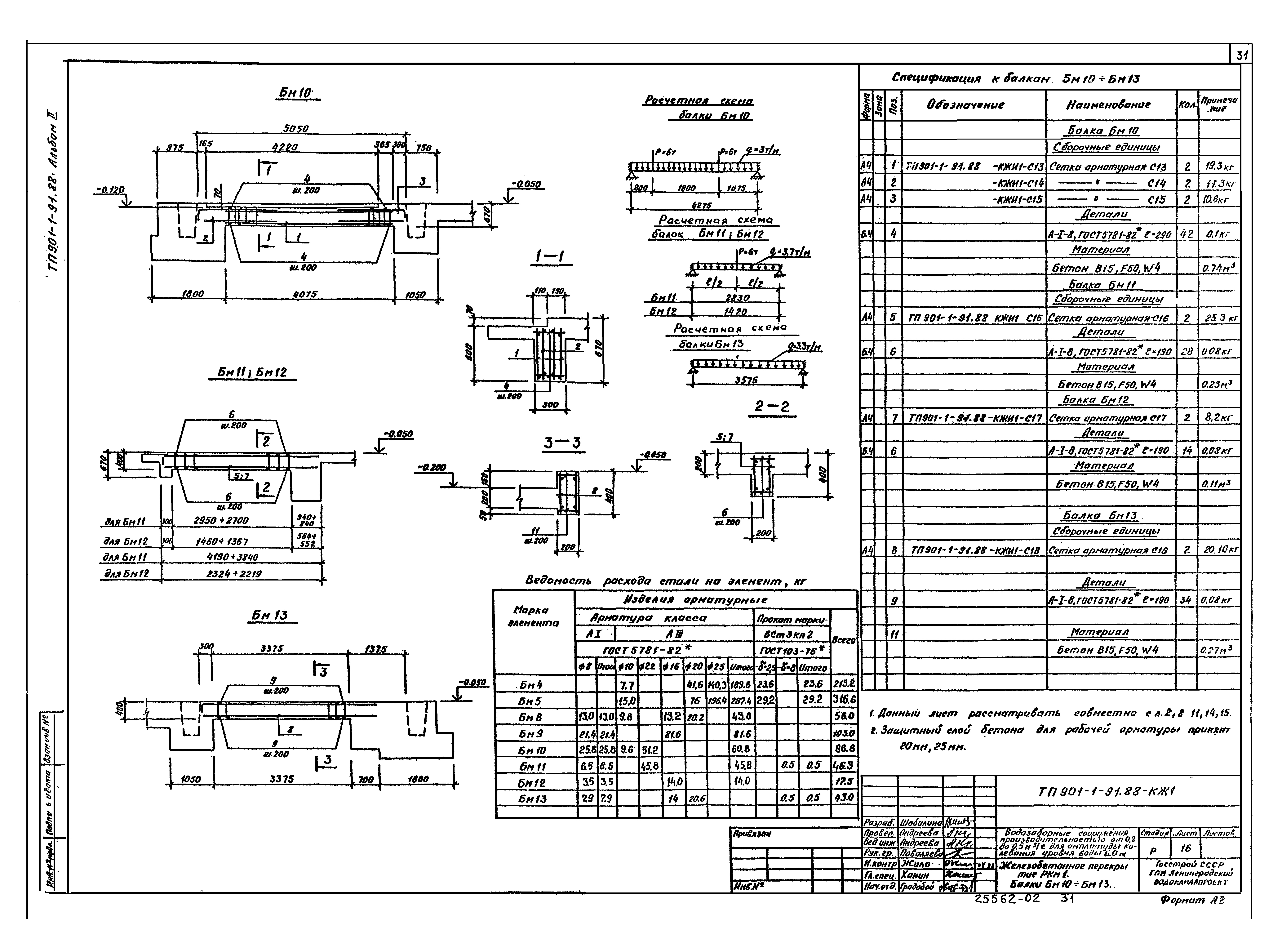
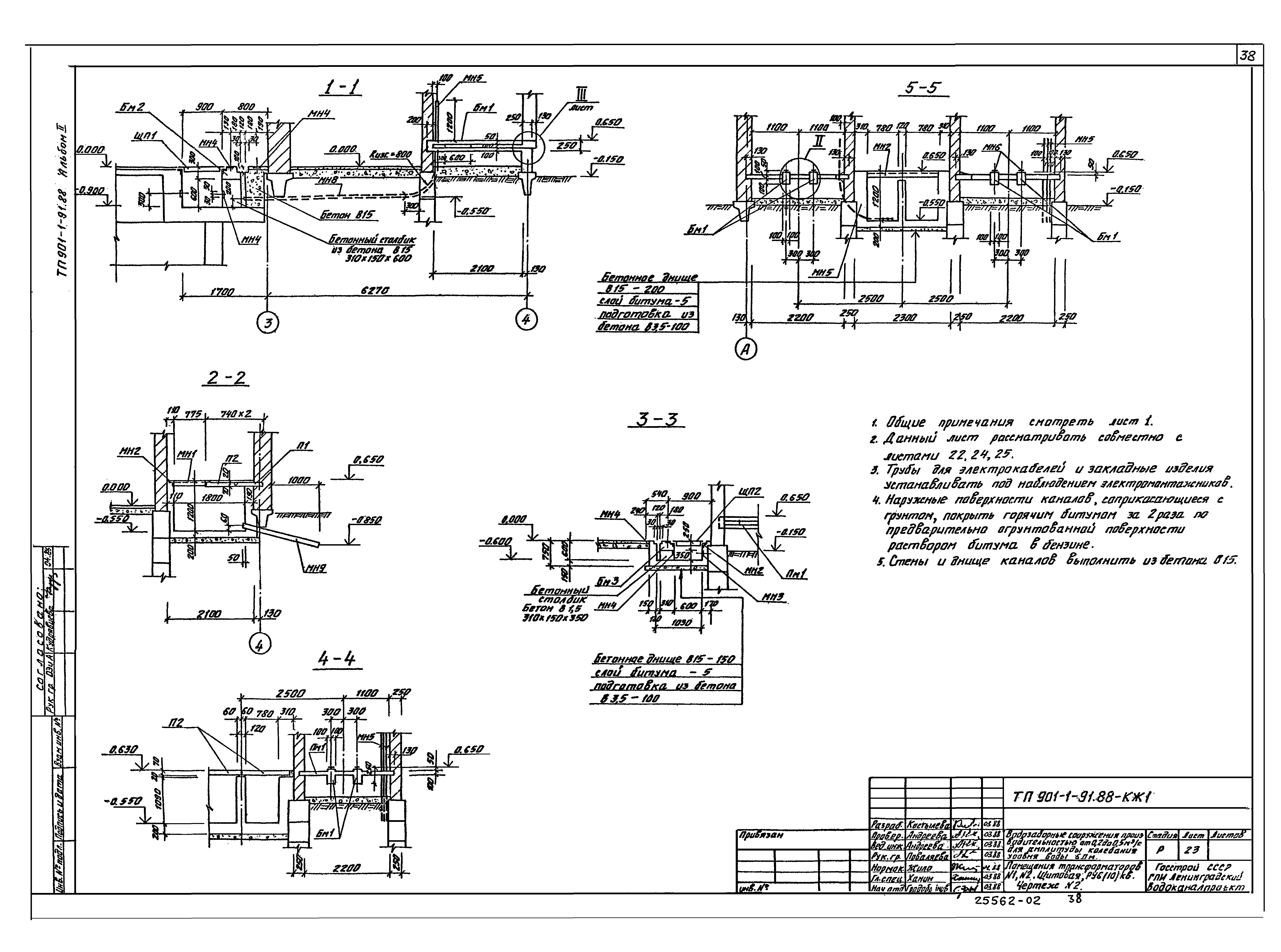
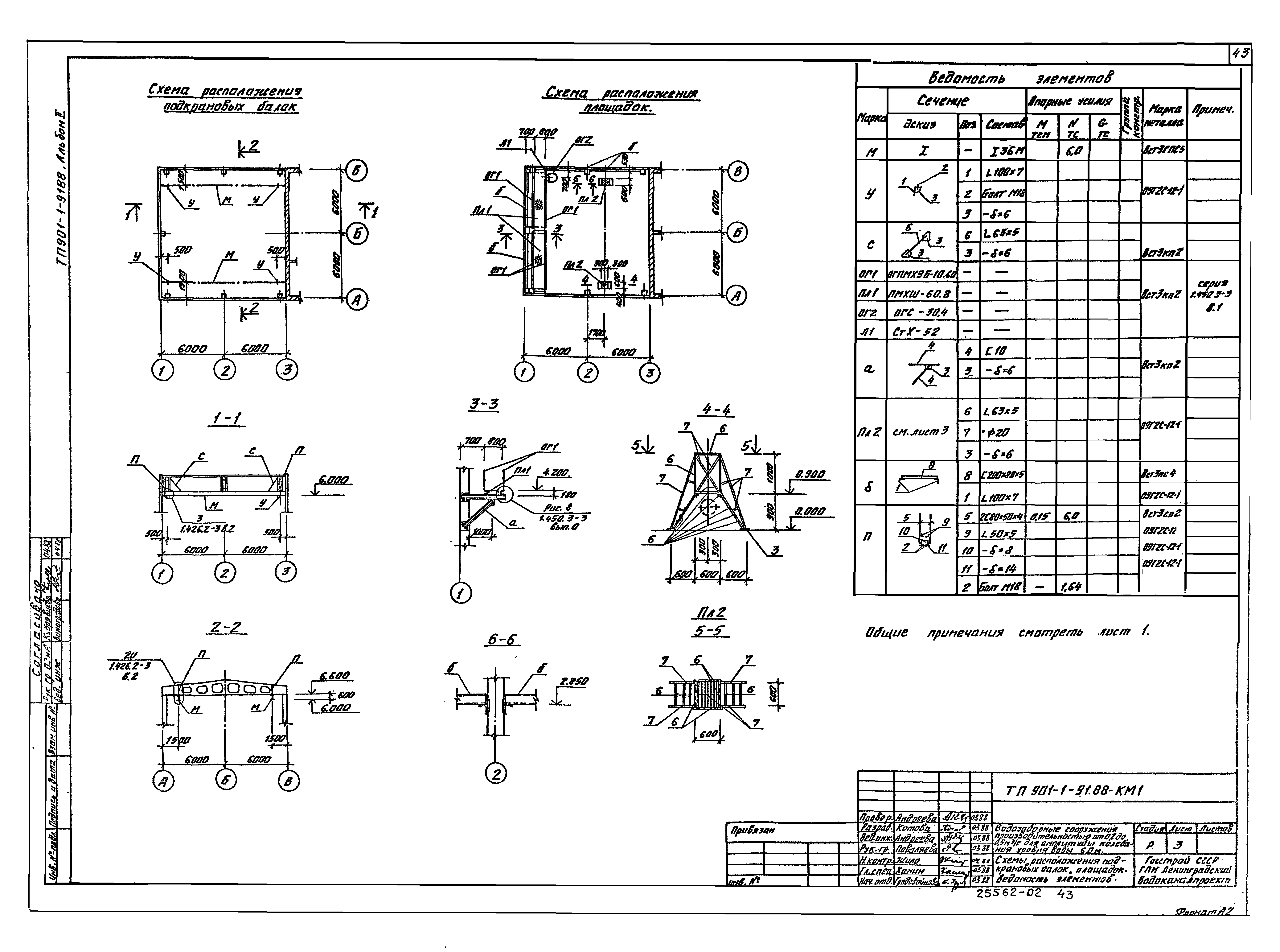
| Оглавление: | Архитектурно-строительная часть Общие данные Планы на отм. 0.000; - 11.400 Разрезы 1-1, 2-2 Фасады План кровли. Планы полов, экспликация полов Дымовая труба. Фрагмент плана 1. Узлы План отверстий. Решетка для вытирания ног МР-1. Узлы Ворота ВЭ-1.70х2.34. Монтажная схема. Детали. Жалюзийная решетка Ж1-1 Полотна ПВЭ-1.70х2.34. Детали. Петля подгибная ПП. Пробой Т-90 Рама РВЭ-1.70х2.34. Детали установки приборов ворот Щеколда фалевая ЩФ. Шпингалет верхний ШВ. Шпингалет нижний ШН Конструкции железобетонные Общие данные Железобетонное перекрытие РКм1. Чертеж №1 Железобетонное перекрытие РКм1. Чертеж №2 Железобетонное перекрытие РКм1. Чертеж №3 Железобетонное перекрытие РКм1. Чертеж №4 Железобетонное перекрытие РКм1. Чертеж №5 Железобетонное перекрытие РКм1. Чертеж №6 Железобетонное перекрытие РКм1. Плита Пм1. Схема армирования. Чертеж №1 Железобетонное перекрытие РКм1. Плита Пм1. Схема армирования. Чертеж №2 Железобетонное перекрытие РКм1. Плита Пм1. Схема армирования. Чертеж №3 Железобетонное перекрытие РКм1. Плита Пм1. Схема армирования. Чертеж №4 Железобетонное перекрытие РКм1. Плита Пм1. Спецификация арматуры Железобетонное перекрытие РКм1. Плита Пм1. Ведомость деталей Железобетонное перекрытие РКм1. Балки Бм1 - Бм3; Бм6; Бм7 Железобетонное перекрытие РКм1. Балки Бм4 - Бм5; Бм8; Бм9 Железобетонное перекрытие РКм1. Балки Бм10 - Бм13 Схемы расположения ростверков, фундаментных балок, блоков, свай Ростверки РСм1, РСм2. Схема армирования Схема расположения колонн, балок и плит покрытия Схема расположения стеновых панелей. Чертеж №1 Схема расположения стеновых панелей. Чертеж №2 Помещения трансформаторов №1, №2. Щитовая РУ 6(10) кВ. Чертеж №1 Помещения трансформаторов №1, №2. Щитовая РУ 6(10) кВ. Чертеж №2 Помещения трансформаторов №1, №2. Щитовая РУ 6(10) кВ. Чертеж №3 Помещения трансформаторов №1, №2. Пм1, Бм1 - Бм3. Схемы армирования Конструкции металлические Общие данные. Ведомость металлоконструкций Техническая спецификация стали Схемы расположения подкрановых балок, площадок. Ведомость элементов Отопление и вентиляция Общие данные План на отм. 0.000. Схема системы отопления. Схема трубопроводов котельной План на отм. 0.000. Разрез 2-2. Схема узла управления. Схемы систем ВЕ1 - ВЕ3 Водопровод и канализация Общие данные План на отм. 0.000 Схемы систем В1, Т3 и К1 |
| Разработан: | Ленинградский Водоканалпроект |
| Утверждён: | 06.04.1988 Госстрой СССР (Государственный комитет Совета Министров СССР по делам строительства) (USSR Gosstroy 25) |
| Заменяет собой: |

















































