Скачать Типовой проект 902-2-361 Альбом 2. Технологическая и строительная части. Заказные спецификацииДата актуализации: 01.01.2021
|
| Обозначение: | Типовой проект 902-2-361 |
| Обозначение англ: | 902-2-361 |
| Статус: | не определен законодательством |
| Название рус.: | Альбом 2. Технологическая и строительная части. Заказные спецификации |
| Дата добавления в базу: | 01.09.2013 |
| Дата актуализации: | 01.01.2021 |
| Дата введения: | 26.01.1983 |
| Дата окончания срока действия: | 30.06.2003 |
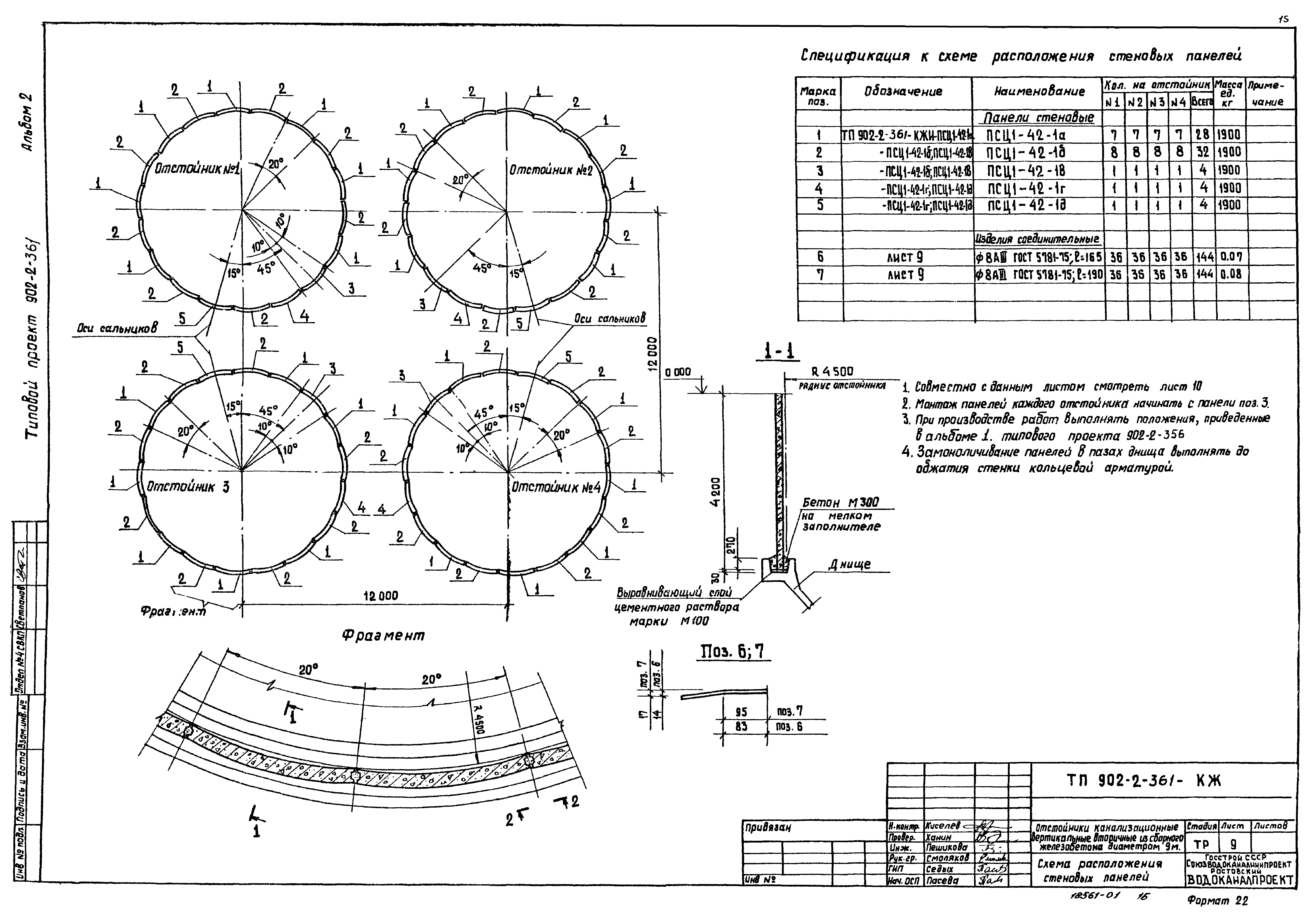
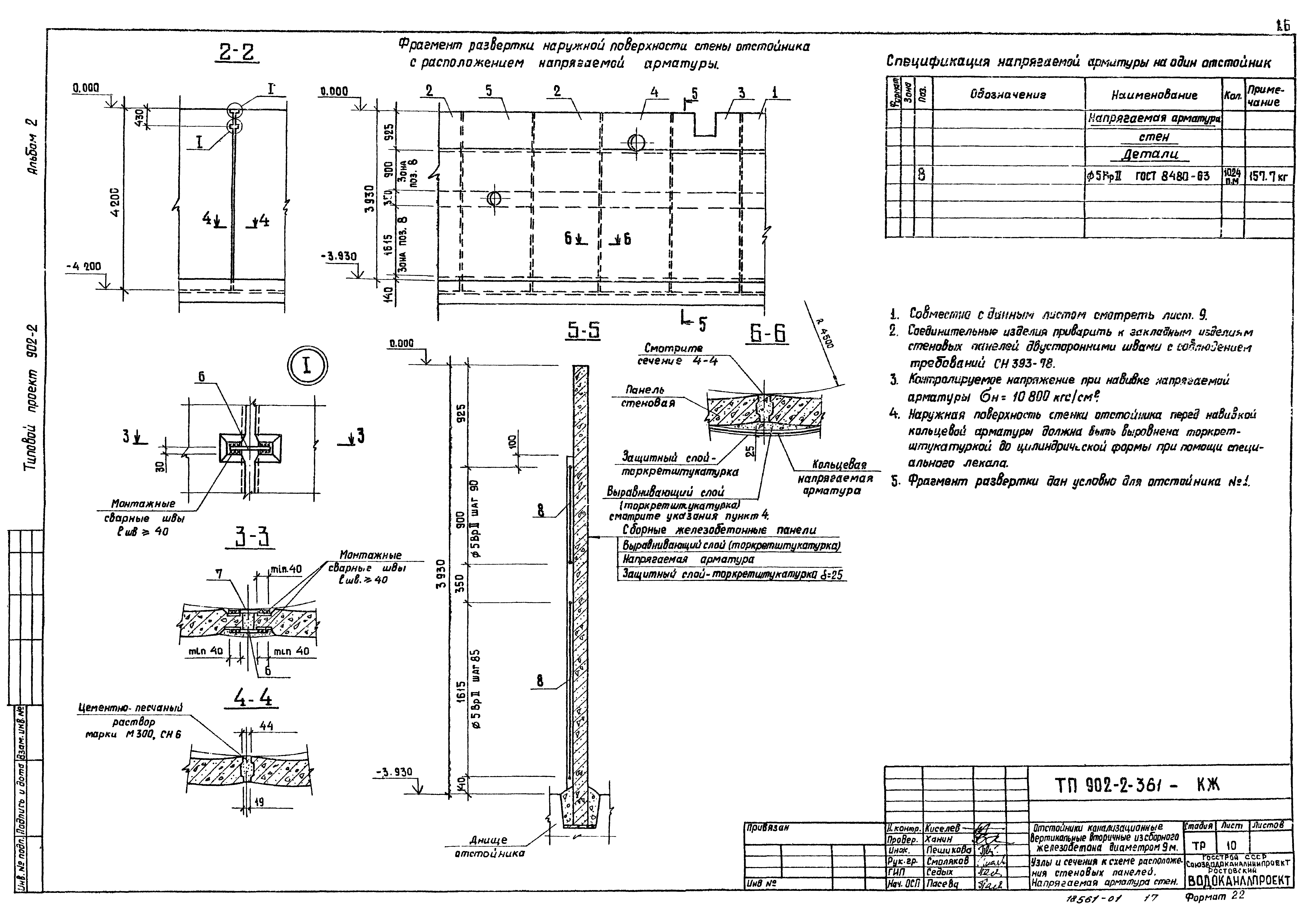
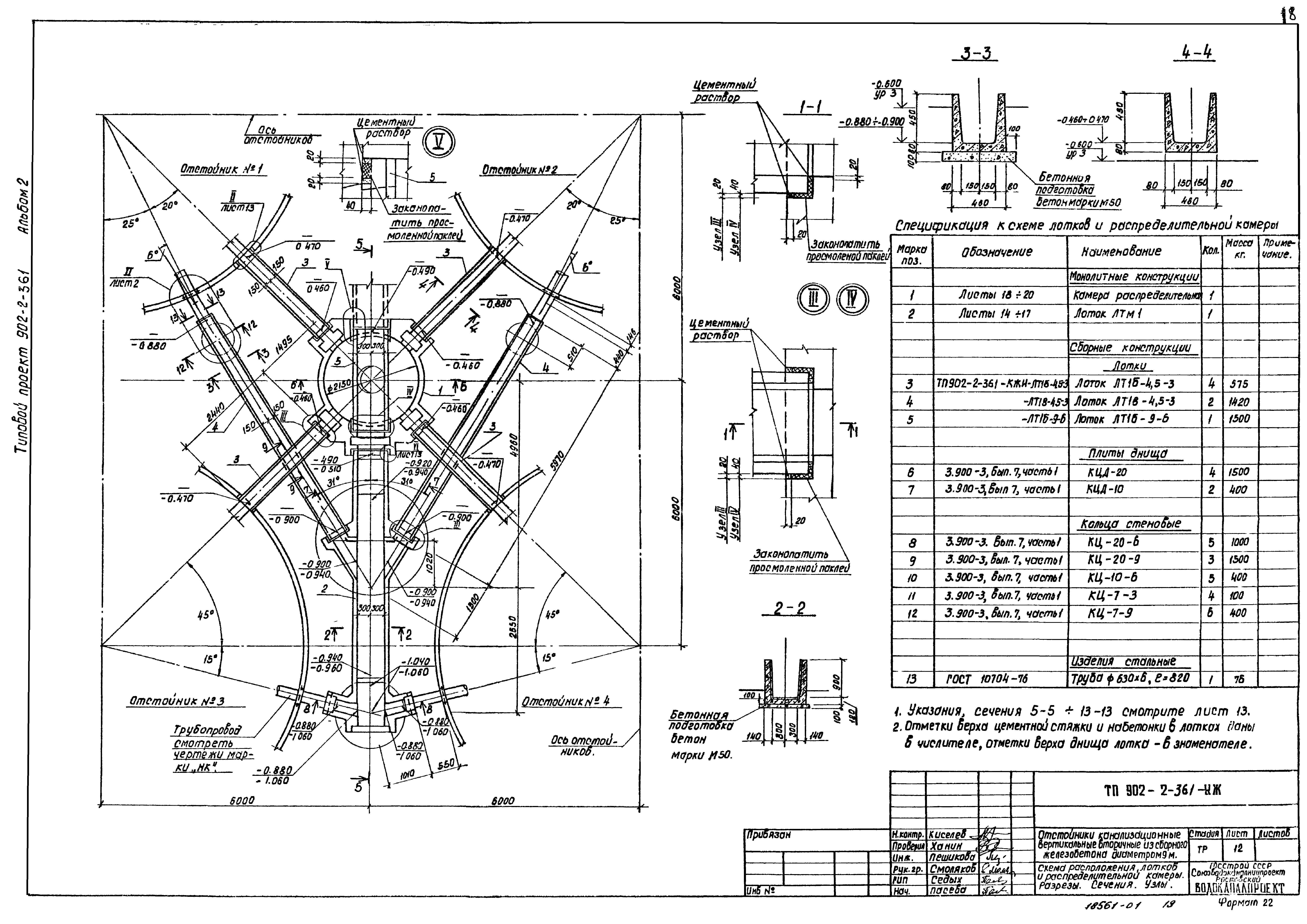
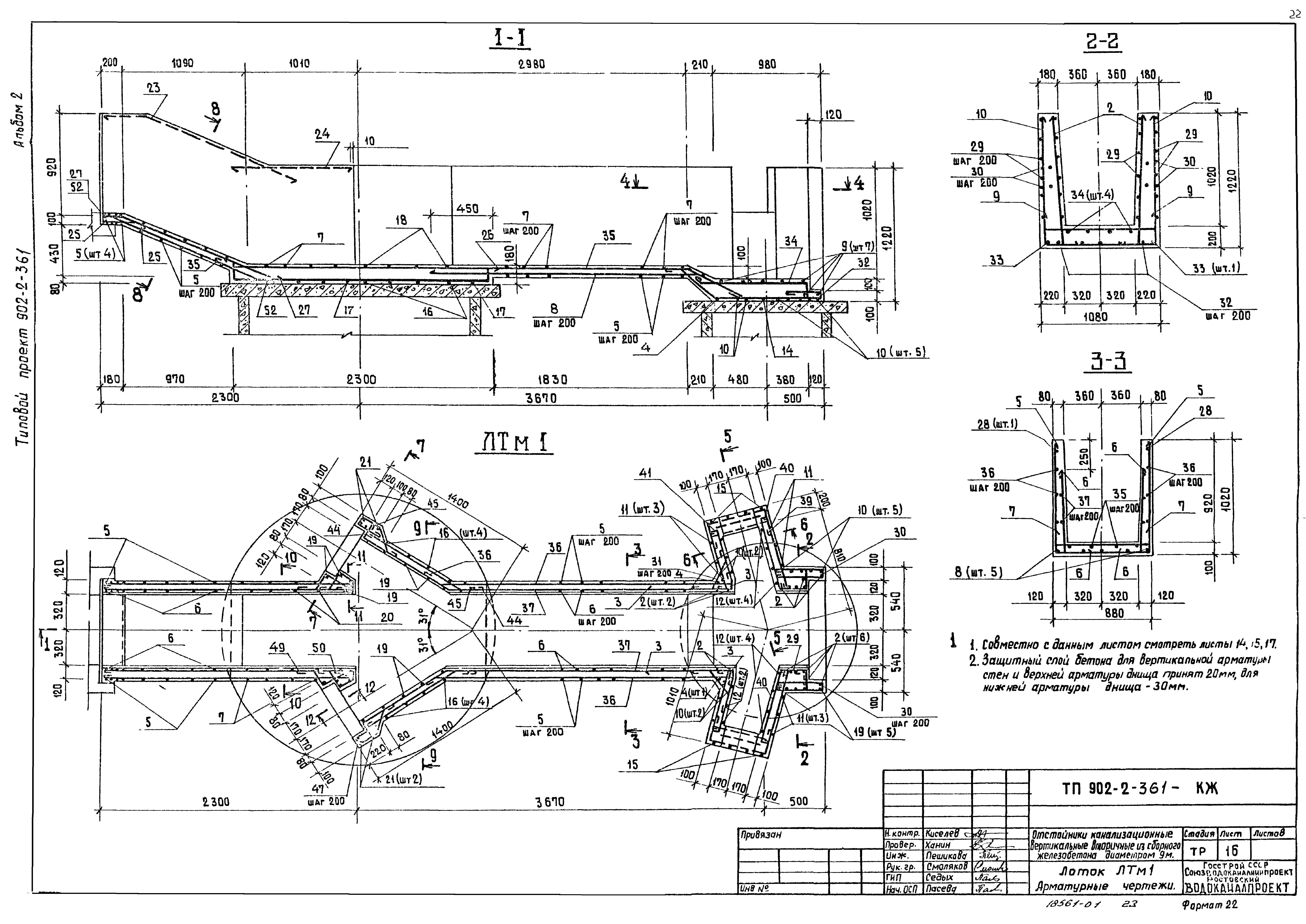
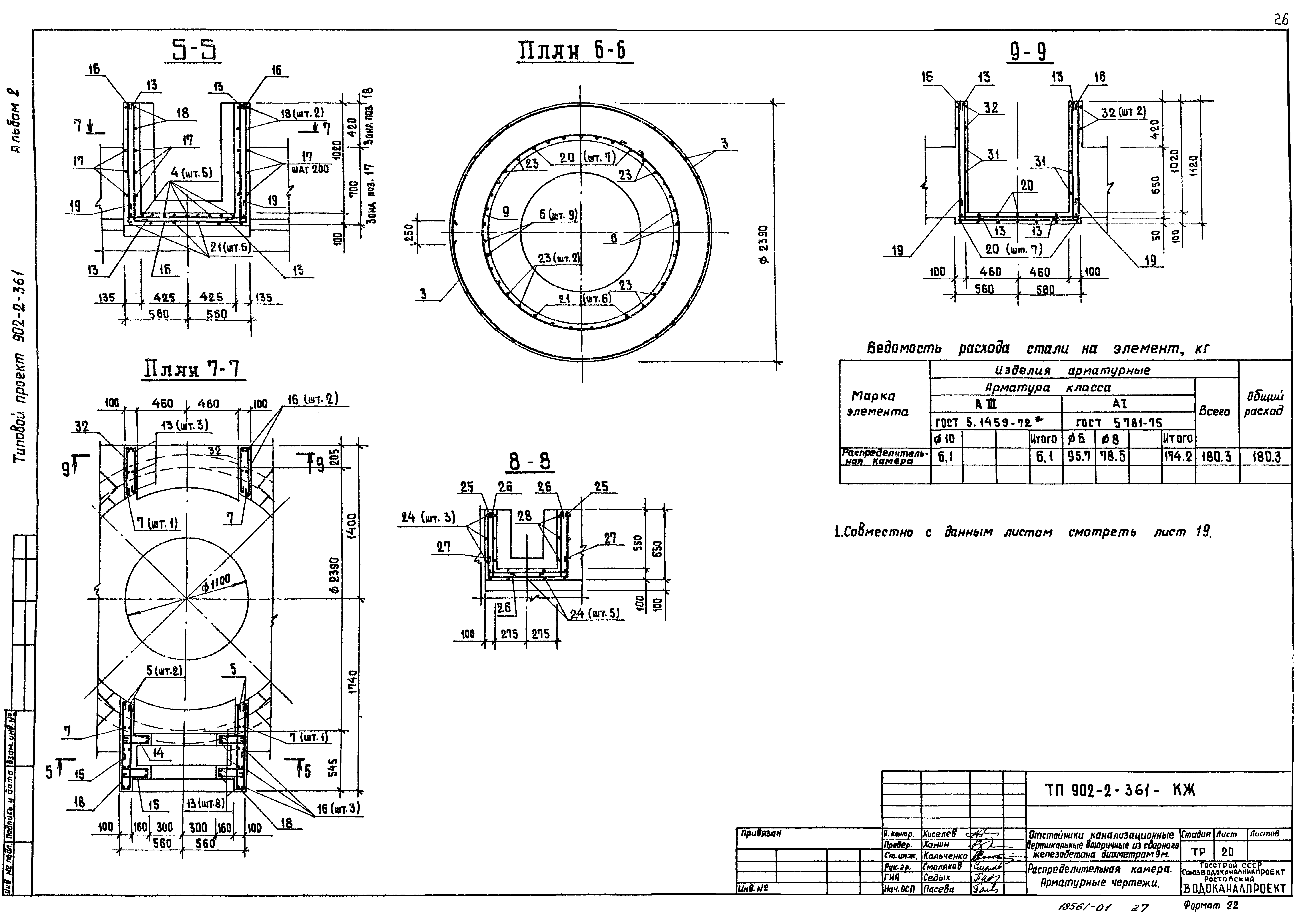
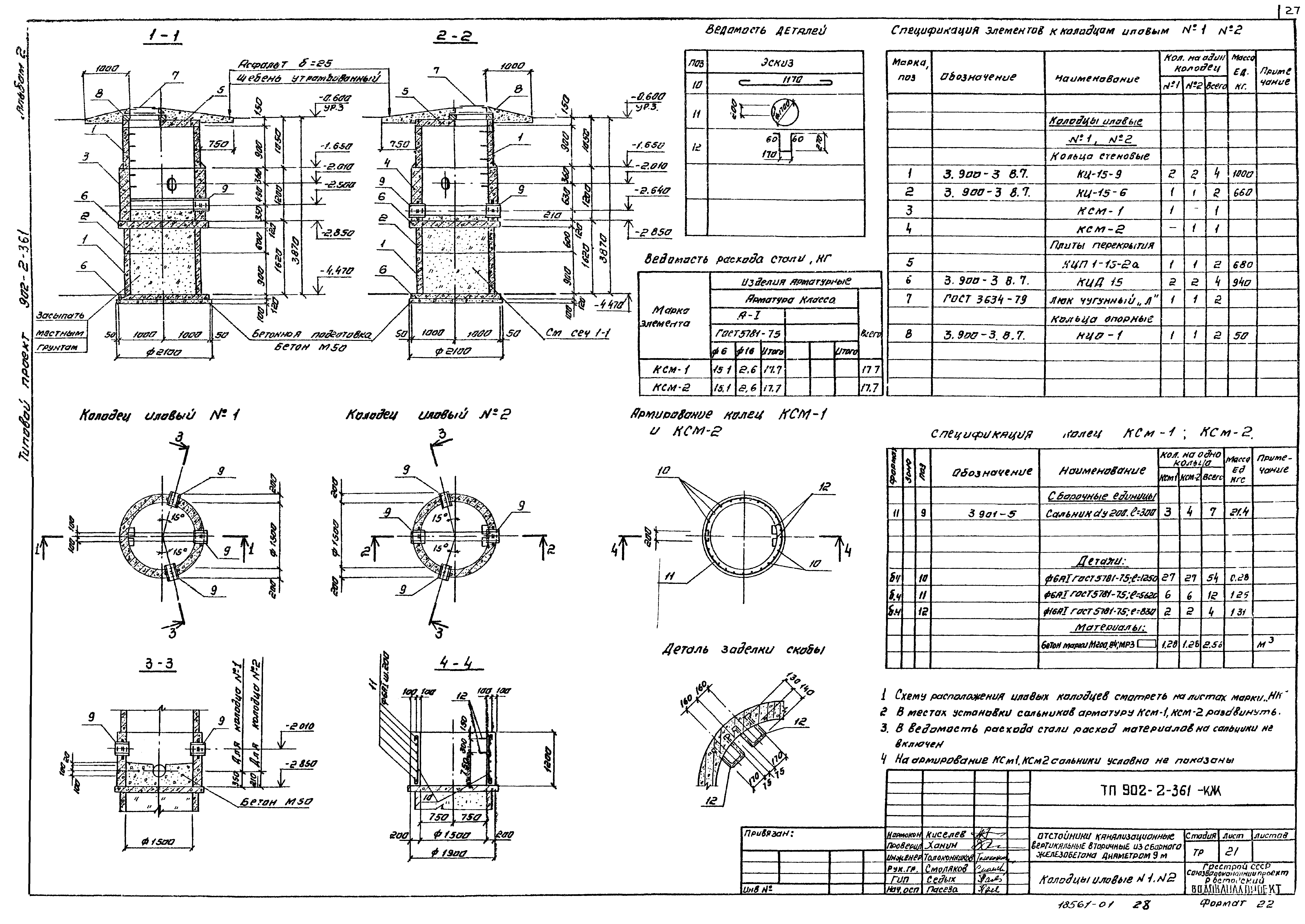
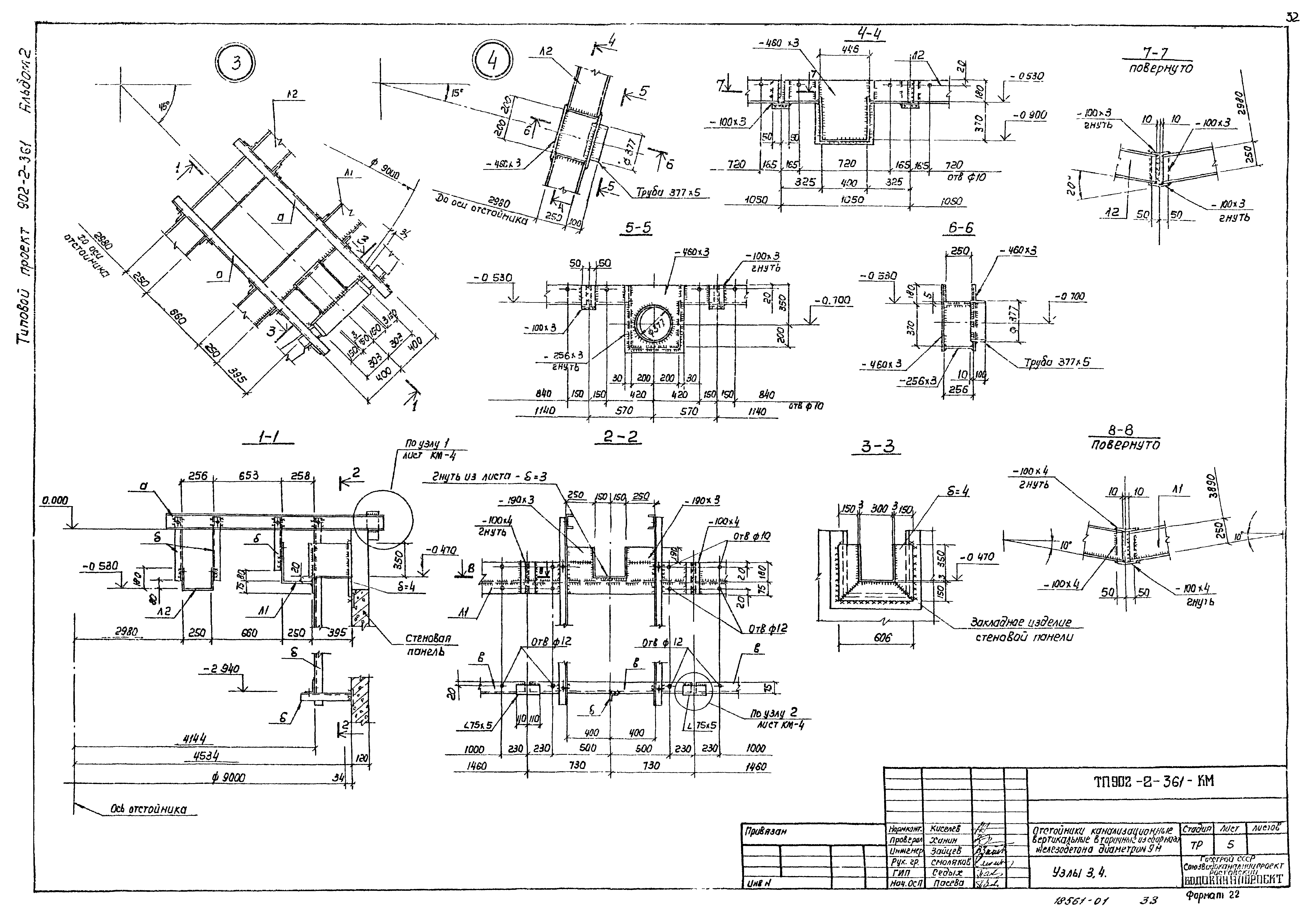
| Оглавление: | Титульный лист Содержание альбома Технологическая часть Общие данные Высотная схема движения воды. Компоновка узла из 4-х отстойников Иловые колодцы №1 и №2 Монтажный чертеж. План, разрезы, узлы Строительная часть Конструкции железобетонные Общие данные Отстойник №1. План. Разрез Отстойник №1. Сечения. Узлы Примеры устройства основания отстойников для различных гидрогеологических условий Днище. Вариант в сухих грунтах Днище. Вариант в обводненных грунтах Схема расположения стеновых панелей Узлы и сечения к схеме расположения стеновых панелей. Напрягаемая арматура стен Отстойник №1. Схема расположения асбестоцементных листов разделительной перегородки и водосливов Схема расположения лотков и распределительной камеры. Узлы Схема расположения лотков и распределительной камеы. Разрезы. Сечения. Узлы Лоток ЛТМ1. Опалубочные чертежи Лоток ЛТМ1. Арматурные чертежи Распределительная камера. Опалубочные чертежи Распределительная камера. Арматурные чертежи Колодцы иловые №1, №2 Конструкции металлические Общие данные Техническая спецификация металла. Ведомость металлоконструкций по видам профилей Схема балок и лотков Схема каркаса перегородок. Узлы 1, 2 Узлы 3, 4 Заказные спецификации Заказная спецификация на оборудование для 4-х отстойников Заказная спецификация на трубопроводную арматуру для 4-х отстойников |
| Разработан: | Союзводоканалпроект Водоканалпроект |
| Утверждён: | 25.08.1982 Главпромстройпроект Госстроя СССР (32) |
| Издан: | ЦИТП Госстроя СССР (CITP, Gosstroy (USSR) 1983 г. ) |
| Заменяет собой: |



































