Скачать Типовой проект 407-3-13 Альбом 21. Общие материалы. Строительная частьДата актуализации: 01.01.2021
|
| Обозначение: | Типовой проект 407-3-13 |
| Обозначение англ: | 407-3-13 |
| Статус: | не действует |
| Название рус.: | Альбом 21. Общие материалы. Строительная часть |
| Дата добавления в базу: | 01.09.2013 |
| Дата актуализации: | 01.01.2021 |
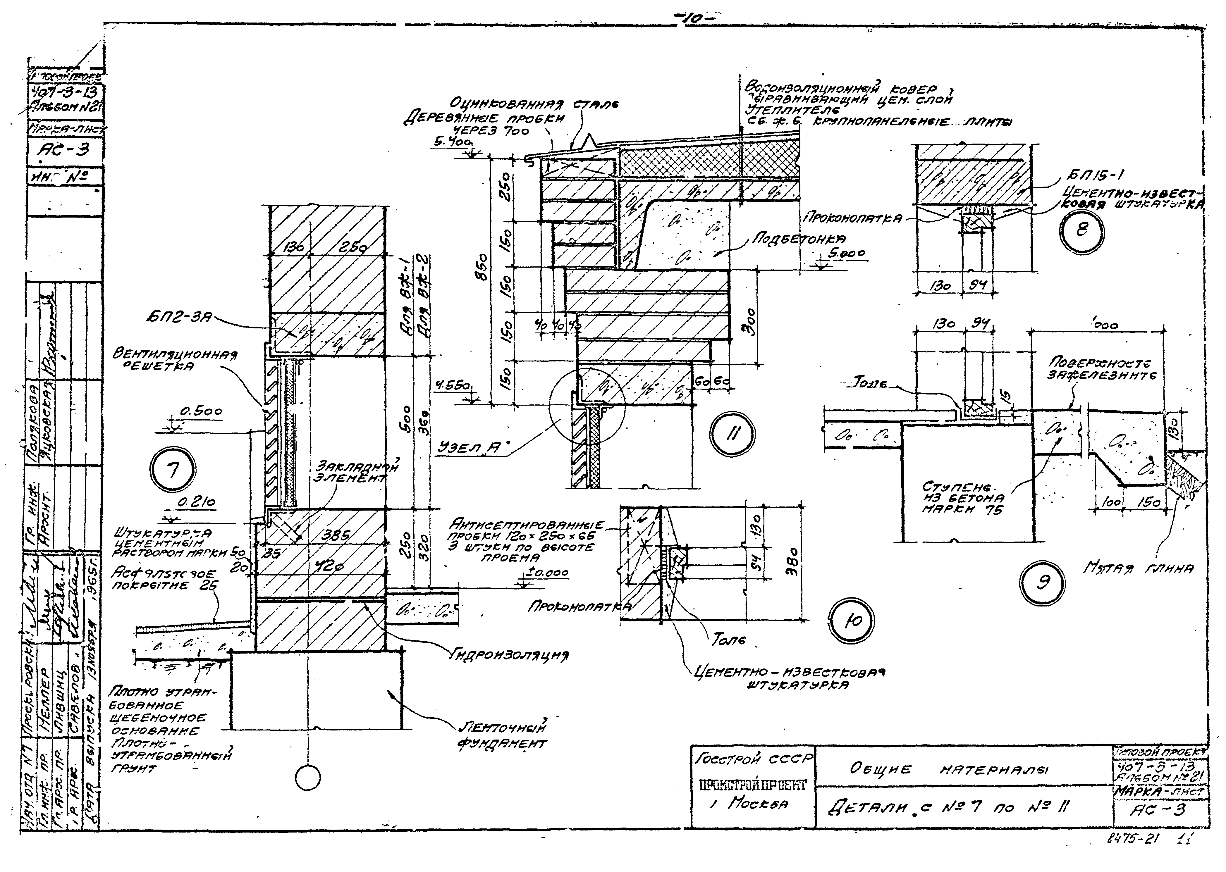
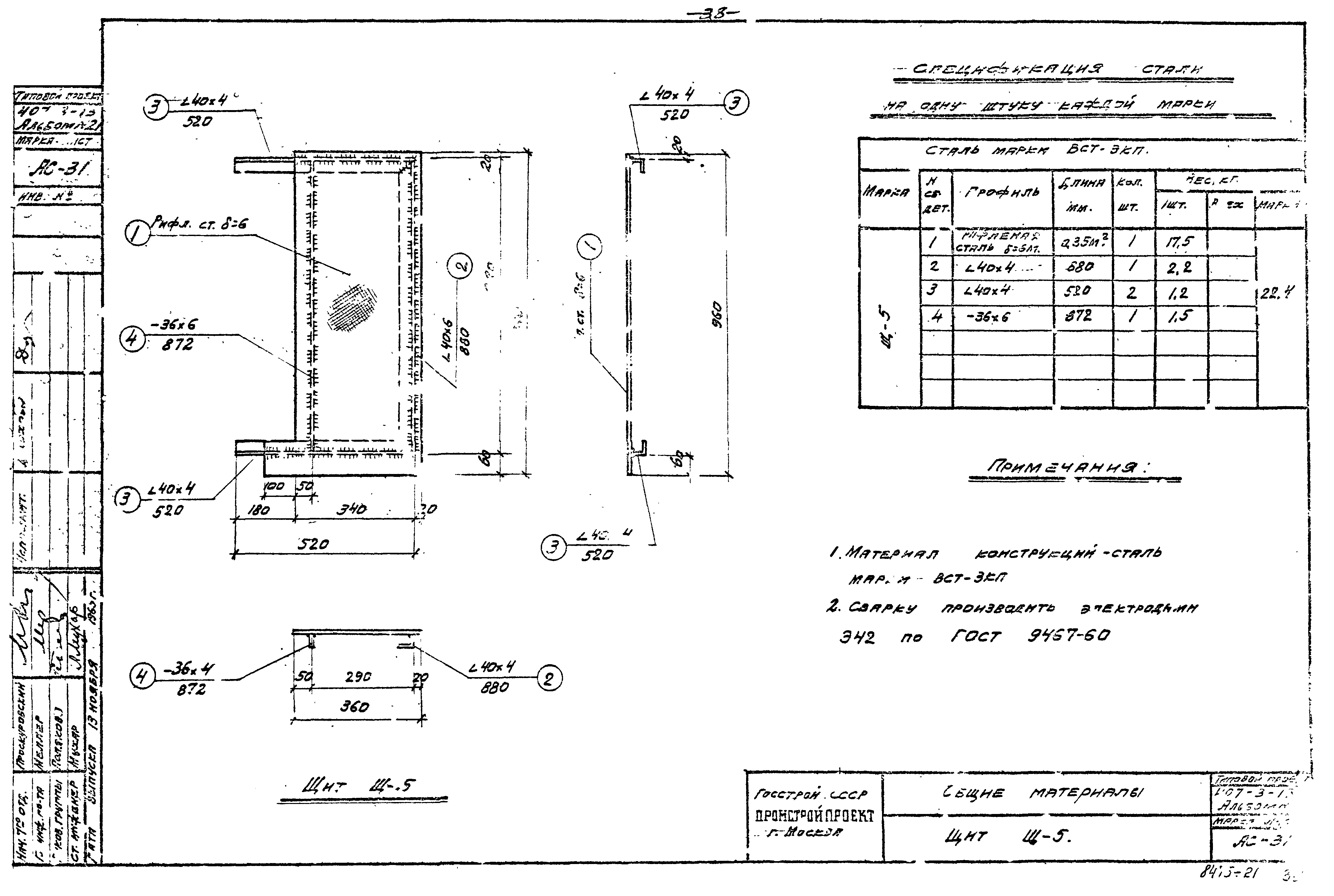
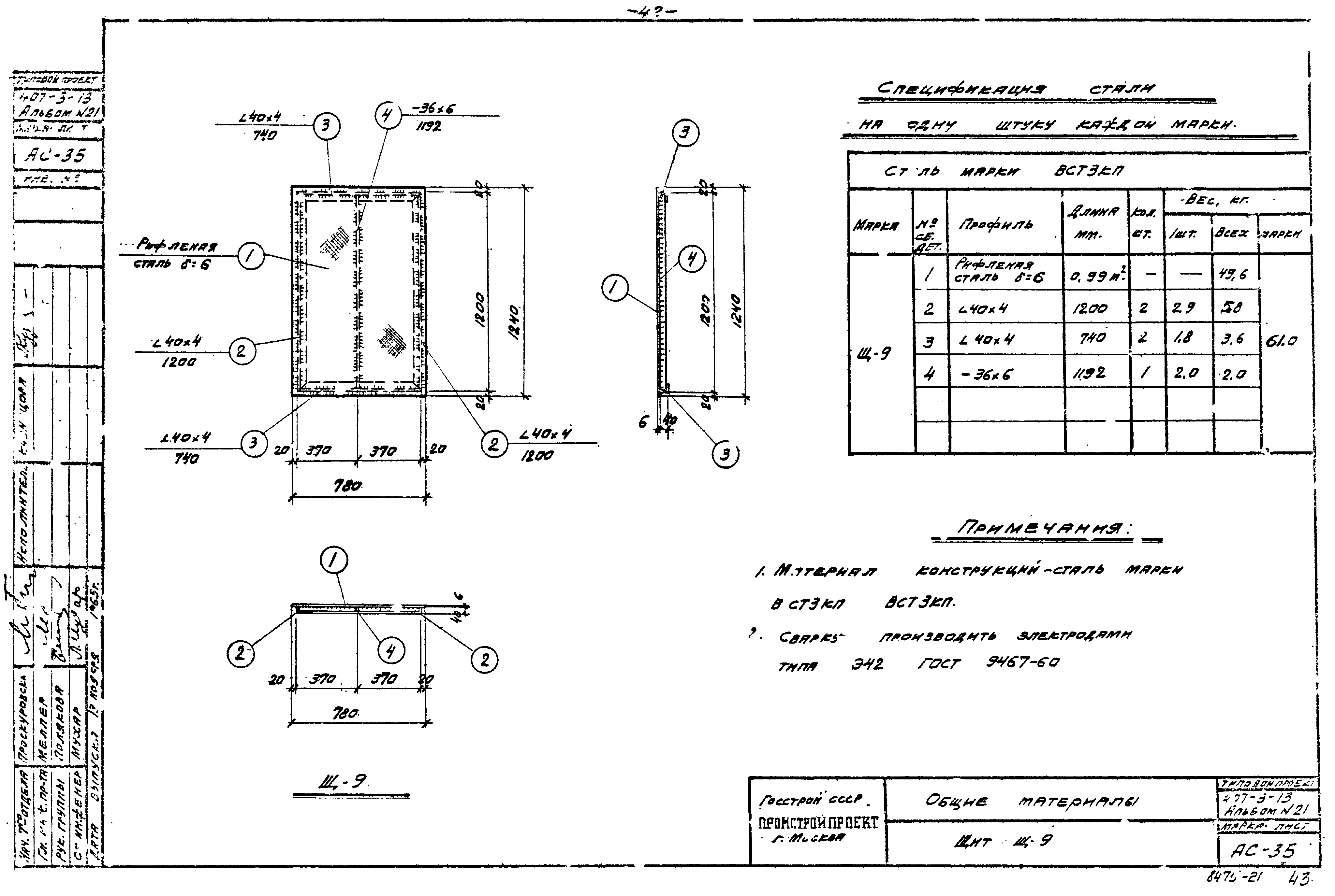
| Оглавление: | Перечень альбомов строительной части Пояснительная записка АС-1 Детали с № 1 по № 3 АС-2 Детали с № 4 по № 6 АС-3 Детали с № 7 по № 11 АС-4 Ворота В-1; монтажная схема и монтажные детали АС-5 Полотно ворот В-1; детали полотен ворот В-1; рама ворот РВ-1 АС-6 Детали установки приборов ворот В-1 АС-7 Петля подгибная ПП и шпингалет нижний ШН АС-8 Защелка пружинная ЗП. Пробой Т-90 АС-9 Щеколда фалевая ШФ и уголок защитный У-2 АС-10 Ворота В-2; монтажная схема и монтажные детали АС-11 Полотно ворот В-2 АС-12 Детали установки приборов на В-2 АС-13 Стальные жалюзи ВК-1 АС-14 Стальные жалюзи ВК-2 АС-15 Стальные жалюзи ВК-3 АС-16 Стальные жалюзи ВК-4 АС-17 Стальные жалюзи ВК-5 АС-18 Утепленные клапаны АС-19 Балки Б-1 АС-20 Балки Б-2 АС-21 Плиты П-1 АС-22 Плиты П-2 АС-23 Плиты П-3 АС-24 Плиты П-4 АС-25 Плиты П-5 АС-26 Плиты П-6 АС-27 Щиты Щ-1 АС-28 Щиты Щ-2 АС-29 Щиты Щ-3 АС-30 Щиты Щ-4 АС-31 Щиты Щ-5 АС-32 Щиты Щ-6 АС-33 Щиты Щ-7 АС-34 Щиты Щ-8 АС-35 Щиты Щ-9 АС-36 Щиты Щ-10 АС-37 Щиты Щ-11 АС-38 Щиты Щ-12 АС-39 Щиты перегородок Щ-13; Щ-14; Щ-15 АС-40 Щиты перегородок Щ-16; Щ-17; Щ-18 АС-41 Детали щитов перегородок АС-42 Детали щитов перегородок АС-43 Стойки МС-1 и МС-2. Балки МБ-1 по МБ-13 АС-44 Стальные решетки Р-1 и Р-2 АС-45 Стальные решетки Р-3 и Р-4 АС-46 Стальные решетки Р-5 и Р-6 АС-47 Стальные решетки Р-7 и Р-8 АС-48 Стальные решетки Р-9 и Р-10 АС-49 Стальные решетки Р-11 и Р-12 АС-50 Закладные марки М-1; М-2; М-3; М-4; М-5; М-6; М-7; М-8 АС-51 Закладные марки М-9; М-10; М-11; М-12 АС-52 Закладные марки М-13; М-14; М-15; М-16; М-17 АС-53 Закладные марки М-19 и М-20 АС-54 Закладные марки М-21 и М-22 АС-55 Закладные марки М-23 и М-24 АС-56 Закладные марки М-25; М-26; М-31 АС-57 Закладные марки М-27; М-28; М-29; М-30 АС-58 Закладные марки М-18; М-32; М-33; М-34; М-35; М-36 АС-59 Закладные марки М-37; М-38; М-39; М-40; М-41 АС-60 Перемычка БП-2-9А. Закладная марка М-42 АС-61 Закладные марки М-43; М-44; М-45; М-47 АС-62 Закладные марки М-48; М-49; М-50; М-51 АС-63 Закладные марки М-52; М-53; М-54 АС-64 Сетки С-1 и С-2 |
| Разработан: | Промстройпроект |
| Утверждён: | 13.11.1965 Промстройпроект (Promstroyproject 104) |






































































