Скачать Типовой проект 407-3-191 Альбом 2. Электротехническая часть. Тип 1. ГПЛ-110-1-1х16-А1. Тип 2. ГПП-110-I-1х25-Б1. Принципиальные и монтажные схемыДата актуализации: 01.01.2021
|
| Обозначение: | Типовой проект 407-3-191 |
| Обозначение англ: | 407-3-191 |
| Статус: | действует |
| Название рус.: | Альбом 2. Электротехническая часть. Тип 1. ГПЛ-110-1-1х16-А1. Тип 2. ГПП-110-I-1х25-Б1. Принципиальные и монтажные схемы |
| Дата добавления в базу: | 01.09.2013 |
| Дата актуализации: | 01.01.2021 |
| Дата введения: | 15.08.1971 |
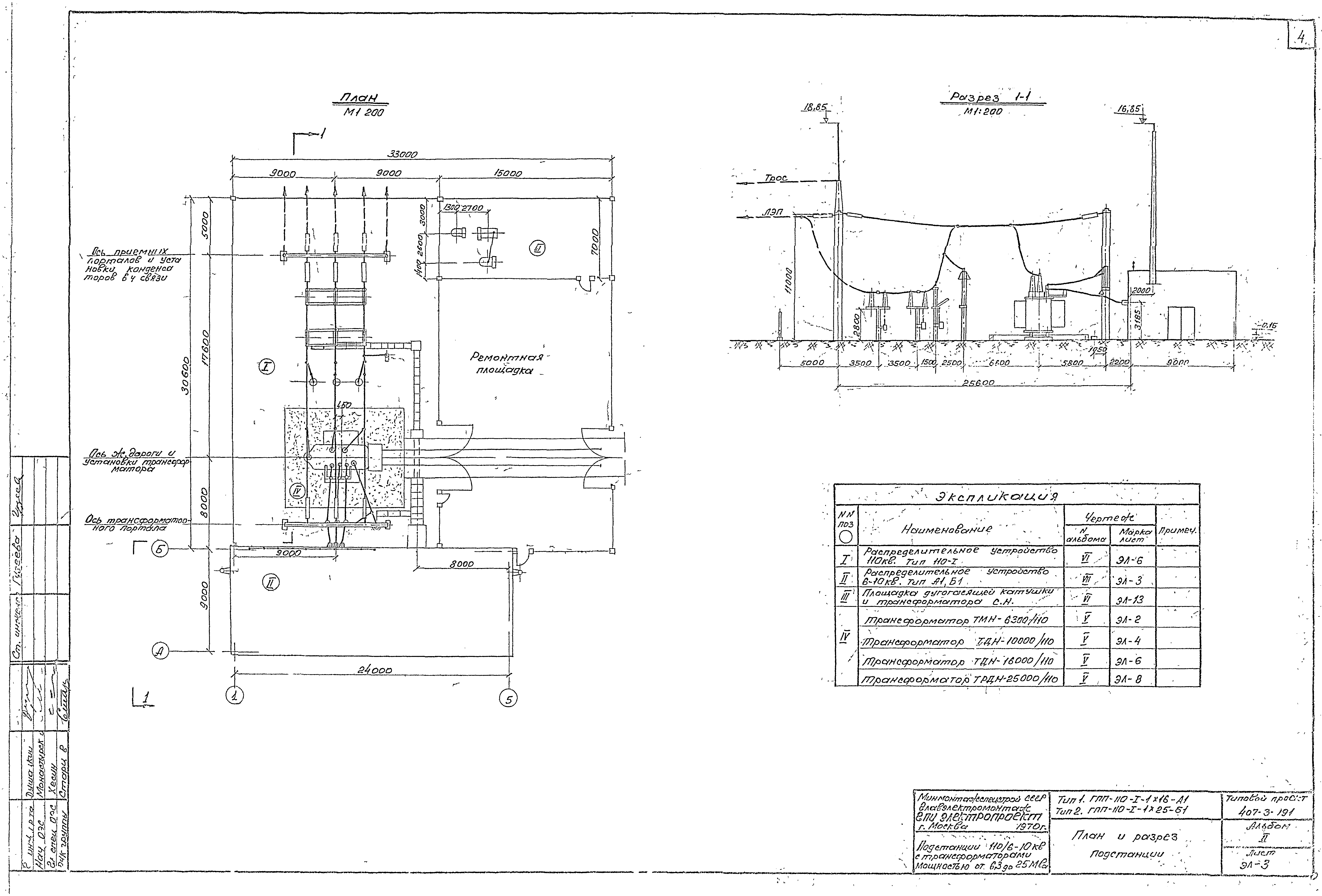
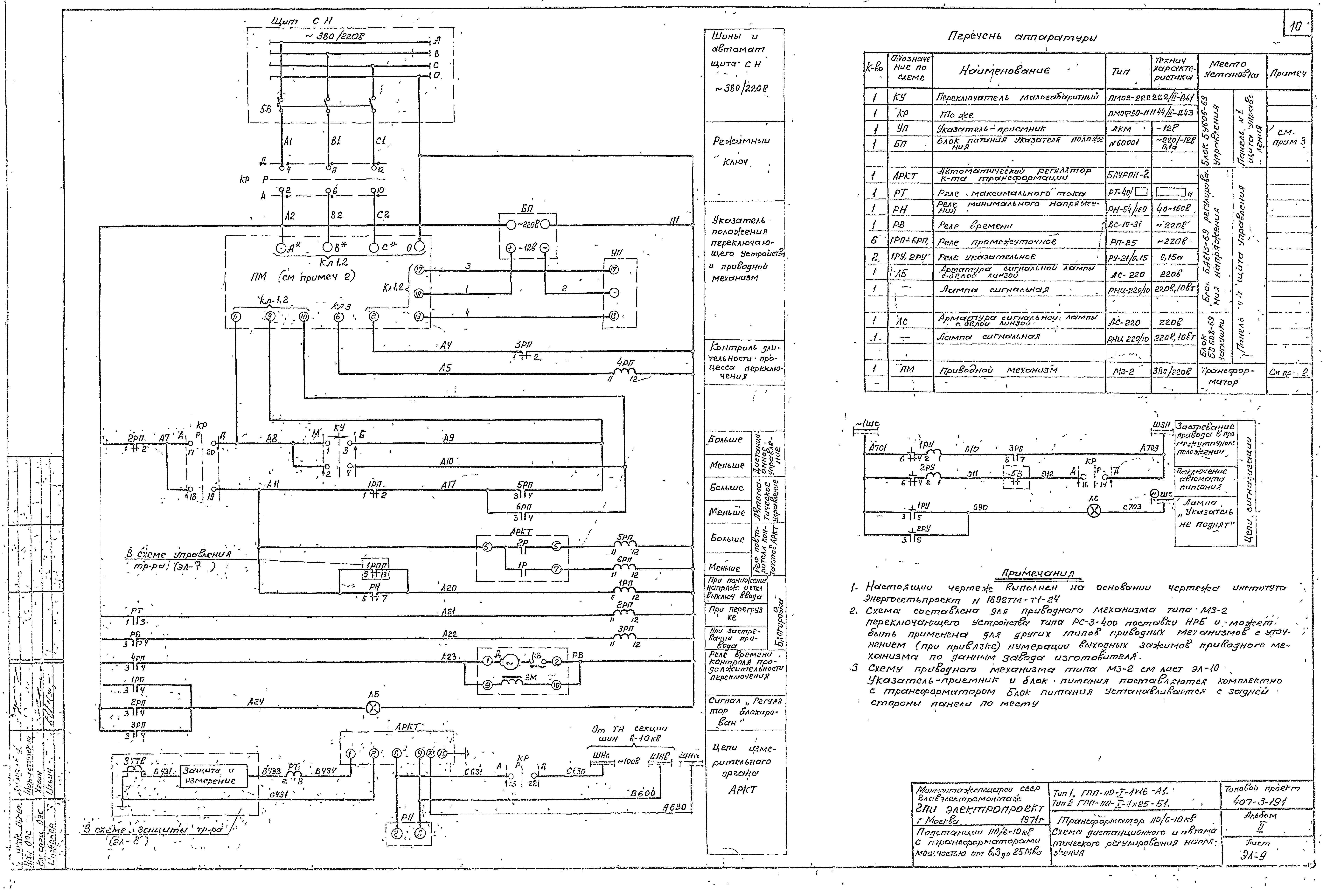
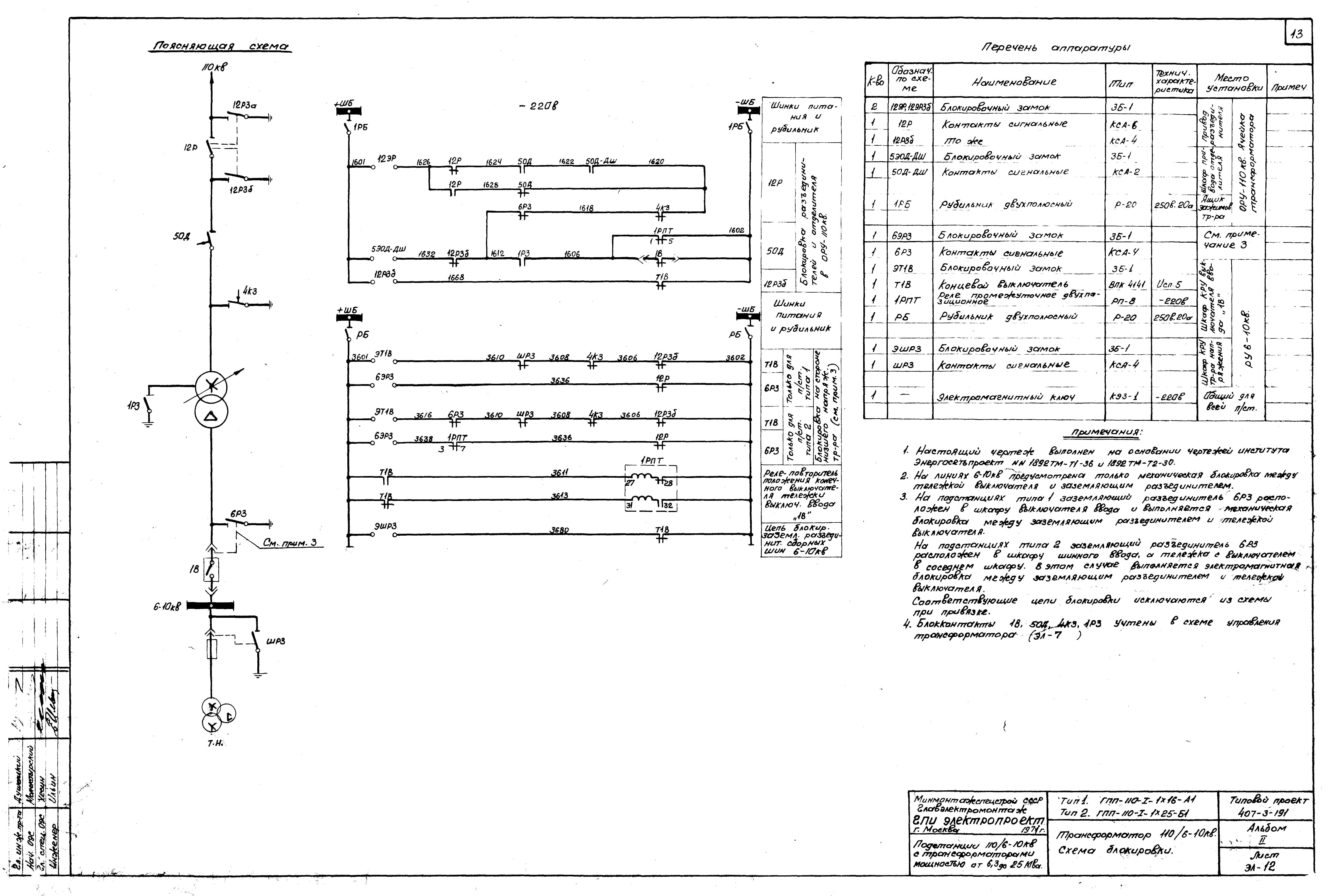
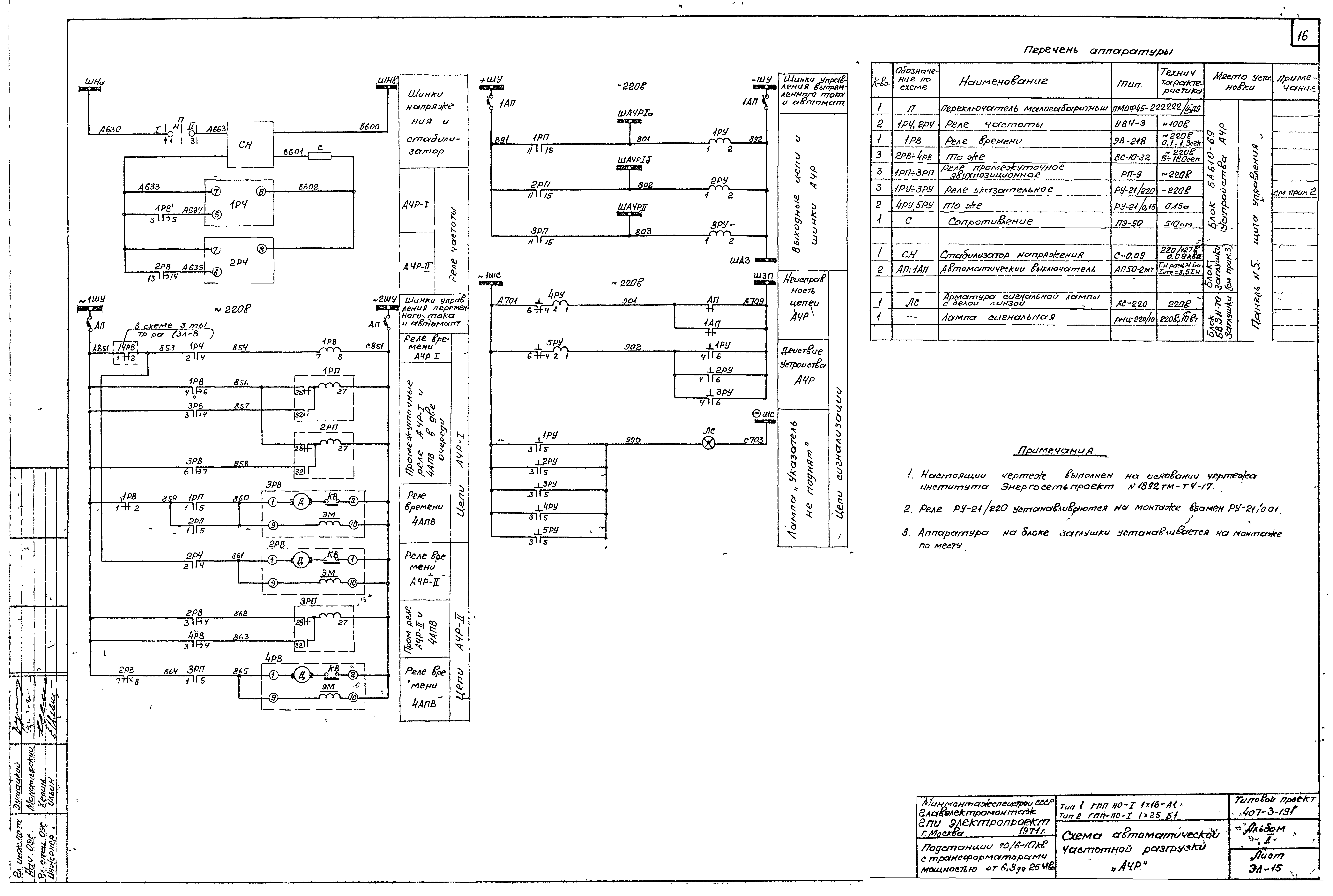
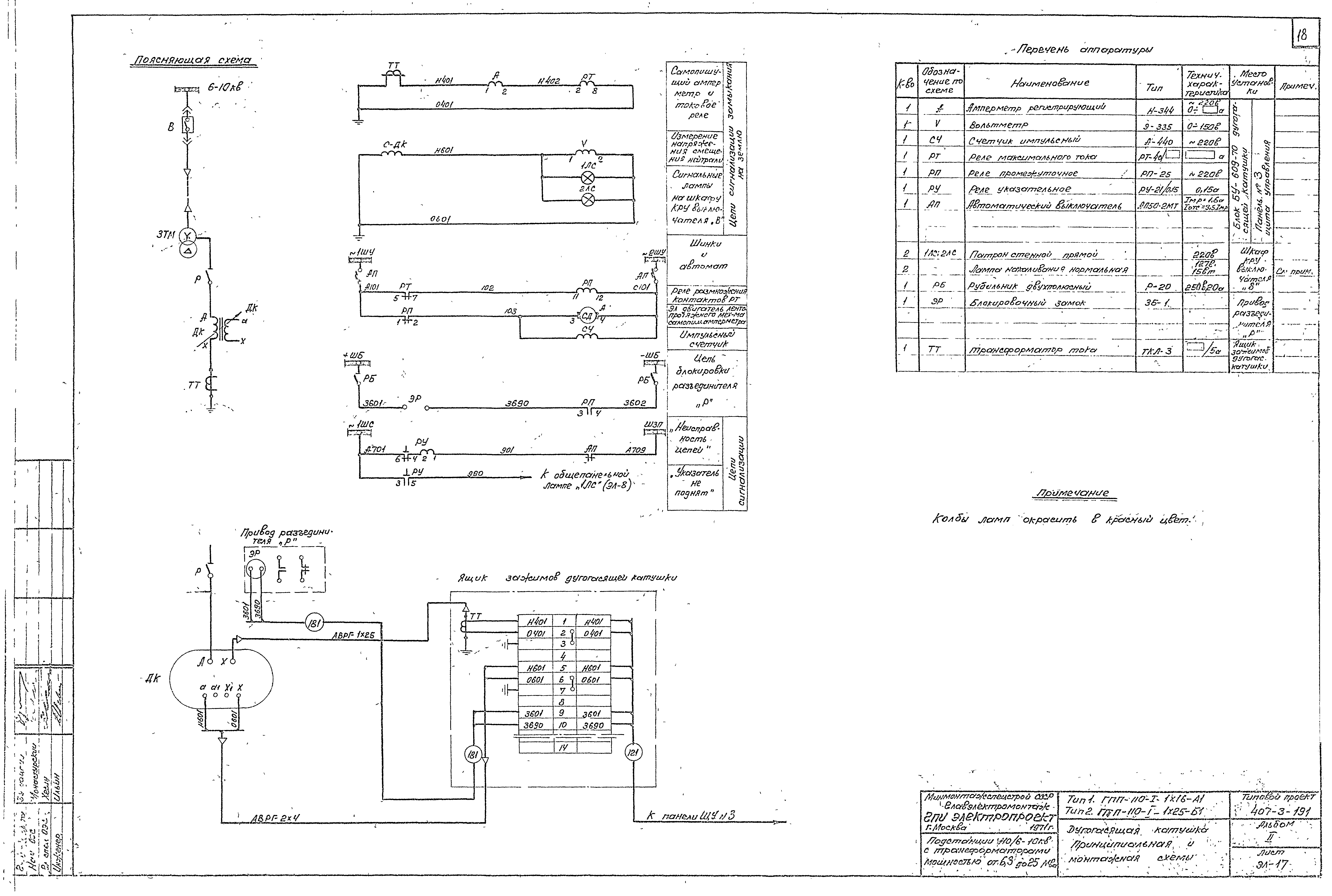
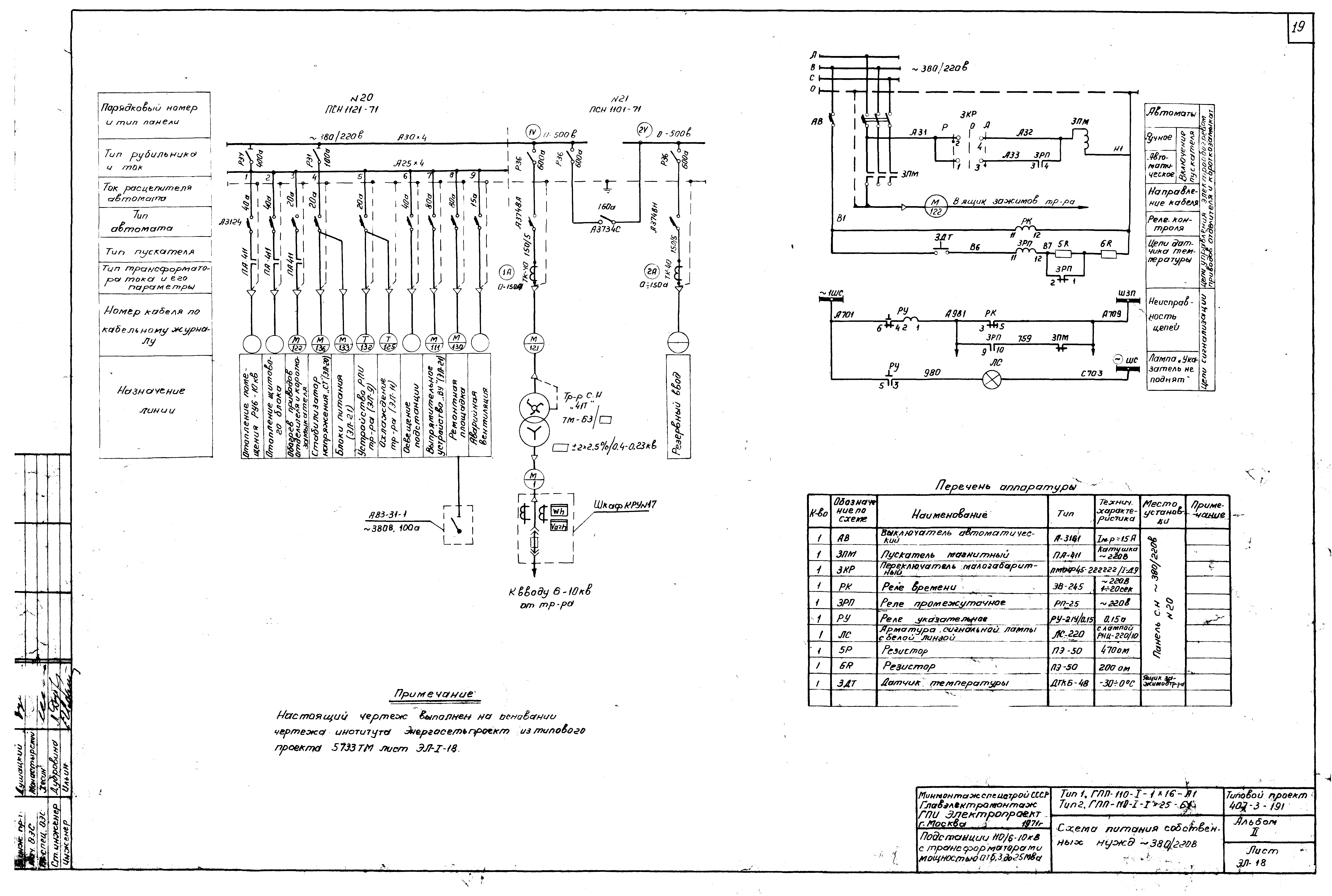
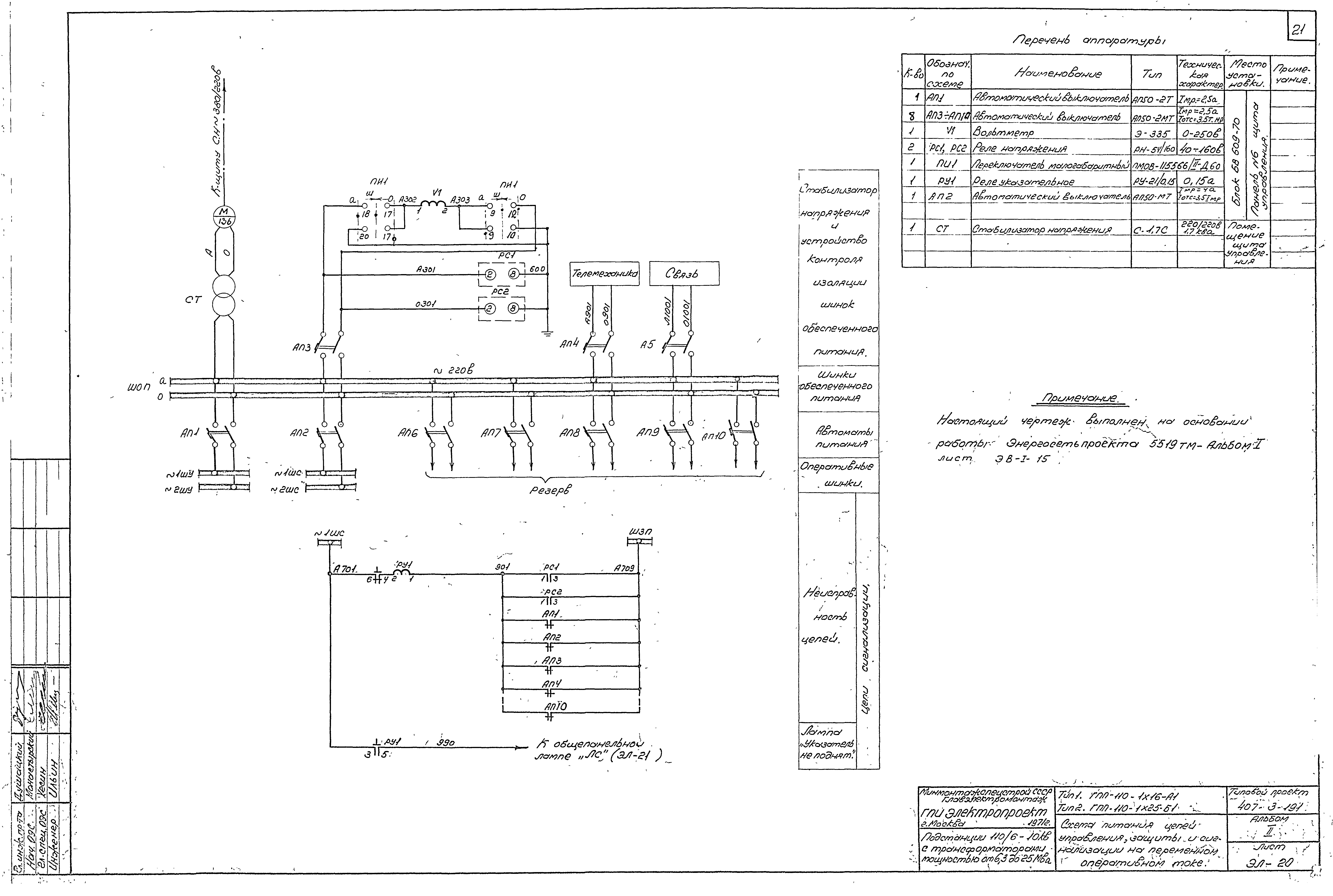
| Оглавление: | 1. Обложка 2. Титульный лист 3. ЭЛ-1 Содержание альбома. Пояснительная записка 4. ЭЛ-2 Таблица уставок реле защиты и автоматики 5. ЭЛ-3 План и разрез подстанции 6. ЭЛ-4 Тип 1. Схема электрических соединений 7. ЭЛ-5 Тип 2. Схема электрических соединений 8. ЭЛ-6 Трансформатор 110/6-10 кв. Поясняющая схема и перечень аппаратуры цепей управления, защиты, сигнализации и автоматики 9. ЭЛ-7 Трансформатор 110/6-10 кв. Схема управления, сигнализации и автоматики 10. ЭЛ-8 Трансформатор 110/6-10 кв. Схема защиты и измерения 11. ЭЛ-9 Трансформатор 110/6-10 кв. Схема дистанционного и автоматического регулирования напряжения 12. ЭЛ-10 Трансформатор 110/6-10 кв. Схема приводного механизма типа М 3-2 13. ЭЛ-11 Трансформатор 110/6-10 кв. Схема устройства обдувки 14. ЭЛ-12 Трансформатор 110/6-10 кв. Схема блокировки 15. ЭЛ-13 Трансформатор 110/6-10 кв. Монтажная схема трансформатора 16. ЭЛ-14 Схема трансформатора напряжения 6-10 кв 17. ЭЛ-15 Схема автоматической частотной разгрузки "АЧР" 18. ЭЛ-16 Схема защиты минимального напряжения электродвигателей 6-10 кв 19. ЭЛ-17 Дугогасящая катушка. Принципиальная и монтажная схемы 20. ЭЛ-18 Схема питания собственных нужд ~ 380/220в 21. ЭЛ-19 Схема вводов и секционного автомата щита собственных нужд ~ 380/220в 22. ЭЛ-20 Схема питания цепей управления, защиты и сигнализации на переменном оперативном токе 23. ЭЛ-21 Схема питания цепей управления, защиты и сигнализации на выпрямленном оперативном токе 24. ЭЛ-22 Схема центральной сигнализации 25. ЭЛ-23 Щит управления. Фасад. План шинок. Перечень панелей 26. ЭЛ-24 Щит управления. Ряды зажимов панели № 1 27. ЭЛ-25,26 Щит управления. Ряды зажимов панели № 2 28. ЭЛ-27,28 Щит управления. Ряды зажимов панели № 3 29. ЭЛ-29,30 Щит управления. Ряды зажимов панели № 4 30. ЭЛ-31 Щит управления. Ряды зажимов панели № 5 31. ЭЛ-32,33 Щит управления. Ряды зажимов панели № 6 32. ЭЛ-34 Щит собственных нужд ~ 380/220в. Ряды зажимов панели №20 33. ЭЛ-35 Щит собственных нужд ~ 380/220в. Ряды зажимов панели №21 34. ЭЛ-36 Монтажные схемы тележек выключателей вводов 6-10кв с электромагнитными приводами ПЭВ-12 и ПЭ-11 35. ЭЛ-37 Ряды зажимов шкафов КРУ №№ 11, 13, 15 (9, 11, 13, 15), 17 и 18; 1ВУ, 11БПНС, СТ и ШСП 36. ЭЛ-38 Схема кабельных связей 37. ЭЛ-39 Разводка кабелей в ОРУ-110кв 38. ЭЛ-40 Разводка кабелей в ЗРУ-6-10кв 39. ЭЛ-41,42 Кабельный журнал 40. ЭЛ-43 План сети электроосвещения открытой части подстанции 41. ЭЛ-44 Заземление и молниезащита |
| Разработан: | ГПИ Электропроект |
| Утверждён: | 01.06.1971 Минмонтажспецстрой СССР (USSR Minmontazhspetsstroy ) |













































