Скачать Типовой проект 407-3-192 Альбом 3. Электротехническая часть. Тип 2. ГПП-110-IIIу-2х63-Б2Р. Принципиальные и монтажные схемыДата актуализации: 01.01.2021
|
| Обозначение: | Типовой проект 407-3-192 |
| Обозначение англ: | 407-3-192 |
| Статус: | действует |
| Название рус.: | Альбом 3. Электротехническая часть. Тип 2. ГПП-110-IIIу-2х63-Б2Р. Принципиальные и монтажные схемы |
| Дата добавления в базу: | 01.09.2013 |
| Дата актуализации: | 01.01.2021 |
| Дата введения: | 15.08.1971 |
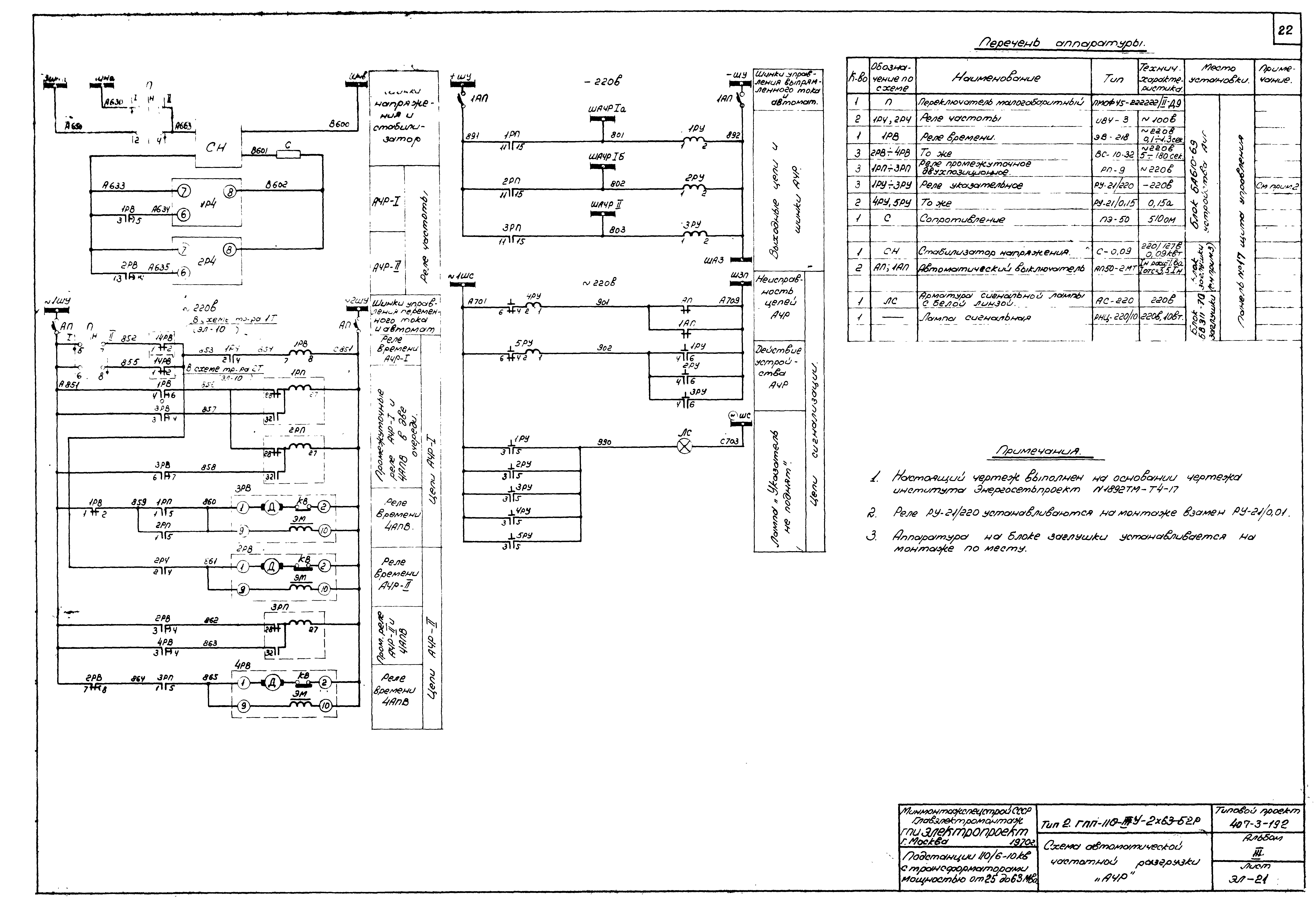
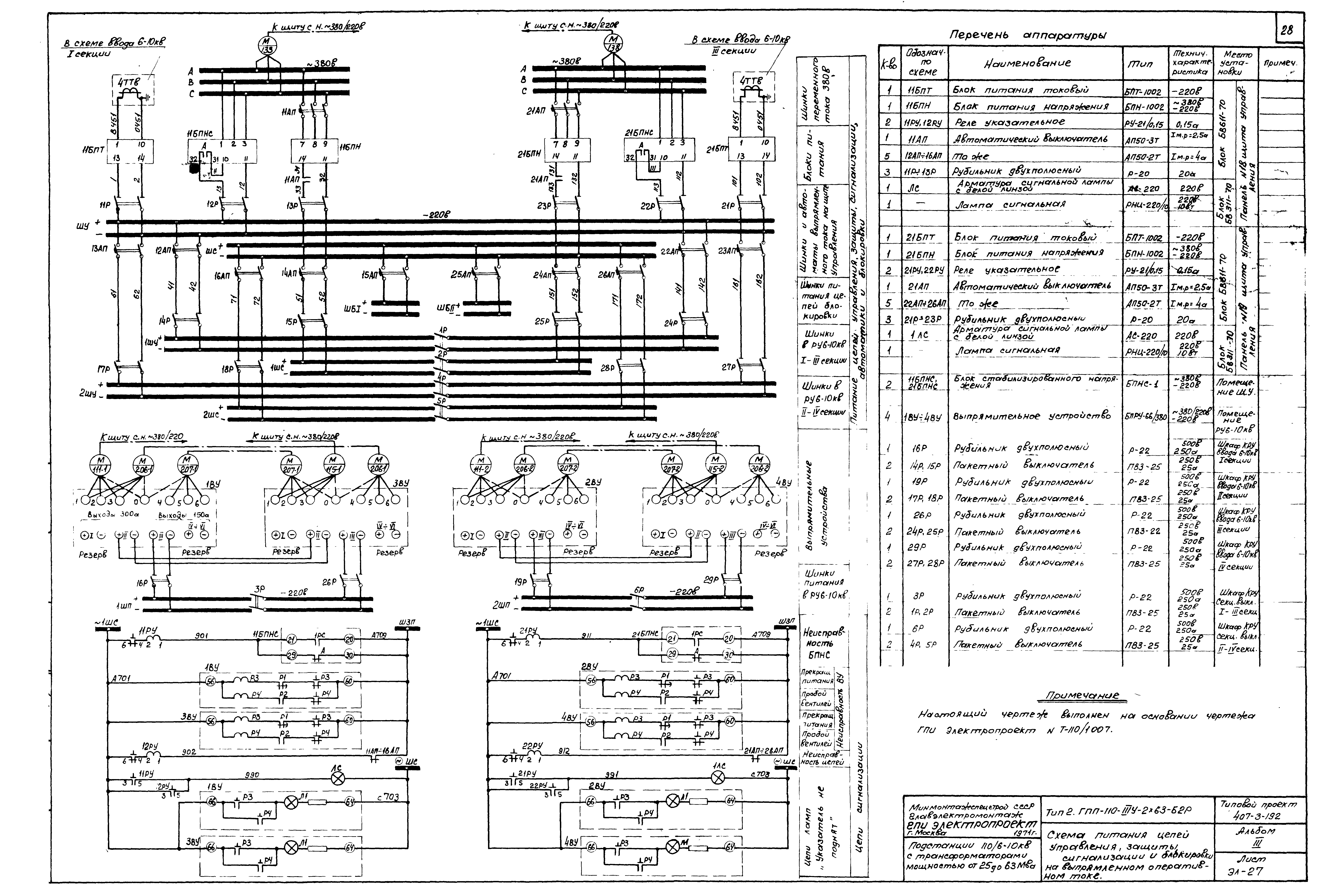
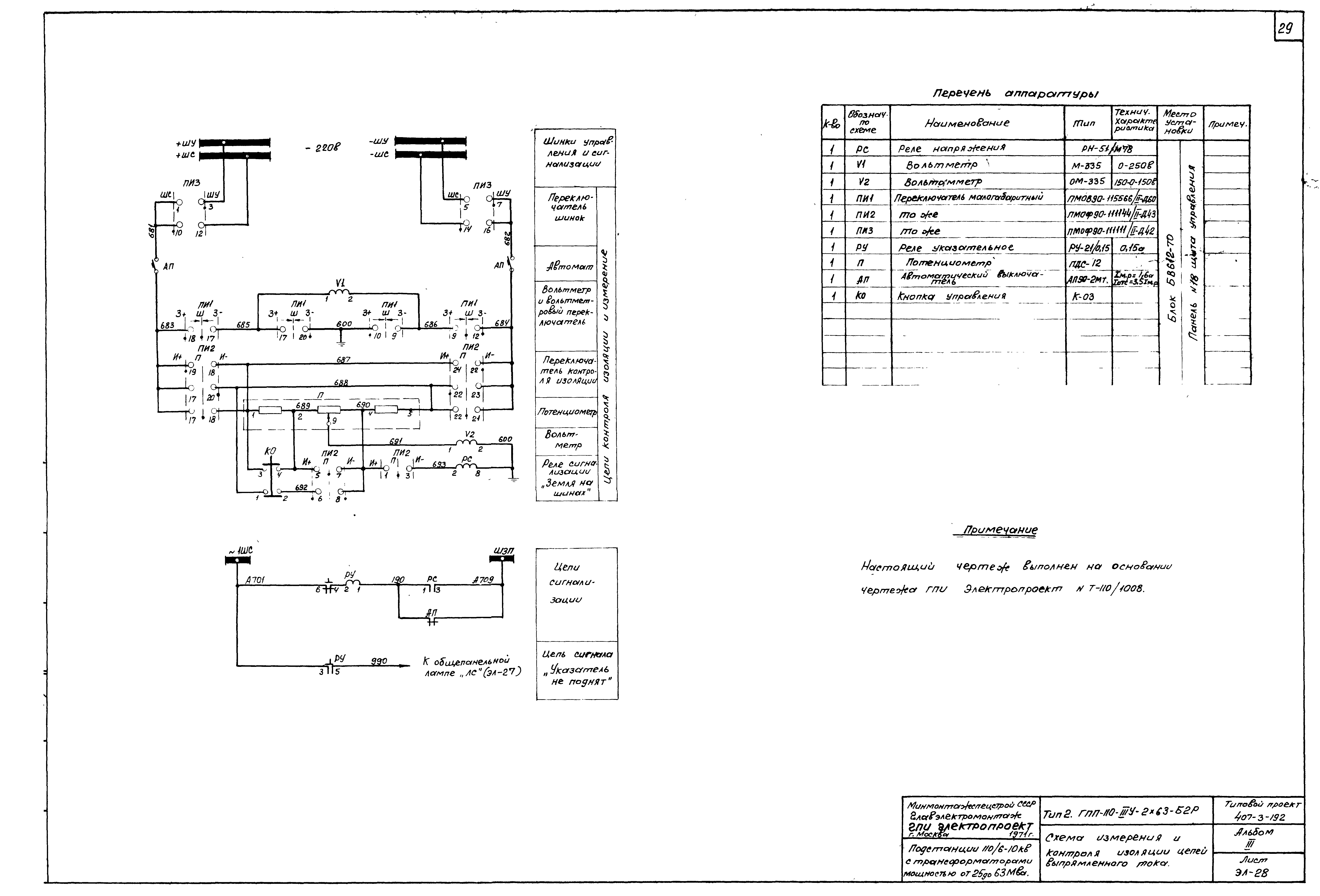
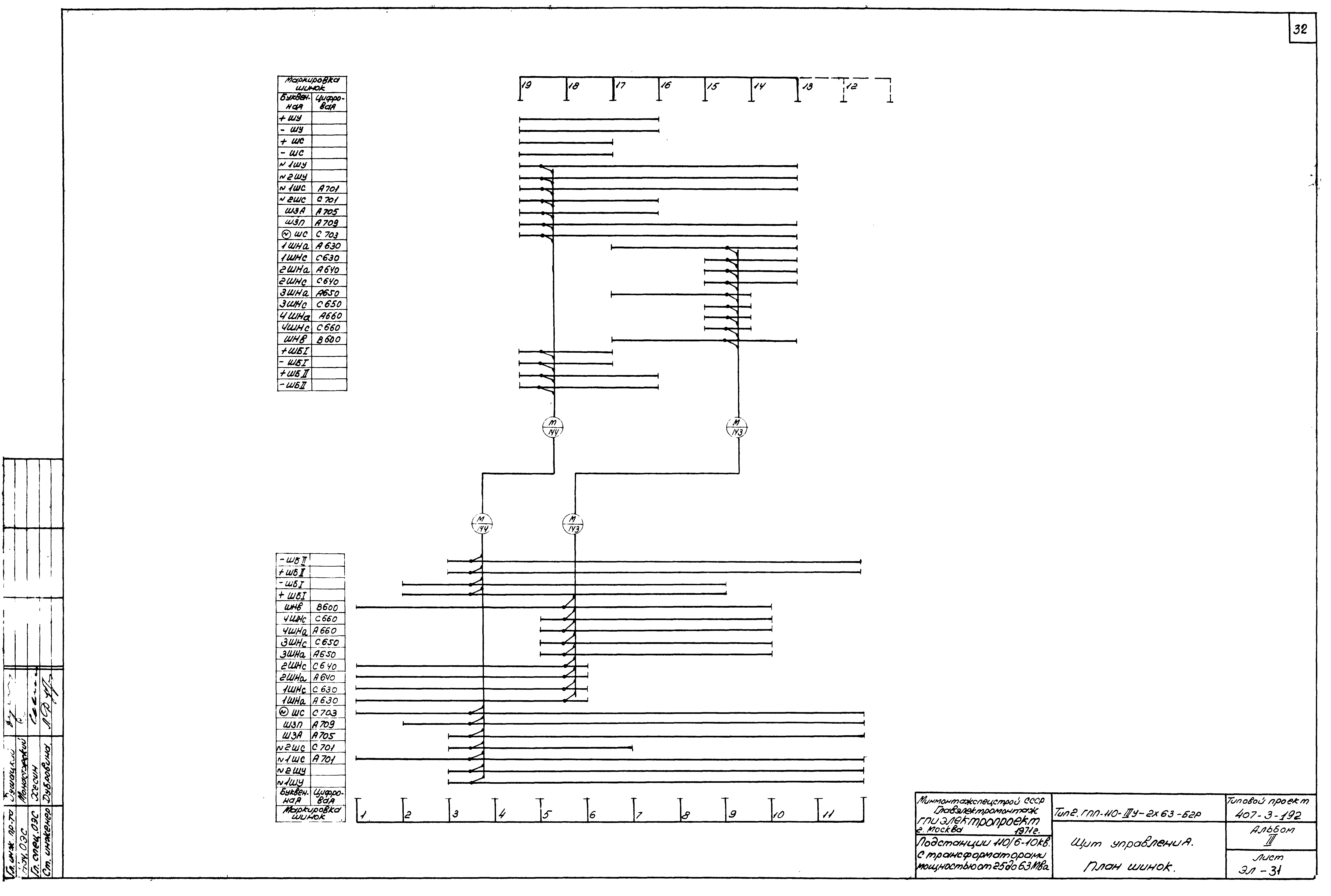
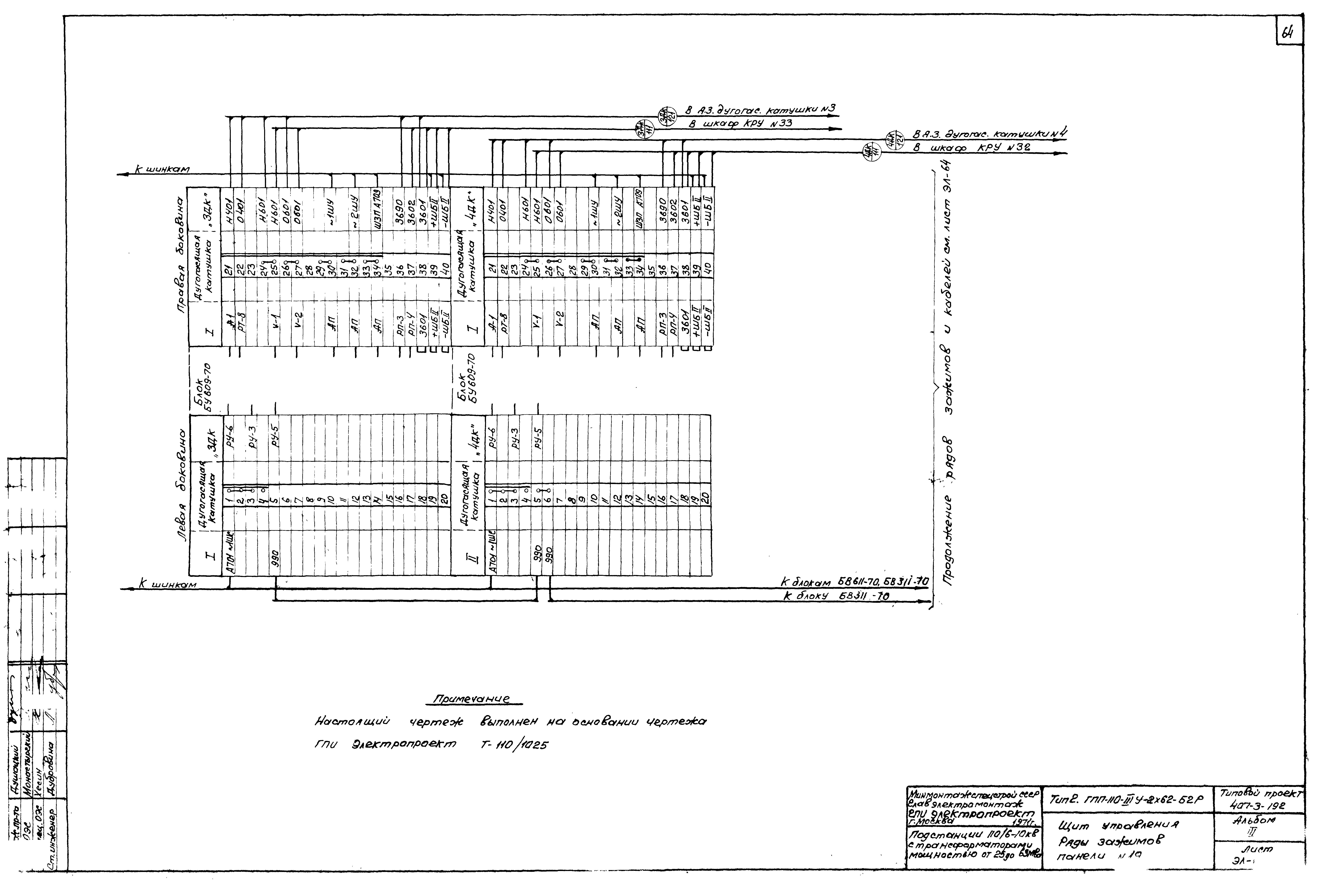
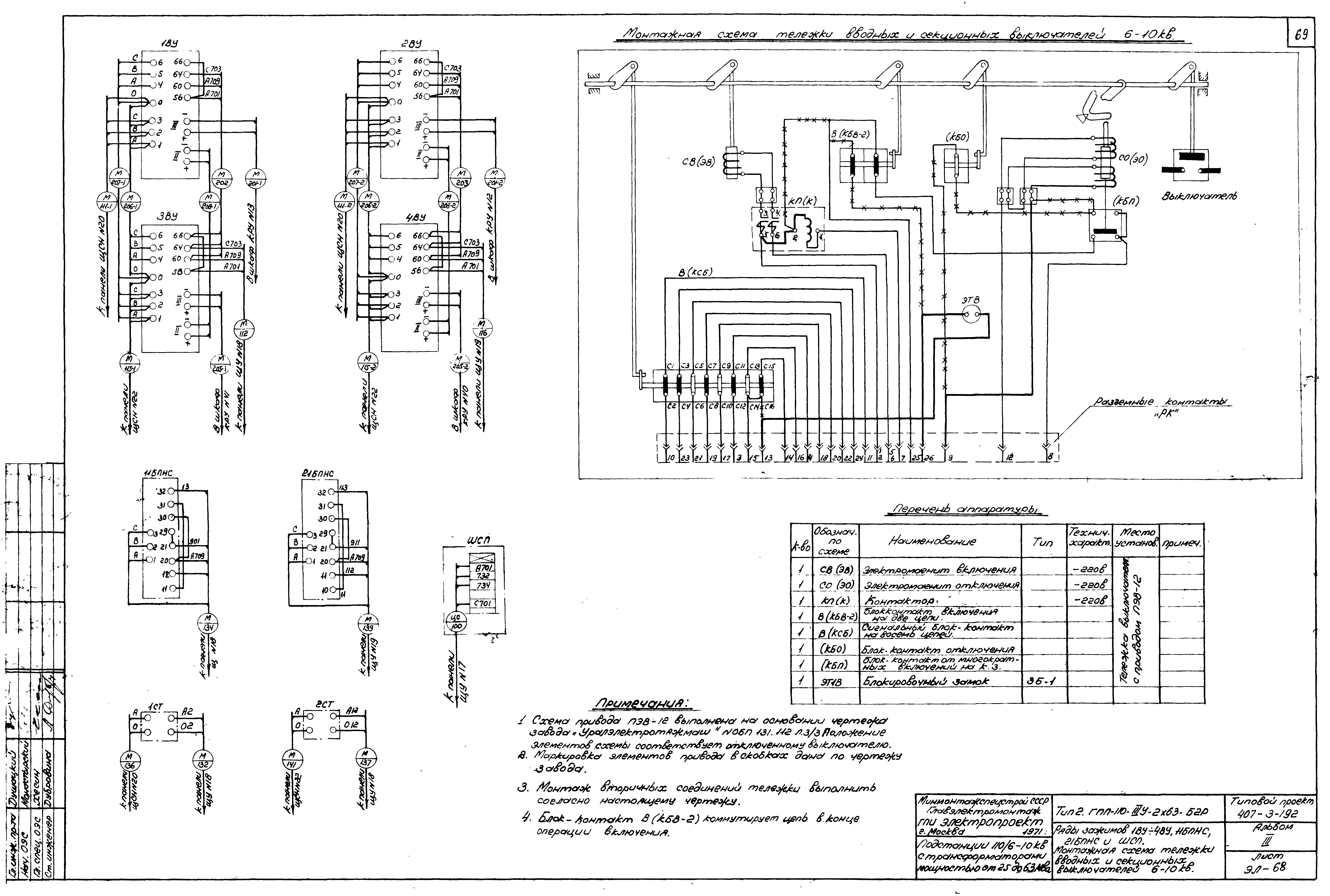
| Оглавление: | Титульный лист Содержание альбома Пояснительная записка Таблица уставок реле защиты и автоматики План и разрез подстанции Схема электрических соединений. Трансформатор "1Т". I и II секции Схема электрических соединений. Трансформатор "2Т". III - IV секции Трансформатор 110/6-10 кВ. Поясняющая схема и перечень аппаратуры цепей управления, защиты, сигнализации и автоматики Трансформатор 110/6-10 кВ. Схема управления, защиты, сигнализации и автоматики Трансформатор 110/6-10 кВ. Схема управления, защиты, сигнализации и автоматики ввода "1В" Трансформатор 110/6-10 кВ. Схема управления, защиты, сигнализации и автоматики ввода "2В" Трансформатор 110/6-10 кВ. Схема дистанционного и автоматического регулирования напряжения Трансформатор 110/6-10 кВ. Схема приводного механизма типа М3-2 Трансформатор 110/6-10 кВ. Схема устройства обдувки Трансформатор 110/6-10 кВ. Схема устройства охлаждения трансформатора мощностью 63 МВА Трансформатор 110/6-10 кВ. Схема блокировки Трансформатор 110/6-10 кВ. Монтажная схема трансформатора Трансформатор 110/6-10 кВ. Монтажная схема устройства охлаждения трансформатора мощностью 63 МВА Секционный выключатель 6 - 10кВ. Схема управления, защиты, сигнализации и автоматики Схема трансформатора напряжения 6-10кв Схема автоматической частотной разгрузки "АЧР" Схема защиты минимального напряжения электродвигателей 6-10кв Дугогасящая катушка. Принципиальная и монтажная схемы Схема питания собственных нужд ~ 380/220в Схема вводов и секционного автомата щита собственных нужд ~ 380/220в Схема питания цепей управления, защиты и сигнализации на переменном оперативном токе Схема питания цепей управления, защиты, сигнализации и блокировки на выпрямленном оперативном токе Схема измерения и контроля изоляции цепей выпрямленного тока Схема центральной сигнализации Щит управления. Фасад. Перечень панелей Щит управления. План шинок Щит управления. Ряды зажимов панели № 1 Щит управления. Ряды зажимов панели № 2 Щит управления. Ряды зажимов панели № 3 Щит управления. Ряды зажимов панели № 4 Щит управления. Ряды зажимов панели № 5 Щит управления. Ряды зажимов панели № 6 Щит управления. Ряды зажимов панели № 7 Щит управления. Ряды зажимов панели № 8 Щит управления. Ряды зажимов панели № 9 Щит управления. Ряды зажимов панели № 10 Щит управления. Ряды зажимов панели № 11 Щит управления. Ряды зажимов панели № 14 Щит управления. Ряды зажимов панели № 15 Щит управления. Ряды зажимов панели № 16 Щит управления. Ряды зажимов панели № 17 Щит управления. Ряды зажимов панели № 18 Щит управления. Ряды зажимов панели № 19 Щит собственных нужд ~ 380/220в. Ряды зажимов панели №20 Щит собственных нужд ~ 380/220в. Ряды зажимов панели №21 Щит собственных нужд ~ 380/220в. Ряды зажимов панели №22 Ряды зажимов 1ВУ - 4ВУ, 11БПНС, 21БПНС и ШПС. Монтажная схема тележки вводных и секционных выключателей 6 - 10 кВ Ряды зажимов шкафов КРУ №№ 4, 12, 13, 15, 17, 22, 23, 27 и 29 Ряды зажимов шкафов КРУ №№ 26, 28, 32, 33, 40, 41, 43 и 45 Ряды зажимов шкафов КРУ №№ 24, 25, 30 и 32 Схема кабельных связей Разводка кабелей в ОРУ 110 кВ Разводка кабелей в ЗРУ 6 - 10 кВ Кабельный журнал План сети электроосвещения открытой части подстанции Заземление и молниезащита |
| Разработан: | ГПИ Электропроект |
| Утверждён: | 01.06.1971 Минмонтажспецстрой СССР (USSR Minmontazhspetsstroy ) |

















































































