Скачать Типовой проект 902-4-5.83 Альбом 4. Строительная часть. ИзделияДата актуализации: 01.01.2021
|
| Обозначение: | Типовой проект 902-4-5.83 |
| Обозначение англ: | 902-4-5.83 |
| Статус: | не определен законодательством |
| Название рус.: | Альбом 4. Строительная часть. Изделия |
| Дата добавления в базу: | 01.09.2013 |
| Дата актуализации: | 01.01.2021 |
| Дата введения: | 01.12.1983 |
| Дата окончания срока действия: | 30.06.2003 |
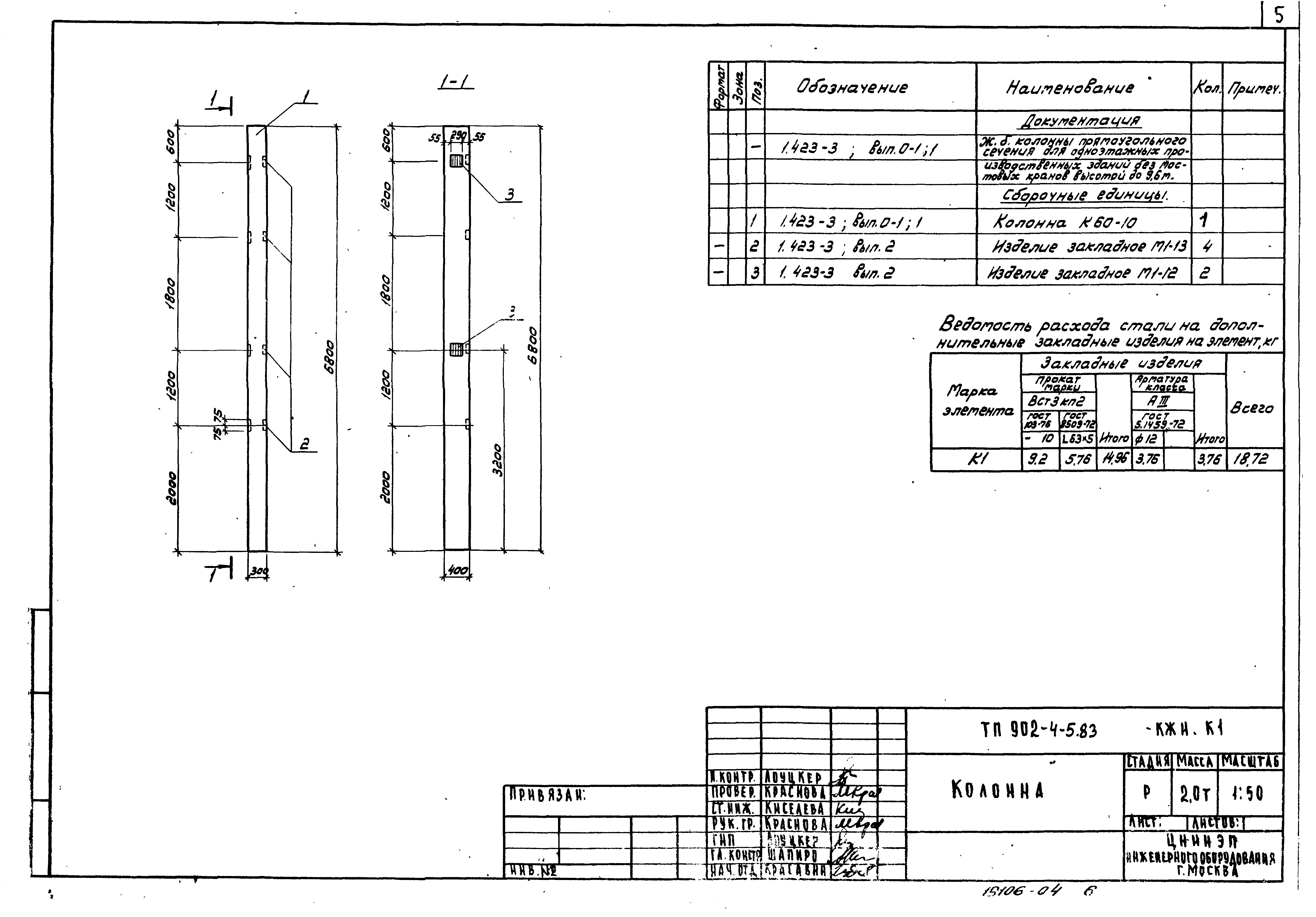
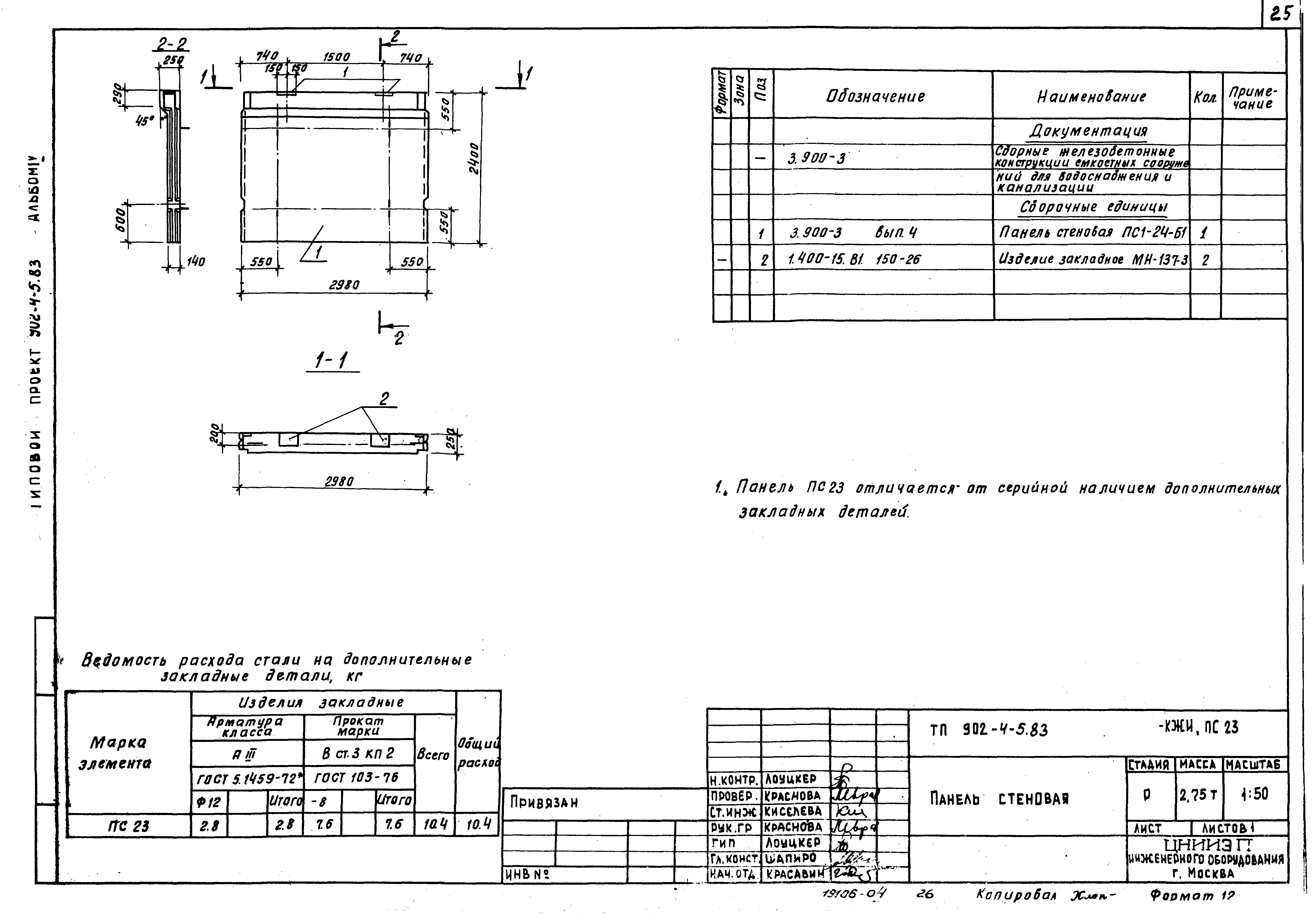
| Оглавление: | тп902-4-5.83-КЖИ.Б1 Балка покрытия тп902-4-5.83-КЖИ.Б2 Балка покрытия тп902-4-5.83-КЖИ.К1 Колонна тп902-4-5.83-КЖИ.К2 Колонна тп902-4-5.83-КЖИ.К3 Колонна (К3, К5) тп902-4-5.83-КЖИ.К4 Колонна тп902-4-5.83-КЖИ.П13 Плита покрытия тп902-4-5.83-КЖИ.П14 Плита покрытия тп902-4-5.83-КЖИ.П15 Плита покрытия тп902-4-5.83-КЖИ.П16 Плита покрытия тп902-4-5.83-КЖИ.П17 Плита покрытия тп902-4-5.83-КЖИ.ПС8 Плита тп902-4-5.83-КЖИ.ПС9 Плита (ПС9, ПС10) тп902-4-5.83-КЖИ.ПС11 Панель (ПС11, ПС12) тп902-4-5.83-КЖИ.ПС13 Панель (ПС13, ПС14, ПС15, ПС16, ПС17, ПС18) тп902-4-5.83-КЖИ.СП1 Сетка арматурная тп902-4-5.83-КЖИ.СП2 Сетка арматурная тп902-4-5.83-КЖИ.КП1 Каркас пространственный тп902-4-5.83-КЖИ.КР1 Каркас плоский тп902-4-5.83-КЖИ.КП2 Каркас пространственный тп902-4-5.83-КЖИ.КП3 Каркас пространственный тп902-4-5.83-КЖИ.КП4 Каркас пространственный тп902-4-5.83-КЖИ.КР2 Каркас плоский тп902-4-5.83-КЖИ.КП5 Каркас пространственный тп902-4-5.83-КЖИ.КР3 Каркас плоский тп902-4-5.83-КЖИ.П1 Петля для подъема тп902-4-5.83-КЖИ.П2 Петля для подъема тп902-4-5.83-КЖИ.ПС19 Панель (ПС19, ПС20, ПС21, ПС22) тп902-4-5.83-КЖИ.ПС23 Панель стеновая тп902-4-5.83-КЖИ.ПС24 Панель стеновая тп902-4-5.83-КЖИ.ЛТ1 Лоток тп902-4-5.83-КЖИ.П10 Плита тп902-4-5.83-КЖИ.МН1 Изделие закладное тп902-4-5.83-КЖИ.РМ2 Изделие закладное тп902-4-5.83-КЖИ.РМ1СБ Изделие закладное (РМ1, РМ3) тп902-4-5.83-КЖИ.РМ Изделие закладное (РМ1, РМ3) тп902-4-5.83-КЖИ.МС1 Изделие закладное тп902-4-5.83-КЖИ.МН2 Изделие закладное тп902-4-5.83-КЖИ.С2 Сетка арматурная тп902-4-5.83-КЖИ.С1 Сетка арматурная тп902-4-5.83-КЖИ.КПБ Изделие закладное тп902-4-5.83-КЖИ.КПБ.С3 Сетка арматурная тп902-4-5.83-КЖИ.КПБ.С4 Сетка арматурная тп902-4-5.83-КЖИ.СП5 Сетка арматурная тп902-4-5.83-КЖИ.СП3 Сетка арматурная тп902-4-5.83-КЖИ.СП4 Сетка арматурная тп902-4-5.83-КЖИ.МС2 Изделие закладное (МС2, МС3, МС4) |
| Разработан: | ЦНИИЭП инженерного оборудования |
| Утверждён: | 14.02.1983 Госгражданстрой (Gosgrazhdanstroy 49) |




































