Скачать Типовой проект 902-5-35.86 Альбом 4. Строительные изделия (из ТП 902-5-36.86)Дата актуализации: 01.01.2021
|
| Обозначение: | Типовой проект 902-5-35.86 |
| Обозначение англ: | 902-5-35.86 |
| Статус: | не определен законодательством |
| Название рус.: | Альбом 4. Строительные изделия (из ТП 902-5-36.86) |
| Дата добавления в базу: | 21.05.2015 |
| Дата актуализации: | 01.01.2021 |
| Дата введения: | 01.10.1986 |
| Дата окончания срока действия: | 30.06.2003 |
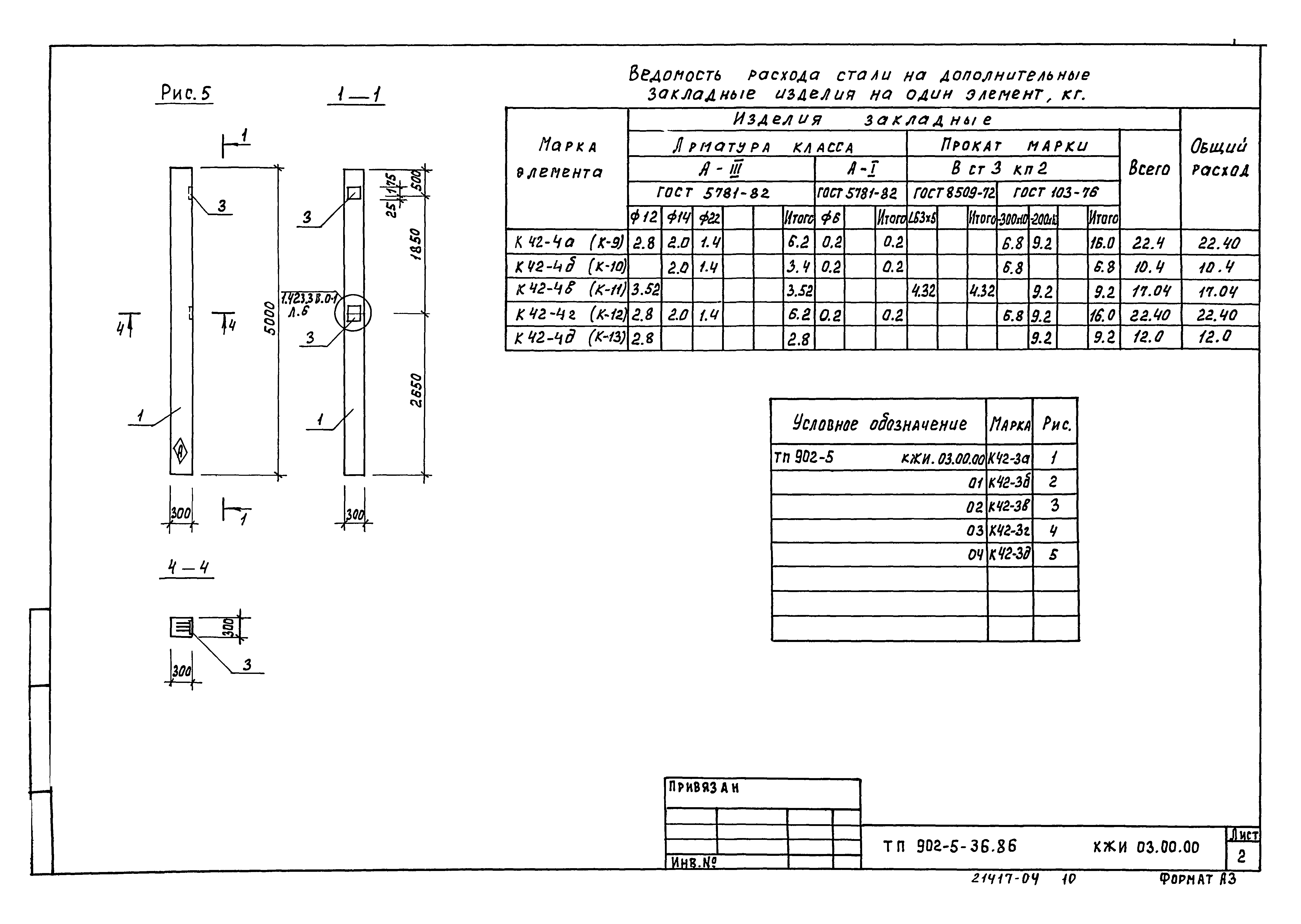
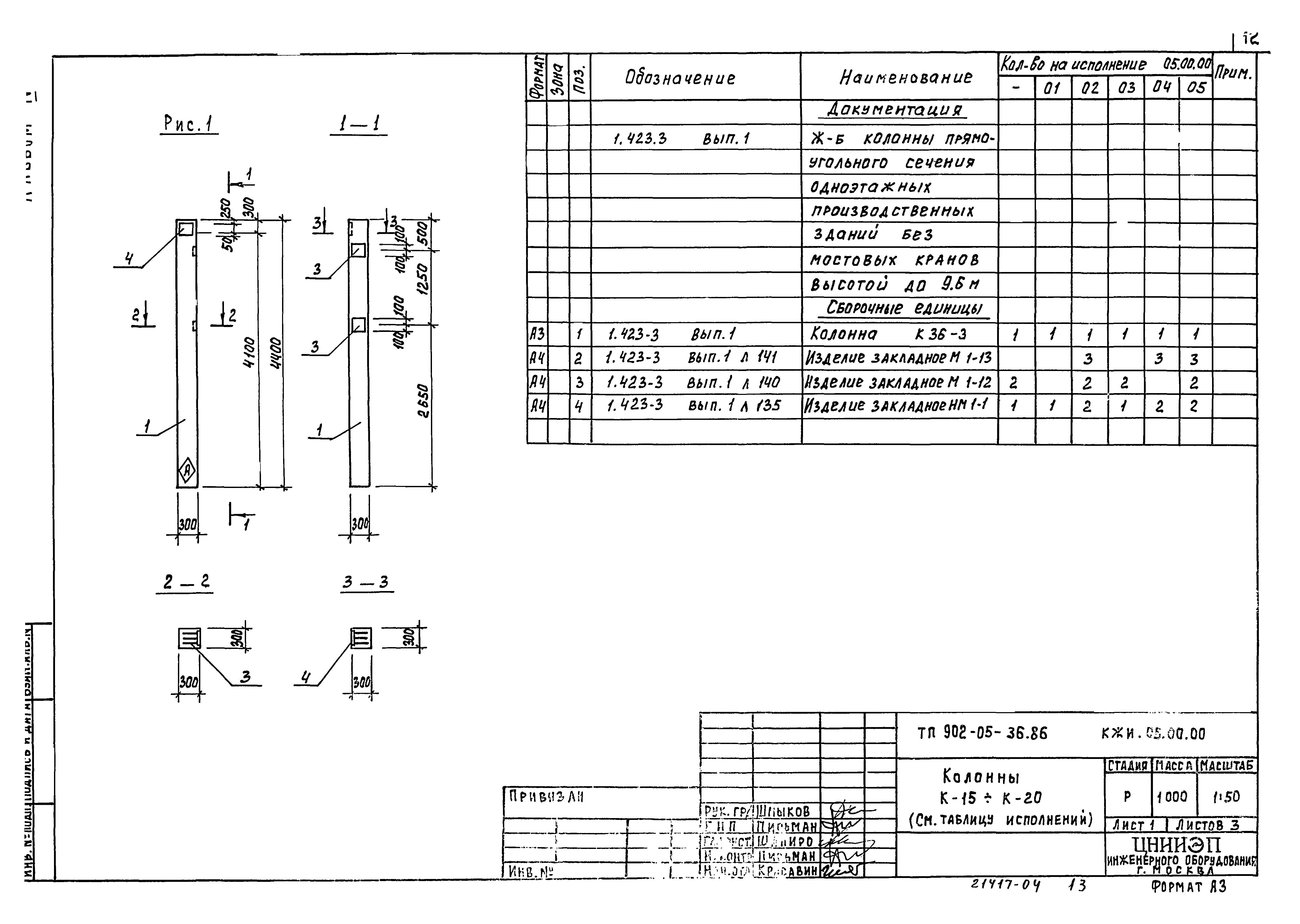
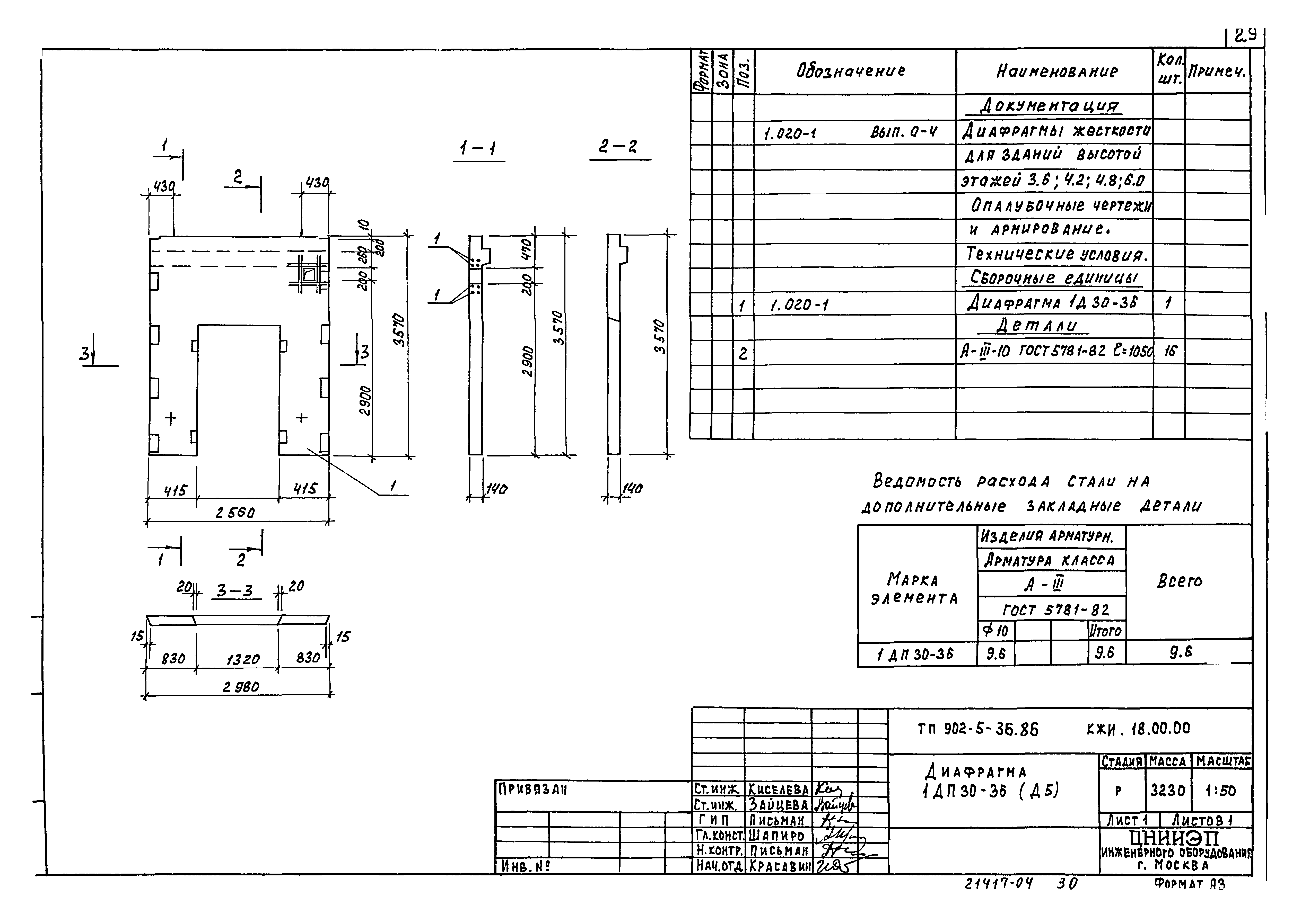
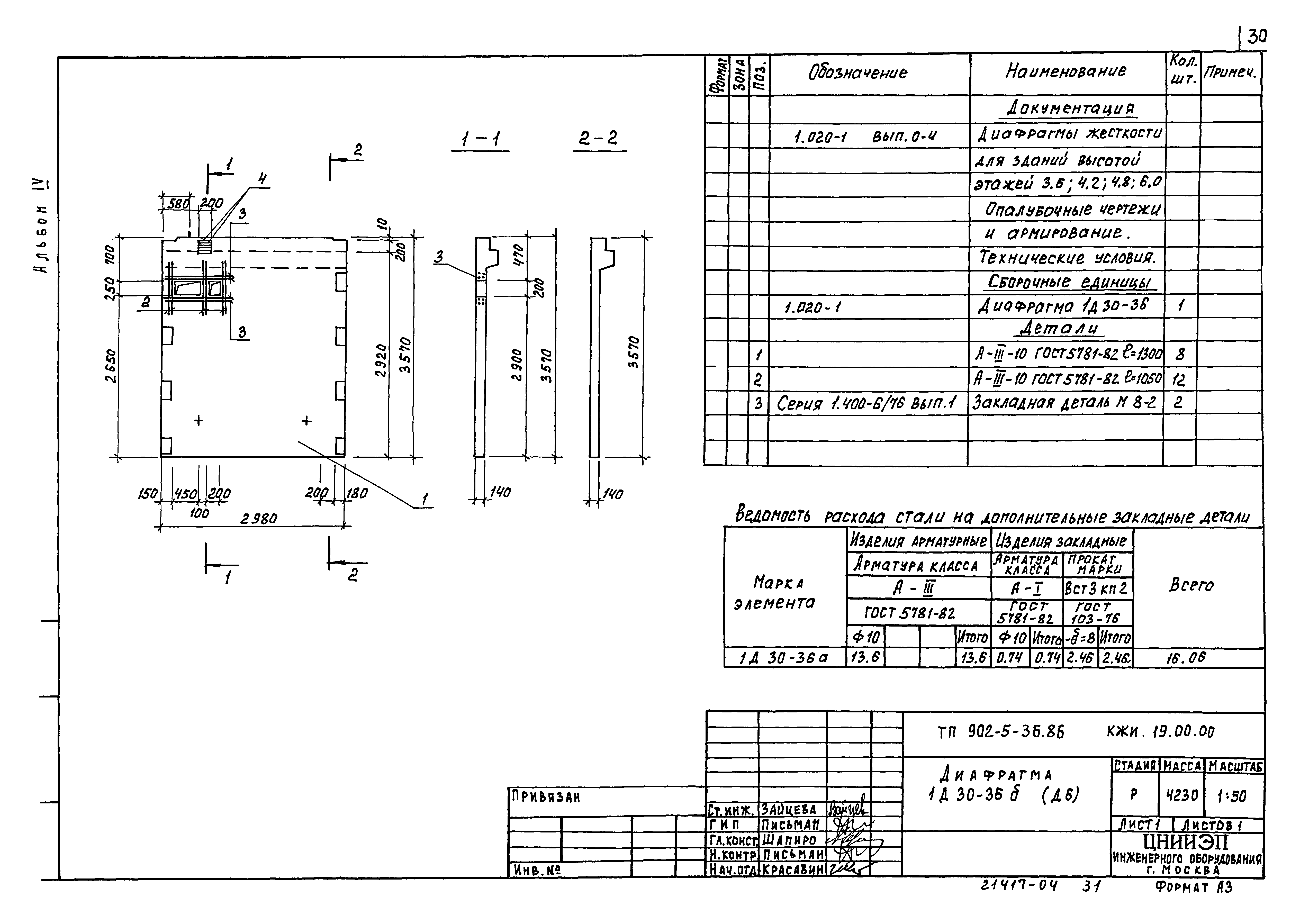
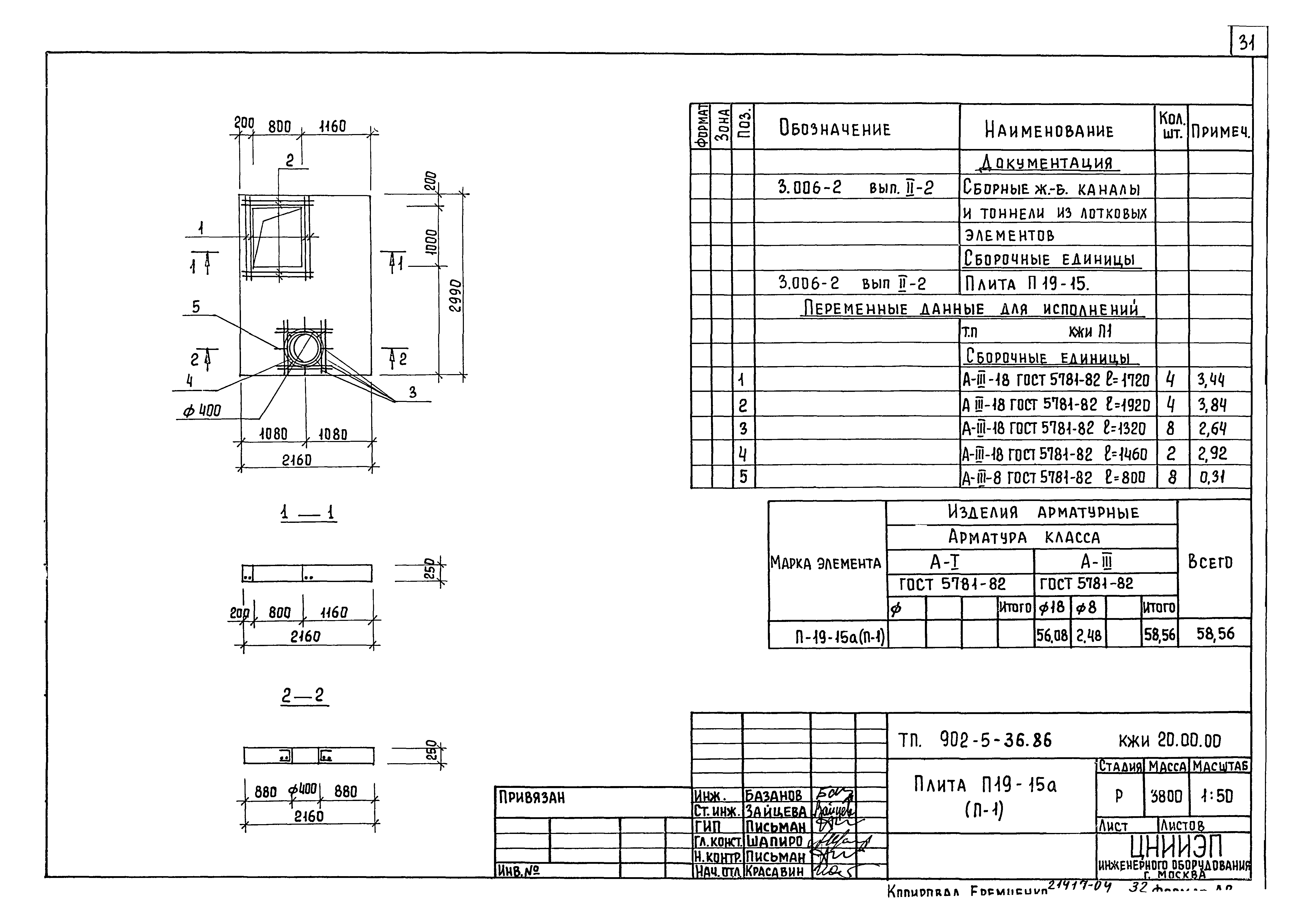
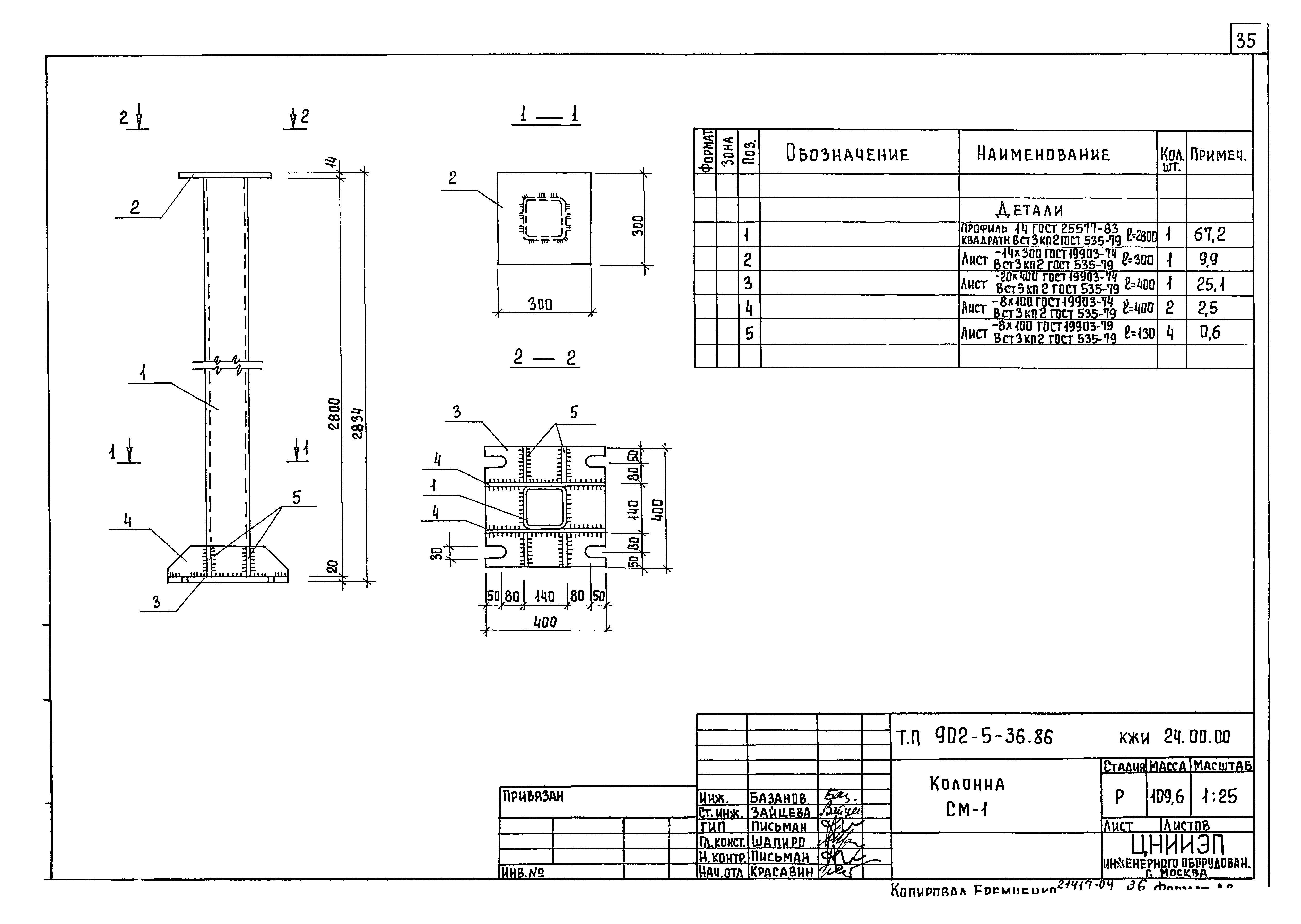
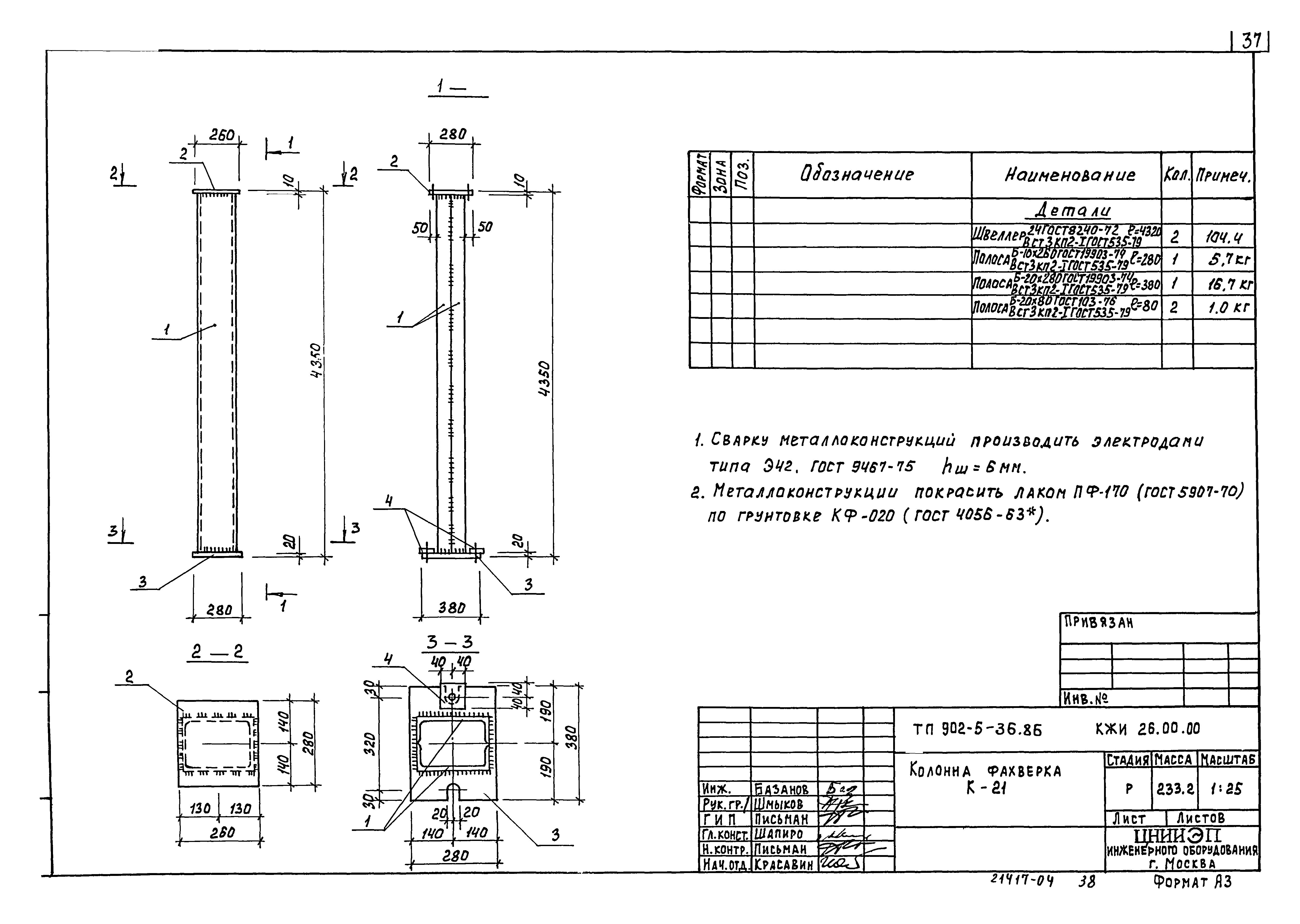
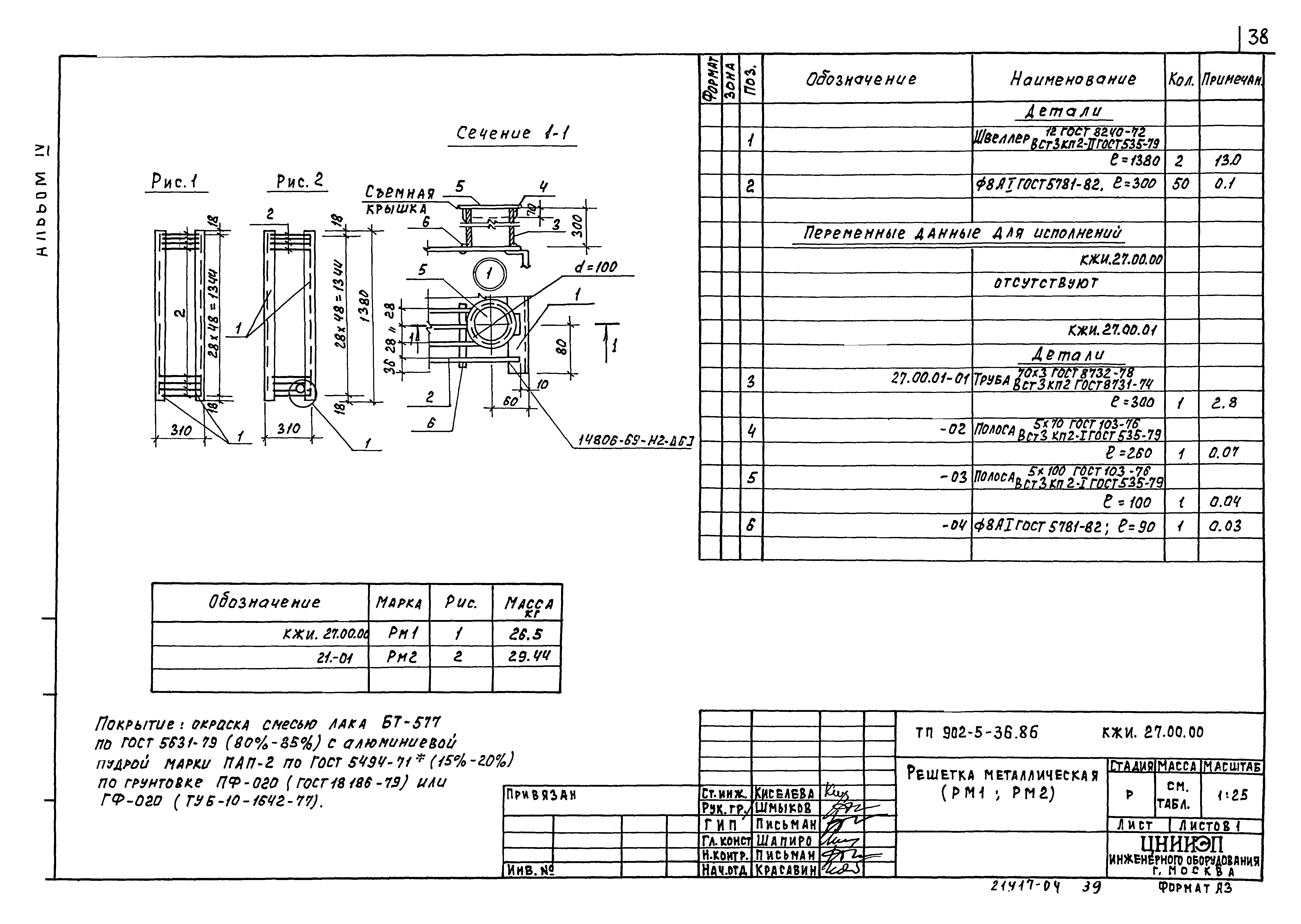
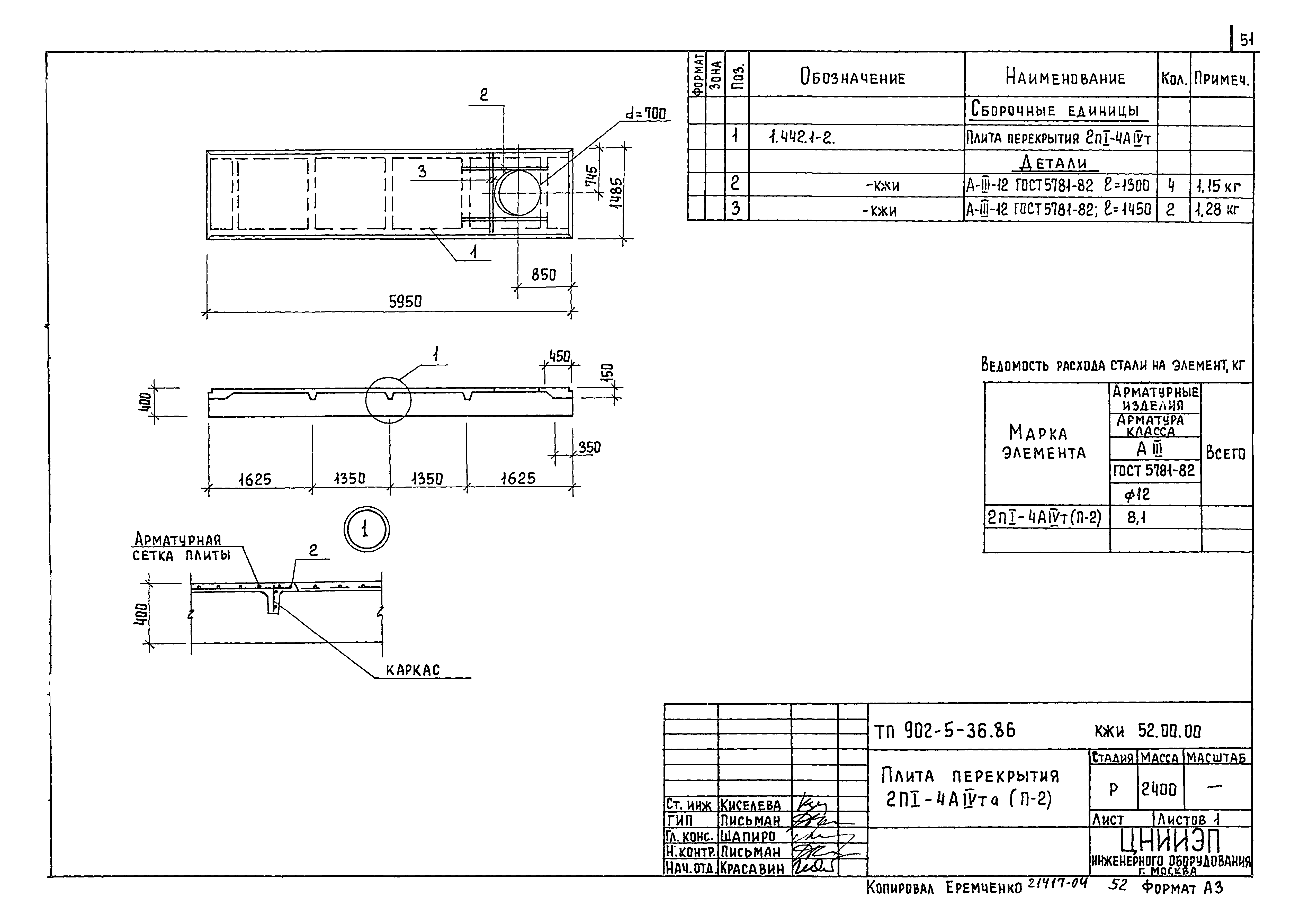
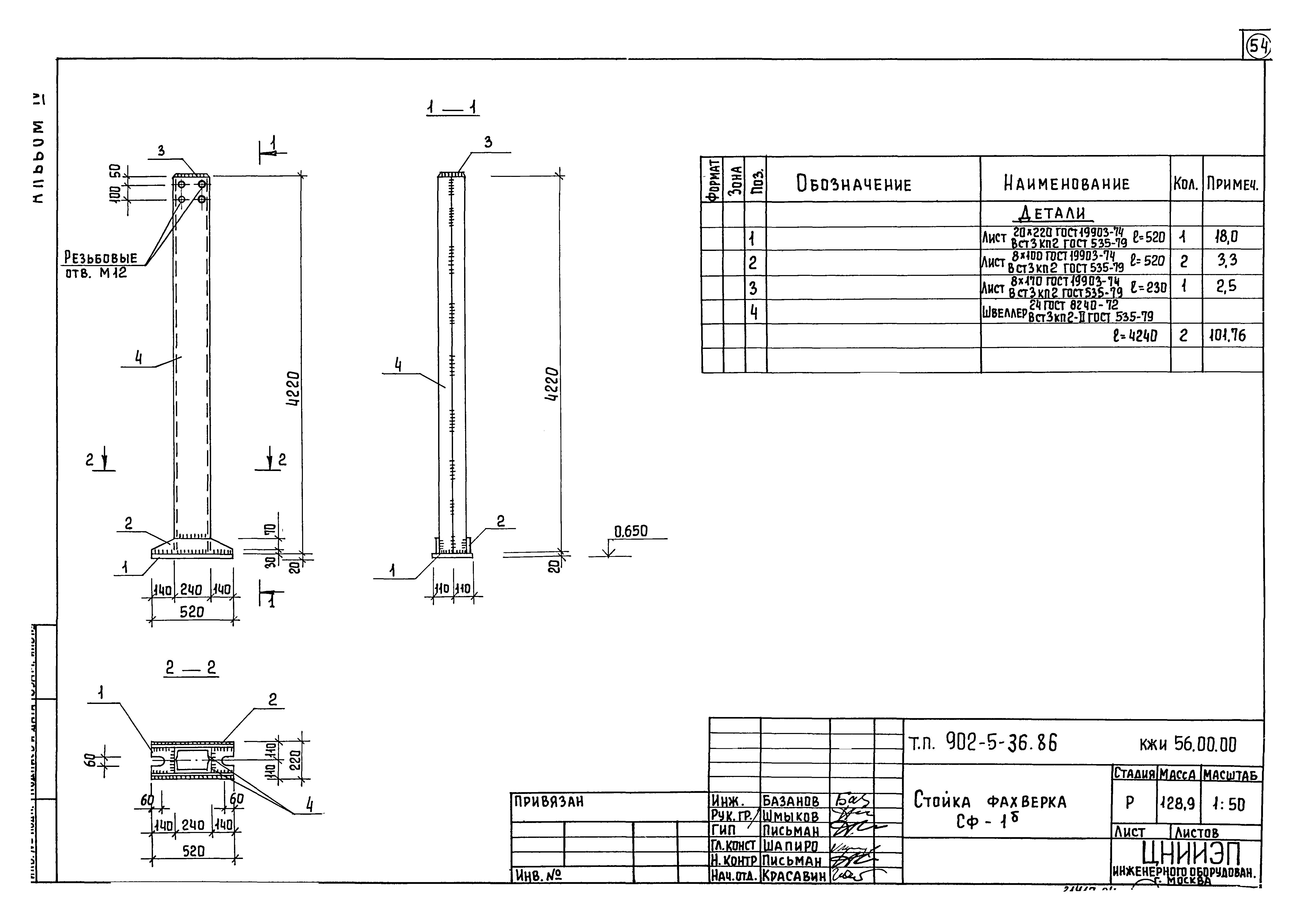
| Оглавление: | ТП 902-5-36.86 Содержание альбома ТП 902-5-36.86 КЖИ.01.00.00 Колонны К1-К7 (см. табл.исполнений) ТП 902-5-36.86 КЖИ.02.00.00 Колонна 8КФ 109-1а (К-8) ТП 902-5-36.86 КЖИ.03.00.00 Колонны К9-К13 (см. таблицу исполнений) ТП 902-5-36.86 КЖИ.04.00.00 Колонна 1КФ49-1а (К-14) ТП 902-5-36.86 КЖИ.05.00.00 Колонны К15-К20 (см.табл.исполнений) ТП 902-5-36.86 КЖИ.06.00.00 Колонны К1;К3;К9;К10;К12;К13 (см. табл.исполн.) ТП 902-5-36.86 КЖИ.07.00.00 Колонны К4;К11;К14 (см.табл.исполн.) ТП 902-5-36.86 КЖИ.08.00.00 Колонны 2К3.3б-1а;2К3.3б-1б(К-5;К-6) ТП 902-5-36.86 КЖИ.09.00.00 Колонны 1К03.3б-2.1а,1К03.3б-2.1б(К-7,К-8) ТП 902-5-36.86 КЖИ.10.00.00 Балка 1БДР18-2АIVто (Б-1) ТП 902-5-36.86 КЖИ.11.00.00 Балка 1БДР18-3АIVто (Б-2) ТП 902-5-36.86 КЖИ.12.00.00 Балка 2БСП12-7АТVа (Б-3) ТП 902-5-36.86 КЖИ.13.00.00 Балка 1БСП12-5АТVа (Б-4) ТП 902-5-36.86 КЖИ.14.00.00 Балка 1БСП12-2АТVа (Б-5) ТП 902-5-36.86 КЖИ.15.00.00 Плита П1,П2,П4,П6-П10,П12(см.табл.исполн.) ТП 902-5-36.86 КЖИ.16.00.00 Плита ПРС56.15-6АVта (П-4) ТП 902-5-36.86 КЖИ.17.00.00 Плита ПРС56.15-6АVтб (П-10) ТП 902-5-36.86 КЖИ.18.00.00 Диафрагма 1ДП30-36а(Д-5) ТП 902-5-36.86 КЖИ.19.00.00 Диафрагма 1Д30-36б(Д-6) ТП 902-5-36.86 КЖИ.20.00.00 Плита П19-15а(П-1) ТП 902-5-36.86 КЖИ.21.00.00 Панель стеновая ПСР-1;ПСР-1а,ПСР-1б ТП 902-5-36.86 КЖИ.22.00.00 Панель стеновая ПСР1-1,ПСР1-1а,ПСР1-1б,ПСР1-1б ТП 902-5-36.86 КЖИ.23.00.00 Панель стеновая ПС1-30-Б2÷ПС1-30-Б2-3(ПС2-ПС4) ТП 902-5-36.86 КЖИ.24.00.00 Колонна А СМ-1 ТП 902-5-36.86 КЖИ.25.00.00 Балка БМ-1 ТП 902-5-36.86 КЖИ.26.00.00 Стойка фахверка К-21 ТП 902-5-36.86 КЖИ.27.00.00 Решетка металлическая РМ1,РМ2 ТП 902-5-36.86 КЖИ.28.00.00 Металлический щит Щ-1 ТП 902-5-36.86 КЖИ.29.00.00 Металлический щит Щ-2 ТП 902-5-36.86 КЖИ.30.00.00 Металлический щит Щ-3 ТП 902-5-36.86 КЖИ.31.00.00 Металлический щит Щ-4 ТП 902-5-36.86 КЖИ.32.00.00 Рама РМ-3 ТП 902-5-36.86 КЖИ.33.00.00 Рама РМ-4 ТП 902-5-36.86 КЖИ.34.00.00 Решетка Р-1 ТП 902-5-36.86 КЖИ.35.00.00 Элемент соединения МС-1 ТП 902-5-36.86 КЖИ.36.00.00 Элемент соединения МС-2 ТП 902-5-36.86 КЖИ.37.00.00 Элемент соединения МС-3 ТП 902-5-36.86 КЖИ.38.00.00 Закладная деталь 3Д-1 ТП 902-5-36.86 КЖИ.39.00.00 Изделие закладное МН-1 ТП 902-5-36.86 КЖИ.40.00.00 Закладная деталь 3Д-2 ТП 902-5-36.86 КЖИ.41.00.00 Закладная деталь 3Д-3 ТП 902-5-36.86 КЖИ.42.00.00 Каркас пространственный КП1 ТП 902-5-36.86 КЖИ.43.00.00 Каркас плоский КР1 ТП 902-5-36.86 КЖИ.44.00.00 Каркас КР-1 ТП 902-5-36.86 КЖИ.45.00.00 Каркас КР-2 ТП 902-5-36.86 КЖИ.46.00.00 Анкер А-2 ТП 902-5-36.86 КЖИ.47.00.00 Анкер А-3 ТП 902-5-36.86 КЖИ.48.00.00 Анкера А-4,А-5,А-6 ТП 902-5-36.86 КЖИ.49.00.00 Изделие закладное МН-2 ТП 902-5-36.86 КЖИ.50.00.00 Анкер А-1 ТП 902-5-36.86 КЖИ.51.00.00 Закладная деталь ЗД-4 ТП 902-5-36.86 КЖИ.52.00.00 Плита перекрытия 2П1-4АIVа(П-2) ТП 902-5-36.86 КЖИ.53.00.00 Изделие закладное РМ5 ТП 902-5-36.86 КЖИ.54.00.00 Изделие закладное РМ6 ТП 902-5-36.86 КЖИ.55.00.00 Стойка фахверка СФ1а ТП 902-5-36.86 КЖИ.56.00.00 Стойка фахверка СФ1б |
| Разработан: | ЦНИИЭП инженерного оборудования |
| Утверждён: | 14.03.1986 Госгражданстрой (Gosgrazhdanstroy 88) |
| Заменяет собой: |























































