Скачать Типовой проект 810-1-12.86 Альбом IV. Блочные теплицы и соединительный коридор. Механизм открывания и закрывания форточекДата актуализации: 01.01.2021
|
| Обозначение: | Типовой проект 810-1-12.86 |
| Обозначение англ: | 810-1-12.86 |
| Статус: | не определен законодательством |
| Название рус.: | Альбом IV. Блочные теплицы и соединительный коридор. Механизм открывания и закрывания форточек |
| Дата добавления в базу: | 01.09.2013 |
| Дата актуализации: | 01.01.2021 |
| Дата введения: | 01.08.1986 |
| Дата окончания срока действия: | 30.06.2003 |
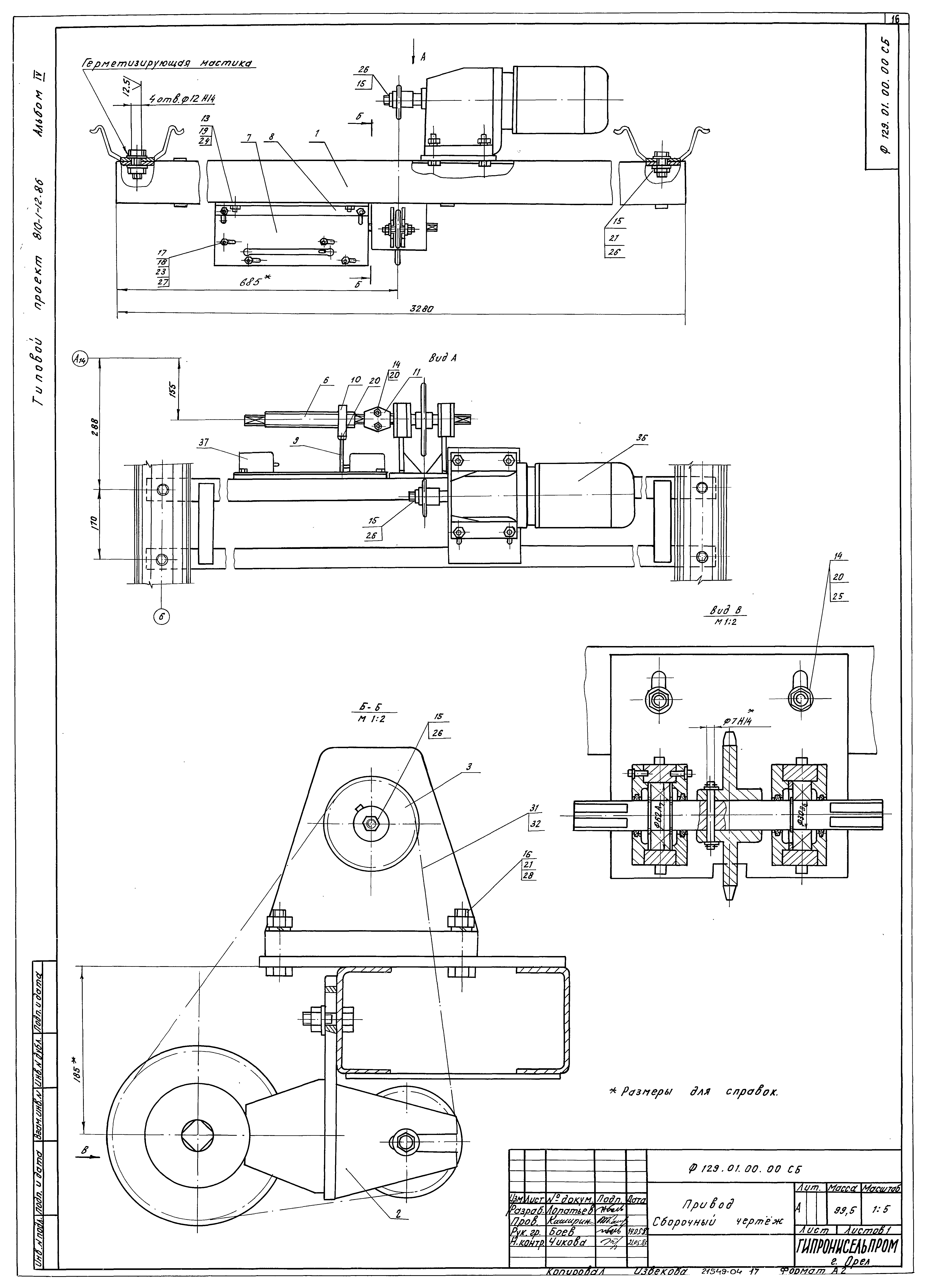
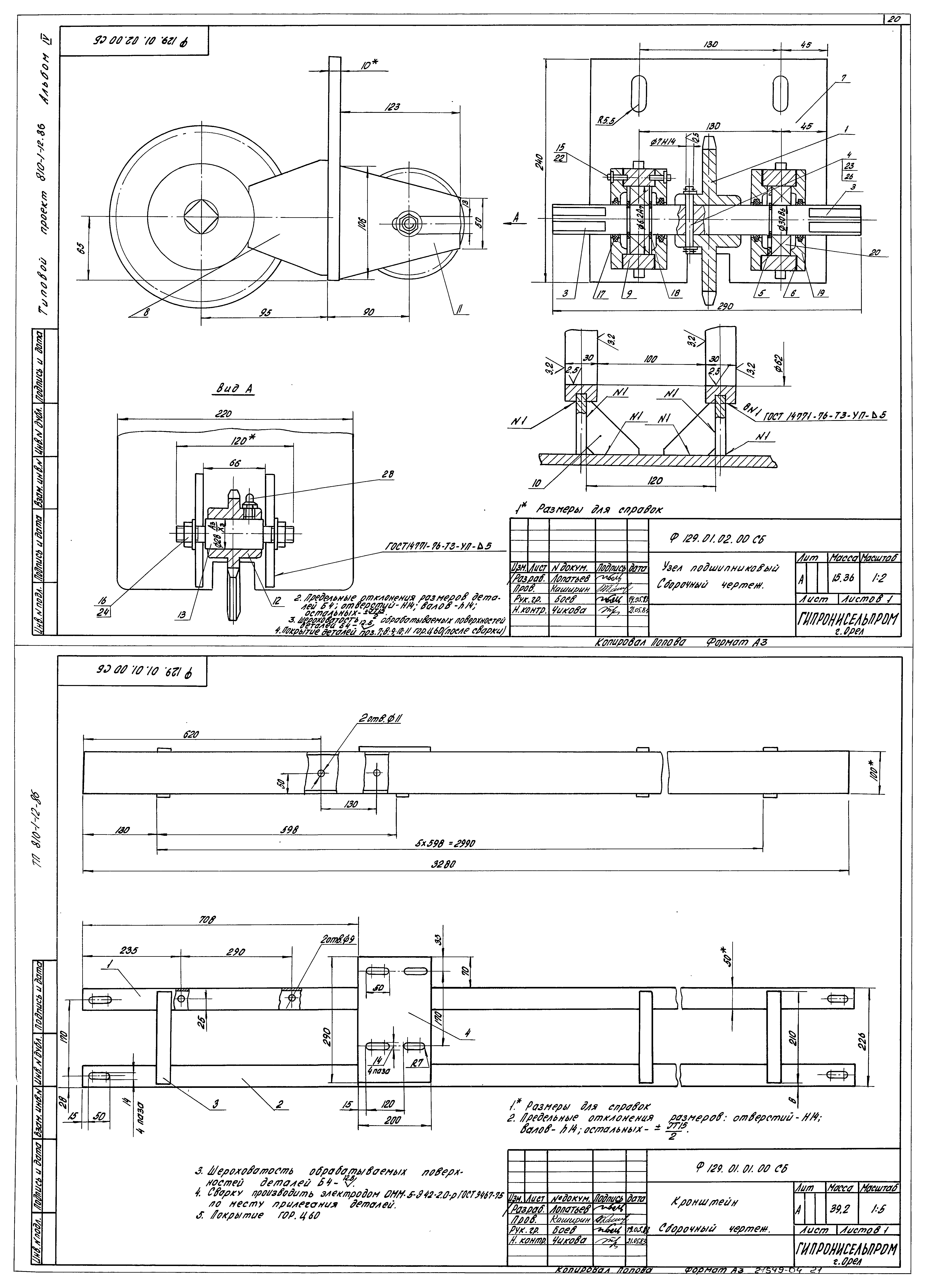
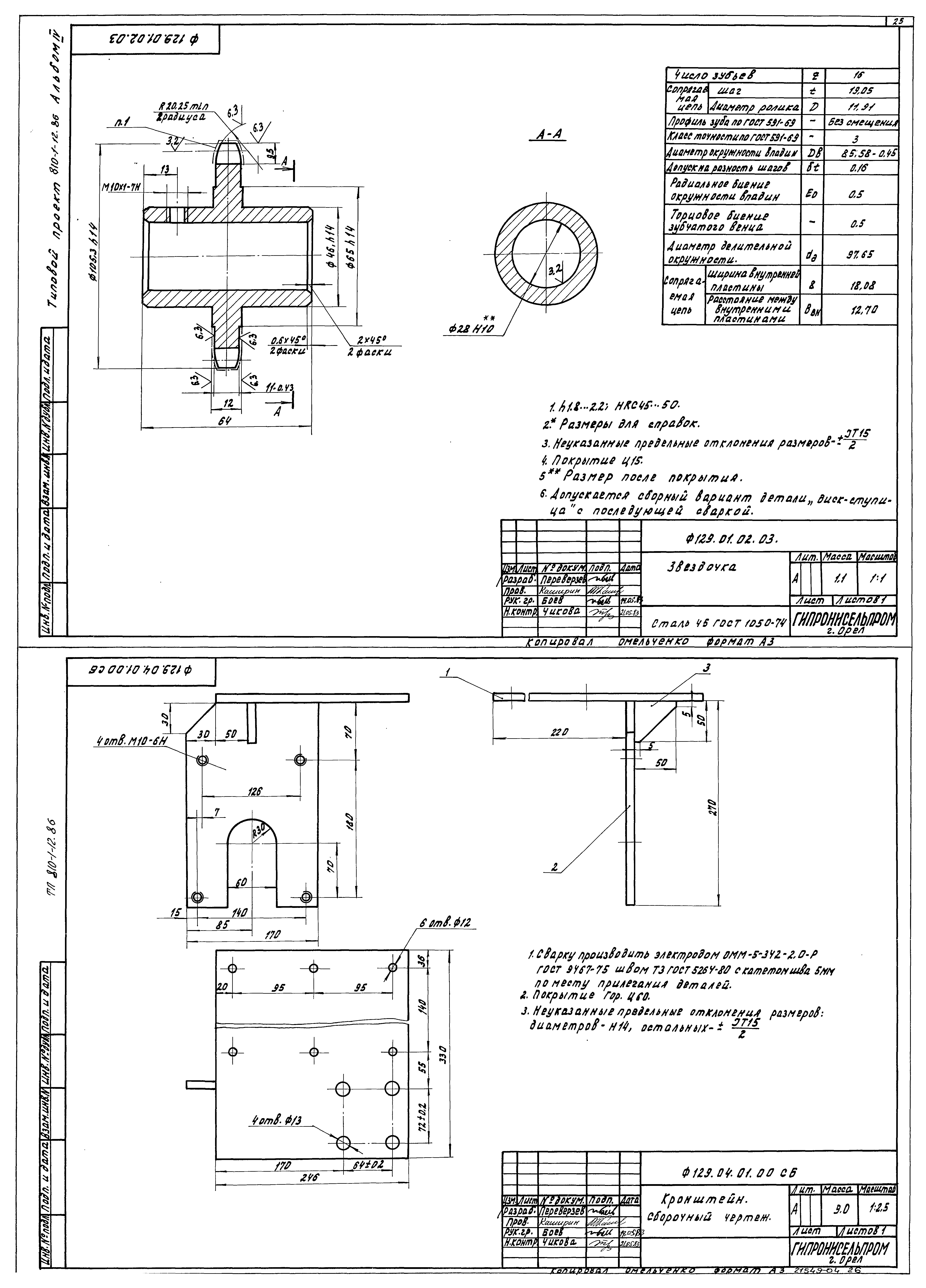
| Оглавление: | ТП 810-1-12.86 Содержание альбома ТП 810-1-12.86 Ф129.00.00.00 ИМ Механизм открывания и закрывания форточек. Инструкция по монтажу, пуску, регулированию и обкатке изделия на месте его применения ТП 810-1-12.86 Ф129.00.00.00 Механизм открывания и закрывания форточек. Спецификация ТП 810-1-12.86 Ф129.05.00.00 Узел реечной передачи. Спецификация ТП 810-1-12.86 Ф129.02.00.00 Узел крепления редукторов. Спецификация ТП 810-1-12.86 Ф129.01.00.00 СБ Привод. Спецификация ТП 810-1-12.86 Ф129.01.02.00 Узел подшипниковый. Спецификация ТП 810-1-12.86 Ф129.01.01.00 Кронштейн. Спецификация ТП 810-1-12.86 Ф129.04.00.00 Привод. Спецификация ТП 810-1-12.86 Ф129.03.00.00 Узел реечной передачи. Спецификация ТП 810-1-12.86 Ф129.00.00.00 КЗ Механизм открывания и закрывания форточек. Схема кинематическая принципиальная ТП 810-1-12.86 Ф129.00.00.00 СБ Механизм открывания и закрывания форточек. Сборочный чертеж ТП 810-1-12.86 Ф129.01.00.00 СБ Привод. Сборочный чертеж ТП 810-1-12.86 Ф129.02.00.00 СБ Узел крепления редукторов. Сборочный чертеж ТП 810-1-12.86 Ф129.03.00.00 СБ Узел реечной передачи. Сборочный чертеж ТП 810-1-12.86 Ф129.05.00.00 СБ Узел реечной передачи. Сборочный чертеж ТП 810-1-12.86 Ф129.04.00.00 СБ Привод. Сборочный чертеж ТП 810-1-12.86 Ф69.04.03.00 Крышка. Спецификация ТП 810-1-12.86 Ф69.04.03.00 СБ Крышка. Сборочный чертеж ТП 810-1-12.86 Ф129.01.02.00 СБ Узел подшипниковый. Сборочный чертеж ТП 810-1-12.86 Ф129.01.01.00 СБ Кронштейн. Сборочный чертеж ТП 810-1-12.86 Ф129.02.00.01 Планка. Чертеж детали ТП 810-1-12.86 Ф129.02.00.02 Планка. Чертеж детали ТП 810-1-12.86 Ф129.02.00.03 Планка. Чертеж детали ТП 810-1-12.86 Ф129.02.00.05 Накладка. Чертеж детали ТП 810-1-12.86 5854-235.01.001 Вал. Чертеж детали ТП 810-1-12.86 Ф45.01.02.00 Вкладыш ТП 810-1-12.86 Ф45.01.03.00 Вкладыш ТП 810-1-12.86 Ф129.03.01.00 Кронштейн. Спецификация ТП 810-1-12.86 Ф129.03.01.00 СБ Кронштейн. Сборочный чертеж ТП 810-1-12.86 Ф129.02.00.06 Накладка. Чертеж детали ТП 810-1-12.86 Ф129.02.00.04 Скоба. Чертеж детали ТП 810-1-12.86 Ф77.01.02.01.00-01 Кронштейн. Сборочный чертеж ТП 810-1-12.86 Ф77.01.02.01.02-01 Опора. Чертеж детали ТП 810-1-12.86 Ф77.01.02.01.01 Уголок. Чертеж детали ТП 810-1-12.86 Ф77.01.02.00.03 Клин направляющий. Чертеж детали ТП 810-1-12.86 Ф129.01.02.03 Звездочка. Чертеж детали ТП 810-1-12.86 Ф129.04.01.00 СБ Кронштейн. Сборочный чертеж ТП 810-1-12.86 Ф129.01.02.04 Ось. Чертеж детали ТП 810-1-12.86 Ф129.01.00.04 Штырь. Чертеж детали ТП 810-1-12.86 Ф129.01.00.03 Кронштейн. Чертеж детали ТП 810-1-12.86 Ф129.01.00.02 Плита. Чертеж детали ТП 810-1-12.86 Ф129.02.00.07 Вал. Чертеж детали ТП 810-1-12.86 5854-107.02.011.102-01 Вал. Чертеж детали ТП 810-1-12.86 Ф129.01.00.01 Вал. Чертеж детали ТП 810-1-12.86 Ф129.05.00.00 Упор. Чертеж детали ТП 810-1-12.86 Ф129.01.02.01 Пластина. Чертеж детали ТП 810-1-12.86 Ф129.01.02.02 Опора. Чертеж детали ТП 810-1-12.86 Ф129.00.00.02 Втулка соединительная. Чертеж детали ТП 810-1-12.86 Ф129.04.00.01 Опора. Чертеж детали ТП 810-1-12.86 Ф129.03.00.01 Рейка. Чертеж детали ТП 810-1-12.86 Ф129.06.00.00 Узел крепления микрокнопки. Спецификация ТП 810-1-12.86 Ф129.06.00.00 СБ Узел крепления микрокнопки. Сборочный чертеж ТП 810-1-12.86 Ф129.06.00.01 Плата. Чертеж детали |
| Разработан: | Гипронисельпром Минплодоовощхоза СССР |
| Утверждён: | 16.11.1984 Минплодоовощхоз СССР (03-7-52/6210) |






























