Скачать Типовой проект 810-1-12.86 Альбом VI. Блочные теплицы и соединительный коридор. Производственно-вспомогательные и бытовые помещения. Чертежи по автоматизации производстваДата актуализации: 01.01.2021
|
| Обозначение: | Типовой проект 810-1-12.86 |
| Обозначение англ: | 810-1-12.86 |
| Статус: | не определен законодательством |
| Название рус.: | Альбом VI. Блочные теплицы и соединительный коридор. Производственно-вспомогательные и бытовые помещения. Чертежи по автоматизации производства |
| Дата добавления в базу: | 01.09.2013 |
| Дата актуализации: | 01.01.2021 |
| Дата введения: | 01.08.1986 |
| Дата окончания срока действия: | 30.06.2003 |
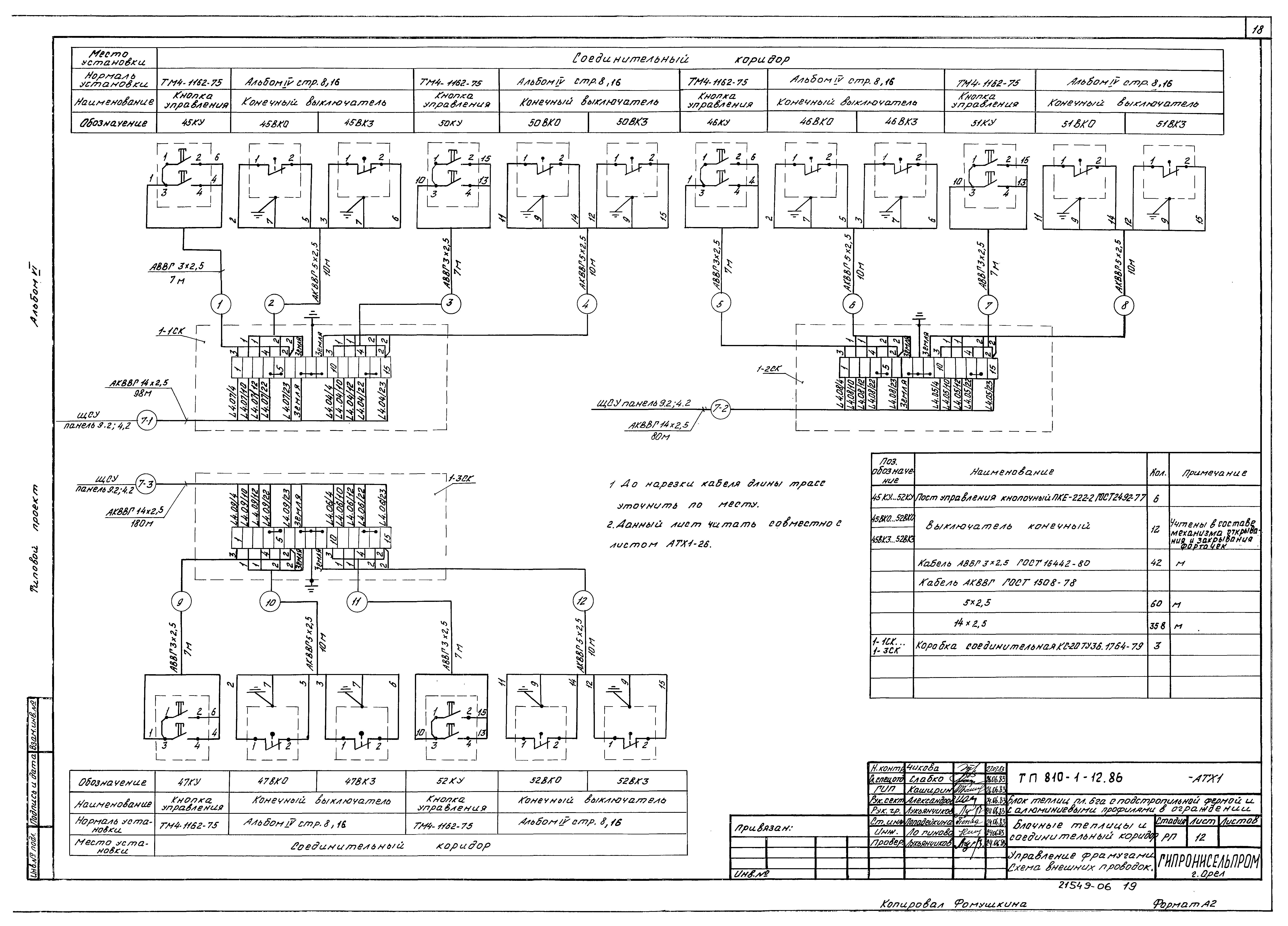
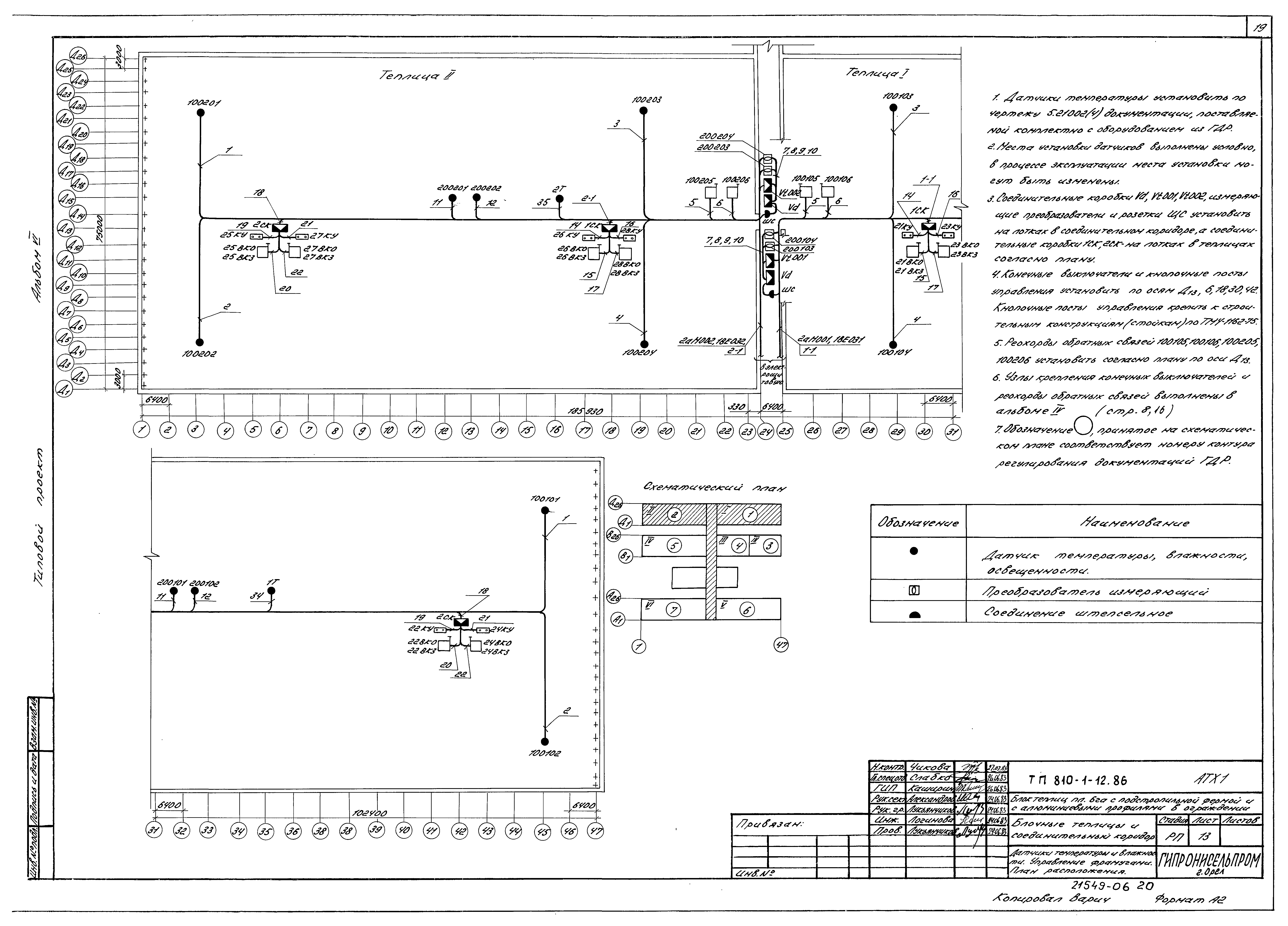
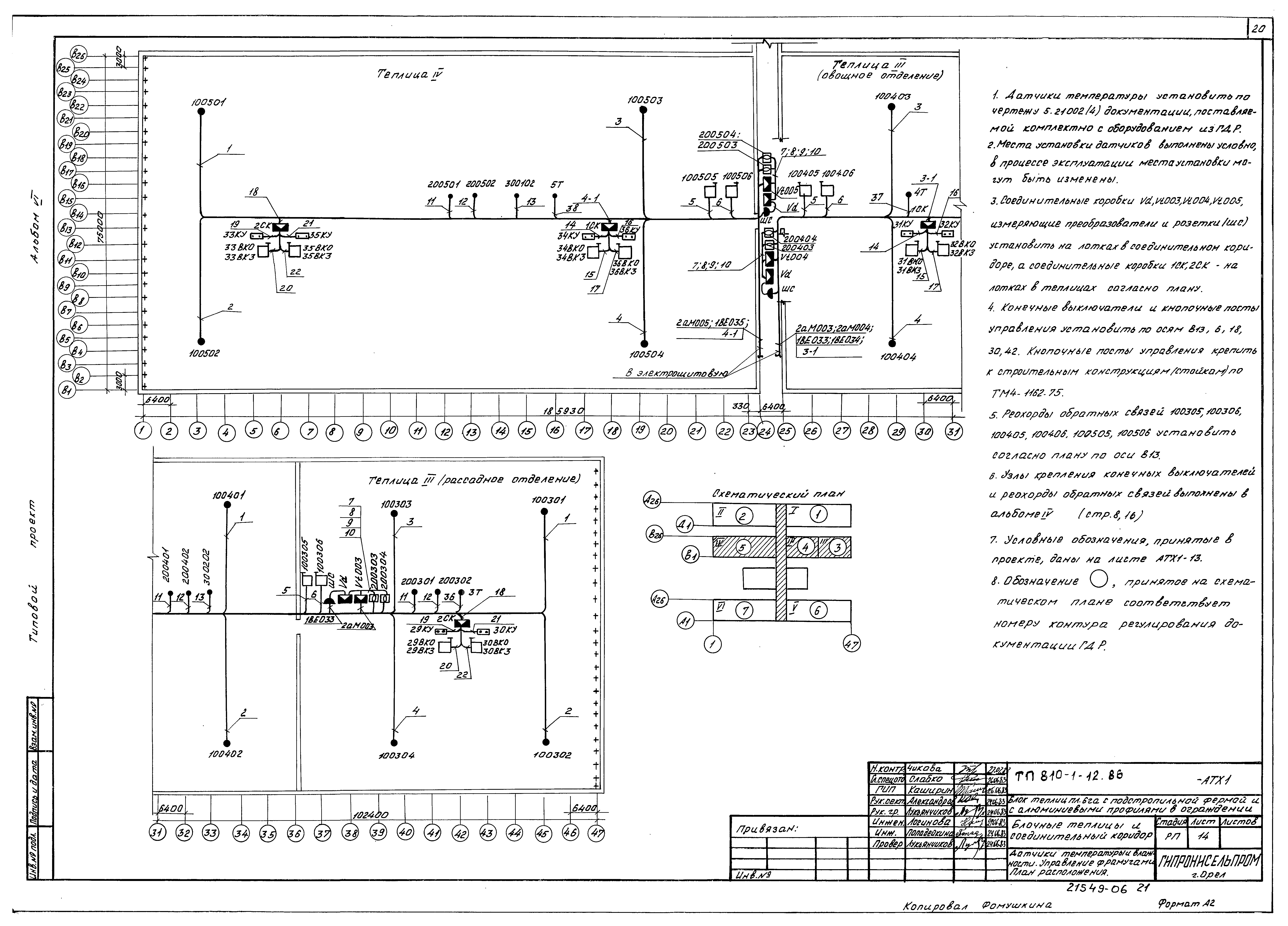
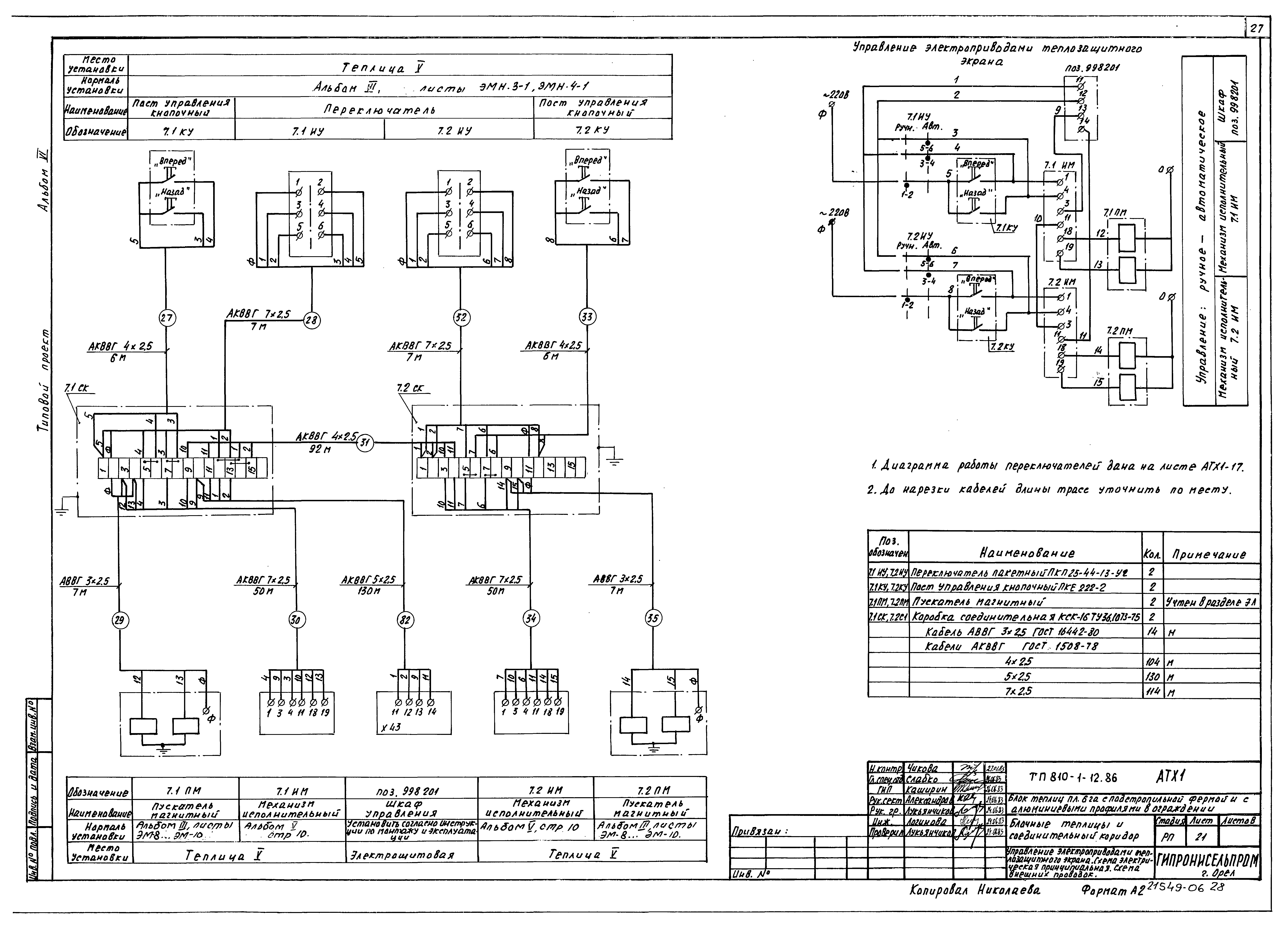
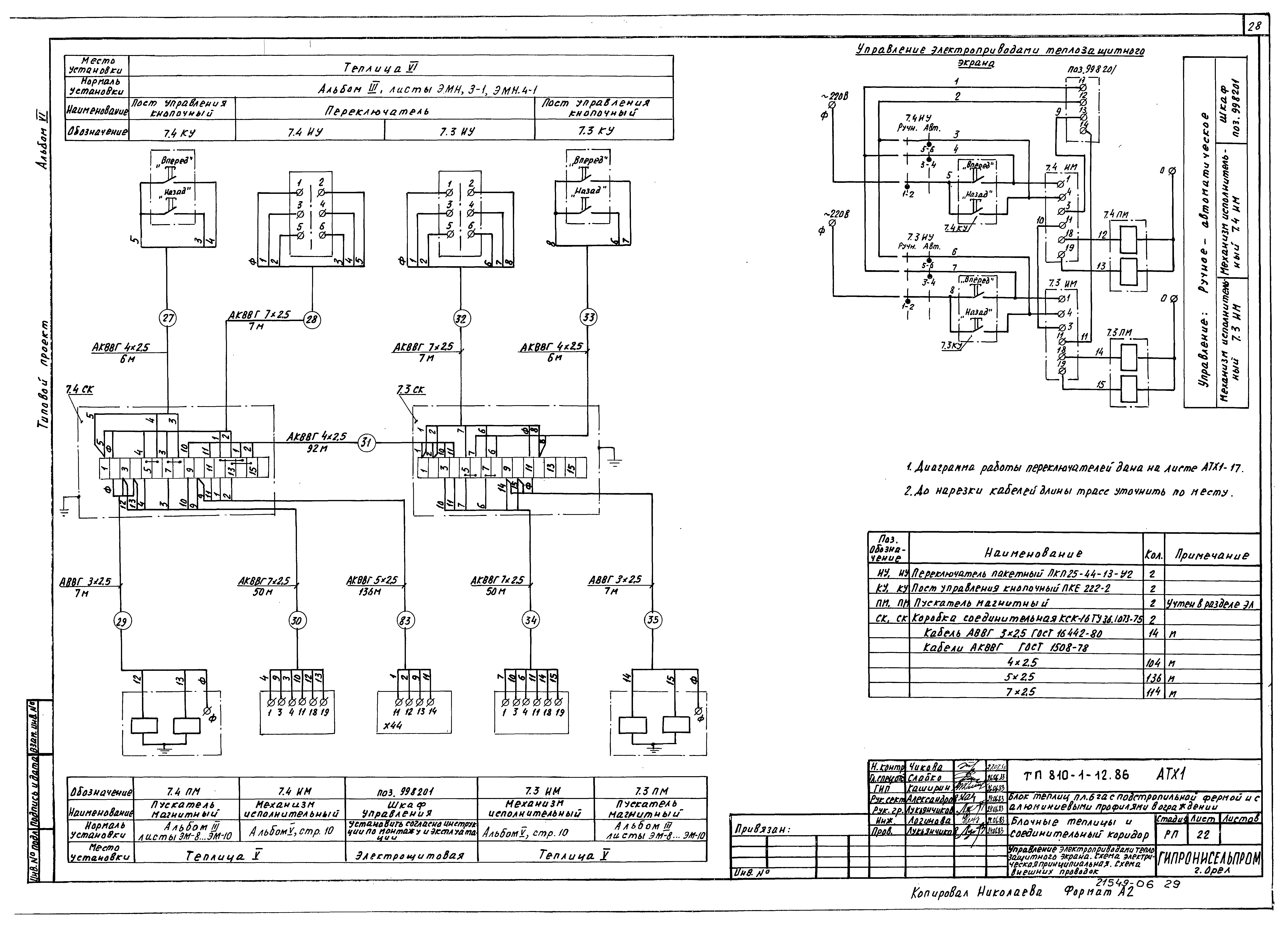
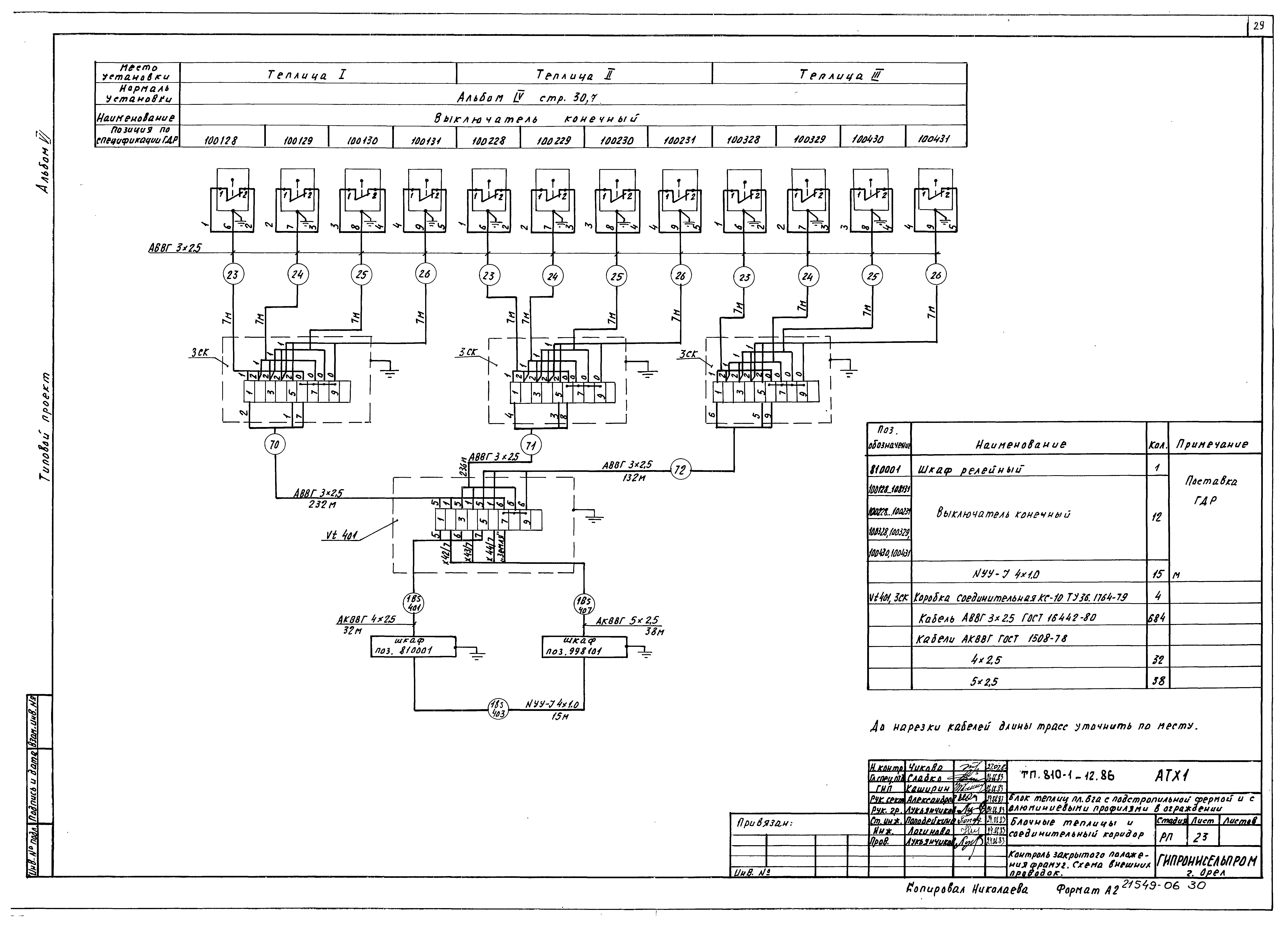
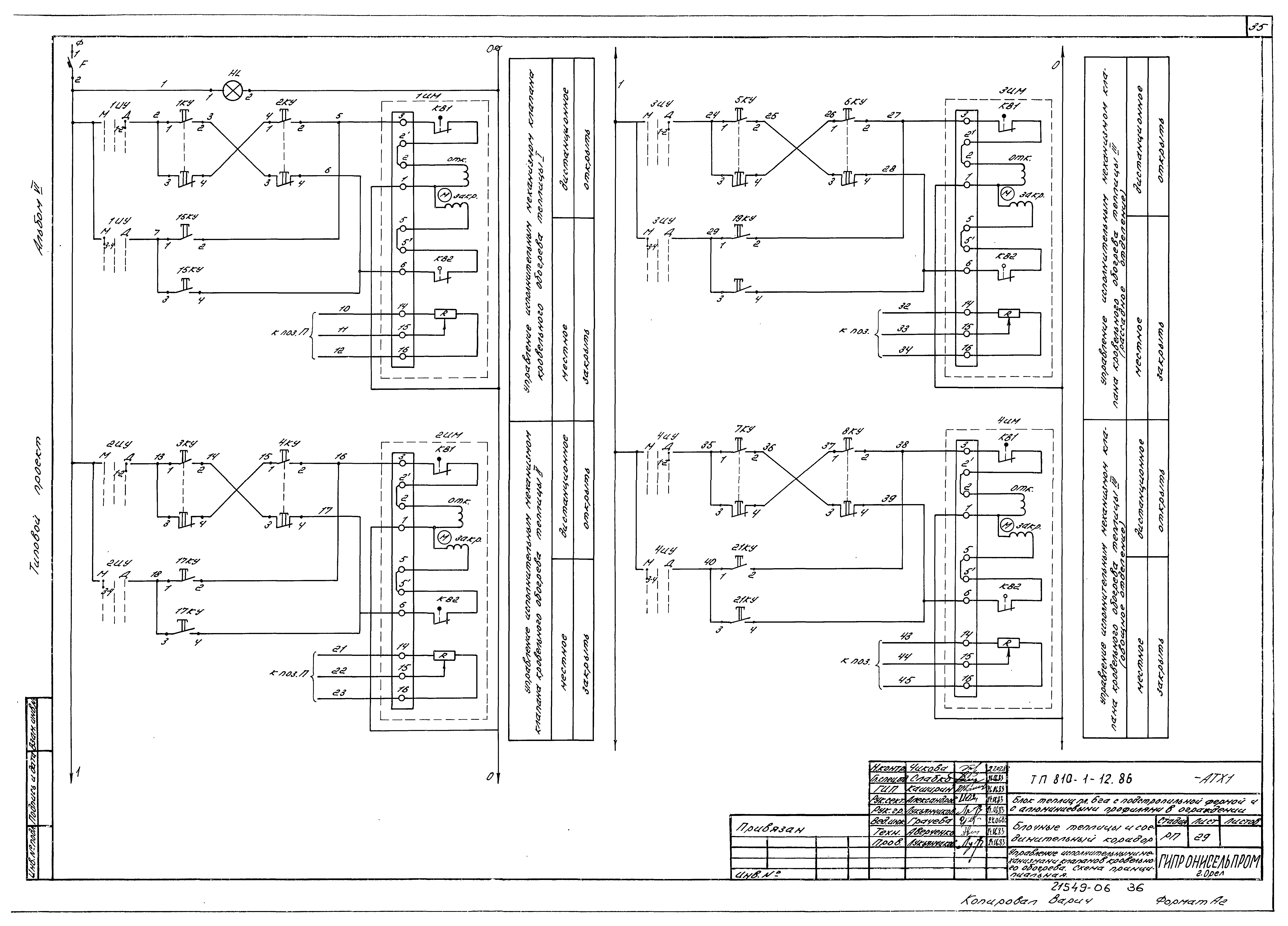
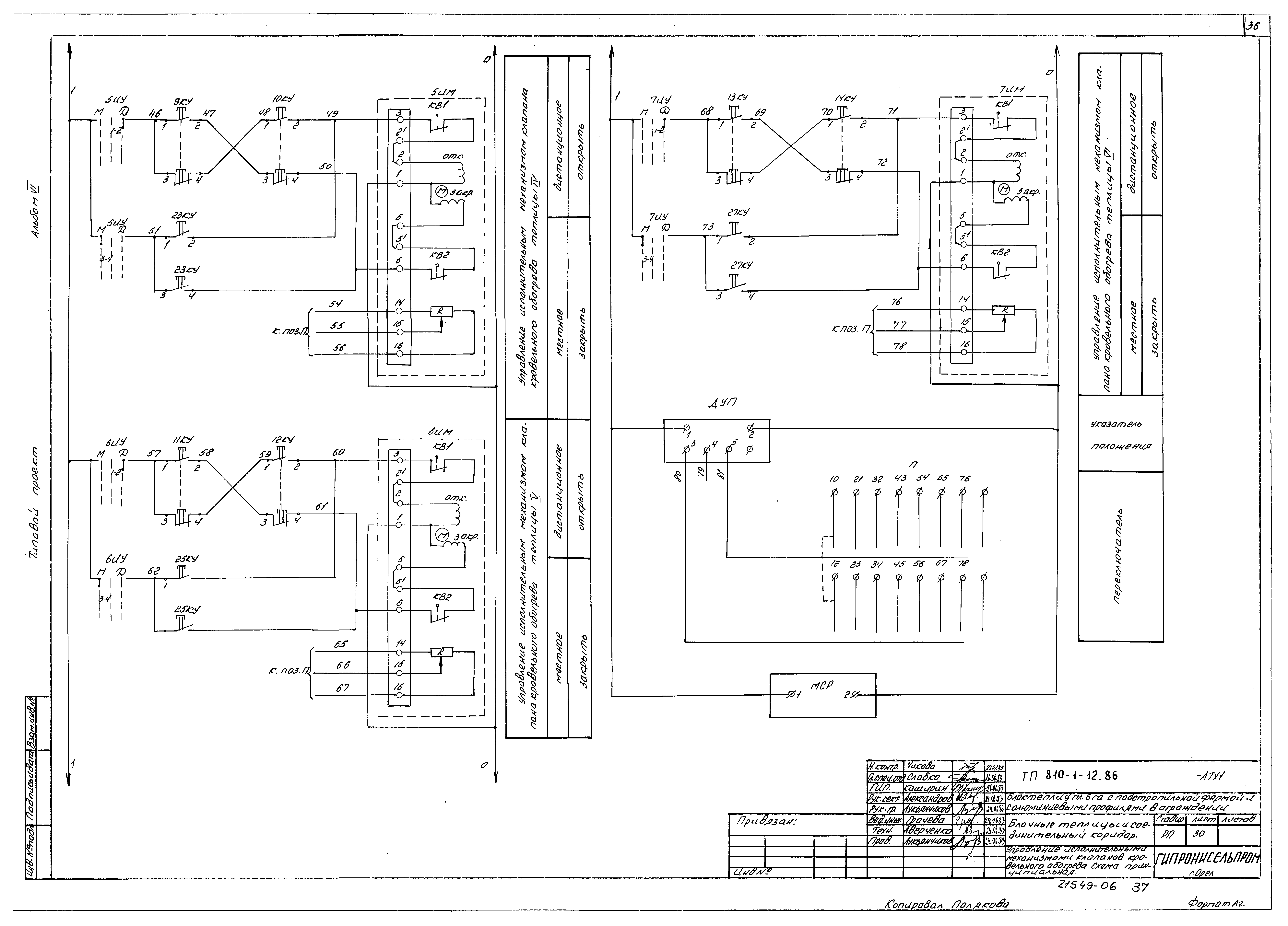
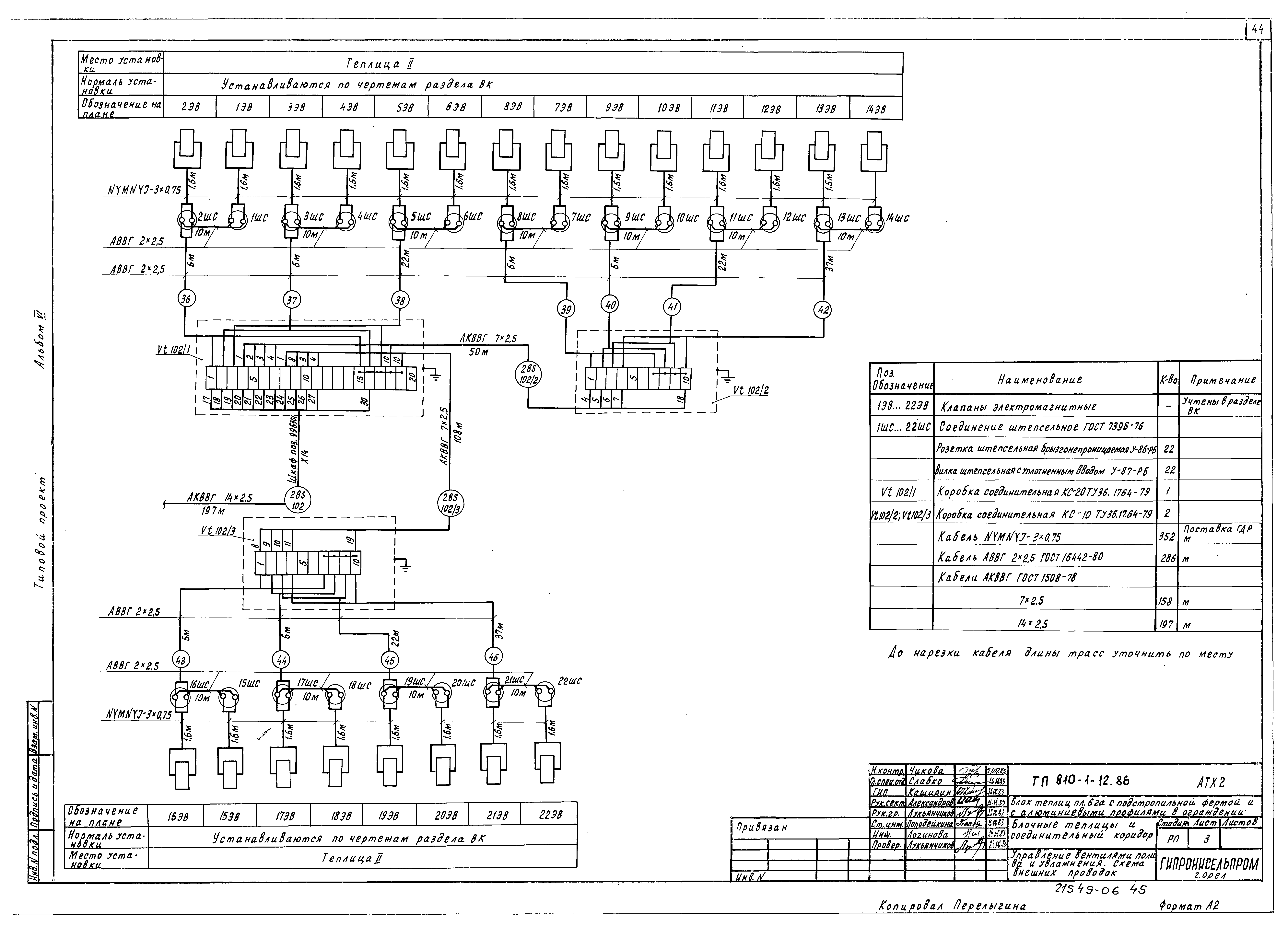
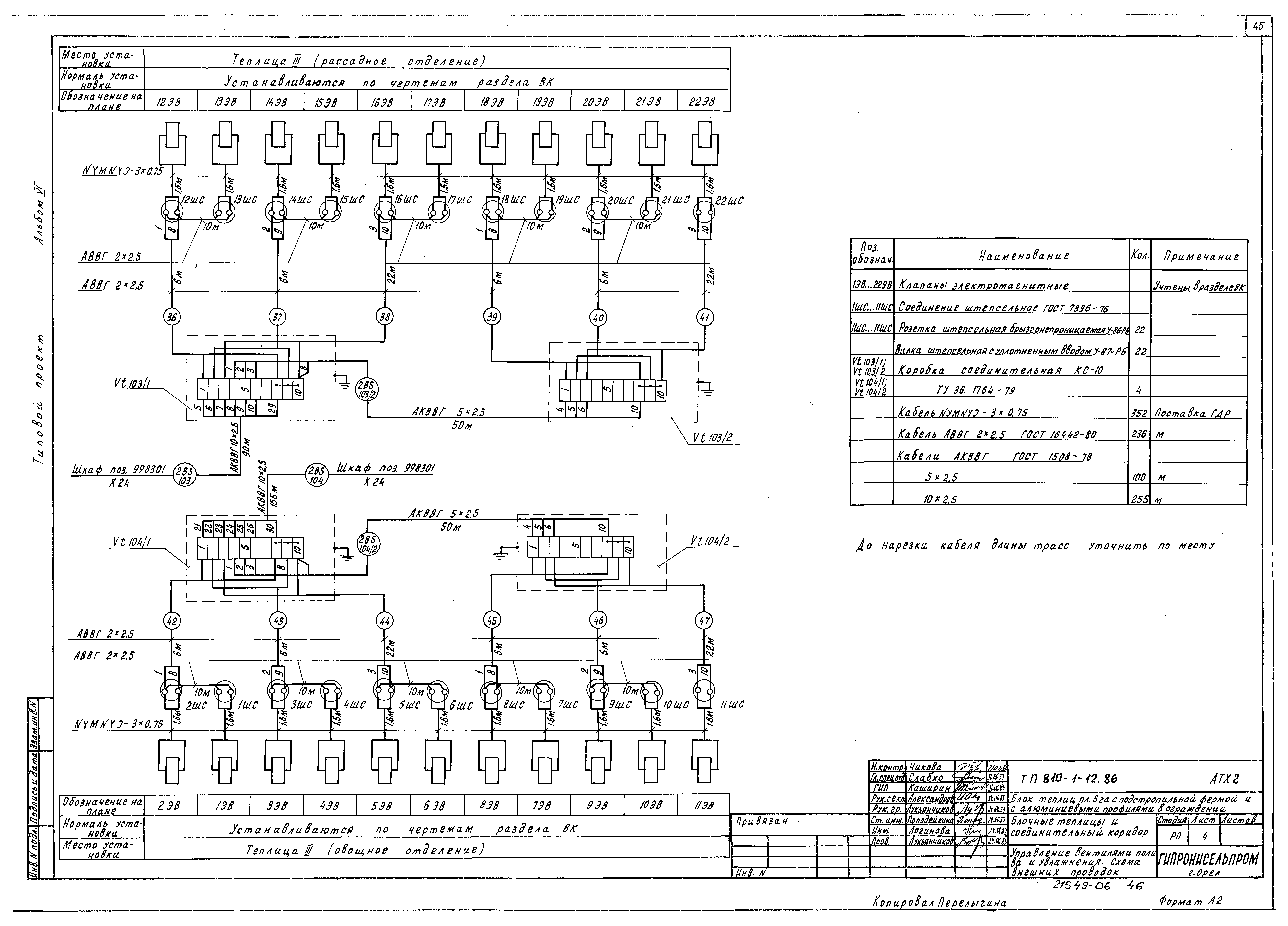
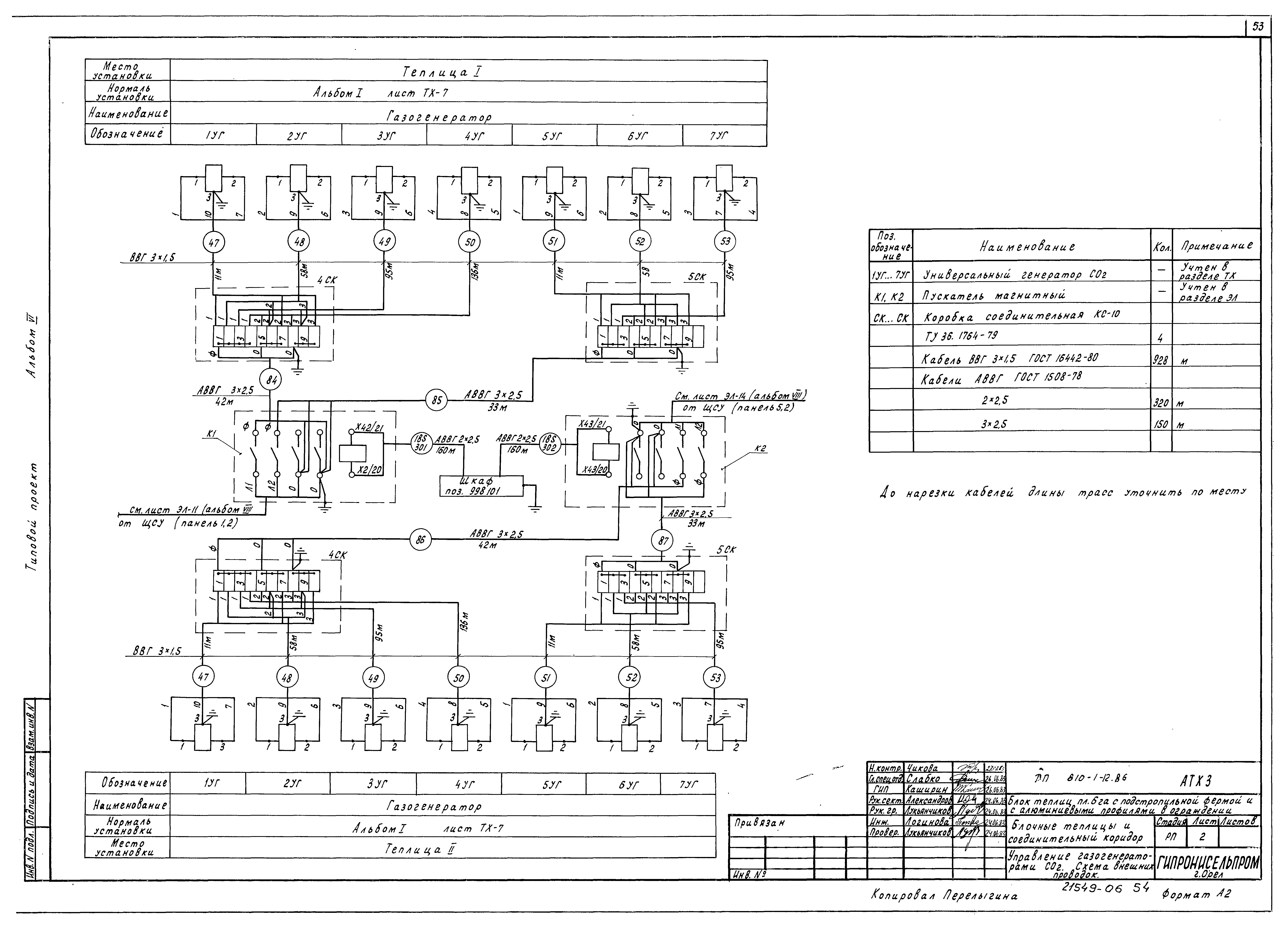
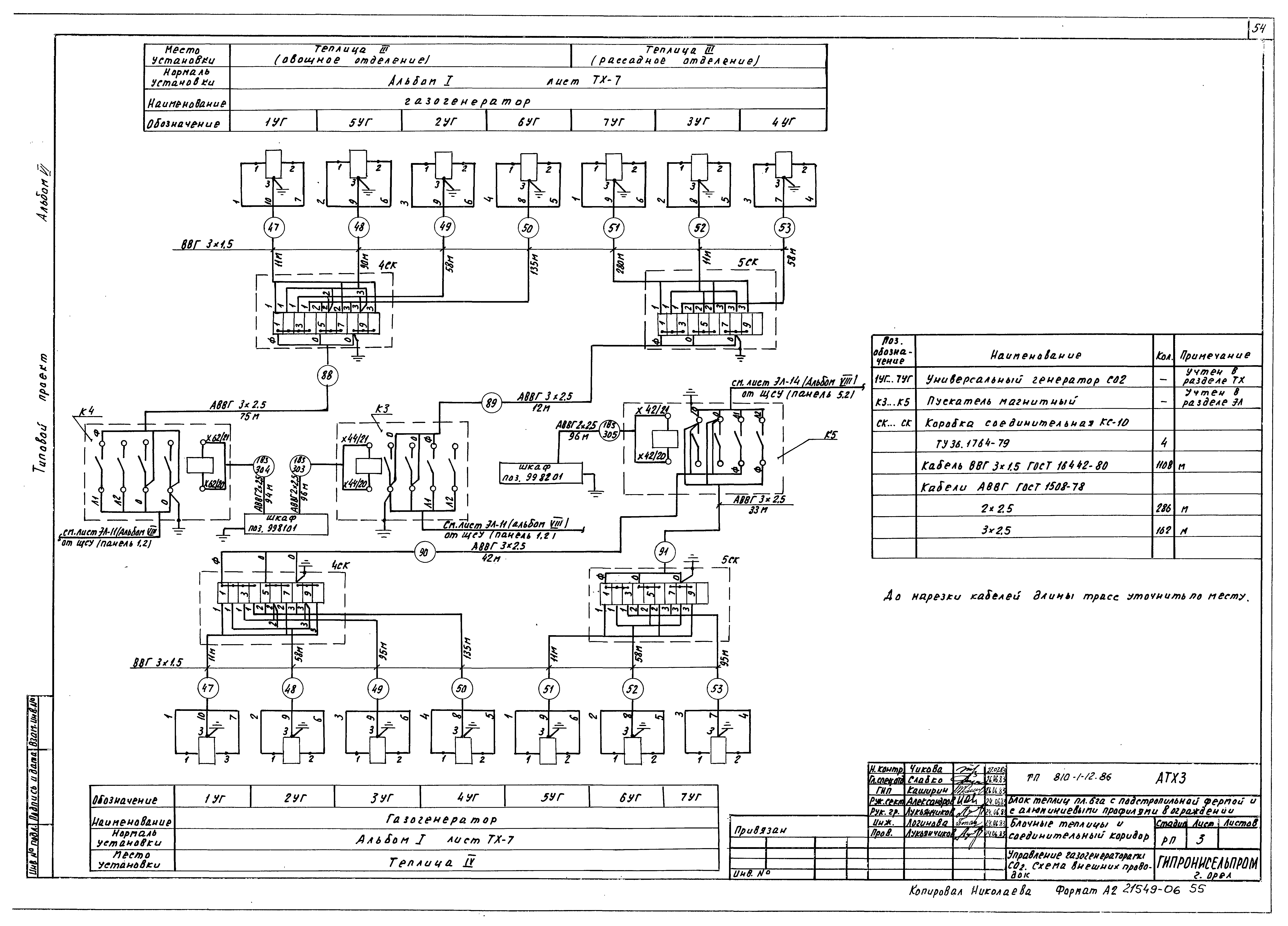
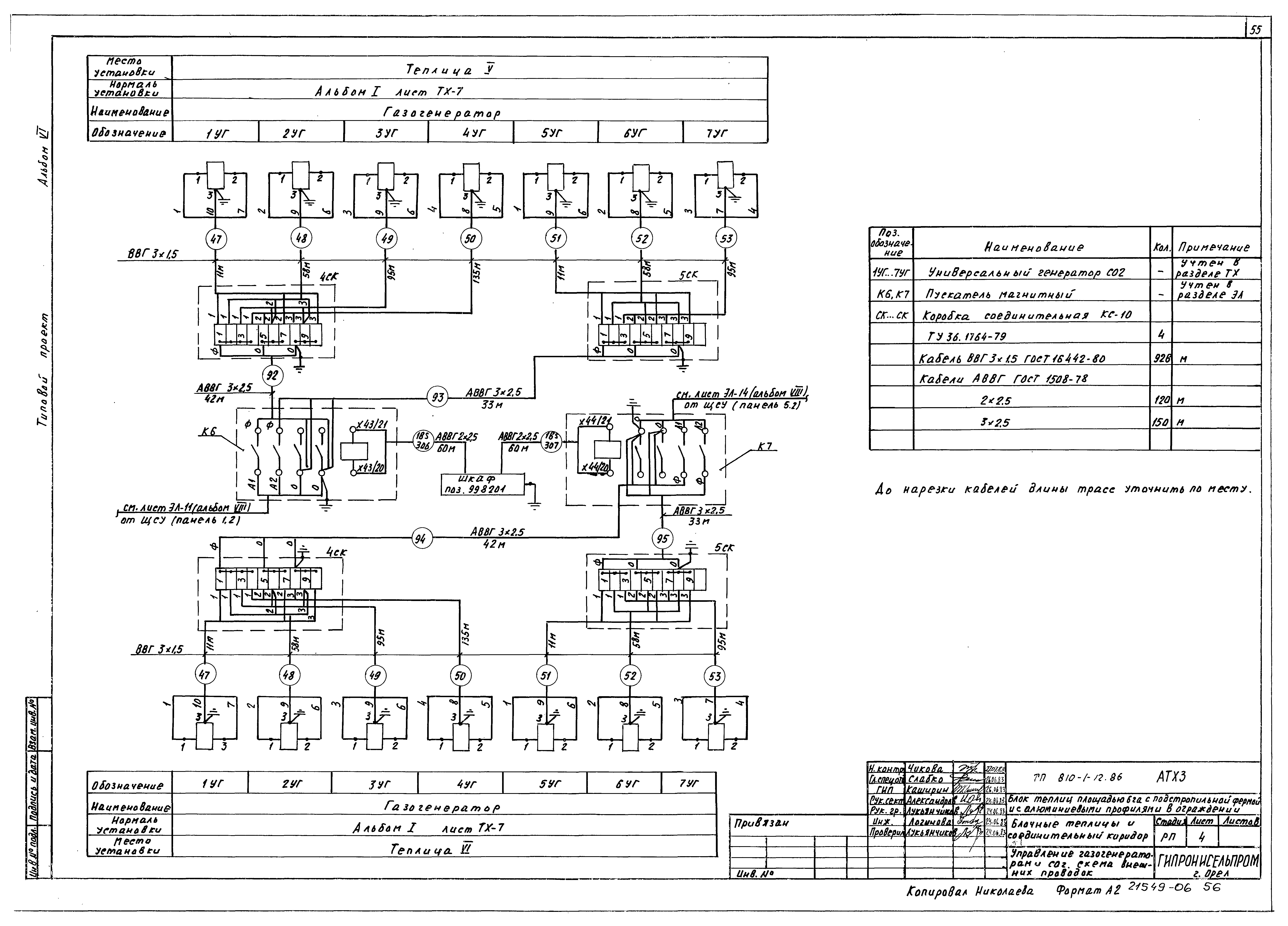
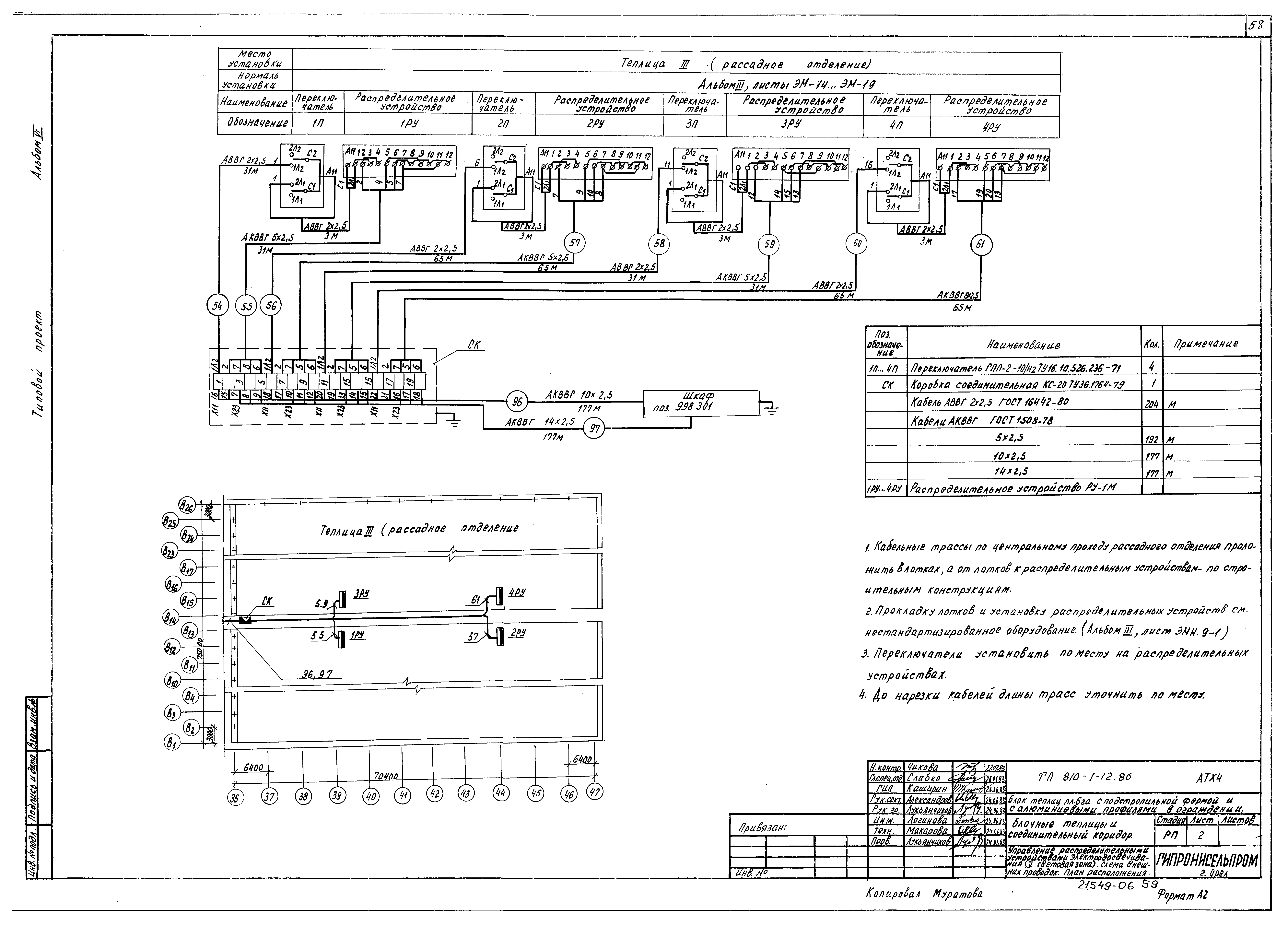
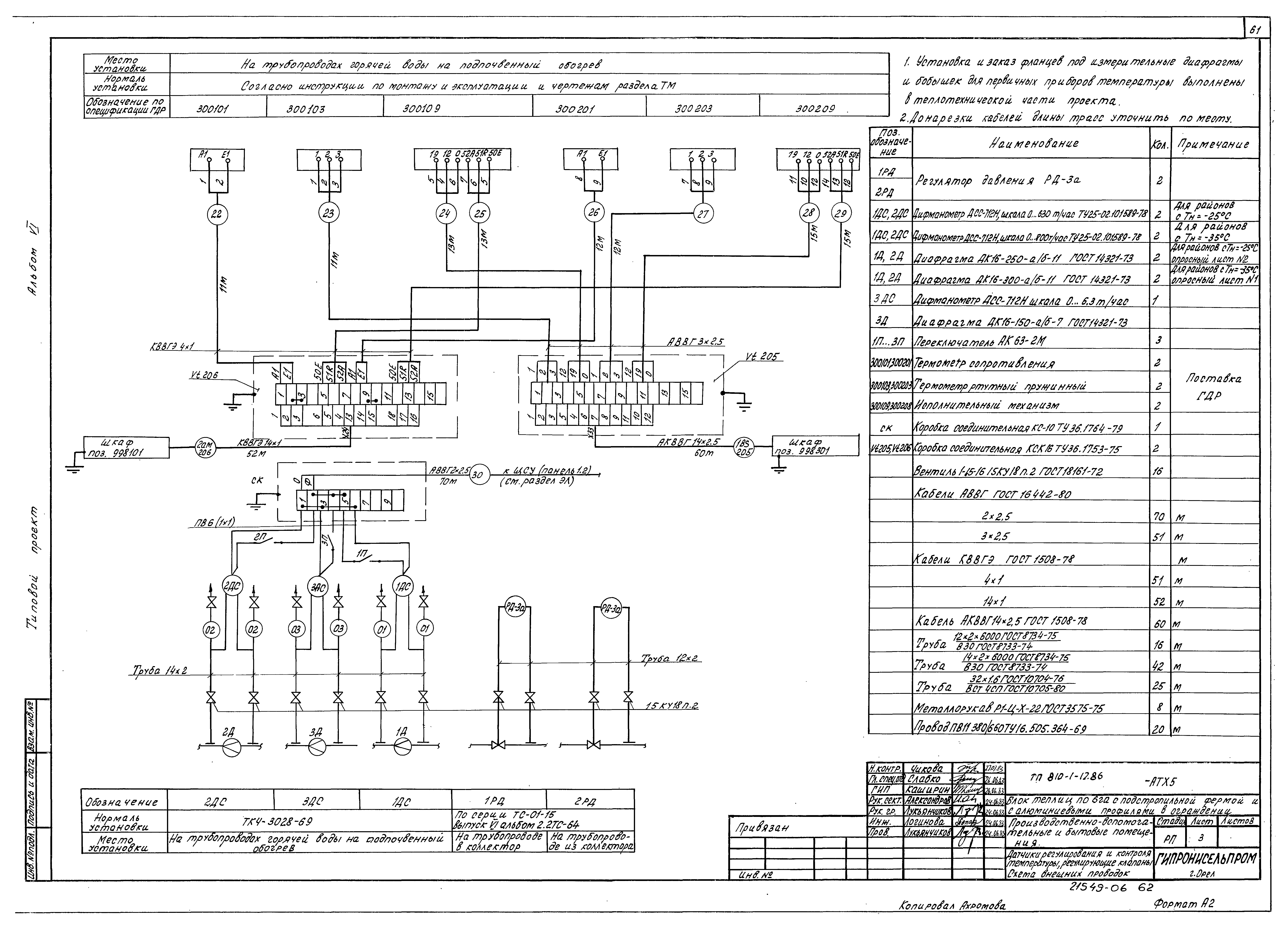
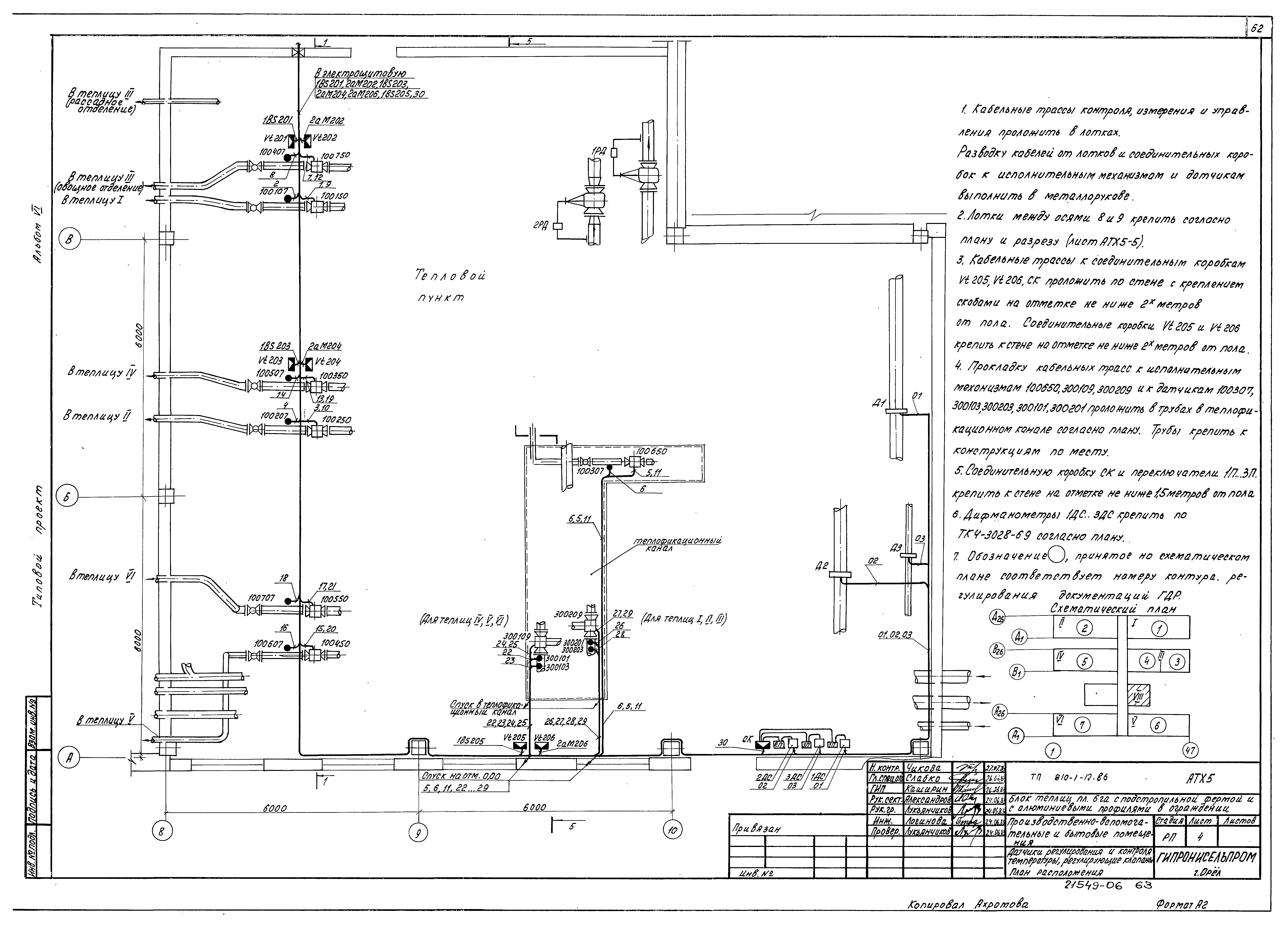
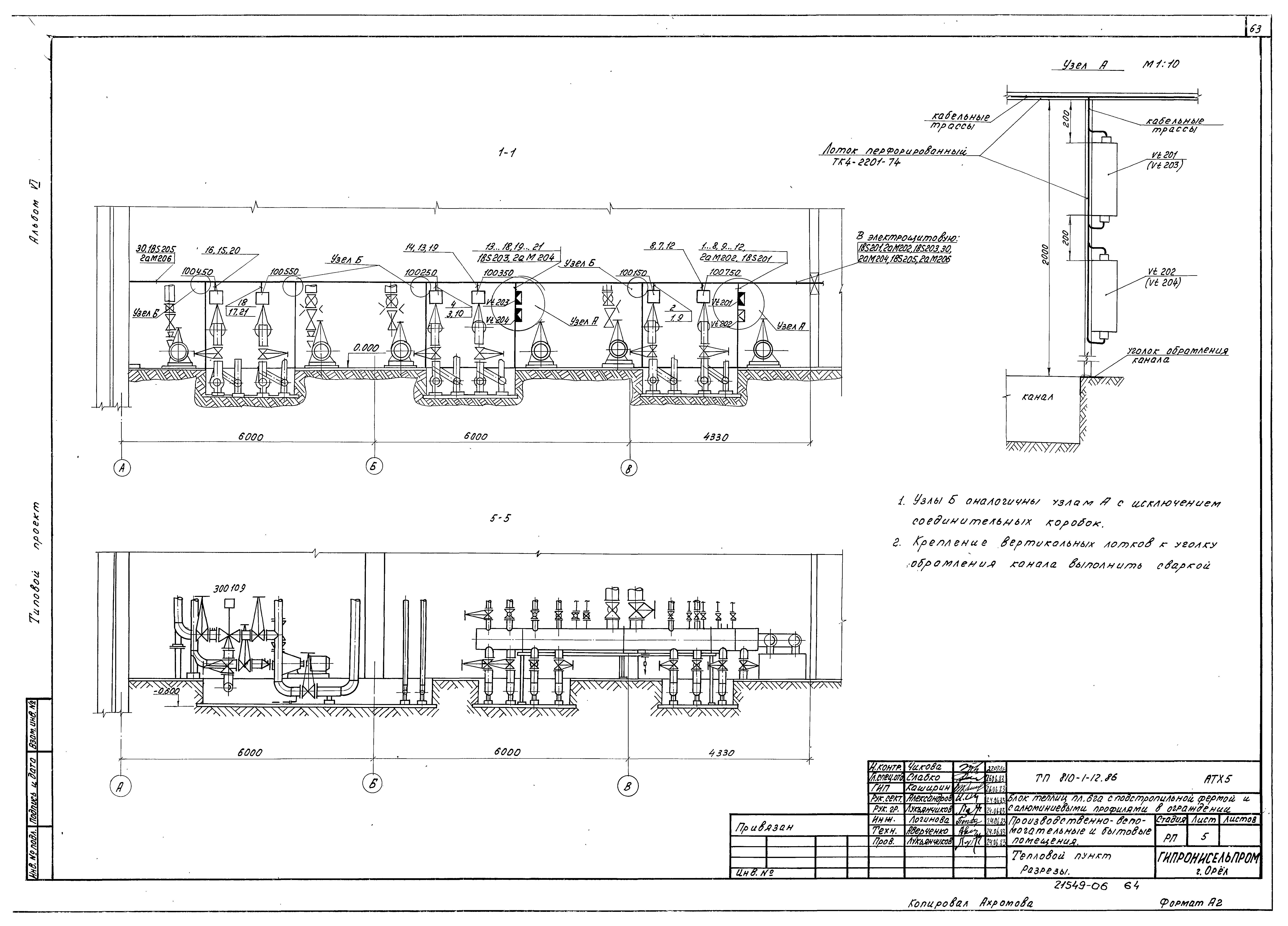
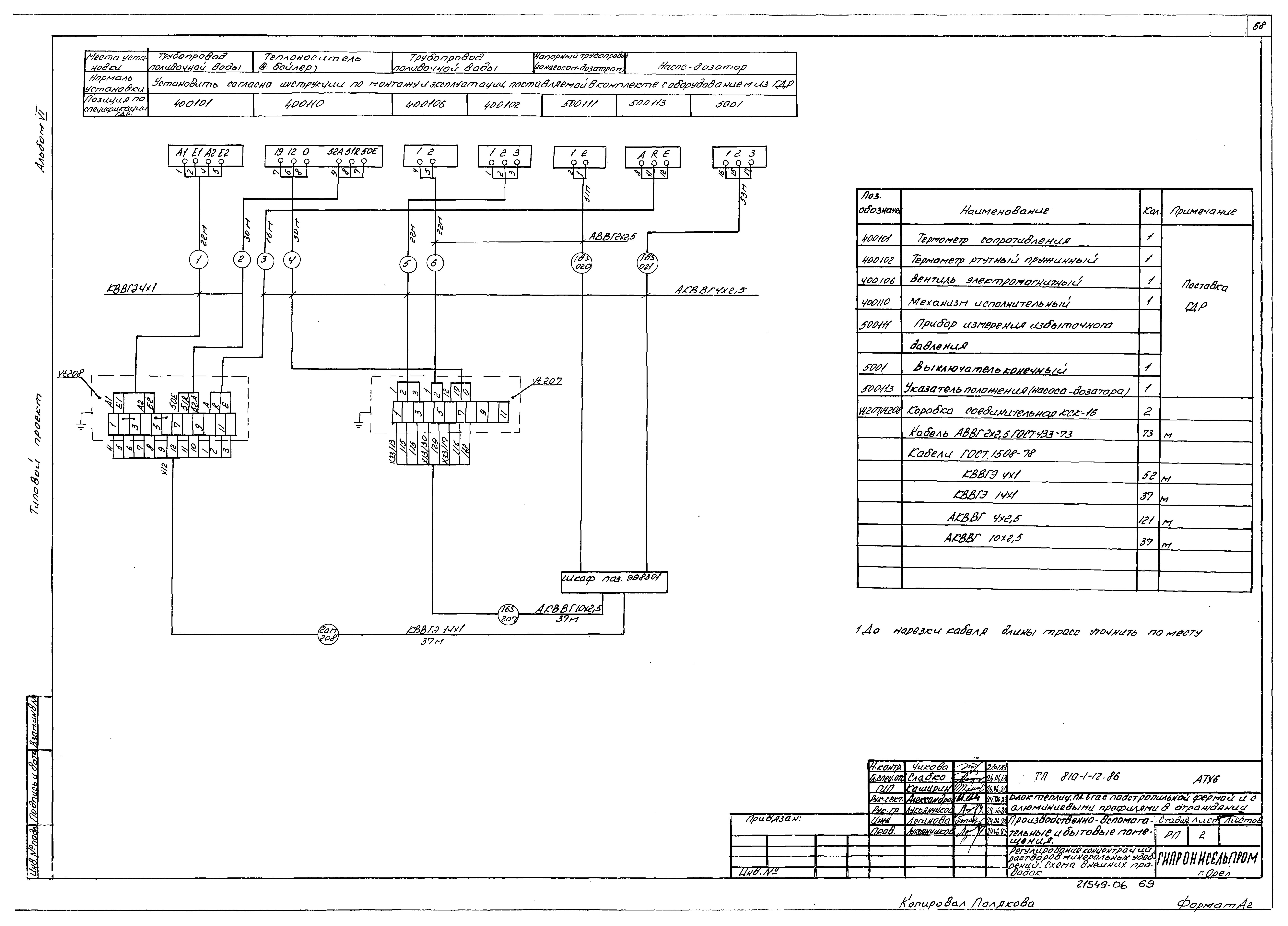
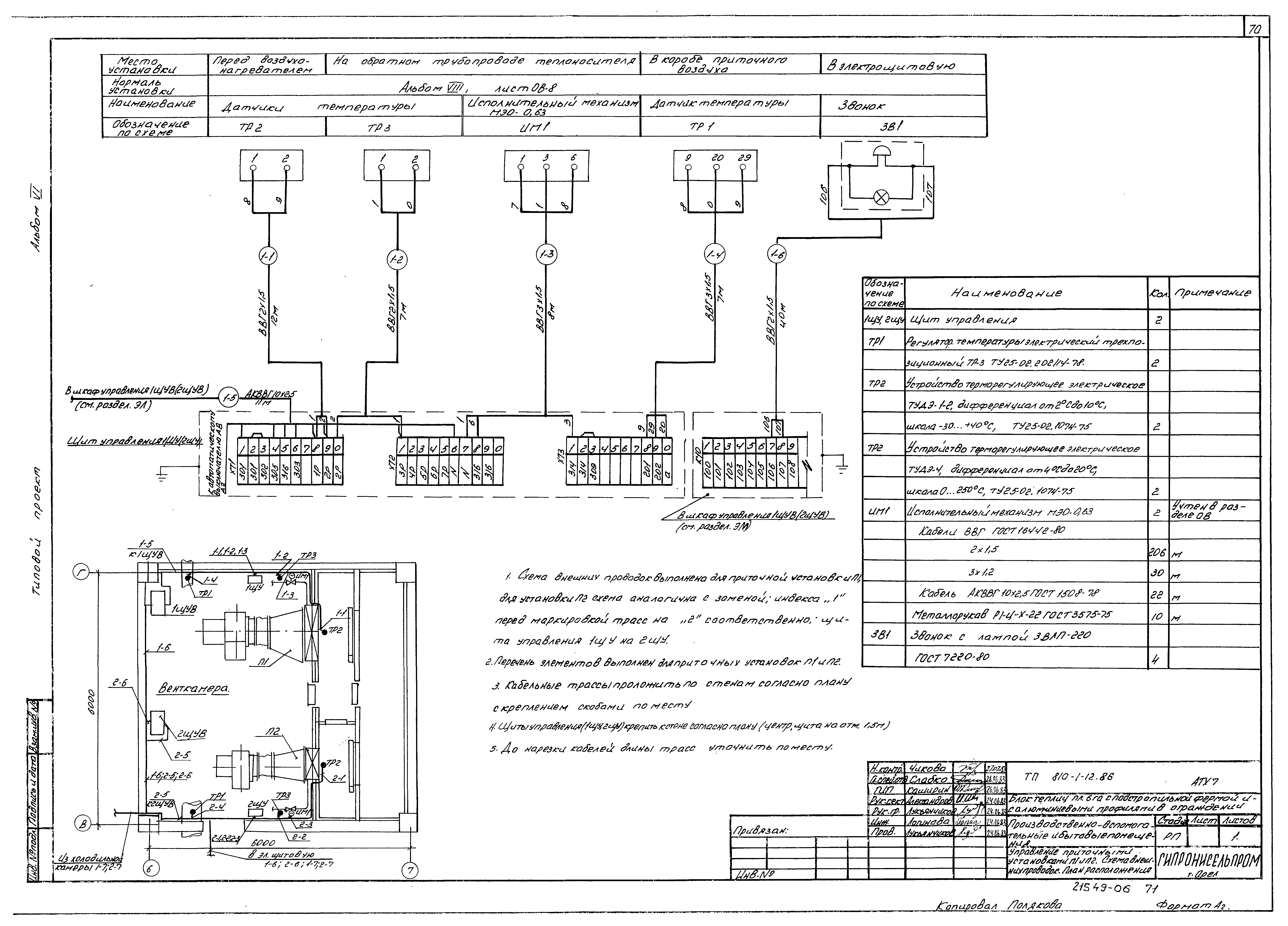
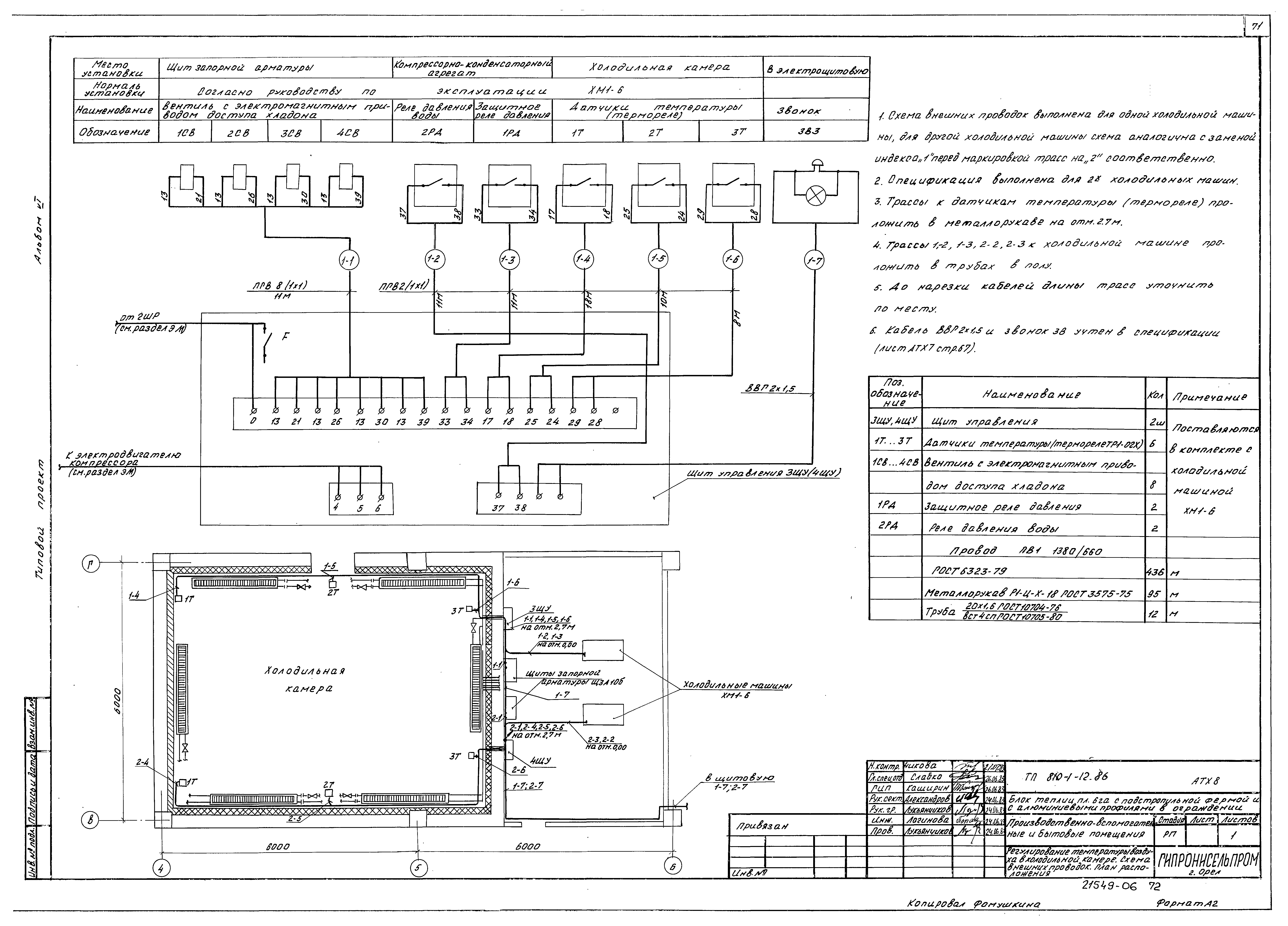
| Оглавление: | ТП 810-1-12.86 АТХ-1 Общие данные (начало) ТП 810-1-12.86 АТХ-2 Общие данные (продолжение) ТП 810-1-12.86 АТХ-3 Общие данные (продолжение) ТП 810-1-12.86 АТХ-4 Общие данные (продолжение) ТП 810-1-12.86 АТХ-5 Общие данные (окончание) ТП 810-1-12.86 АТХ1-1 Регулирование температуры воздуха в теплице. Схема функциональная ТП 810-1-12.86 АТХ1-2 Датчики температуры и влажности. Схема внешних проводок ТП 810-1-12.86 АТХ1-3 Датчики температуры и влажности. Схема внешних проводок ТП 810-1-12.86 АТХ1-4 Датчики температуры, влажности, освещенности, скорости ветра; температуры наружного воздуха. Схема внешних проводок ТП 810-1-12.86 АТХ1-5 Датчики температуры и влажности. Схема внешних проводок ТП 810-1-12.86 АТХ1-6 Управление фрамугами. Схема внешних проводок ТП 810-1-12.86 АТХ1-7 Управление фрамугами. Схема внешних проводок ТП 810-1-12.86 АТХ1-8 Управление фрамугами. Схема внешних проводок ТП 810-1-12.86 АТХ1-9 Управление фрамугами. Схема внешних проводок ТП 810-1-12.86 АТХ1-10 Управление фрамугами. Схема внешних проводок ТП 810-1-12.86 АТХ1-11 Управление фрамугами. Схема внешних проводок ТП 810-1-12.86 АТХ1-12 Управление фрамугами. Схема внешних проводок ТП 810-1-12.86 АТХ1-13 Датчики температуры и влажности. Управление фрамугами. План расположения ТП 810-1-12.86 АТХ1-14 Датчики температуры и влажности. Управление фрамугами. План расположения ТП 810-1-12.86 АТХ1-15 Датчики температуры и влажности. Управление фрамугами. План расположения ТП 810-1-12.86 АТХ1-16 Управление электроприводами теплозащитного экрана. Схема функциональная ТП 810-1-12.86 АТХ1-17 Управление электроприводами теплозащитного экрана. Схема электрическая функциональная. Схема внешних проводок ТП 810-1-12.86 АТХ1-18 Управление электроприводами теплозащитного экрана. Схема электрическая принципиальная. Схема внешних проводок ТП 810-1-12.86 АТХ1-19 Управление электроприводами теплозащитного экрана. Схема электрическая принципиальная. Схема внешних проводок ТП 810-1-12.86 АТХ1-20 Управление электроприводами теплозащитного экрана. Схема электрическая принципиальная. Схема внешних проводок ТП 810-1-12.86 АТХ1-21 Управление электроприводами теплозащитного экрана. Схема электрическая принципиальная. Схема внешних проводок ТП 810-1-12.86 АТХ1-22 Управление электроприводами теплозащитного экрана. Схема электрическая принципиальная. Схема внешних проводок ТП 810-1-12.86 АТХ1-23 Контроль закрытого положения фрамуг. Схема внешних проводок ТП 810-1-12.86 АТХ1-24 Контроль закрытого положения фрамуг. Схема внешних проводок ТП 810-1-12.86 АТХ1-25 Контроль закрытого положения фрамуг в теплицах. Управление электроприводами теплозащитного экрана. План расположения ТП 810-1-12.86 АТХ1-26 Датчики температуры влажности, освещенности. Управление фрамугами. Контроль закрытого положения фрамуг. План расположения ТП 810-1-12.86 АТХ1-27 Управление исполнительными механизмами клапанов кровельного обогрева. Схема функциональная ТП 810-1-12.86 АТХ1-28 Контроль температуры кровельного обогрева теплицы. Схема функциональная ТП 810-1-12.86 АТХ1-29 Управление исполнительными механизмами клапанов кровельного обогрева. Схема принципиальная ТП 810-1-12.86 АТХ1-30 Управление исполнительными механизмами клапанов кровельного обогрева. Схема принципиальная ТП 810-1-12.86 АТХ1-31 Управление исполнительными механизмами клапанов кровельного обогрева. Диаграммы ТП 810-1-12.86 АТХ1-32 Управление исполнительными механизмами клапанов кровельного обогрева. Схема внешних проводок ТП 810-1-12.86 АТХ1-33 Управление исполнительными механизмами клапанов кровельного обогрева. Схема внешних проводок ТП 810-1-12.86 АТХ1-34 Управление исполнительными механизмами клапанов кровельного обогрева. Схема внешних проводок ТП 810-1-12.86 АТХ1-35 Регулирующие клапана на теплоносителе для кровельного обогрева. План расположения ТП 810-1-12.86 АТХ2-1 Управление системой полива и увлажнения. Схема функциональная ТП 810-1-12.86 АТХ2-2 Управление вентилями полива и увлажнения. Схема внешних проводок ТП 810-1-12.86 АТХ2-3 Управление вентилями полива и увлажнения. Схема внешних проводок ТП 810-1-12.86 АТХ2-4 Управление вентилями полива и увлажнения. Схема внешних проводок ТП 810-1-12.86 АТХ2-5 Управление вентилями полива и увлажнения. Схема внешних проводок ТП 810-1-12.86 АТХ2-6 Управление вентилями полива и увлажнения. Схема внешних проводок ТП 810-1-12.86 АТХ2-7 Управление вентилями полива и увлажнения. Схема внешних проводок ТП 810-1-12.86 АТХ2-8 Управление вентилями полива и увлажнения. План расположения ТП 810-1-12.86 АТХ2-9 Управление вентилями полива и увлажнения. План расположения ТП 810-1-12.86 АТХ2-10 Управление вентилями полива и увлажнения. План расположения ТП 810-1-12.86 АТХ3-1 Управление газогенераторами СО2. Схема функциональная ТП 810-1-12.86 АТХ3-2 Управление газогенераторами СО2. Схема внешних проводок ТП 810-1-12.86 АТХ3-3 Управление газогенераторами СО2. Схема внешних проводок ТП 810-1-12.86 АТХ3-4 Управление газогенераторами СО2. Схема внешних проводок ТП 810-1-12.86 АТХ3-5 Газогенераторы СО2. План расположения ТП 810-1-12.86 АТХ4-1 Управление распределительными устройствами электродосвечивания (3-я световая зона). Схема внешних проводок. План расположения ТП 810-1-12.86 АТХ4-2 Управление распределительными устройствами электродосвечивания (5-я световая зона). Схема внешних проводок. План расположения ТП 810-1-12.86 АТХ5-1 Датчики температуры, регулирующие клапана. Схема внешних проводок ТП 810-1-12.86 АТХ5-2 Регулирование температуры воды для подпочвенного обогрева. Схема функциональная ТП 810-1-12.86 АТХ5-3 Датчики регулирования и контроля температуры. Регулирующие клапаны. Схема внешних проводок ТП 810-1-12.86 АТХ5-4 Датчики регулирования и контроля температуры, регулирующие клапаны. План расположения ТП 810-1-12.86 АТХ5-5 Тепловой пункт. Разрезы ТП 810-1-12.86 АТХ5-6 Опросный лист №1 ТП 810-1-12.86 АТХ5-7 Опросный лист №2 ТП 810-1-12.86 АТХ5-8 Опросный лист №3 ТП 810-1-12.86 АТХ6-1 Регулирование температуры поливочной воды. Регулирование концентрации растворов минеральных удобрений. Схема функциональная ТП 810-1-12.86 АТХ6-2 Регулирование концентрации растворов минеральных удобрений. Схема внешних проводок ТП 810-1-12.86 АТХ6-3 Пункт приготовления растворов минеральных удобрений. Схема внешних проводок. План расположения ТП 810-1-12.86 АТХ7-1 Управление приточными установками П1 и П2. Схема внешних проводок. План расположения ТП 810-1-12.86 АТХ8-1 Регулирование температуры воздуха в холодильной камере. Схема внешних проводок. План расположения ТП 810-1-12.86 АТХ9-1 Шкафы 998101,810001,81002. Схема подключений ТП 810-1-12.86 АТХ9-2 Шкафы 998201,990101. Схема подключений ТП 810-1-12.86 АТХ9-3 Шкафы 998301. Схема подключений ТП 810-1-12.86 АТХ9-4 Силовые панели 3.2;4.2;8.2;9.2. Схема подключений ТП 810-1-12.86 АТХ9-5 Шкафы 990101,99801,998201. Схема межшкафных соединений ТП 810-1-12.86 АТХ9-6 Шкафы 98101,998201,998301,995101,930101. Схема межшкафных соединений ТП 810-1-12.86 АТХ9-7 Шкафы 998301,998101,998201,990101,995101. Схема межшкафных соединений ТП 810-1-12.86 АТХ9-8 Шкафы автоматики и силовые панели. План расположения |
| Разработан: | Гипронисельпром Минплодоовощхоза СССР |
| Утверждён: | 16.11.1984 Минплодоовощхоз СССР (03-7-52/6210) |















































































