Скачать Типовой проект 810-1-29.88 Альбом 1. Пояснительная записка. Технология производства. Архитектурные решения. Конструкции железобетонныеДата актуализации: 01.01.2021
|
| Обозначение: | Типовой проект 810-1-29.88 |
| Обозначение англ: | 810-1-29.88 |
| Статус: | не определен законодательством |
| Название рус.: | Альбом 1. Пояснительная записка. Технология производства. Архитектурные решения. Конструкции железобетонные |
| Дата добавления в базу: | 01.09.2013 |
| Дата актуализации: | 01.01.2021 |
| Дата введения: | 18.10.1988 |
| Дата окончания срока действия: | 30.06.2003 |
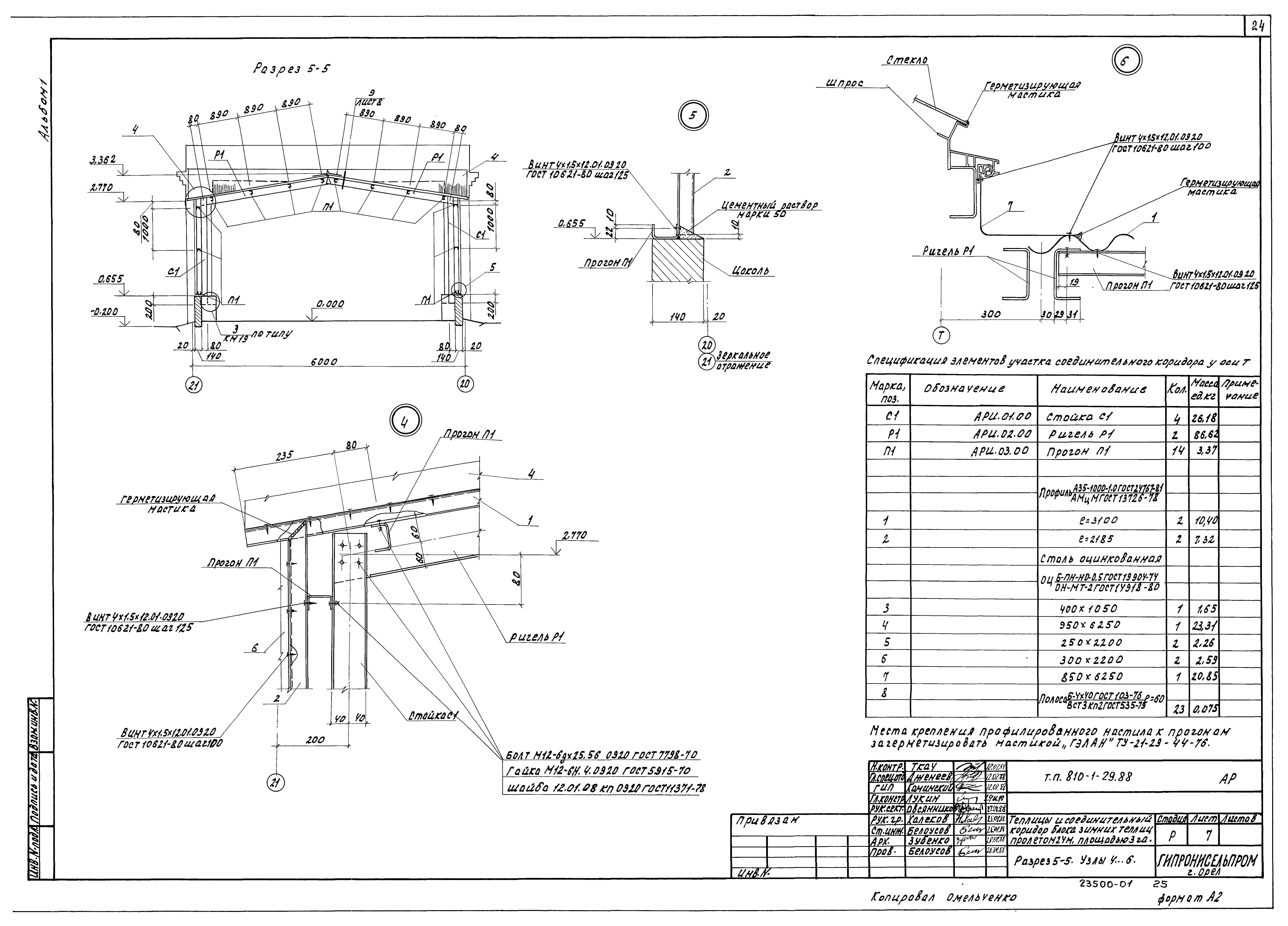
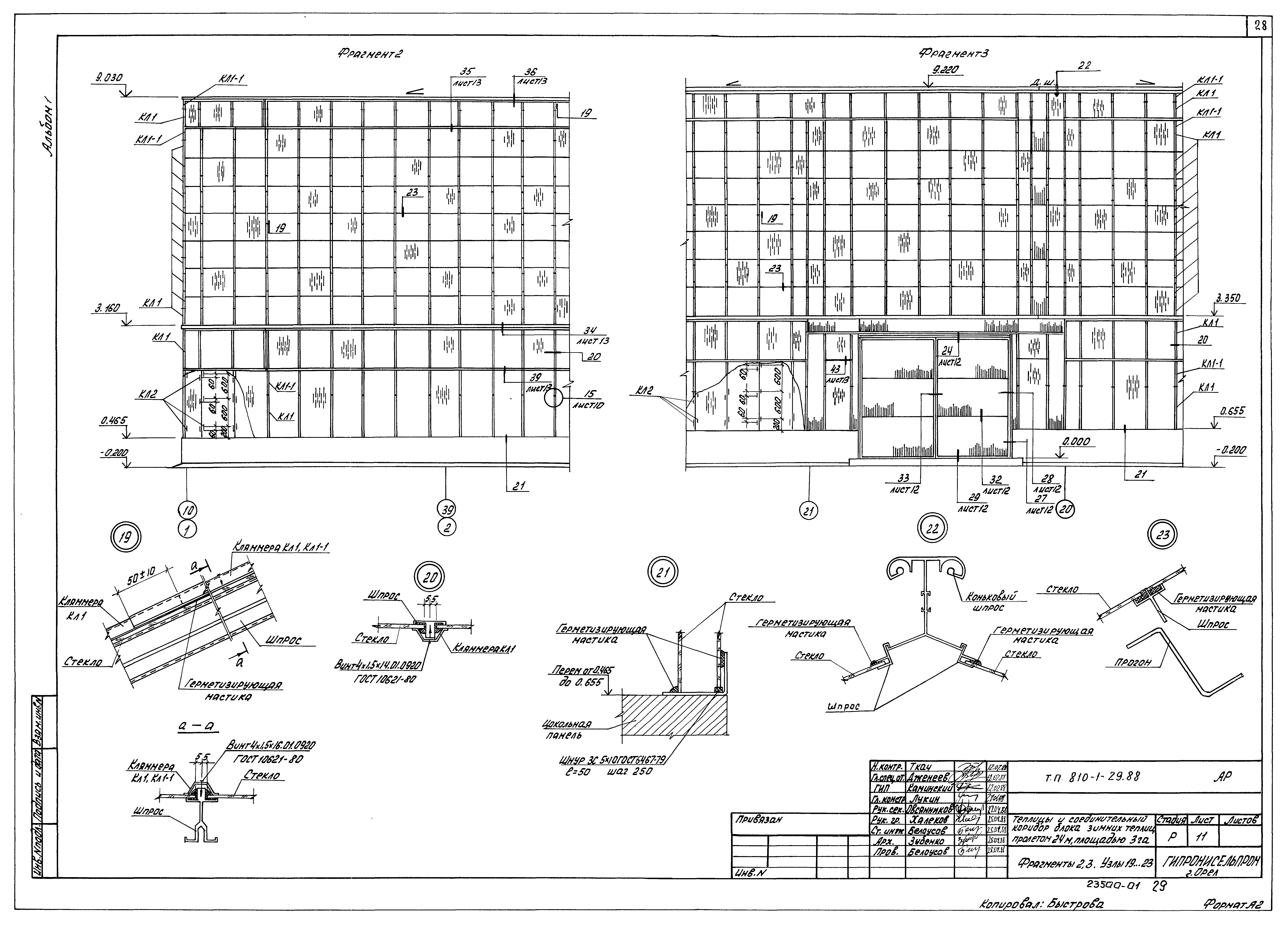
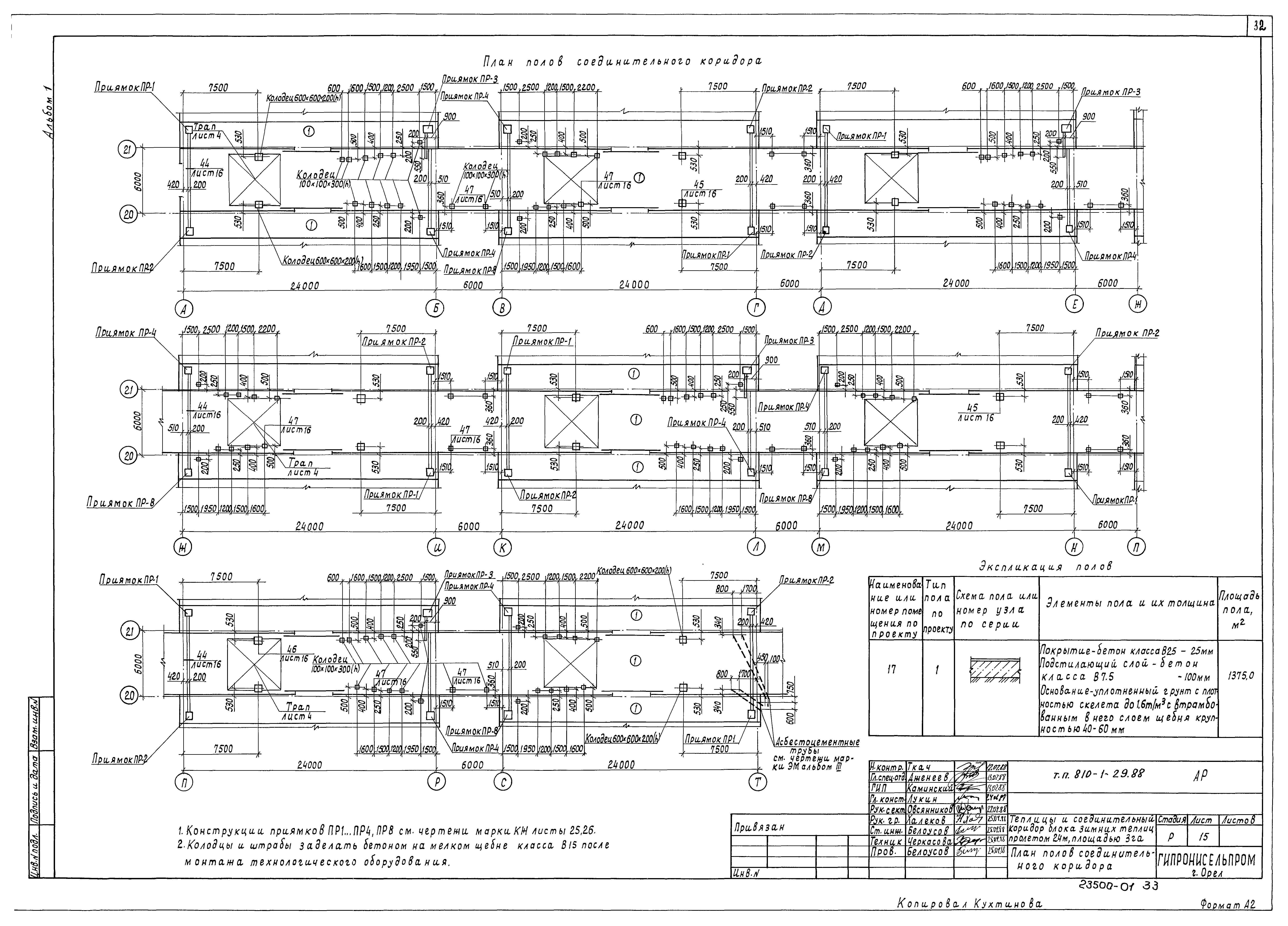
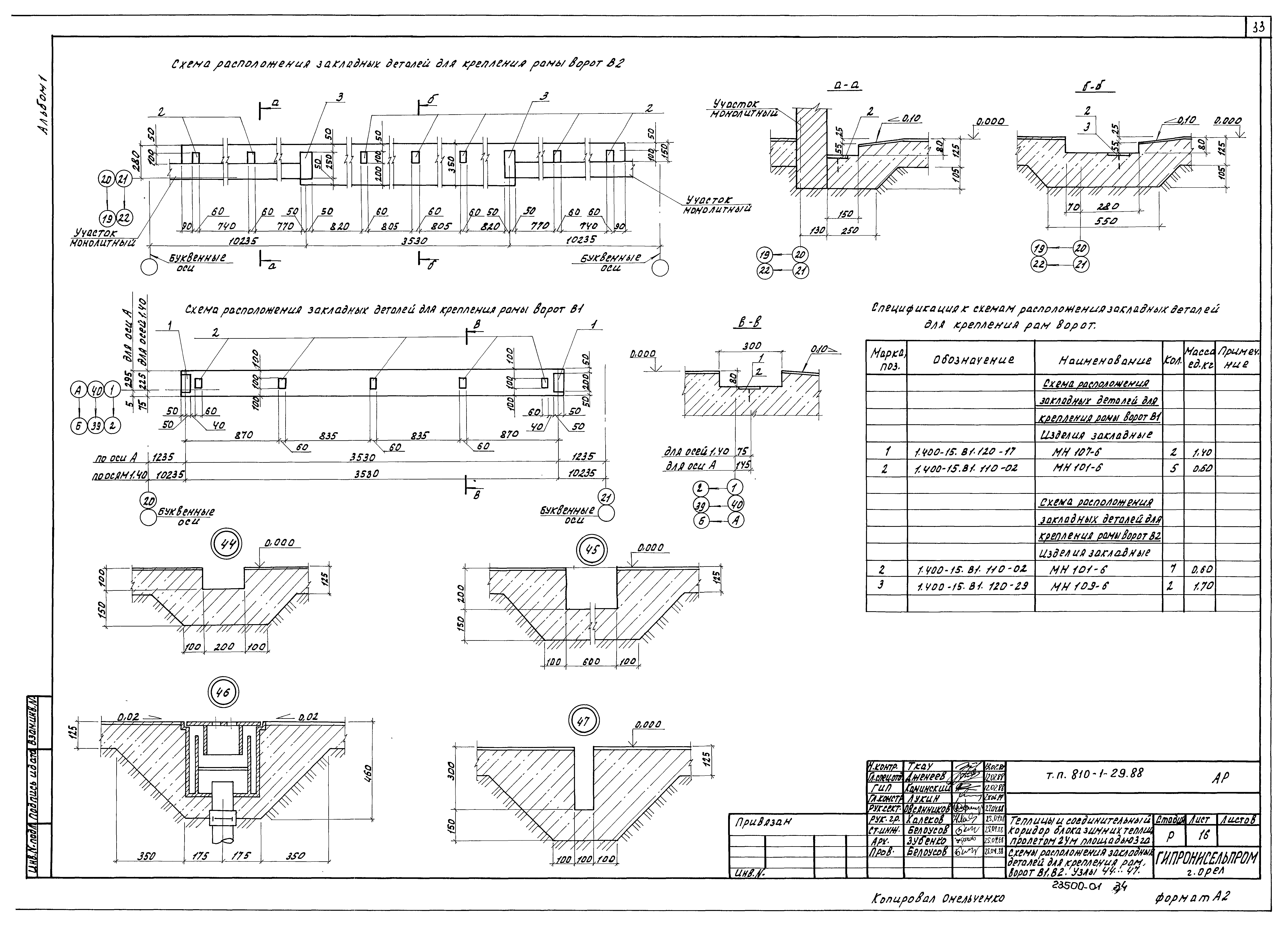
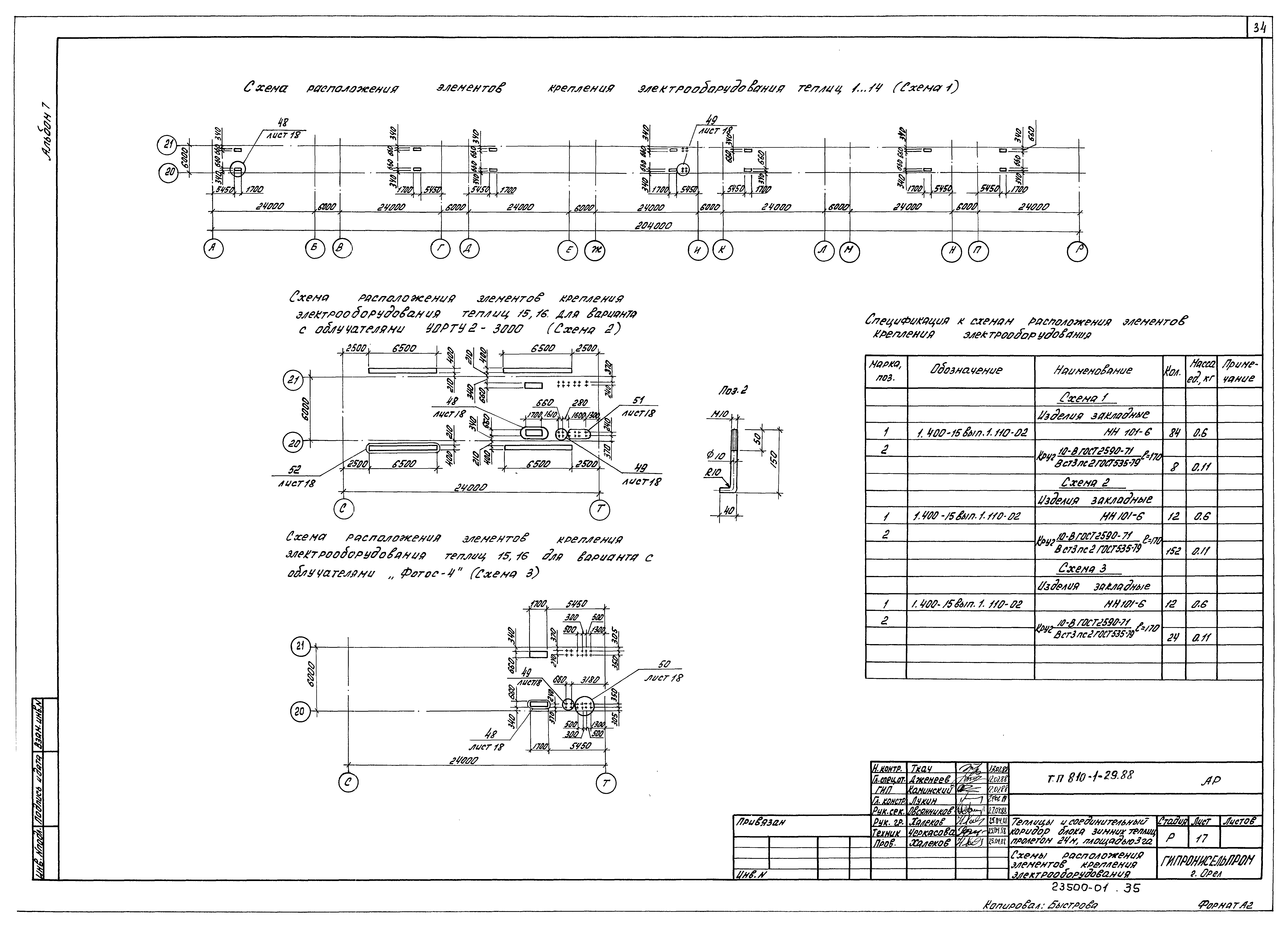
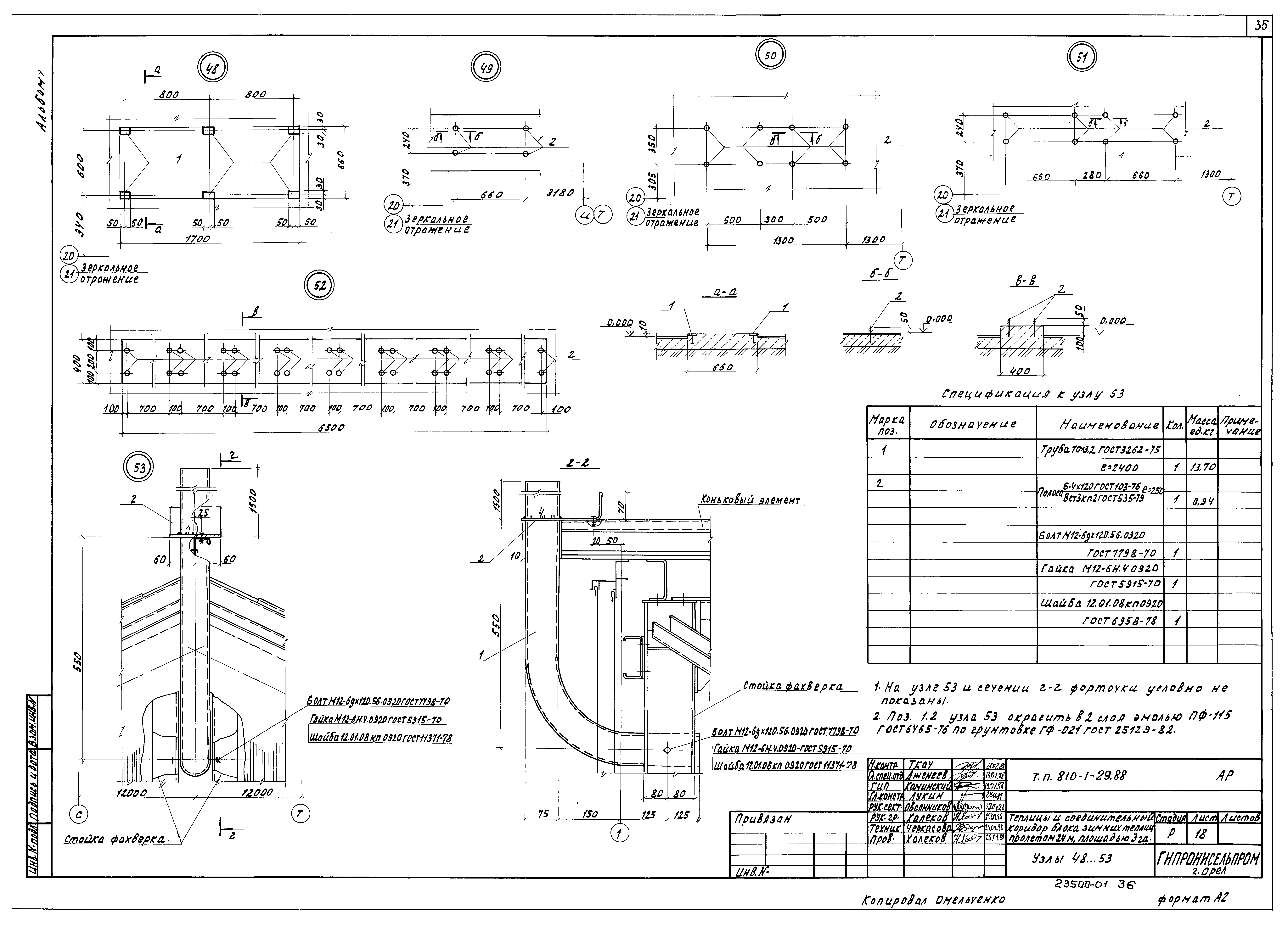
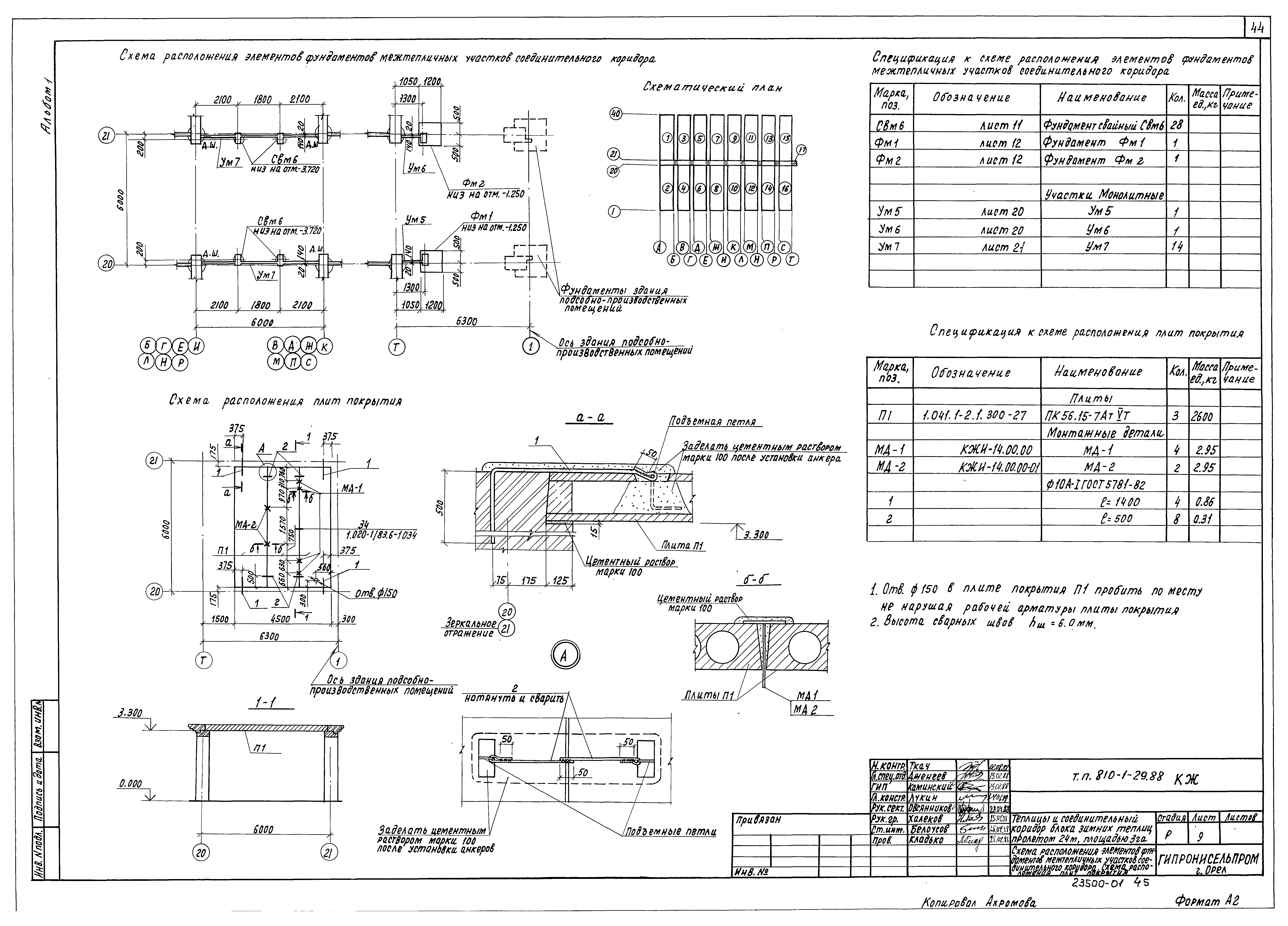
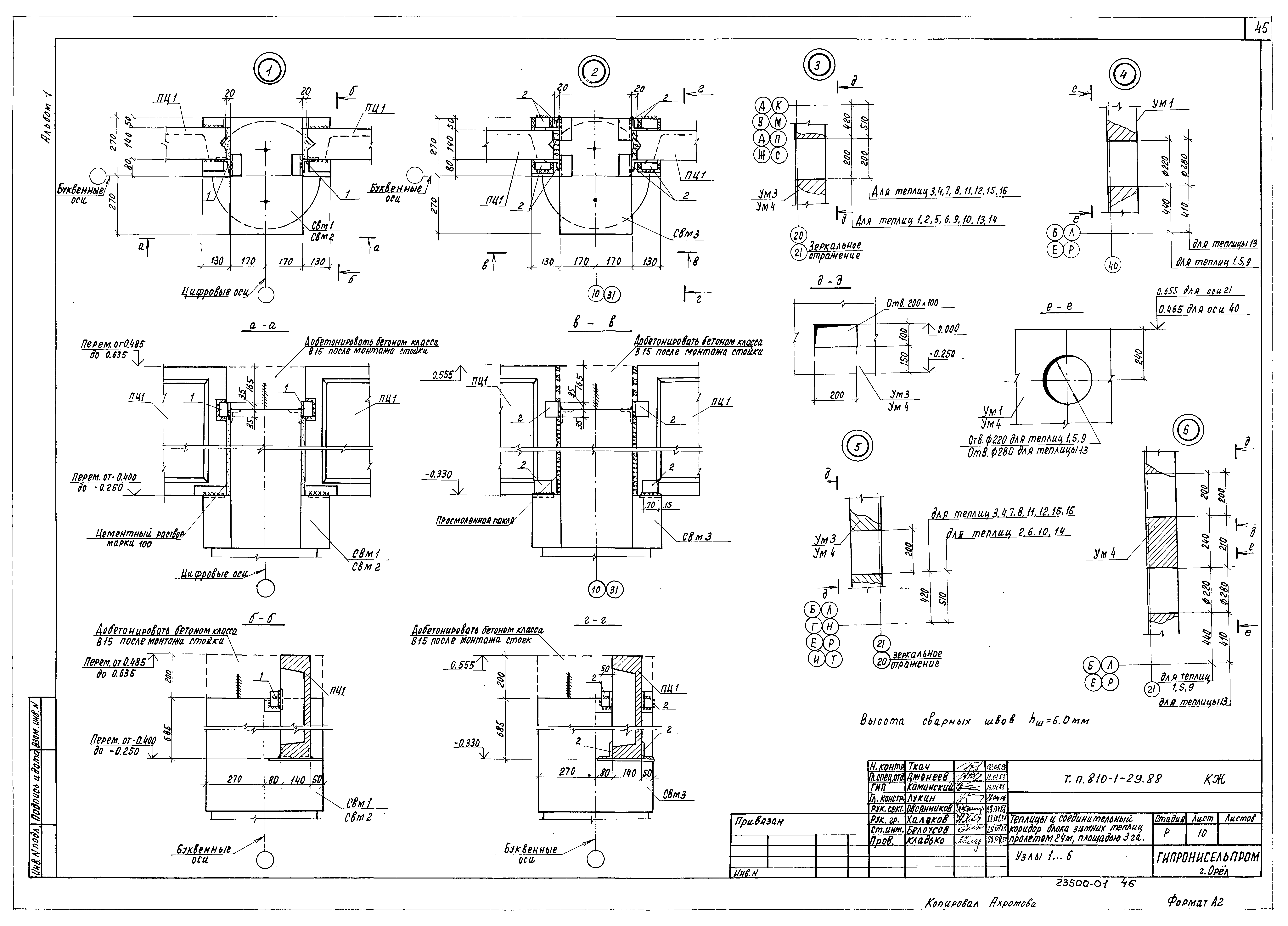
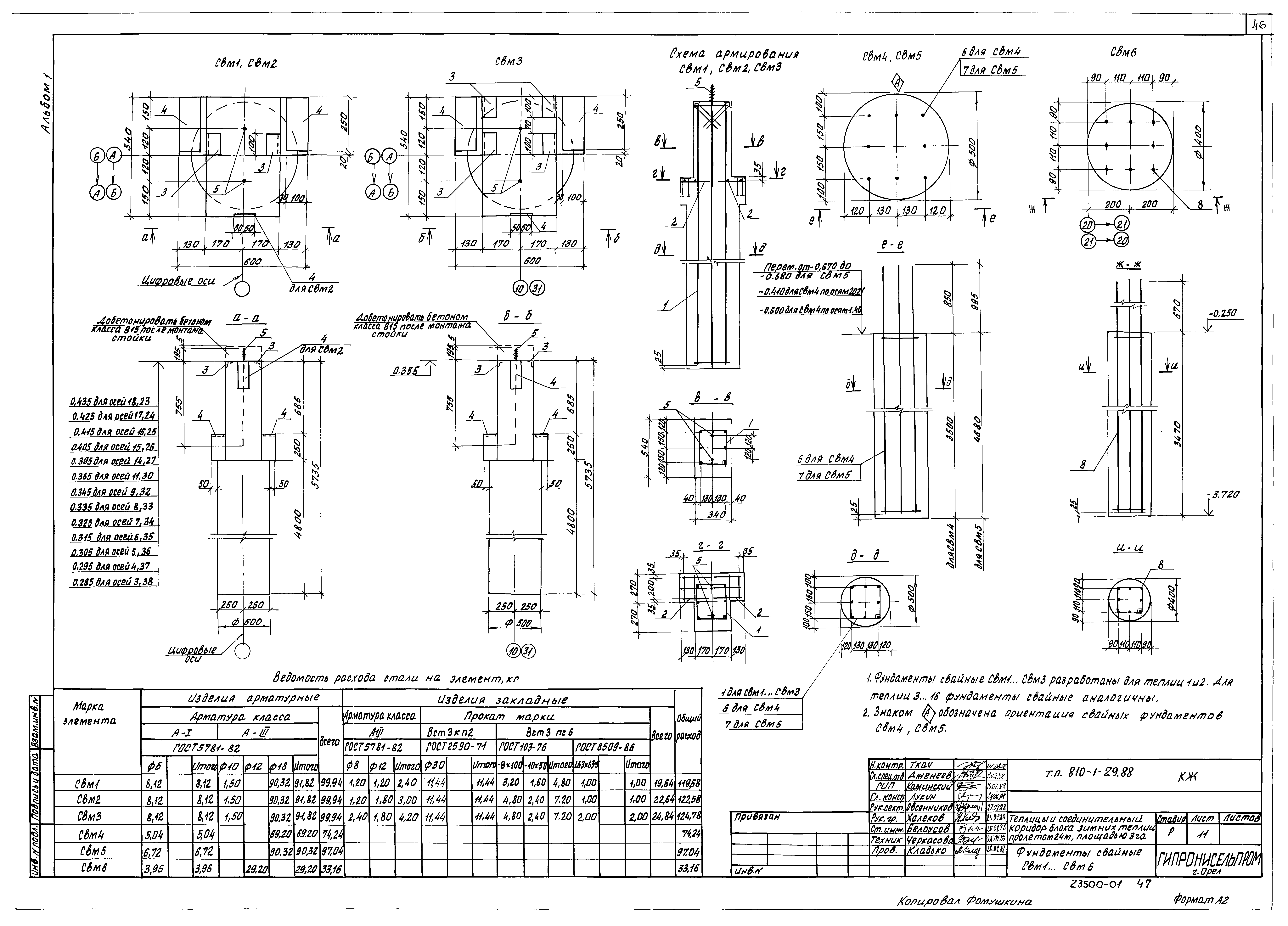
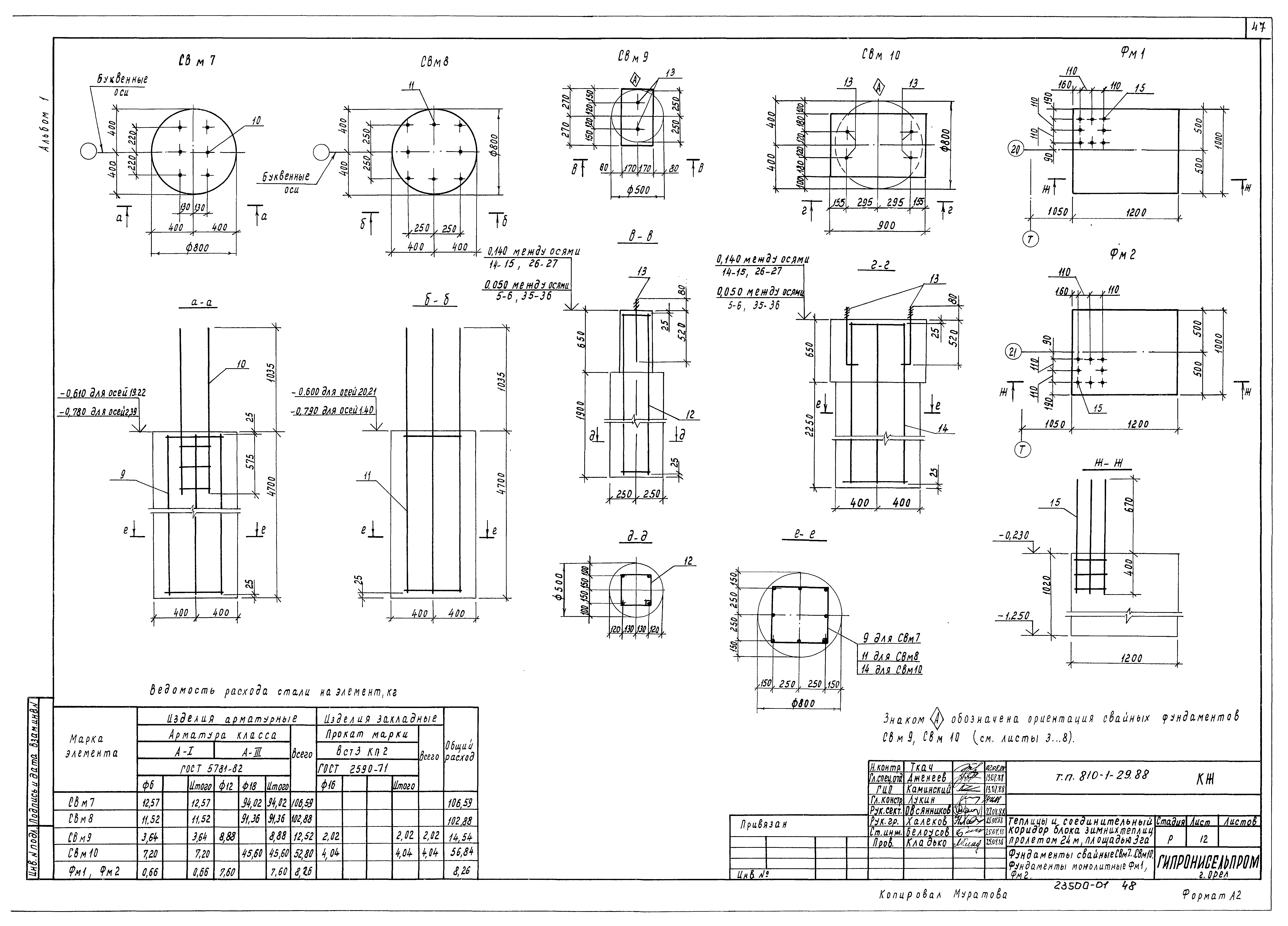
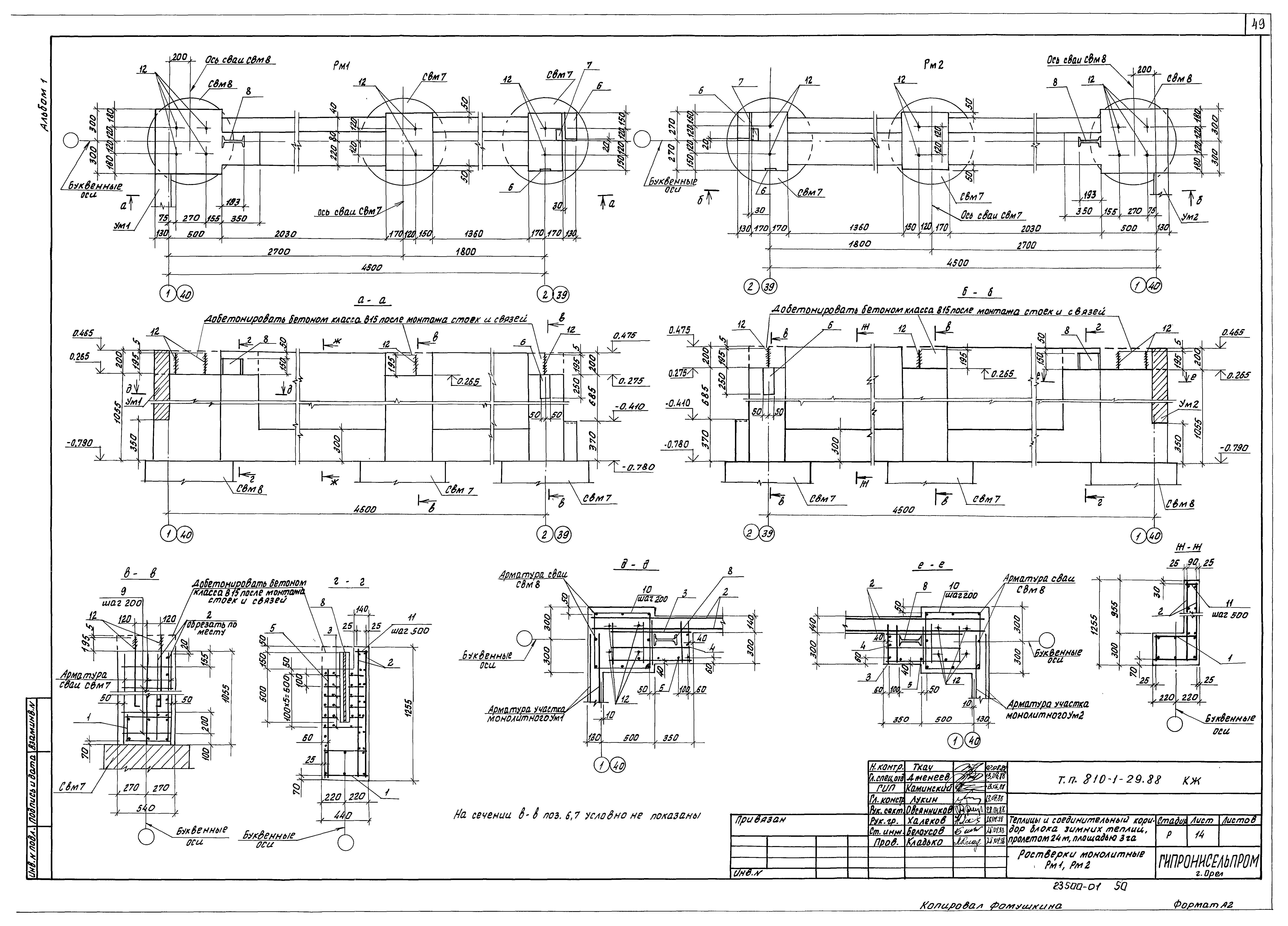
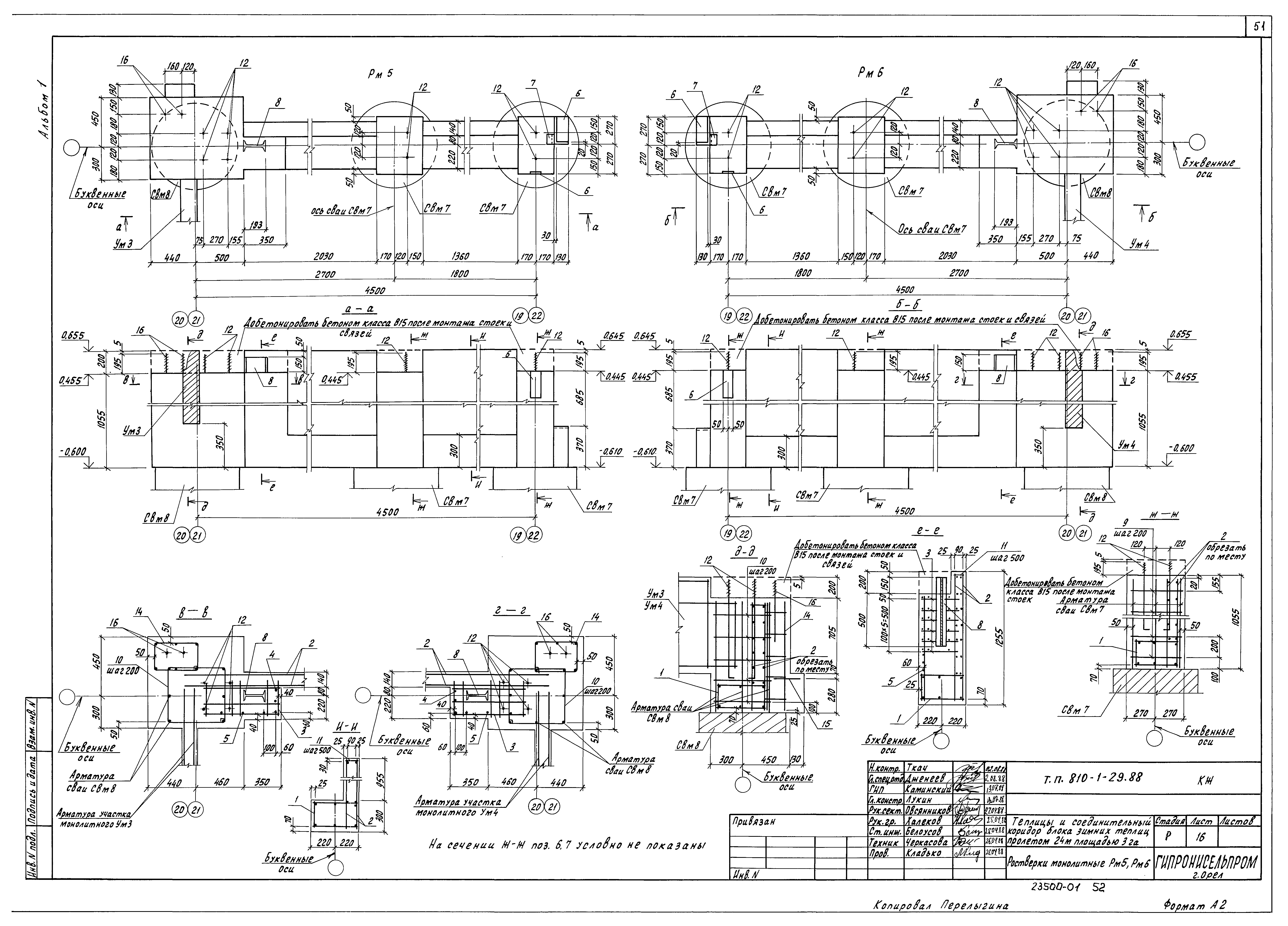
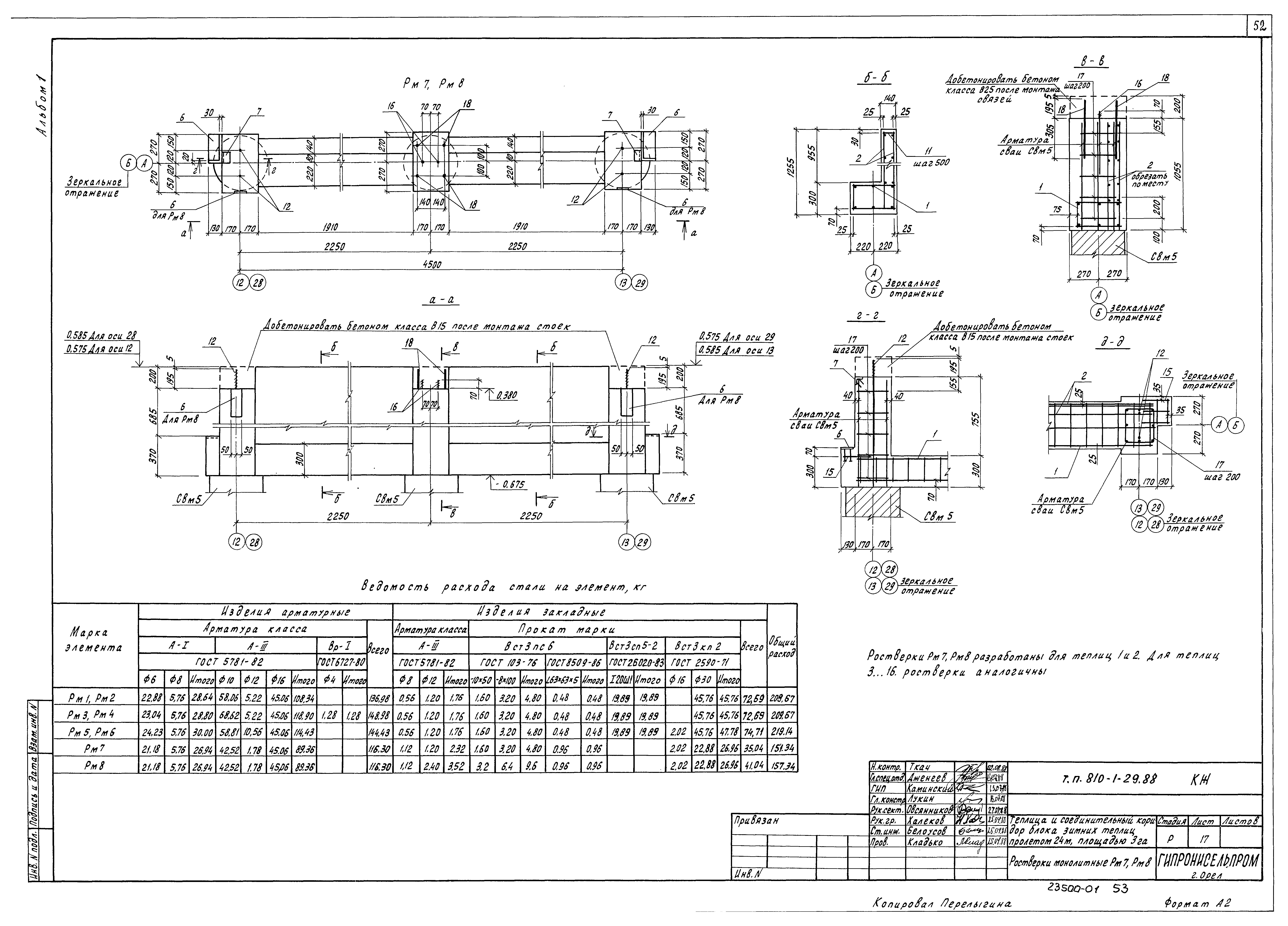
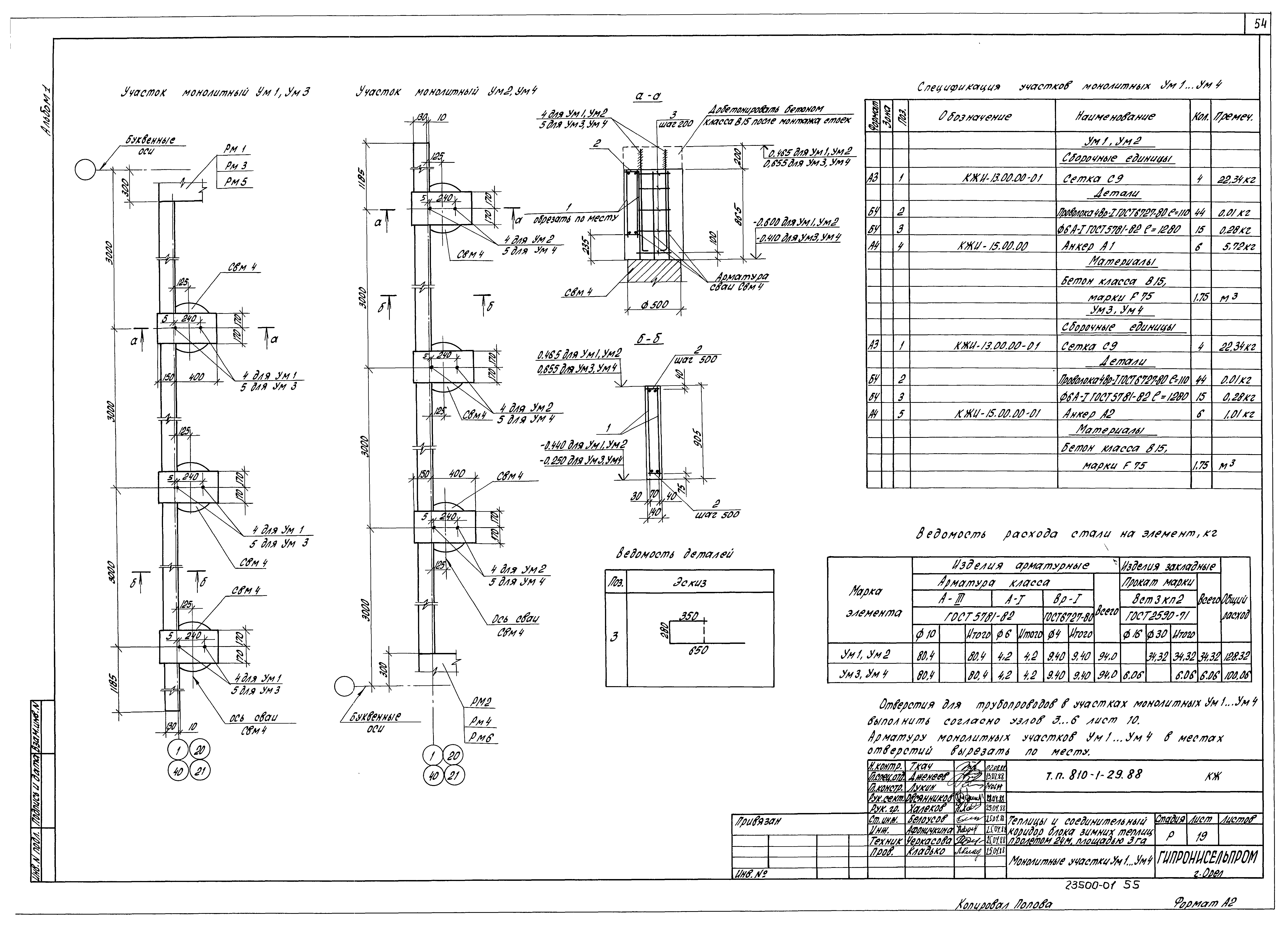
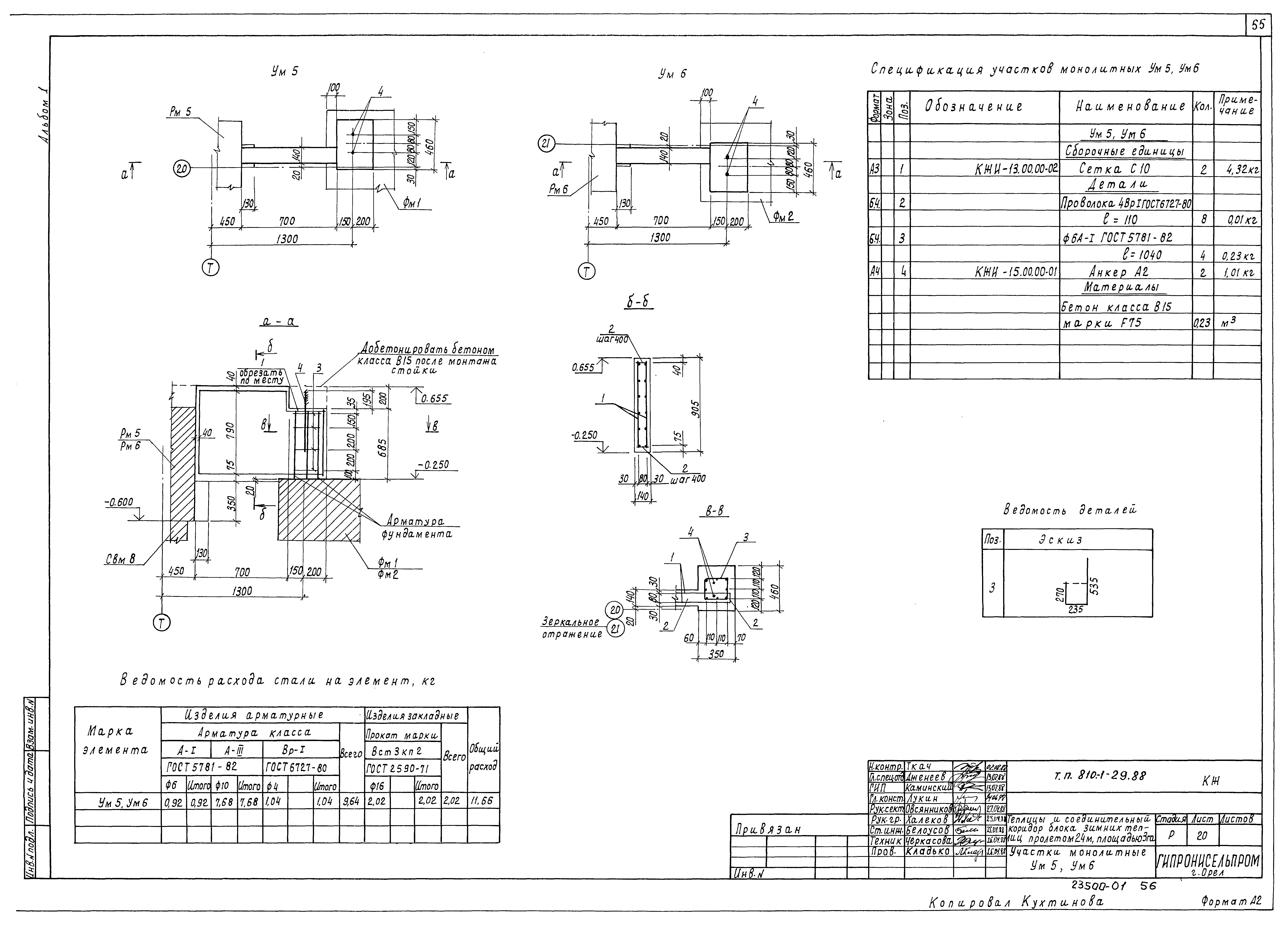
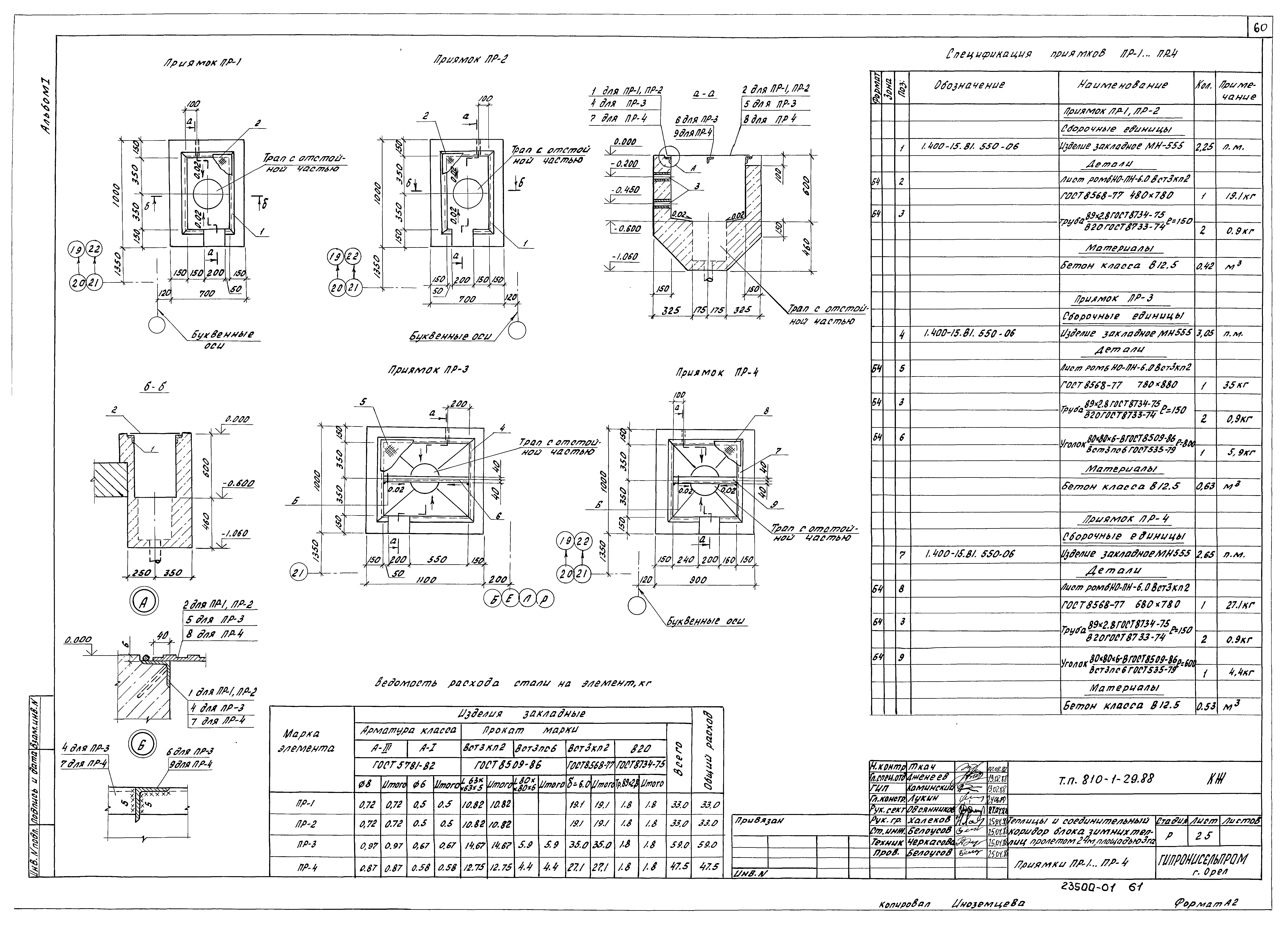
| Оглавление: | ТП 810-1-29.88 Содержание альбома ТП 810-1-29.88 ПЗ Общая пояснительная записка ПЗ ТП 810-1-29.88 ПЗ Общая пояснительная записка ТП 810-1-29.88-ТХ Технология производства ТХ ТП 810-1-29.88-ТХ Общие данные (начало) ТП 810-1-29.88-ТХ Общие данные (продолжение) ТП 810-1-29.88-ТХ Общие данные (окончание) ТП 810-1-29.88-ТХ Технологическая планировка. План размещения генераторов УГ6.0. Разрез ТП 810-1-29.88-ТХ Овощная теплица. Технологическая планировка. План на отм. 0.000. Схемы ТП 810-1-29.88-ТХ Рассадная теплица. Технологическая планировка. План на отм. 0.000. Схемы ТП 810-1-29.88-ТХ Обеззараживание почвы. Паром. План. Разрезы ТП 810-1-29.88-АР Архитектурные решения АР ТП 810-1-29.88-АР Общие данные (начало) ТП 810-1-29.88-АР Общие данные (окончание) ТП 810-1-29.88-АР План на отм. 0.000 ТП 810-1-29.88-АР План соединительного коридора на отм. 0.000 ТП 810-1-29.88-АР Фасады. Разрезы 1-1,2-2 ТП 810-1-29.88-АР Разрезы 3-3,4-4. Схема обрамления проемов ворот ВРГ 30-30. Узлы 1...3 ТП 810-1-29.88-АР Разрез 5-5. Узлы 4...6 ТП 810-1-29.88-АР Узлы 7...10 ТП 810-1-29.88-АР Разрезы 6-6,7-7. Узлы 11,12,13 ТП 810-1-29.88-АР Фрагмент 1. Узлы 14...18 ТП 810-1-29.88-АР Фрагменты 2,3. Узлы 19...23 ТП 810-1-29.88-АР Узлы 24...33 ТП 810-1-29.88-АР Узлы 34...43 ТП 810-1-29.88-АР Спецификация элементов ограждения ТП 810-1-29.88-АР План полов соединительного коридора ТП 810-1-29.88-АР Схемы расположения закладных деталей для крепления рам ворот В1,В2. Узлы 44...47 ТП 810-1-29.88-АР Схемы расположения элементов крепления электрооборудования ТП 810-1-29.88-АР Узлы 48...53 ТП 810-1-29.88-КЖ Конструкции железобетонные КЖ ТП 810-1-29.88-КЖ Общие данные (начало) ТП 810-1-29.88-КЖ Общие данные (окончание) ТП 810-1-29.88-КЖ Схема расположения элементов фундаментов теплицы №1 ТП 810-1-29.88-КЖ Схема расположения элементов фундаментов теплицы №2 ТП 810-1-29.88-КЖ Схема расположения элементов фундаментов теплицы №3 ТП 810-1-29.88-КЖ Схема расположения элементов фундаментов теплицы №4 ТП 810-1-29.88-КЖ Схема расположения элементов фундаментов теплицы №5 ТП 810-1-29.88-КЖ Схема расположения элементов фундаментов теплицы №6 ТП 810-1-29.88-КЖ Схема расположения элементов фундаментов межтепличных участков соединительного коридора. Схема расположения плит покрытия ТП 810-1-29.88-КЖ Узлы 1...6 ТП 810-1-29.88-КЖ Фундаменты свайные СвМ1...СвМ6 ТП 810-1-29.88-КЖ Фундаменты свайные СвМ7. СвМ10. Фундаменты монолитные ФМ1,ФМ2 ТП 810-1-29.88-КЖ Спецификация фундаментов СвМ1...СвМ10,ФМ1,ФМ2 ТП 810-1-29.88-КЖ Ростверки монолитные РМ1,РМ2 ТП 810-1-29.88-КЖ Ростверки монолитные РМ3,РМ4 ТП 810-1-29.88-КЖ Ростверки монолитные РМ5,РМ6 ТП 810-1-29.88-КЖ Ростверки монолитные РМ7,РМ8 ТП 810-1-29.88-КЖ Спецификация ростверков монолитных РМ1...РМ8 ТП 810-1-29.88-КЖ Участки монолитные УМ1...УМ4 ТП 810-1-29.88-КЖ Участки монолитные УМ5...УМ6 ТП 810-1-29.88-КЖ Участок монолитный УМ7 ТП 810-1-29.88-КЖ Схемы расположения фундаментов под оборудование и приямков теплиц ТП 810-1-29.88-КЖ Схемы расположения фундаментов под оборудование в соединительном коридоре. Фундамент ФОМ1 ТП 810-1-29.88-КЖ Фундаменты под оборудование ФОМ2...ФОМ13 ТП 810-1-29.88-КЖ Приямки ПР-1...ПР-4 ТП 810-1-29.88-КЖ Приямки ПР-5...ПР-8 |
| Разработан: | Гипронисельпром Госагропрома СССР |
| Утверждён: | 15.07.1987 Госагропром СССР (USSR Gosagroprom 549) |





























































