Скачать Типовой проект 810-1-29.88 Альбом 3. Часть 2. Внутренние водопровод, канализация и технологические трубопроводы. Электрическое освещение. Силовое электрооборудование. Электродосвечивание. Связь и сигнализацияДата актуализации: 01.01.2021
|
| Обозначение: | Типовой проект 810-1-29.88 |
| Обозначение англ: | 810-1-29.88 |
| Статус: | не определен законодательством |
| Название рус.: | Альбом 3. Часть 2. Внутренние водопровод, канализация и технологические трубопроводы. Электрическое освещение. Силовое электрооборудование. Электродосвечивание. Связь и сигнализация |
| Дата добавления в базу: | 01.09.2013 |
| Дата актуализации: | 01.01.2021 |
| Дата введения: | 18.10.1988 |
| Дата окончания срока действия: | 30.06.2003 |
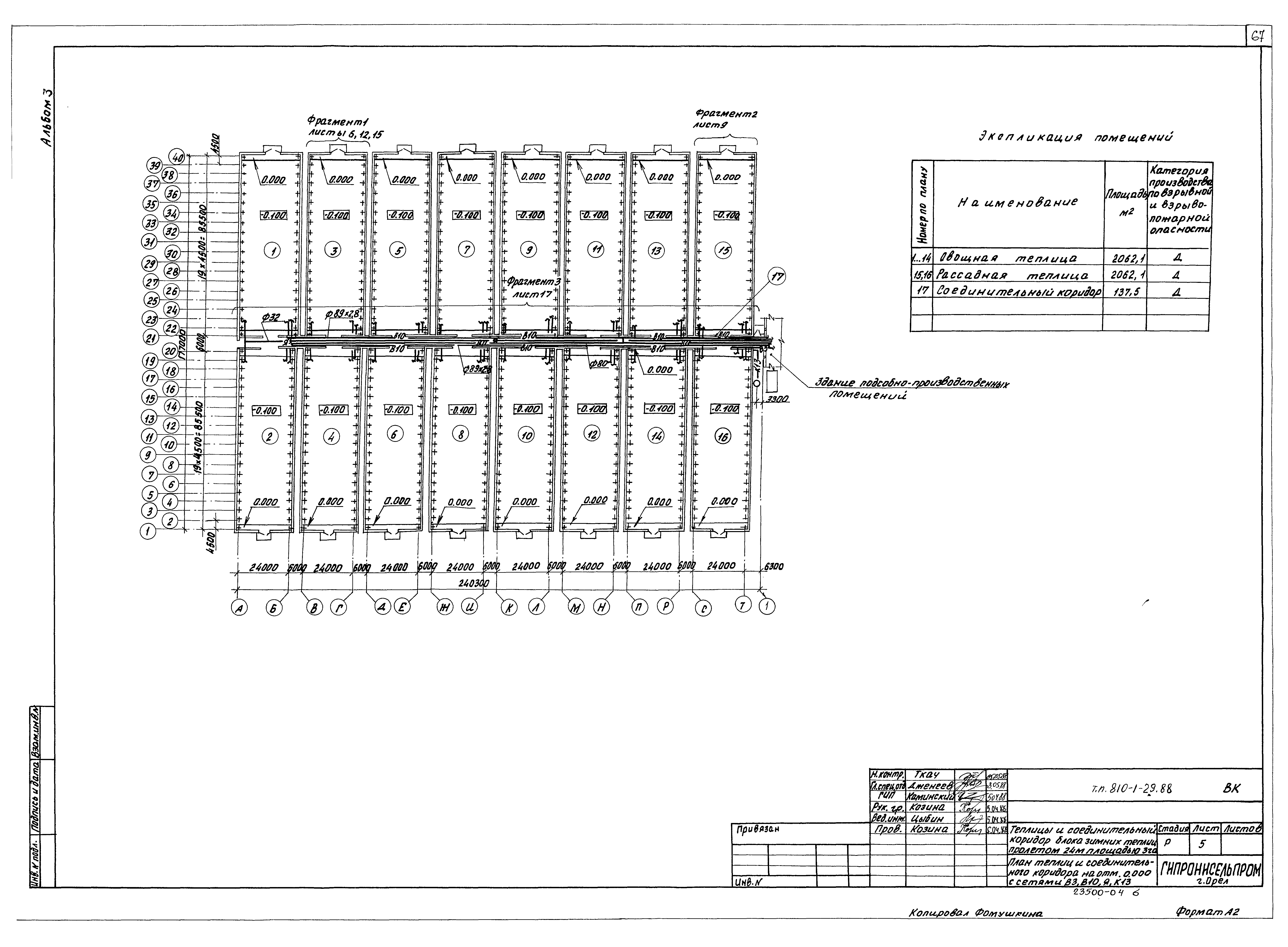
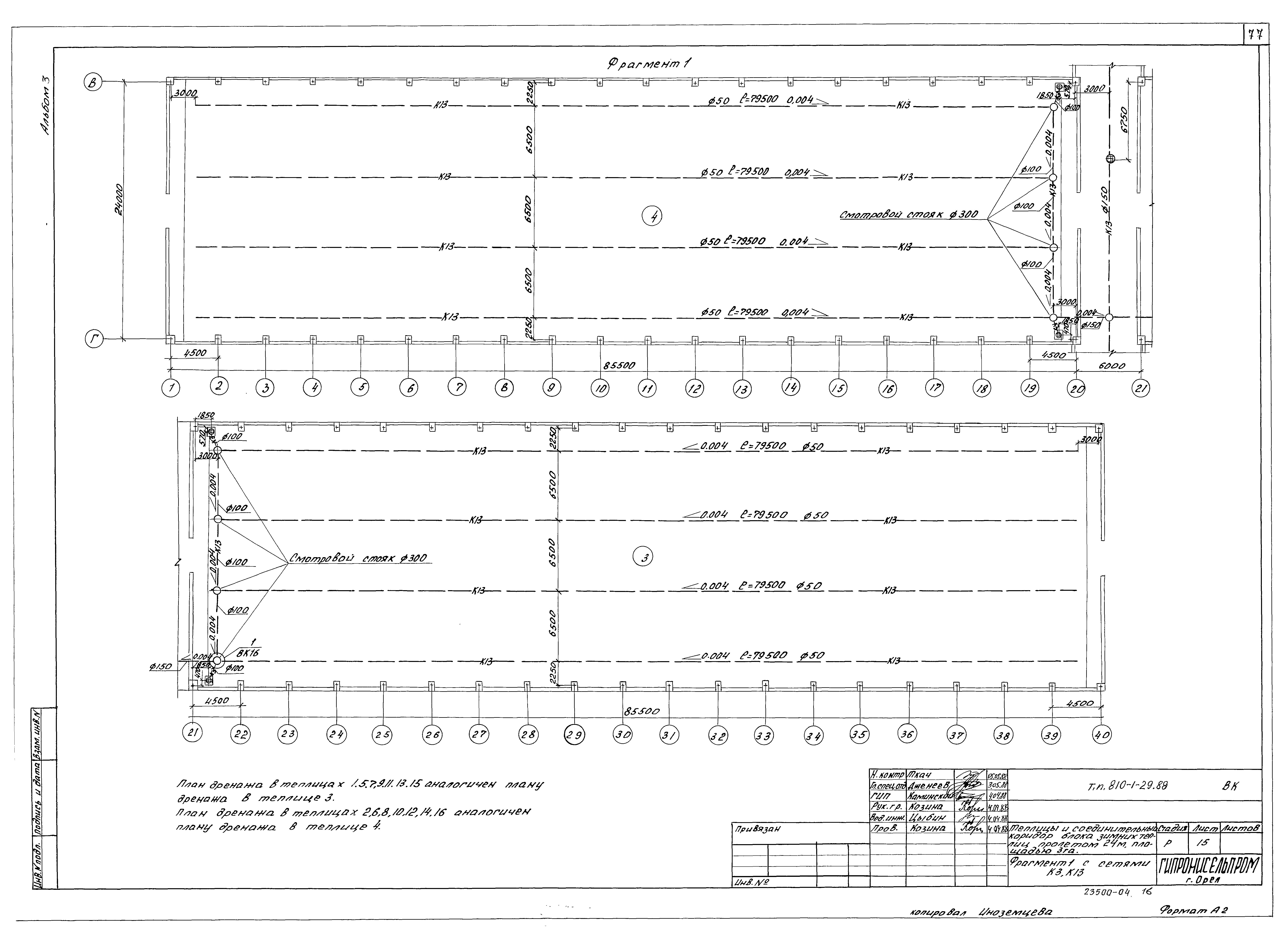
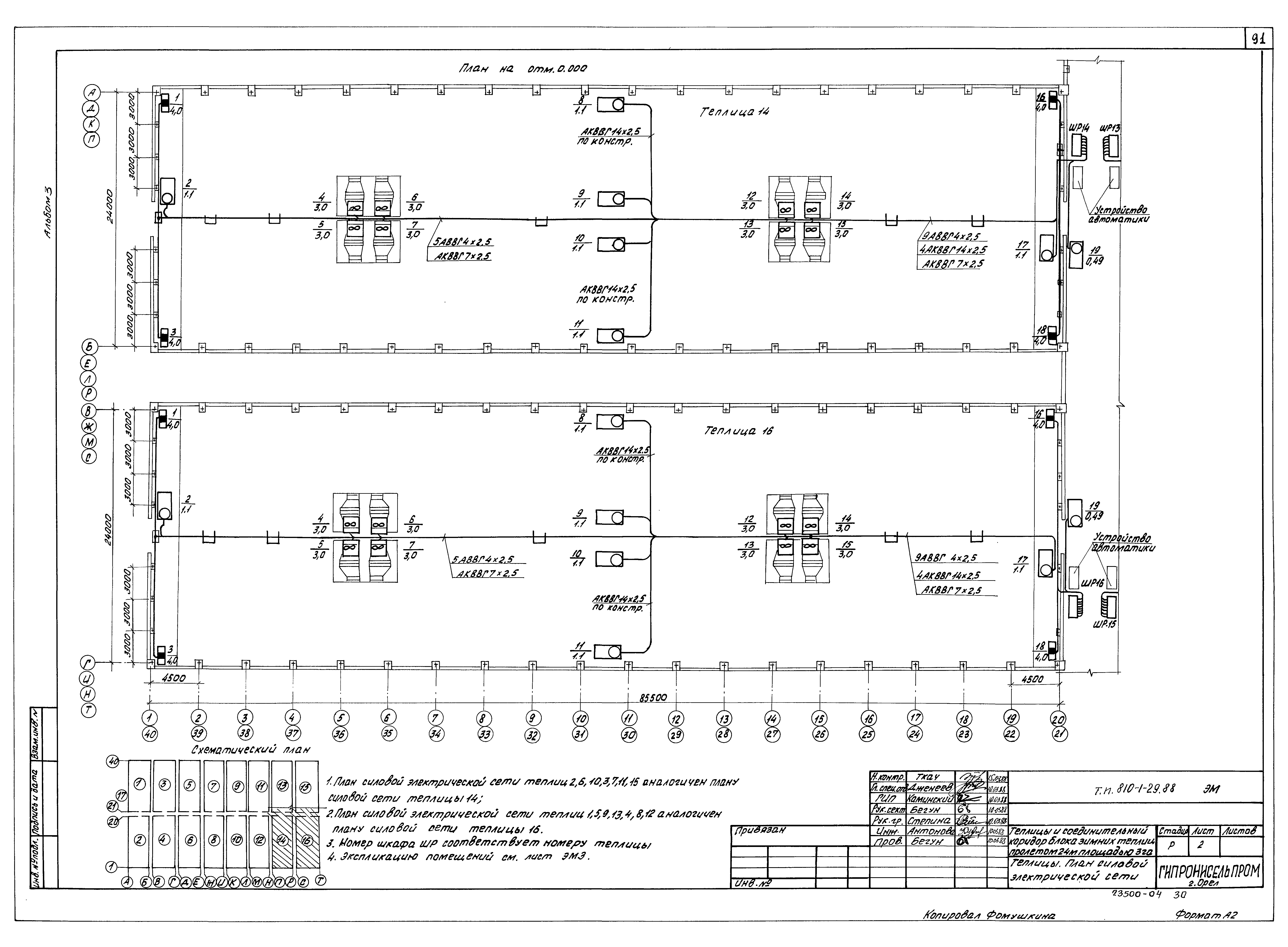
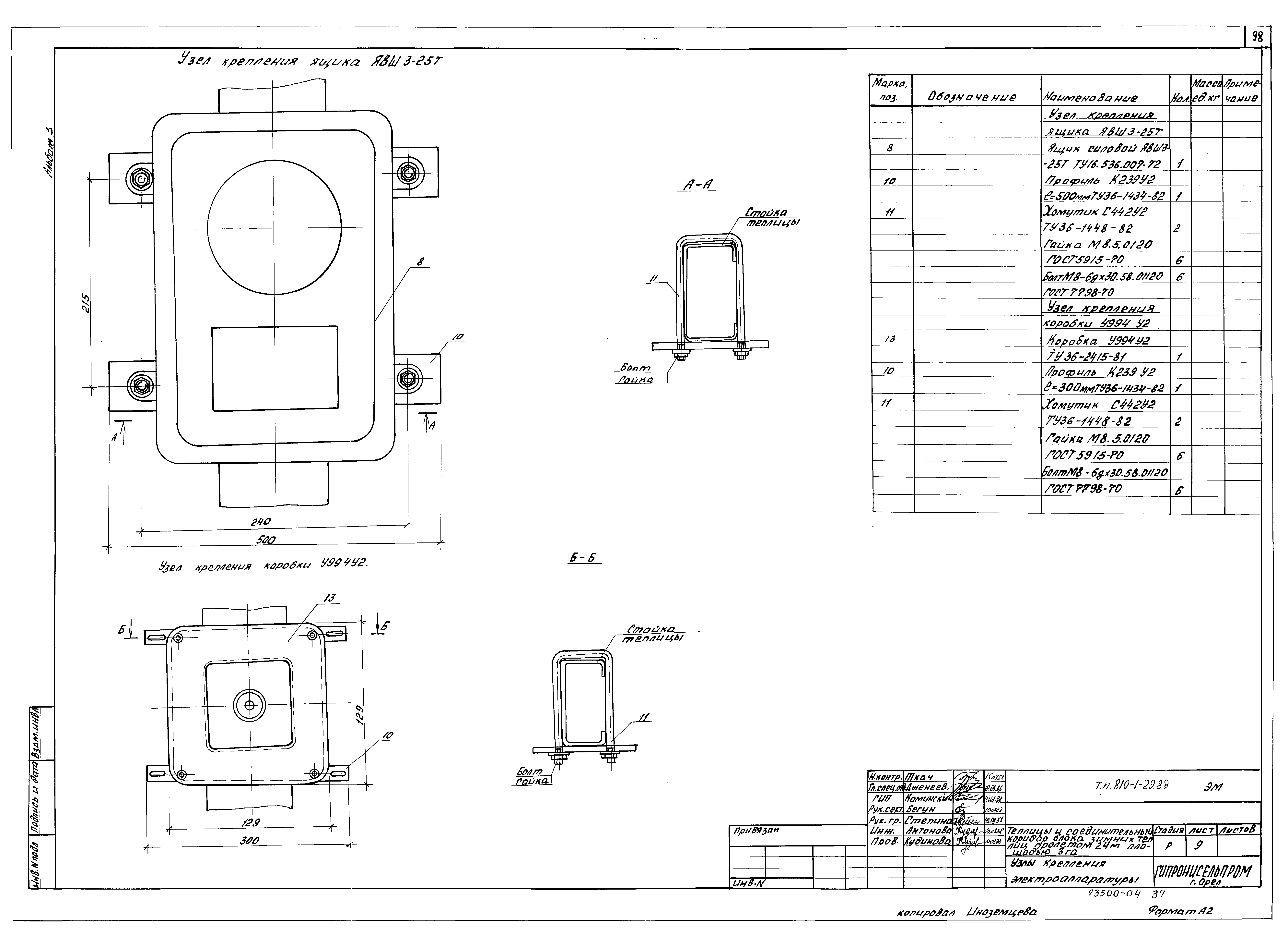
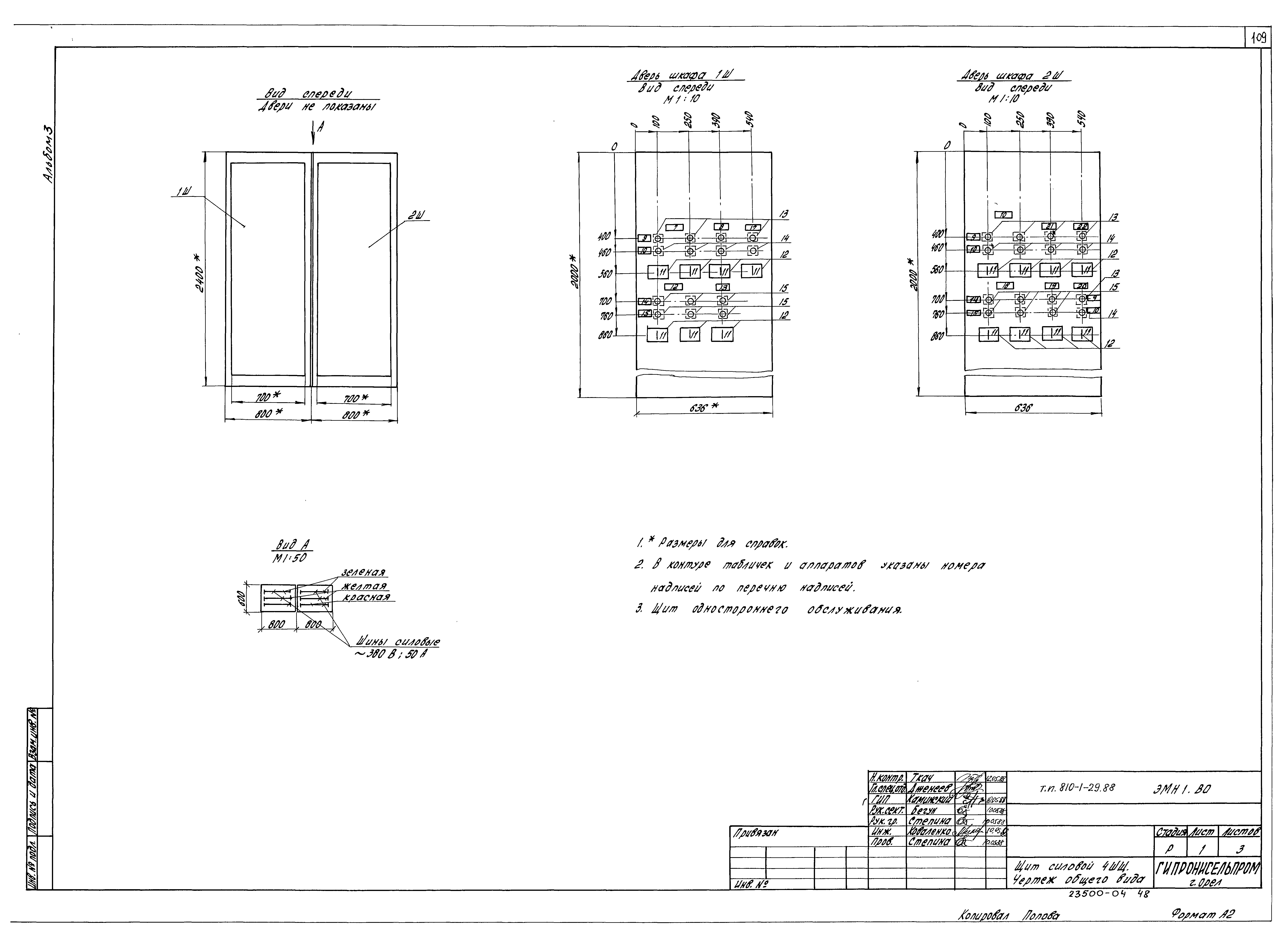
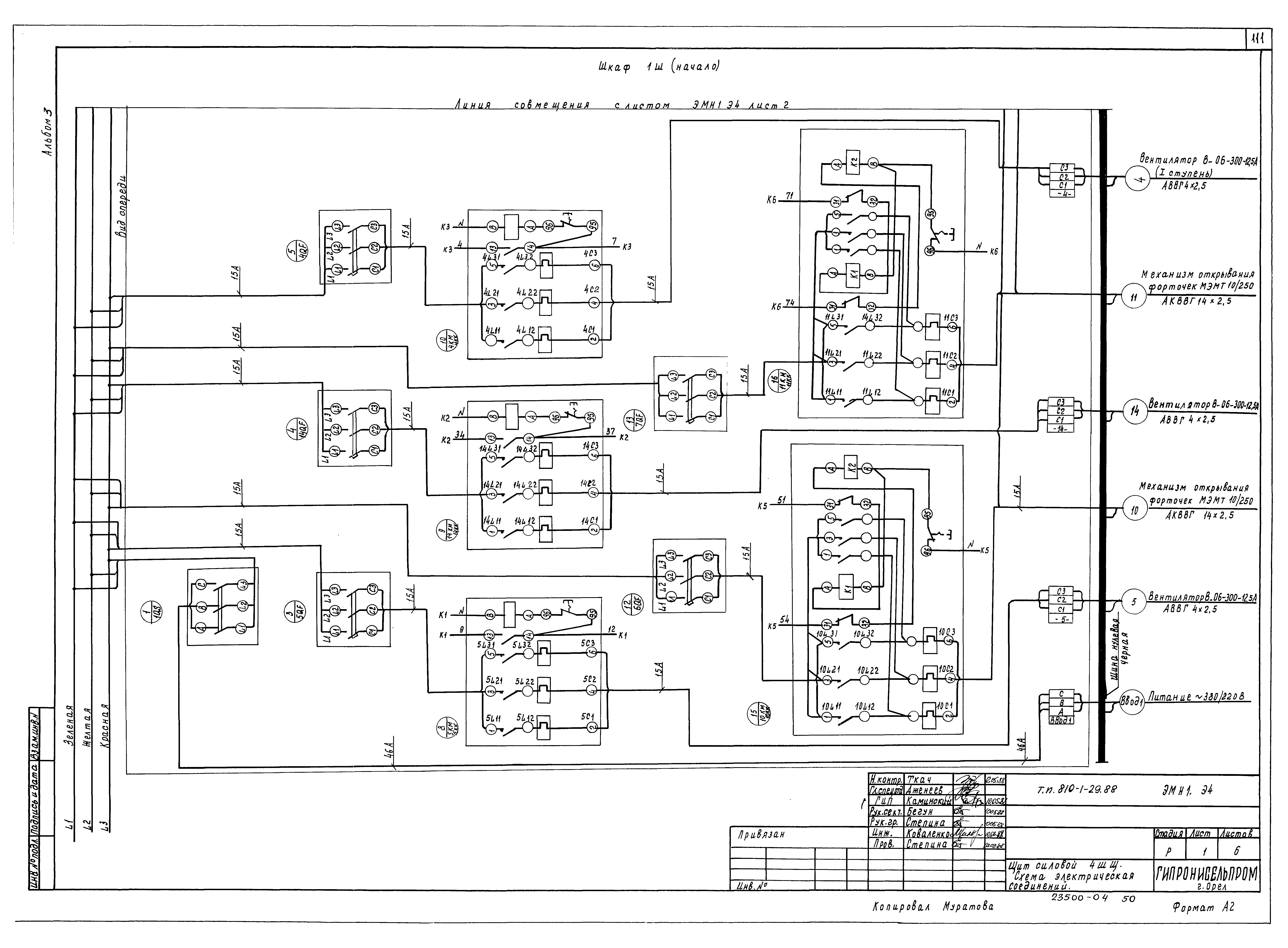
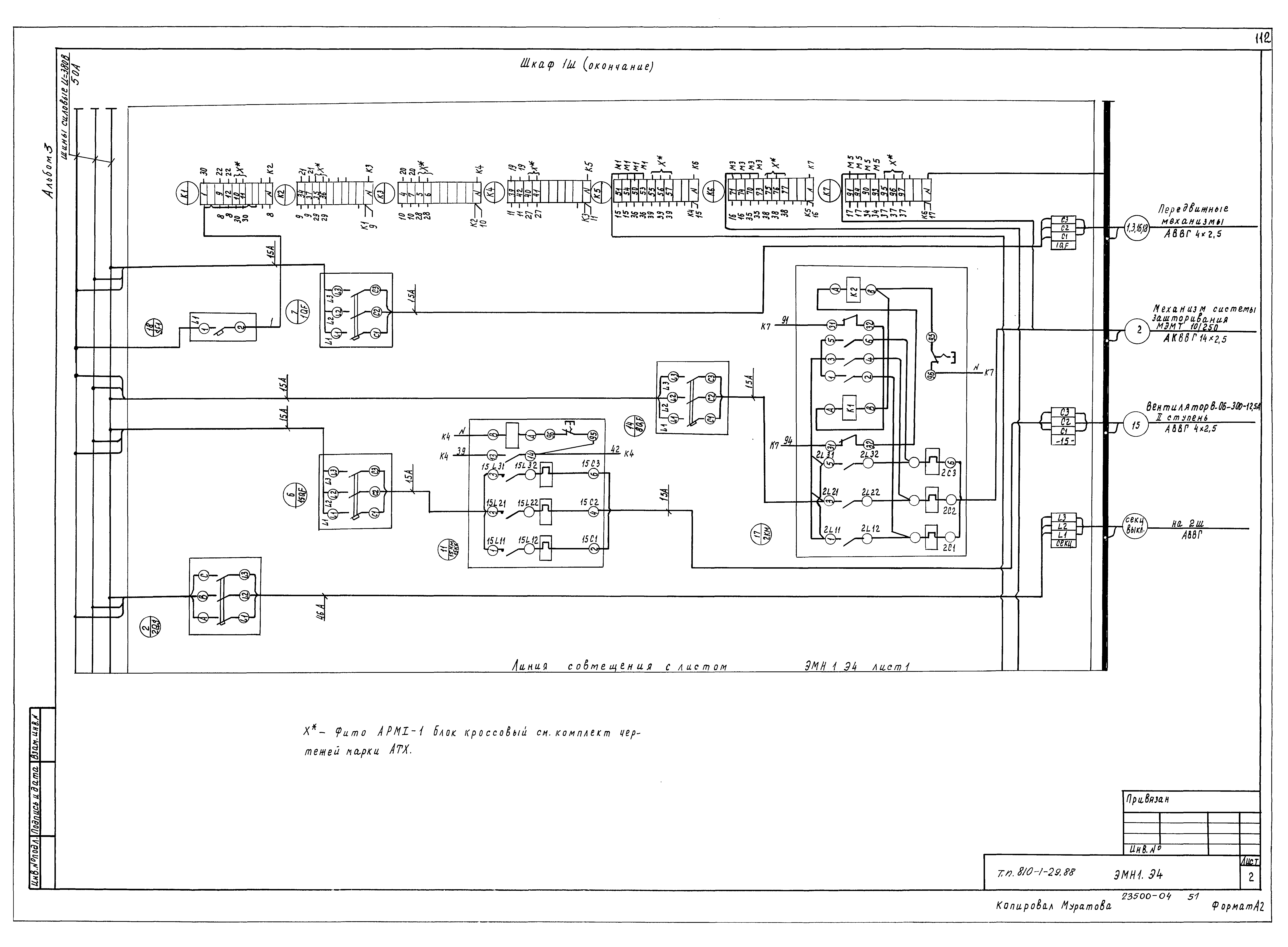
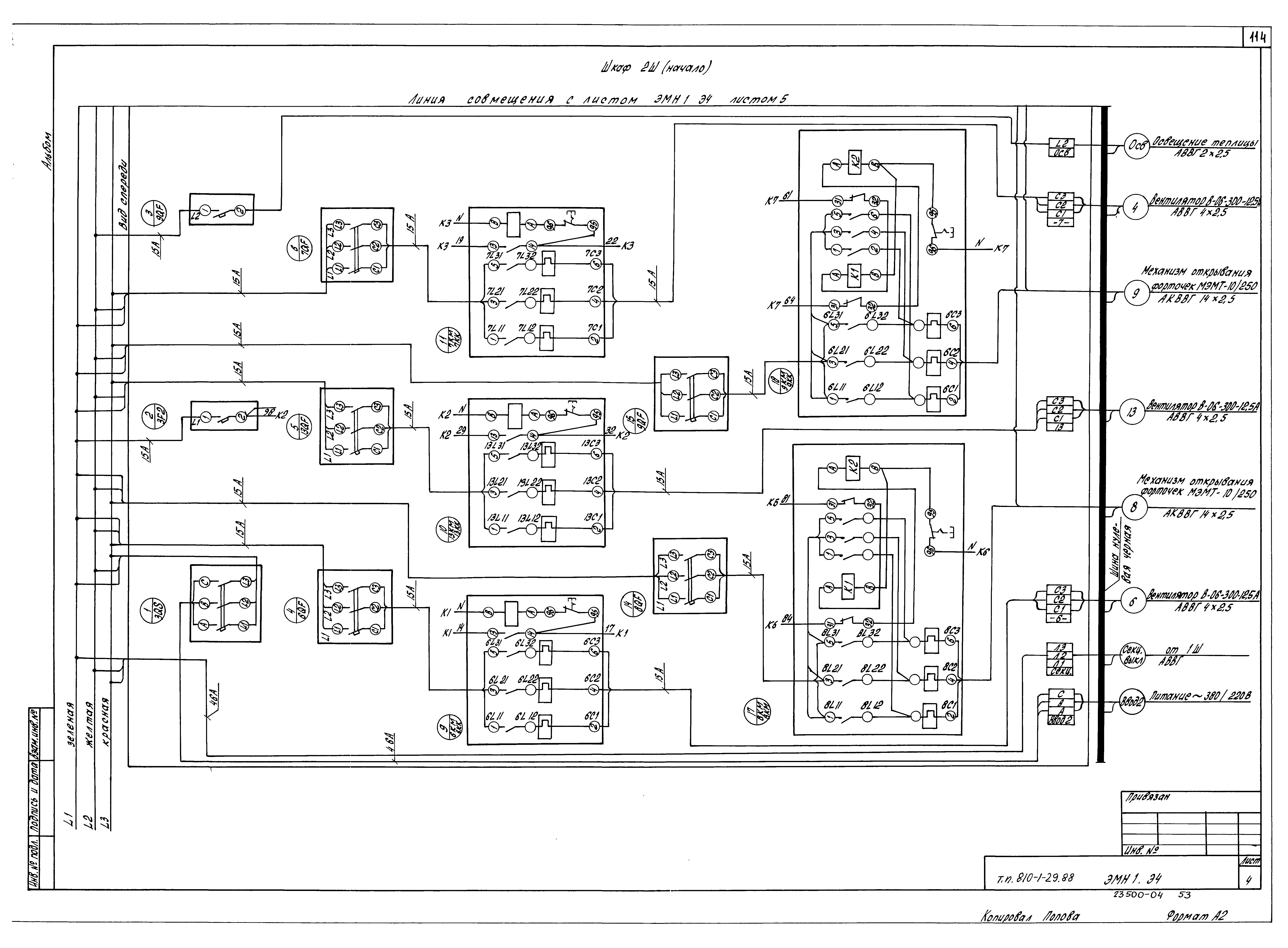
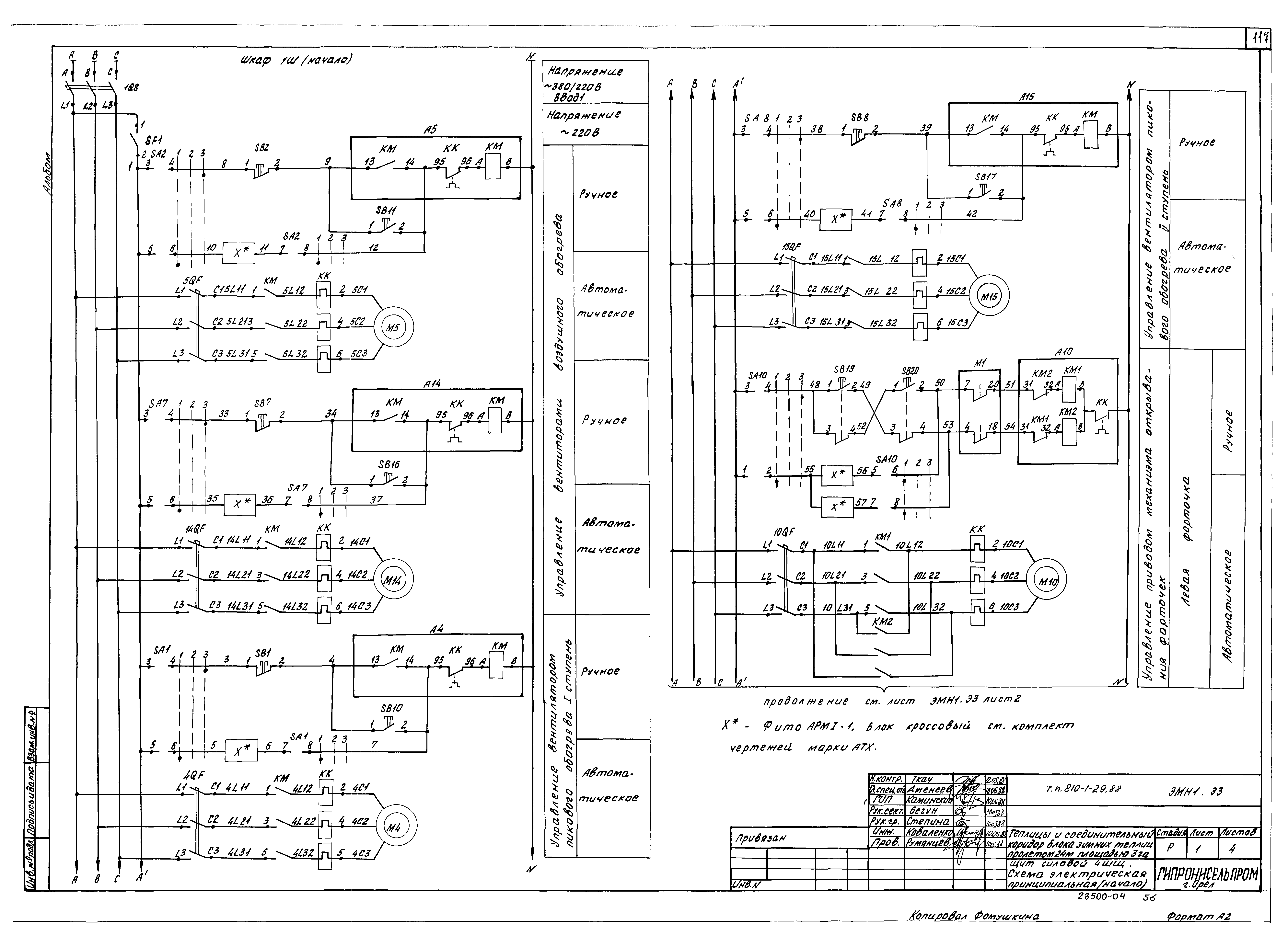
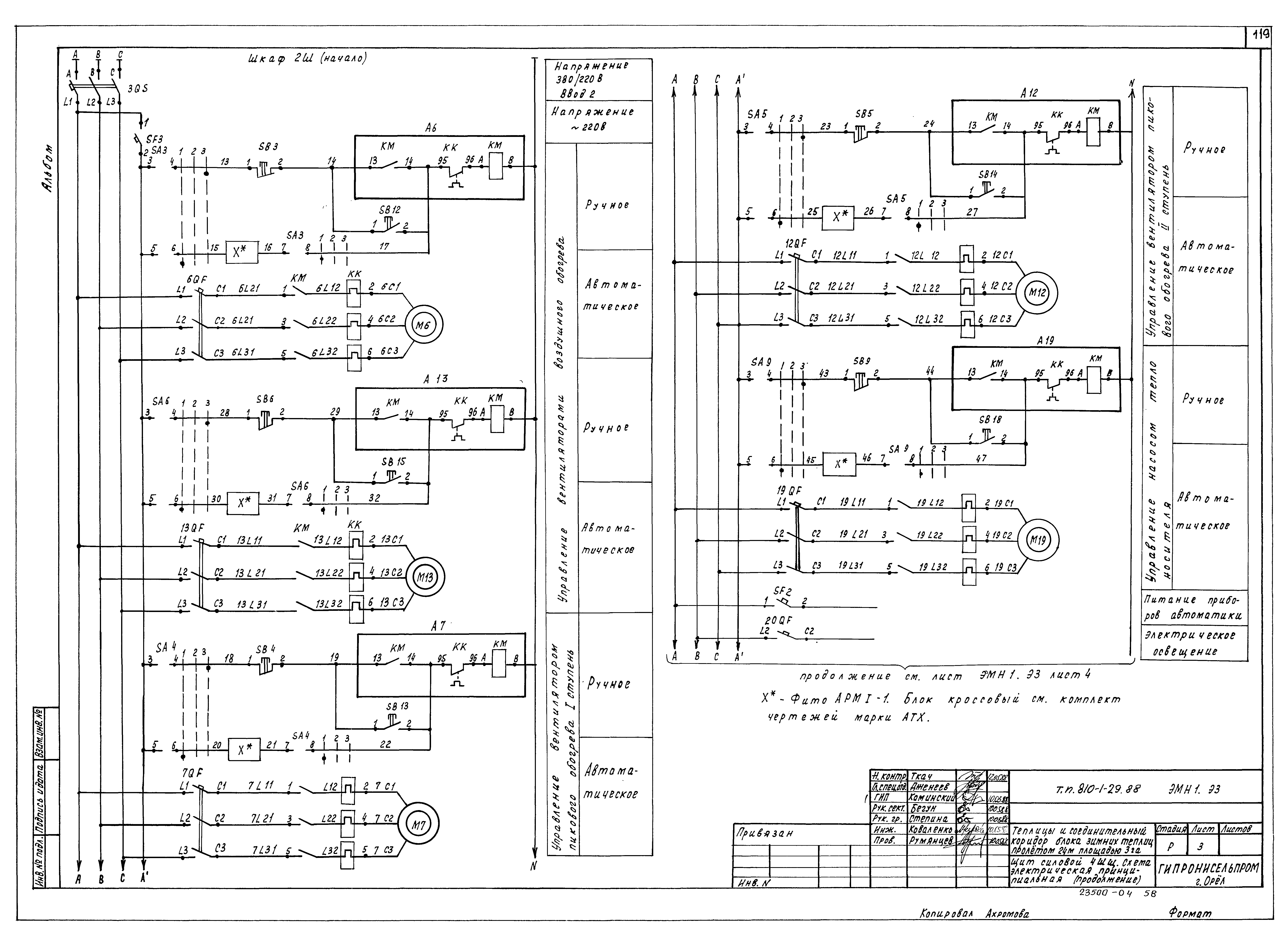
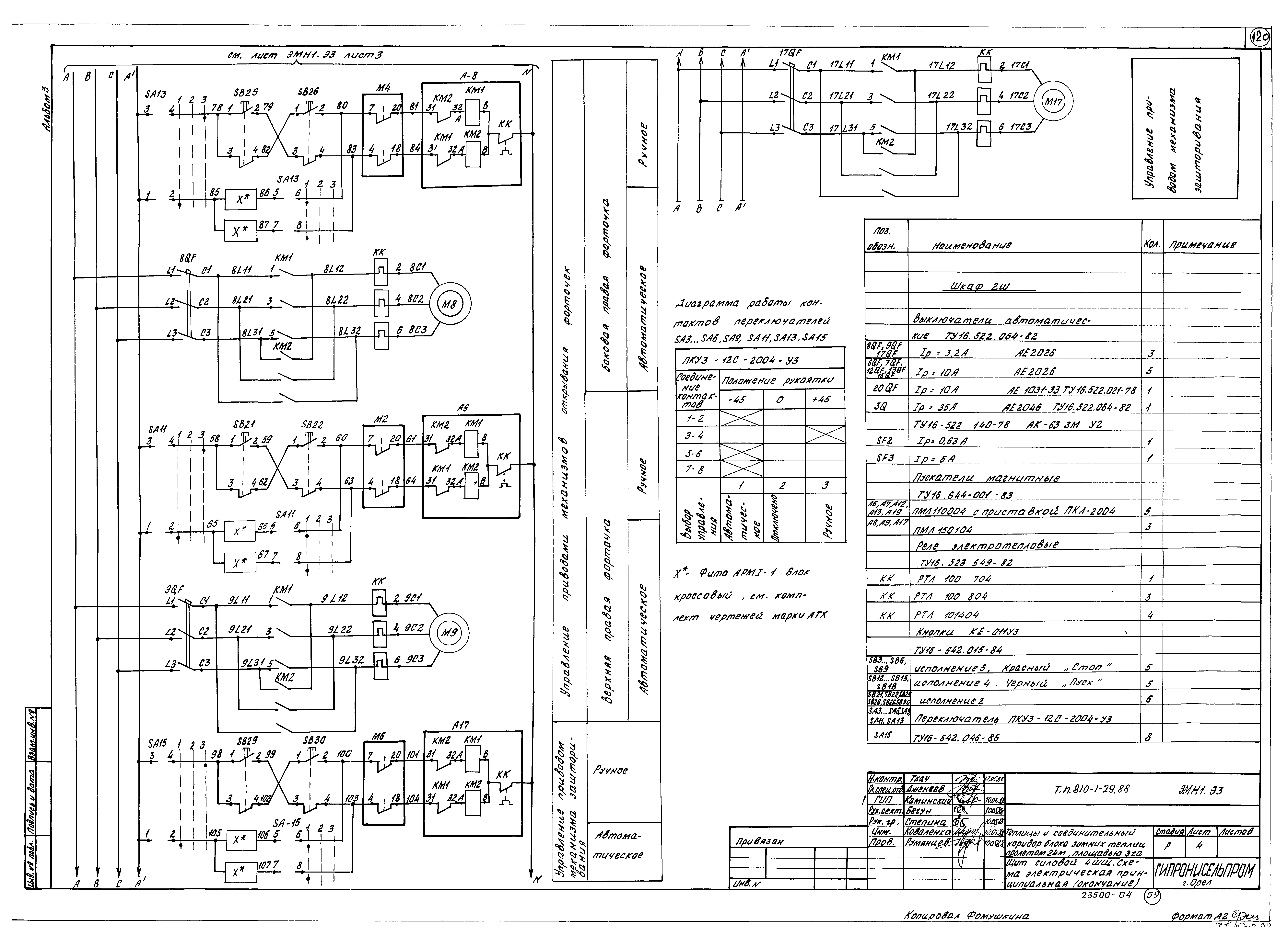
| Оглавление: | Часть 2. Водопровод и канализация ВК ТП 810-1-29.88 ВК Общие данные (начало) ТП 810-1-29.88 ВК Общие данные (продолжение) ТП 810-1-29.88 ВК Общие данные (окончание) ТП 810-1-29.88 ВК План теплиц и соединительного коридора на отм. 0.000 с сетями В3,В10,Я,КЗ ТП 810-1-29.88 ВК Фрагмент 1 с сетями В10,Я ТП 810-1-29.88 ВК Разрезы 1-1;2-2 ТП 810-1-29.88 ВК Схема систем В10,Я ТП 810-1-29.88 ВК Фрагмент 2 с сетями В3,В10,Я ТП 810-1-29.88 ВК Разрезы 1-1;2-2 ТП 810-1-29.88 ВК Схема систем В3,В10,Я ТП 810-1-29.88 ВК Фрагмент 1 с сетями В11 ТП 810-1-29.88 ВК Разрезы 1-1;2-2 ТП 810-1-29.88 ВК Схема системы В11 ТП 810-1-29.88 ВК Фрагмент 1 с сетями К3,К13 ТП 810-1-29.88 ВК Схема систем К3,К13. Узел 1. Схема размещения дренажных труб ТП 810-1-29.88 ВК Фрагмент 3 с сетями В3,В10,В11,Я,К3,К13 ТП 810-1-29.88 ВК Схема систем В3,В10,В11,Я ТП 810-1-29.88 ВК Схема систем К3,К13. Колодцы 1...В9. Таблица колодцев ТП 810-1-29.88 ВКН Эскизные чертежи общих видов нетиповых конструкций систем водоснабжения и канализации ВКМ ТП 810-1-29.88 ЭО Электрическое освещение ЭО ТП 810-1-29.88 ЭО Общие данные ТП 810-1-29.88 ЭО План сети электрического освещения теплицы 14 ТП 810-1-29.88 ЭО План сети электрического освещения теплицы 16 ТП 810-1-29.88 ЭО План сети электрического освещения соединительного коридора ТП 810-1-29.88 ЭО Узлы крепления ТП 810-1-29.88 ЭМ Силовое электрооборудование ЭМ ТП 810-1-29.88 ЭМ Общие данные ТП 810-1-29.88 ЭМ Теплица. План силовой электрической сети ТП 810-1-29.88 ЭМ Соединительный коридор. План силовой электрической сети ТП 810-1-29.88 ЭМ Спецификация оборудования к планам силовой сети ТП 810-1-29.88 ЭМ Расчетная схема ШР1...ШР16 (начало) ТП 810-1-29.88 ЭМ Расчетная схема ШР1...ШР16 (окончание) ТП 810-1-29.88 ЭМ Расчетная схема ШБ-1(ШРБ-3) ТП 810-1-29.88 ЭМ Расчетная схема ШРБ-2(ШРБ-4) ТП 810-1-29.88 ЭМ Узлы крепления электроаппаратуры ТП 810-1-29.88 ЭМН Эскизные чертежи общих видов нетиповых конструкций систем силового электрооборудования ЭМН ТП 810-1-29.88 ЭМ Опросный лист №1 ТП 810-1-29.88 ЭД Электродосвечивание ЭД ТП 810-1-29.88 ЭД Общие данные ТП 810-1-29.88 ЭД Вариант 1 (облучатели УОРТУ 2-3000). План сети электродосвечивания ТП 810-1-29.88 ЭД Вариант 1 (облучатели УОРТУ 2-3000). Разрезы 1-1;2-2. Вид А ТП 810-1-29.88 ЭД Вариант 1 (облучатели УОРТУ 2-3000). Расчетная схема 1ШРД(2ШРД) ТП 810-1-29.88 ЭД Вариант 2 (облучатели "Фотос-4"). План сети электродосвечивания ТП 810-1-29.88 ЭД Вариант 2 (облучатели "Фотос-4"). Виды А,Б,В,Г ТП 810-1-29.88 ЭД Вариант 2 (облучатели "Фотос-4"). Расчетные схемы РУ-1 (РУ-3),РУ-2(РУ-4) ТП 810-1-29.88 СС Связь и сигнализация СС ТП 810-1-29.88 СС Общие данные. План сети громкоговорящей связи ТП 810-1-29.88 СС Шкаф силовой ЧШЩ |
| Разработан: | Гипронисельпром Госагропрома СССР |
| Утверждён: | 15.07.1987 Госагропром СССР (USSR Gosagroprom 549) |


























































