Скачать Типовой проект 810-1-29.88 Альбом 4. Изделия строительныеДата актуализации: 01.01.2021
|
| Обозначение: | Типовой проект 810-1-29.88 |
| Обозначение англ: | 810-1-29.88 |
| Статус: | не определен законодательством |
| Название рус.: | Альбом 4. Изделия строительные |
| Дата добавления в базу: | 01.09.2013 |
| Дата актуализации: | 01.01.2021 |
| Дата введения: | 18.10.1988 |
| Дата окончания срока действия: | 30.06.2003 |
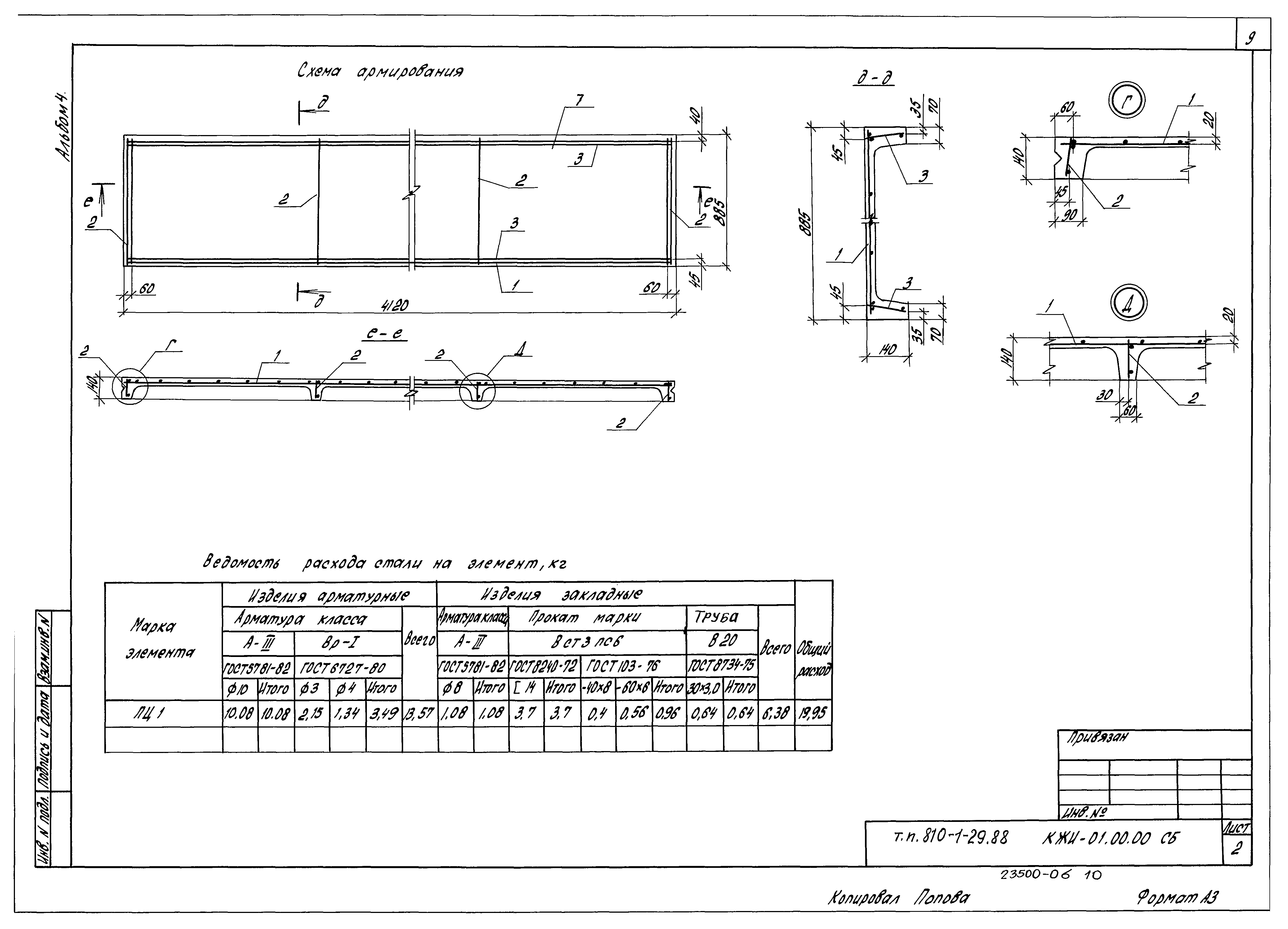
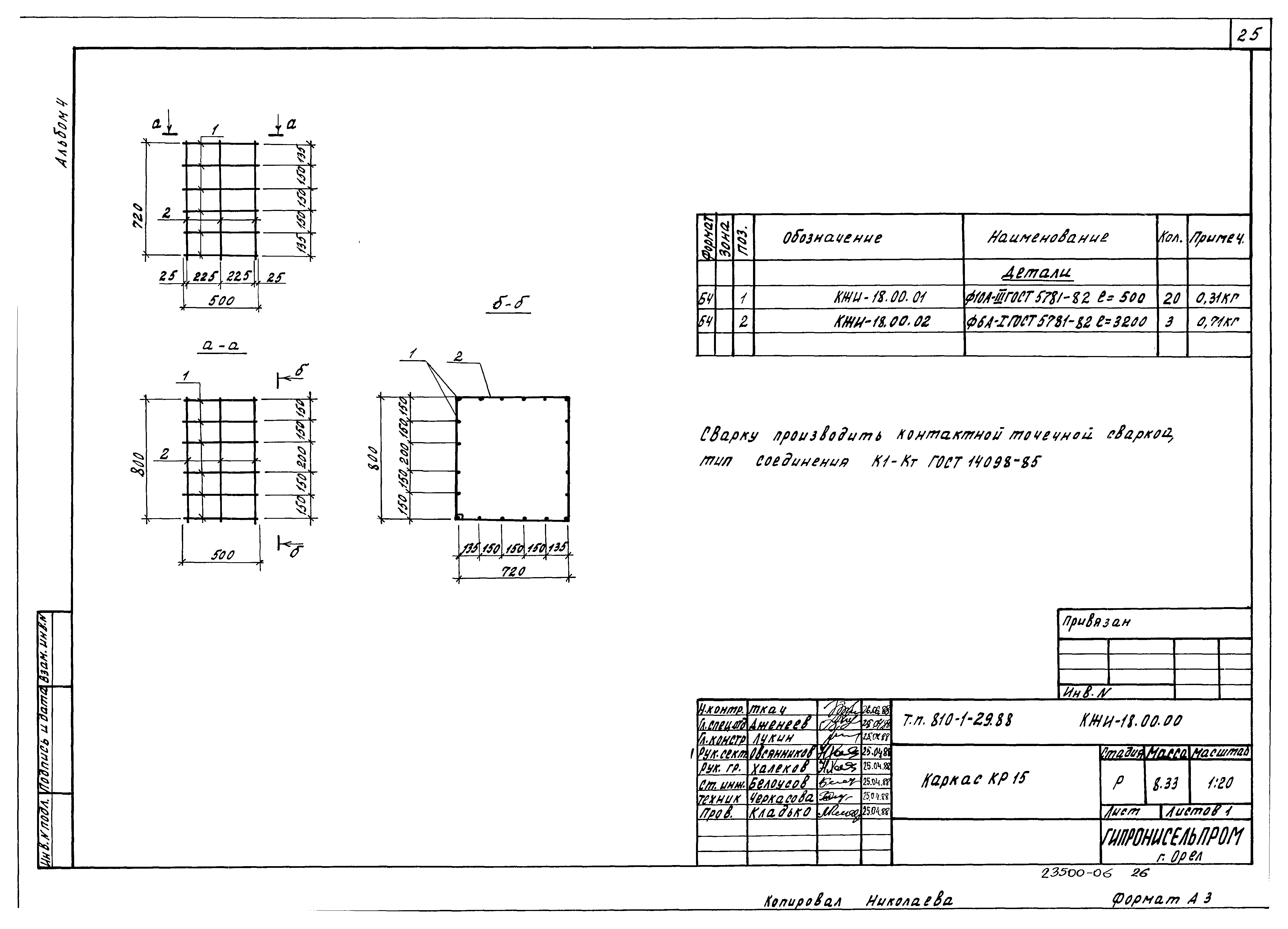
| Оглавление: | ТП 810-1-29.88 Содержание альбома ТП 810-1-29.88 АРИ01.00 Стойка С-1 ТП 810-1-29.88 АРИ02.00 Ригель Р-1 ТП 810-1-29.88 АРЦ-01.00 Стойка С-1. Сборочный чертеж ТП 810-1-29.88 АРЦ-02.00 Ригель Р-1. Сборочный чертеж ТП 810-1-29.88 АРЦ-02.01 Ригель (Р1-1,Р1-2) ТП 810-1-29.88 АРЦ-03.00 Прогон П-1 ТП 810-1-29.88 АРЦ-04.00 Изделие закладное М1 ТП 810-1-29.88 КЖИ-01.00.00СБ Панель цокольная ПЦ1. Сборочный чертеж ТП 810-1-29.88 КЖИ-01.00.00 Панель цокольная ПЦ1 ТП 810-1-29.88 КЖИ-01.01.00 Сетка С1 ТП 810-1-29.88 КЖИ-01.02.00 Каркас (КР1,КР2) ТП 810-1-29.88 КЖИ-01.03.00 Изделие закладное МН1 ТП 810-1-29.88 КЖИ-01.04.00 Изделие закладное МН2 ТП 810-1-29.88 КЖИ-02.00.00 Каркас (КР3...КР5) ТП 810-1-29.88 КЖИ-03.00.00 Каркас (КР6,КР7) ТП 810-1-29.88 КЖИ-04.00.00 Каркас (КР8...КР10) ТП 810-1-29.88 КЖИ-05.00.00 Каркас КР11 ТП 810-1-29.88 КЖИ-06.00.00 Каркас КР12 ТП 810-1-29.88 КЖИ-07.00.00 Каркас КР13 ТП 810-1-29.88 КЖИ-07.01.00 Сетка С2 ТП 810-1-29.88 КЖИ-08.00.00 Каркас КР14 ТП 810-1-29.88 КЖИ-09.00.00 Сетка С3 ТП 810-1-29.88 КЖИ-10.00.00 Сетка С4 ТП 810-1-29.88 КЖИ-11.00.00 Сетка С5 ТП 810-1-29.88 КЖИ-12.00.00 Сетка (С6,С7) ТП 810-1-29.88 КЖИ-13.00.00 Сетка (С8...С11) ТП 810-1-29.88 КЖИ-14.00.00 Деталь монтажная (МД1,МД2) ТП 810-1-29.88 КЖИ-15.00.00 Анкер (А1,А2) ТП 810-1-29.88 КЖИ-16.00.00 Сетка (С12,С13) ТП 810-1-29.88 КЖИ-17.00.00 Сетка (С14...С17) ТП 810-1-29.88 КЖИ-18.00.00 Каркас КР15 ТП 810-1-29.88 КЖИ-19.00.00 Каркас КР16 |
| Разработан: | Гипронисельпром Госагропрома СССР |
| Утверждён: | 15.07.1987 Госагропром СССР (USSR Gosagroprom 549) |


























