Скачать Типовой проект 810-1-29.88 Альбом 5. Механизм вентиляции теплиц. Механизм зашторивания кровли теплиц. Механизм приспускания растений. Тележка для сбора овощей. Система подвески монорельсовДата актуализации: 01.01.2021
|
| Обозначение: | Типовой проект 810-1-29.88 |
| Обозначение англ: | 810-1-29.88 |
| Статус: | не определен законодательством |
| Название рус.: | Альбом 5. Механизм вентиляции теплиц. Механизм зашторивания кровли теплиц. Механизм приспускания растений. Тележка для сбора овощей. Система подвески монорельсов |
| Дата добавления в базу: | 01.09.2013 |
| Дата актуализации: | 01.01.2021 |
| Дата введения: | 18.10.1988 |
| Дата окончания срока действия: | 30.06.2003 |
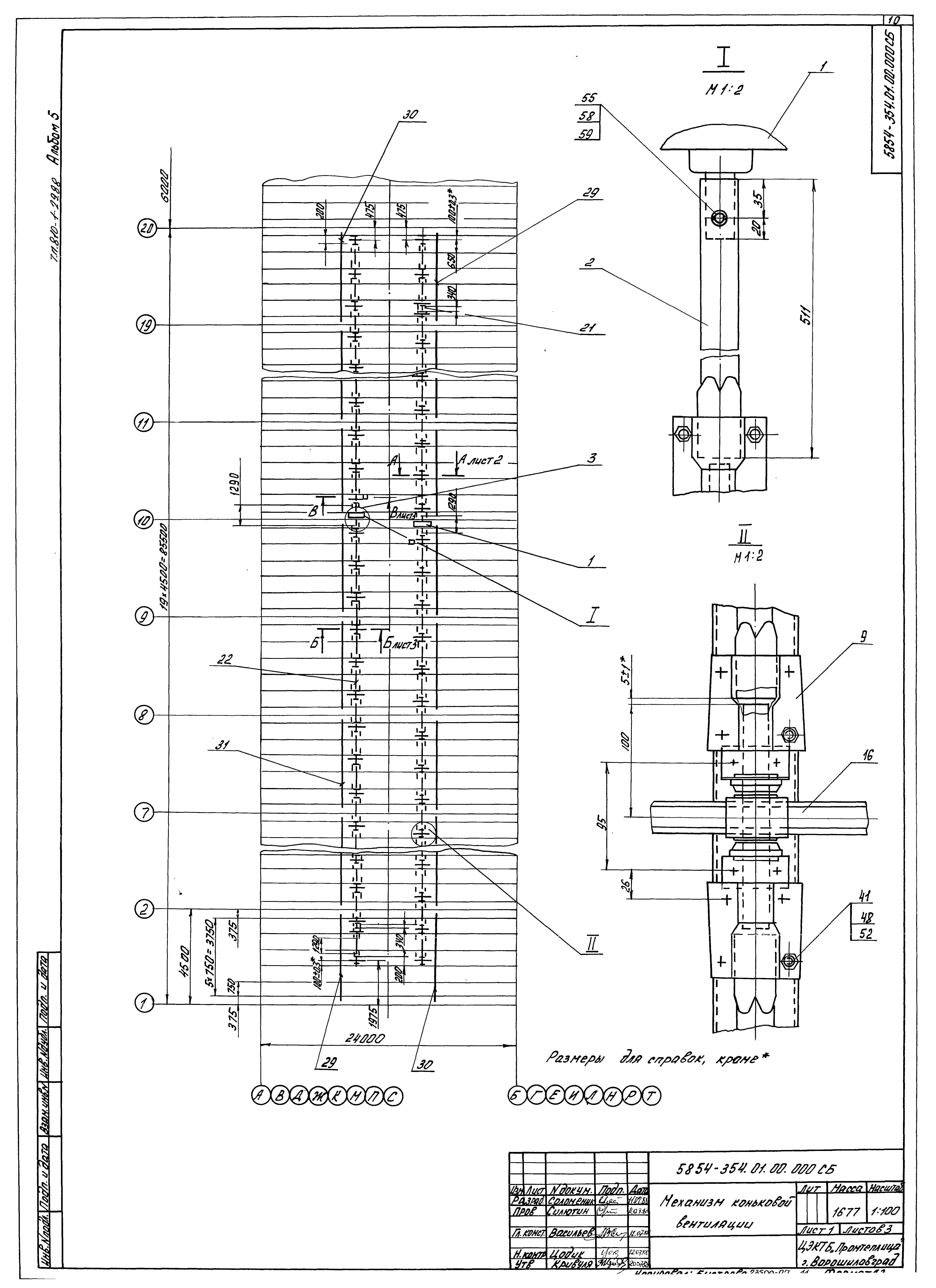
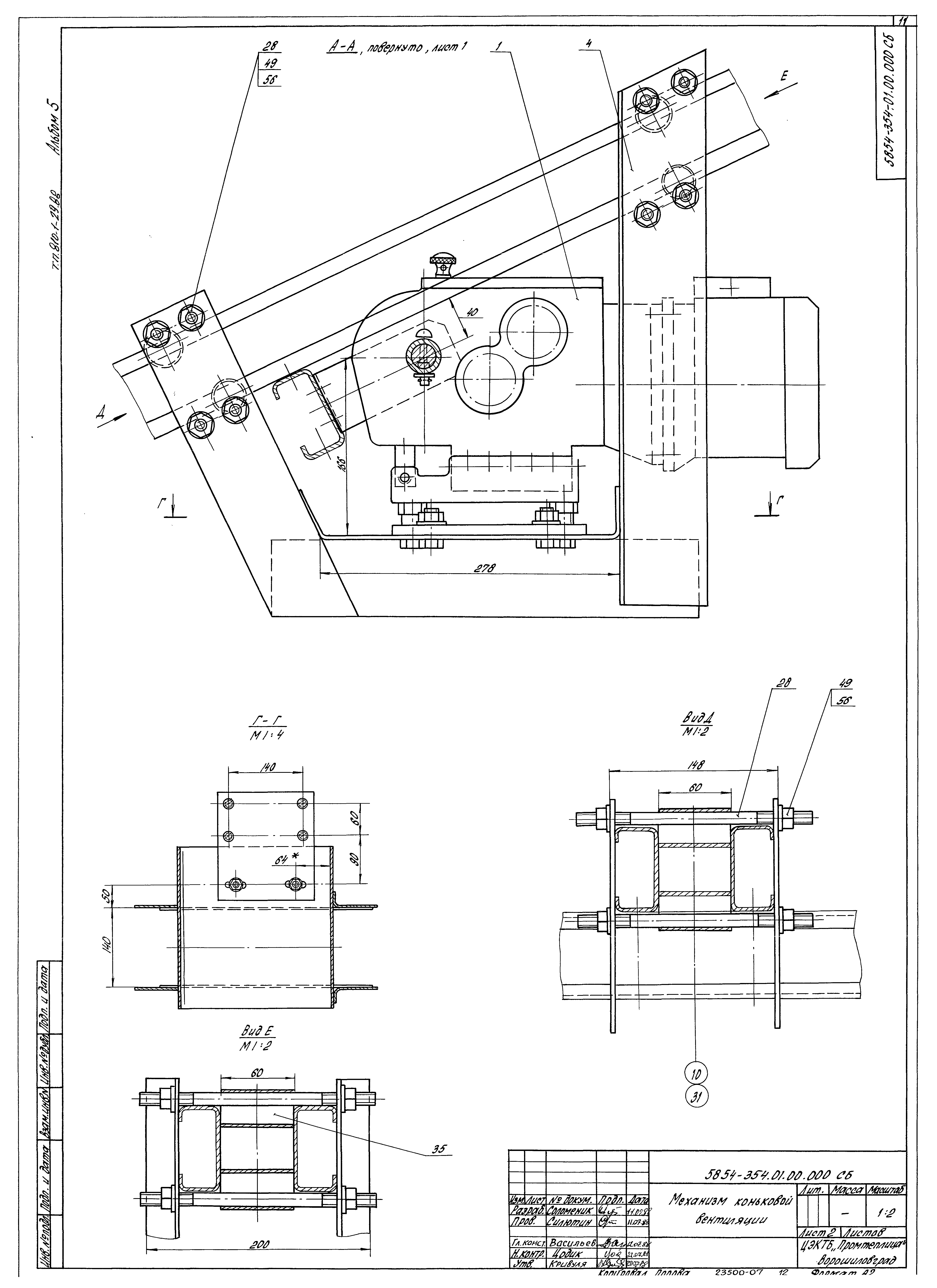
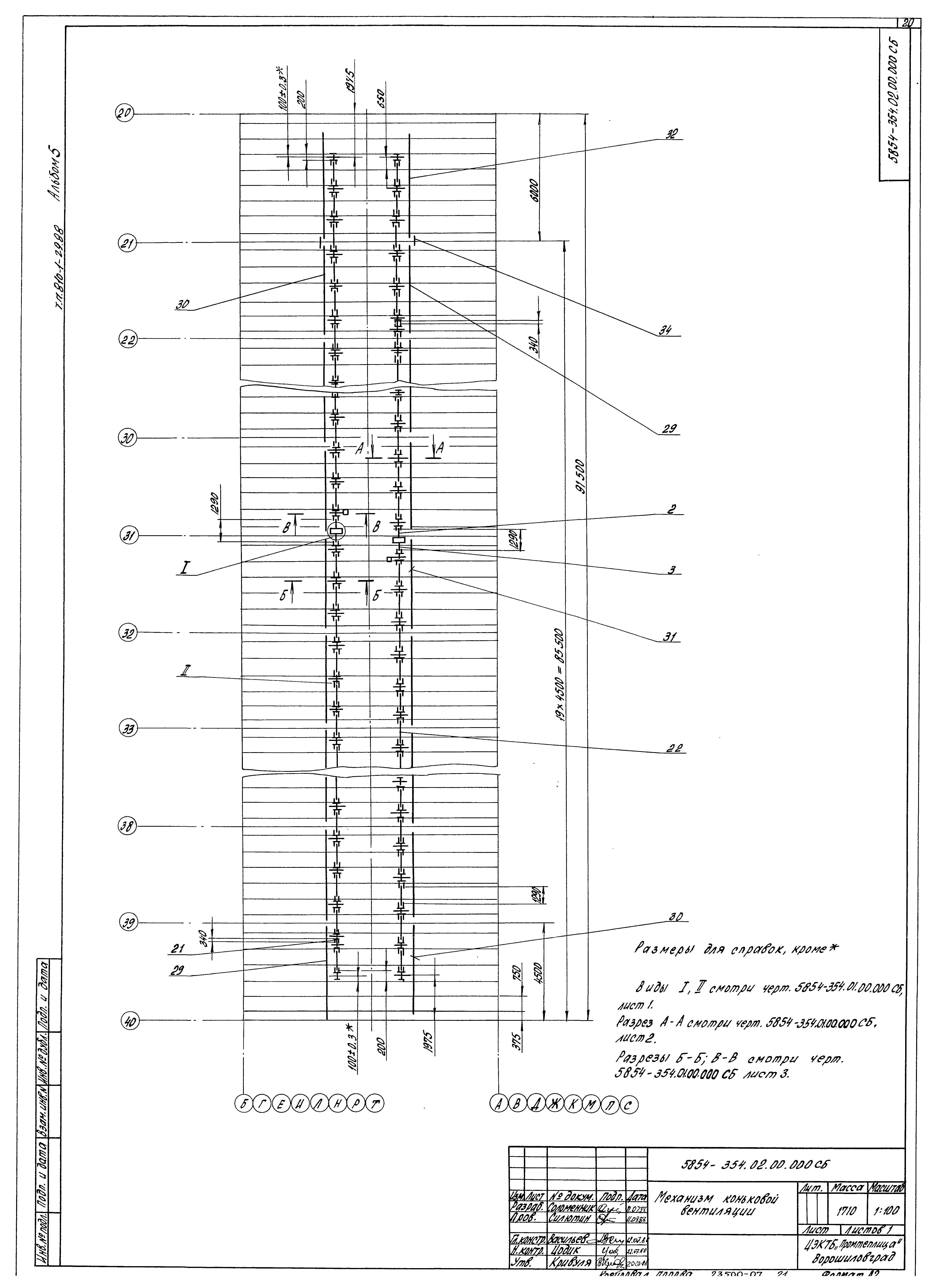
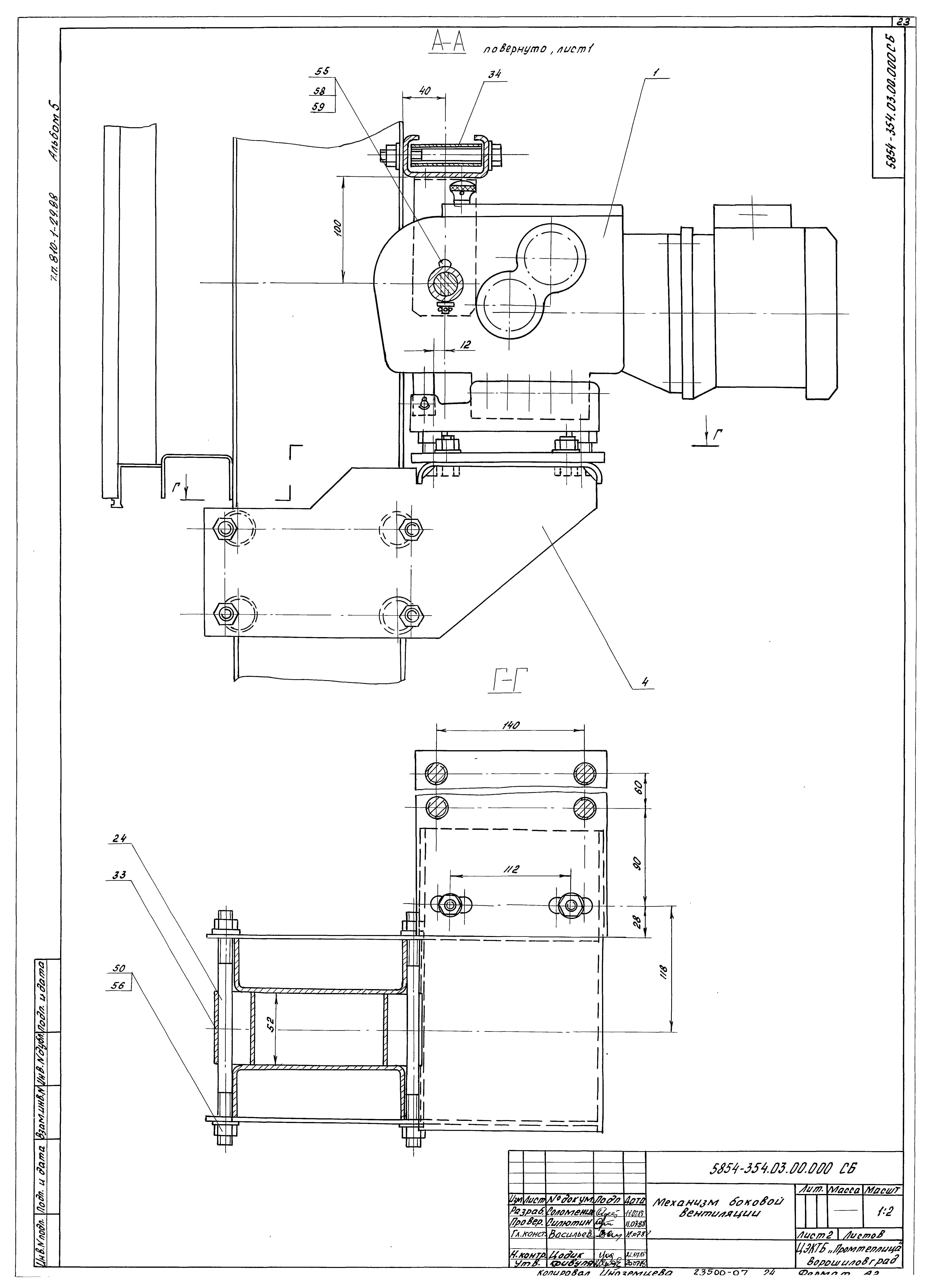
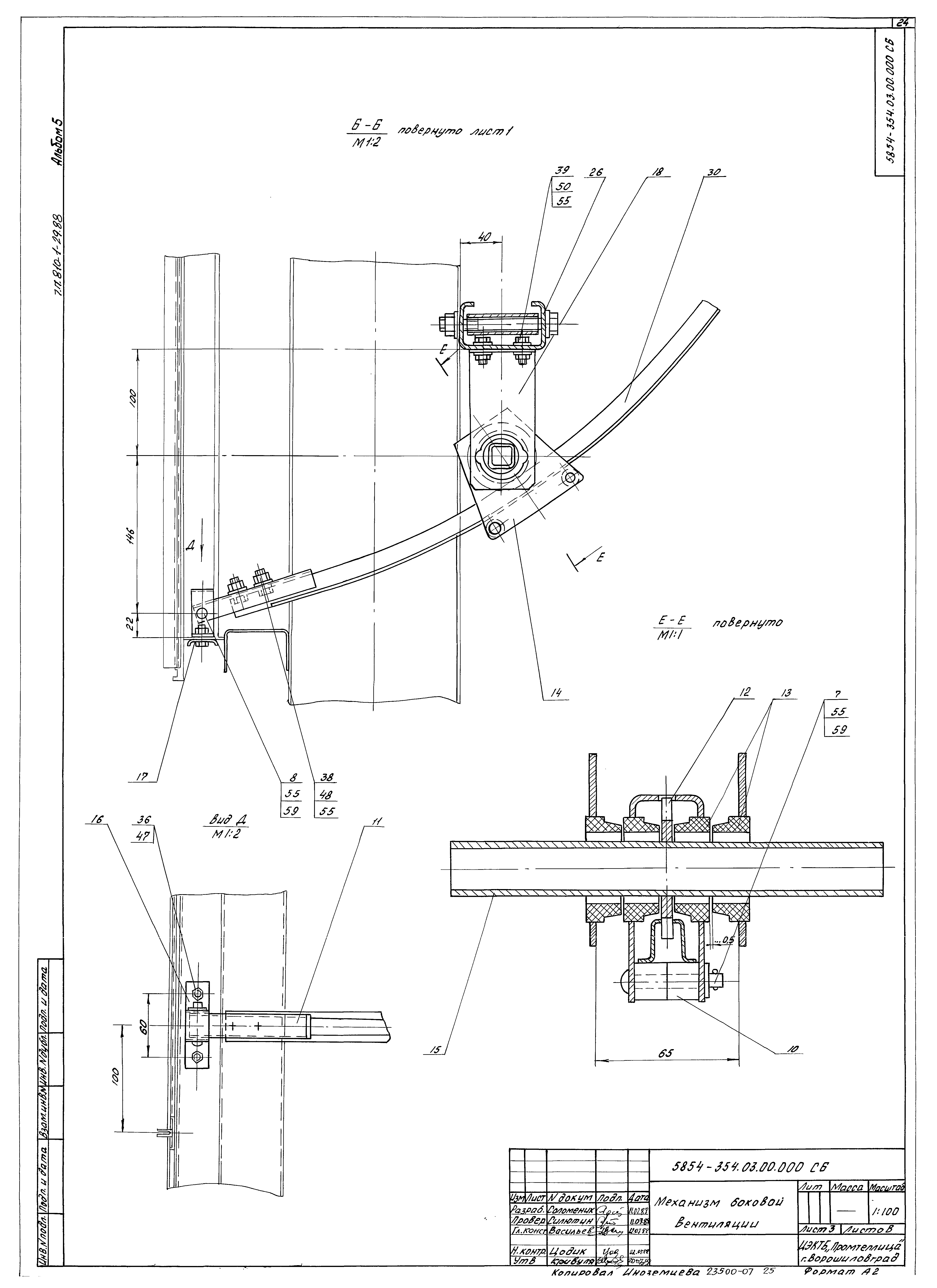
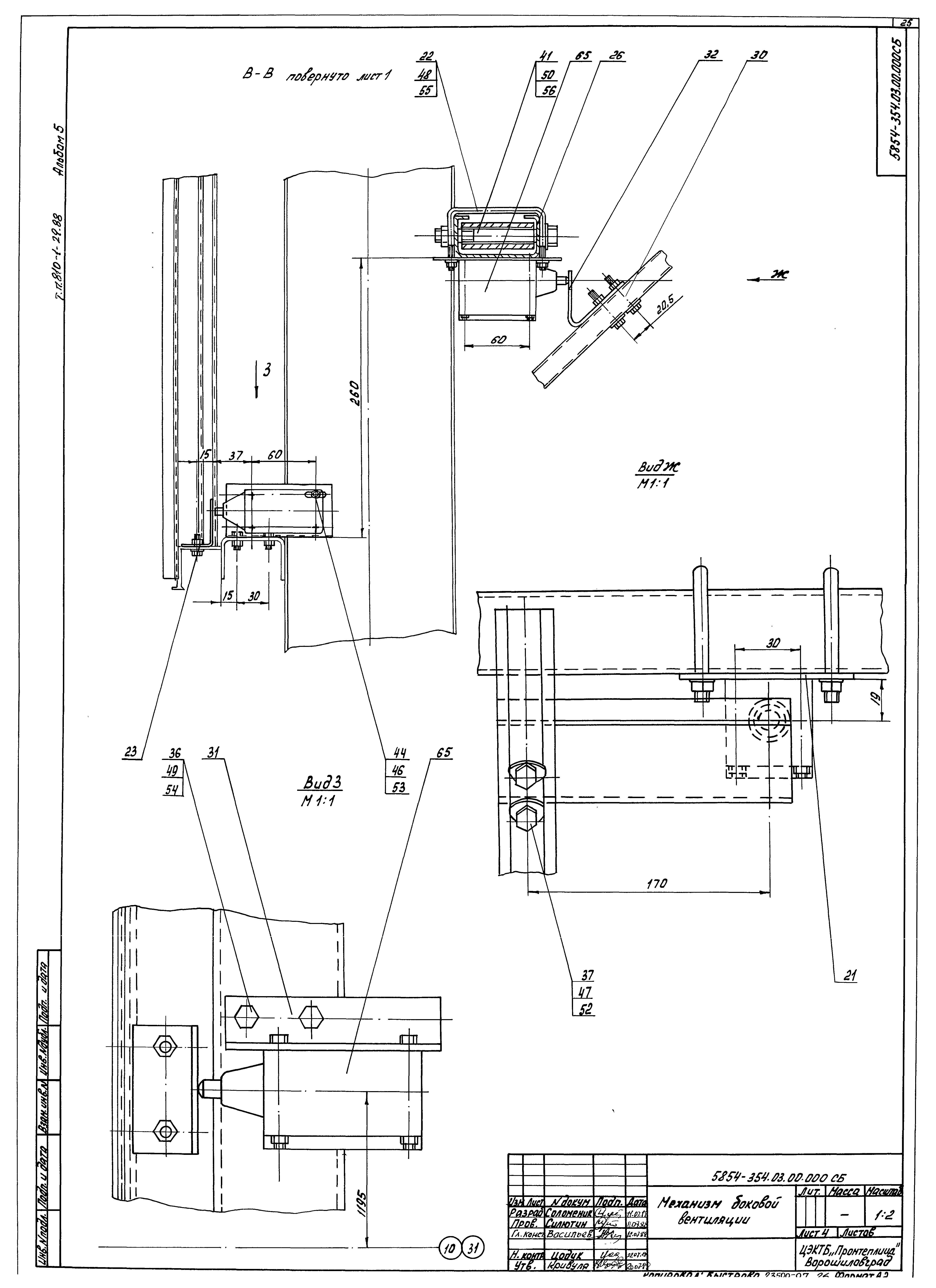
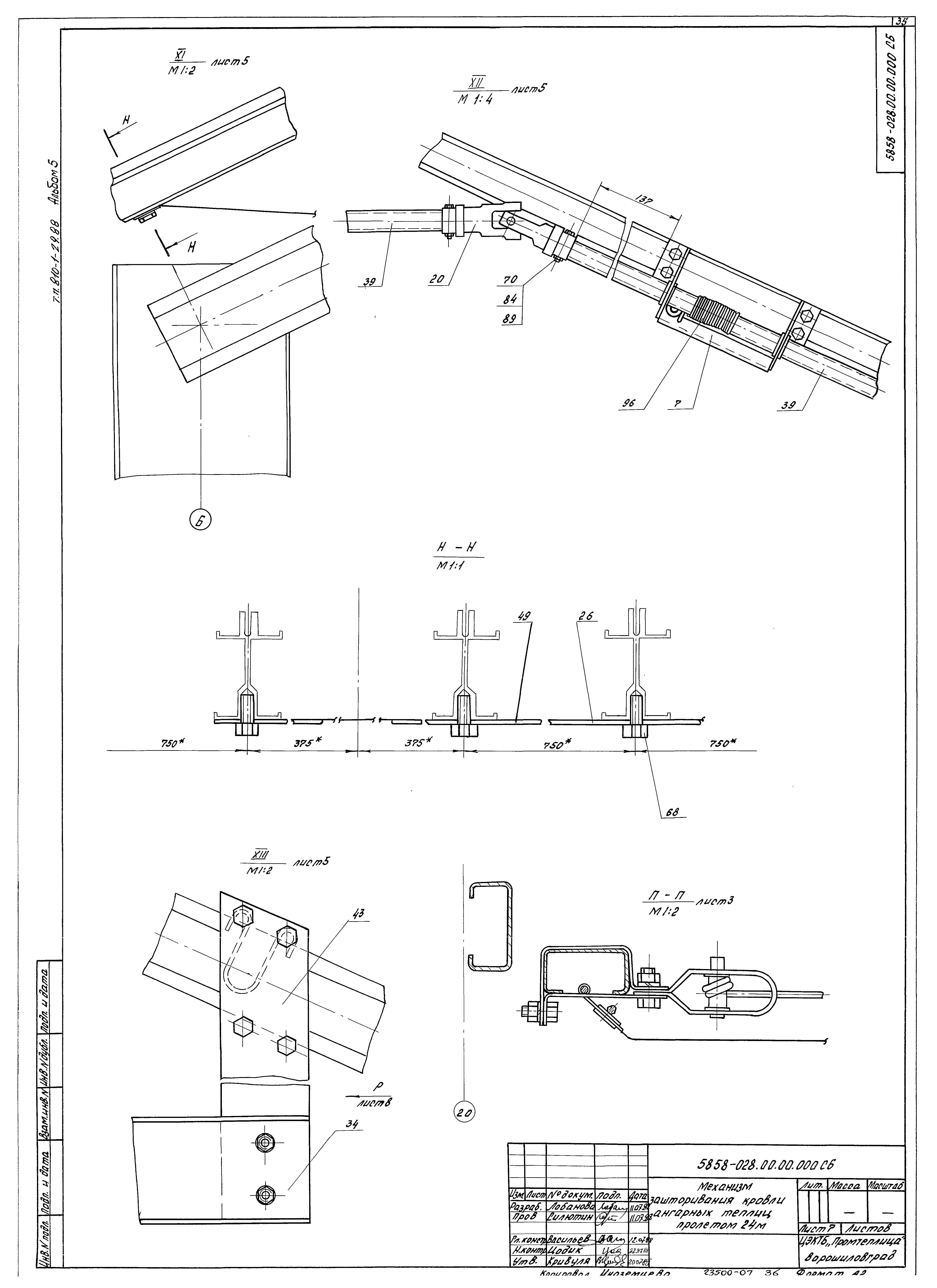
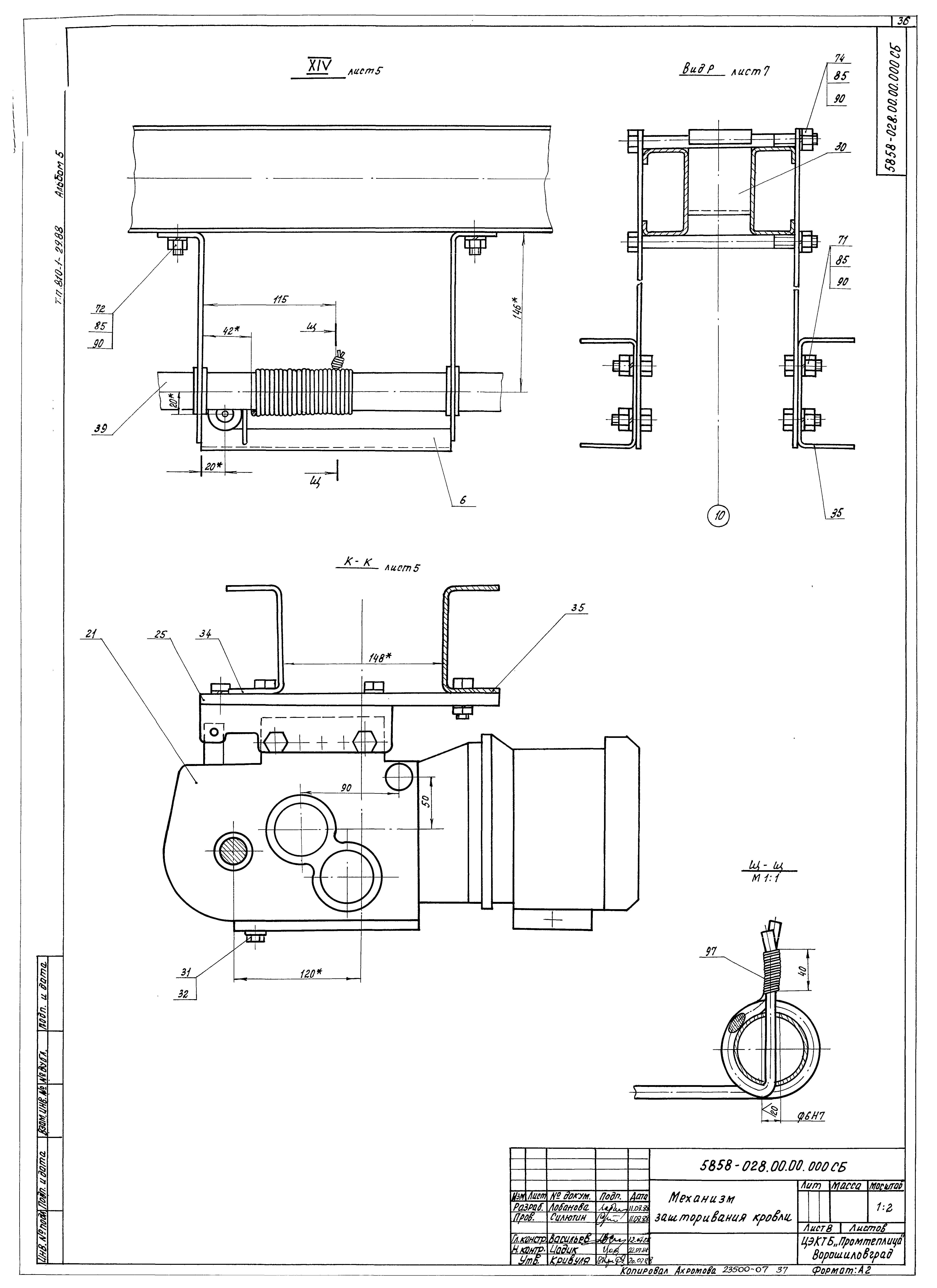
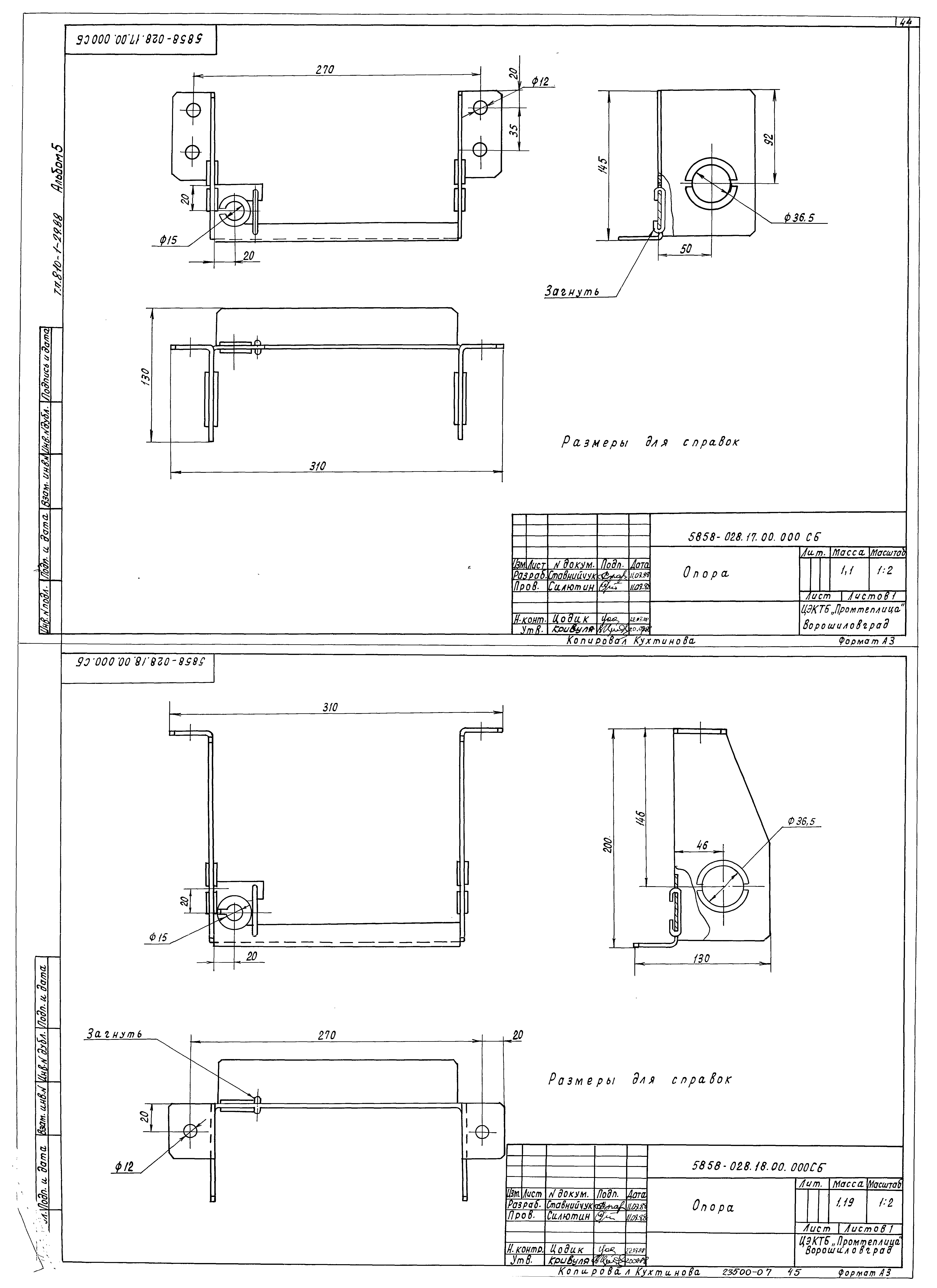
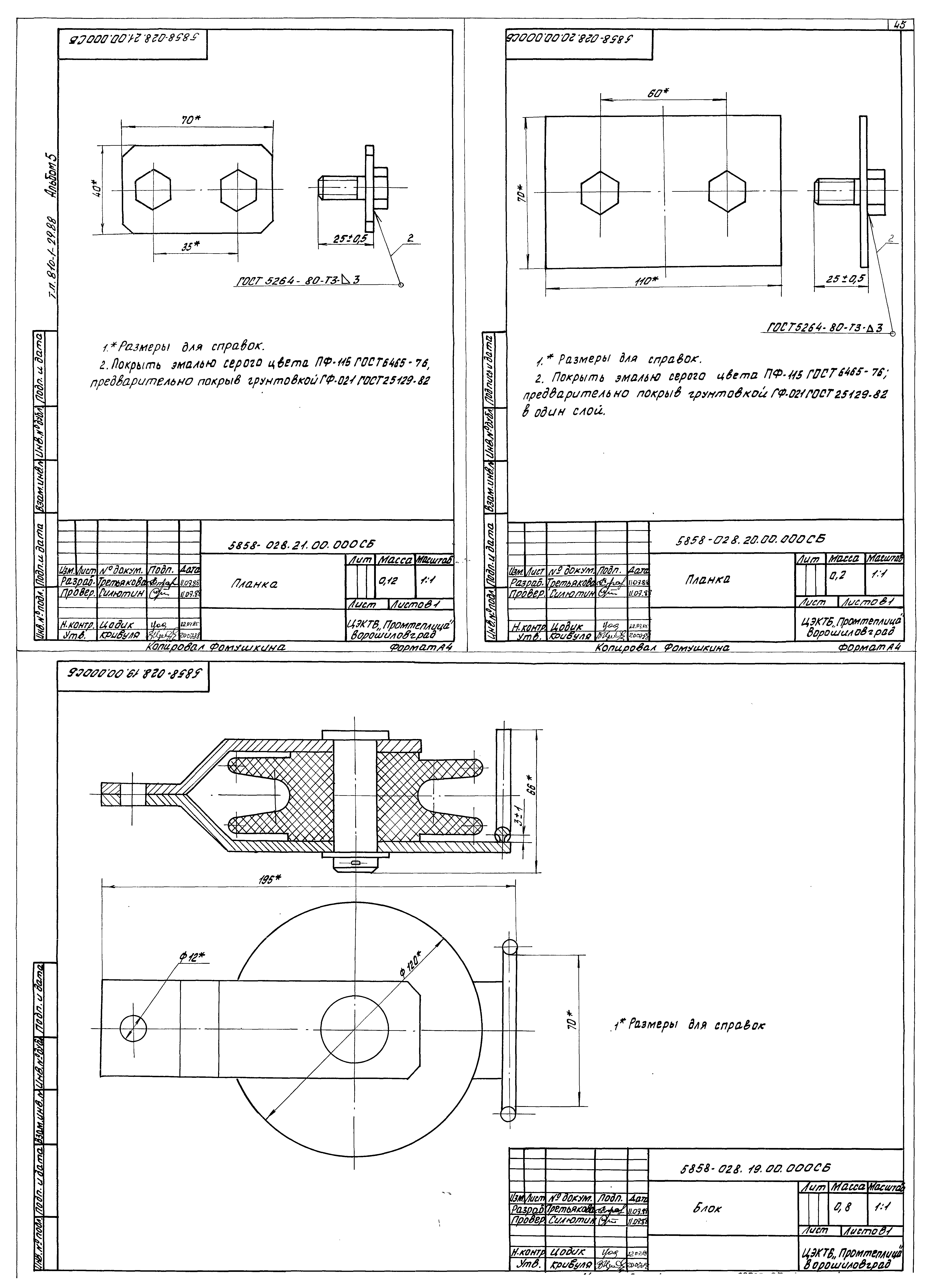
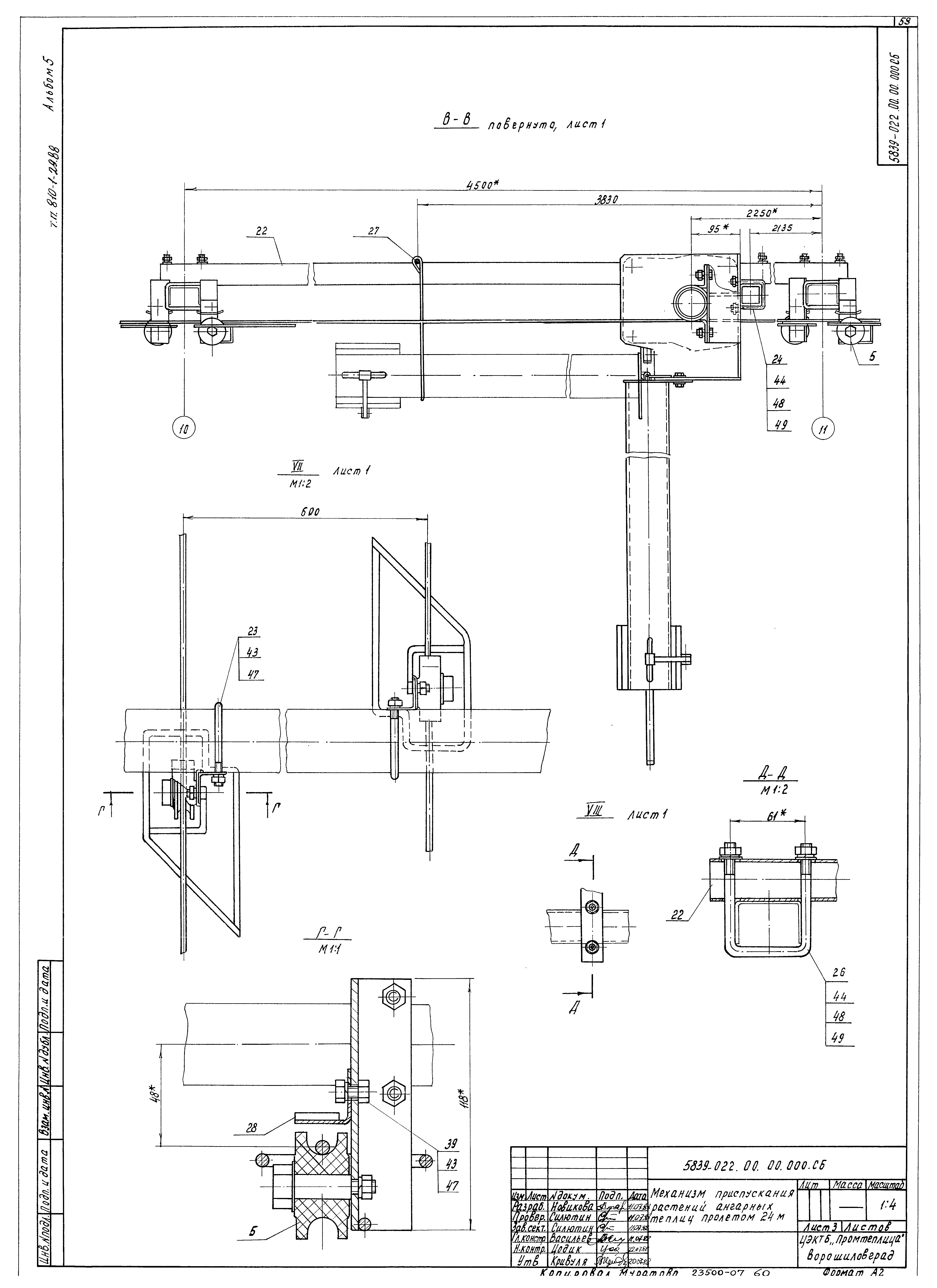
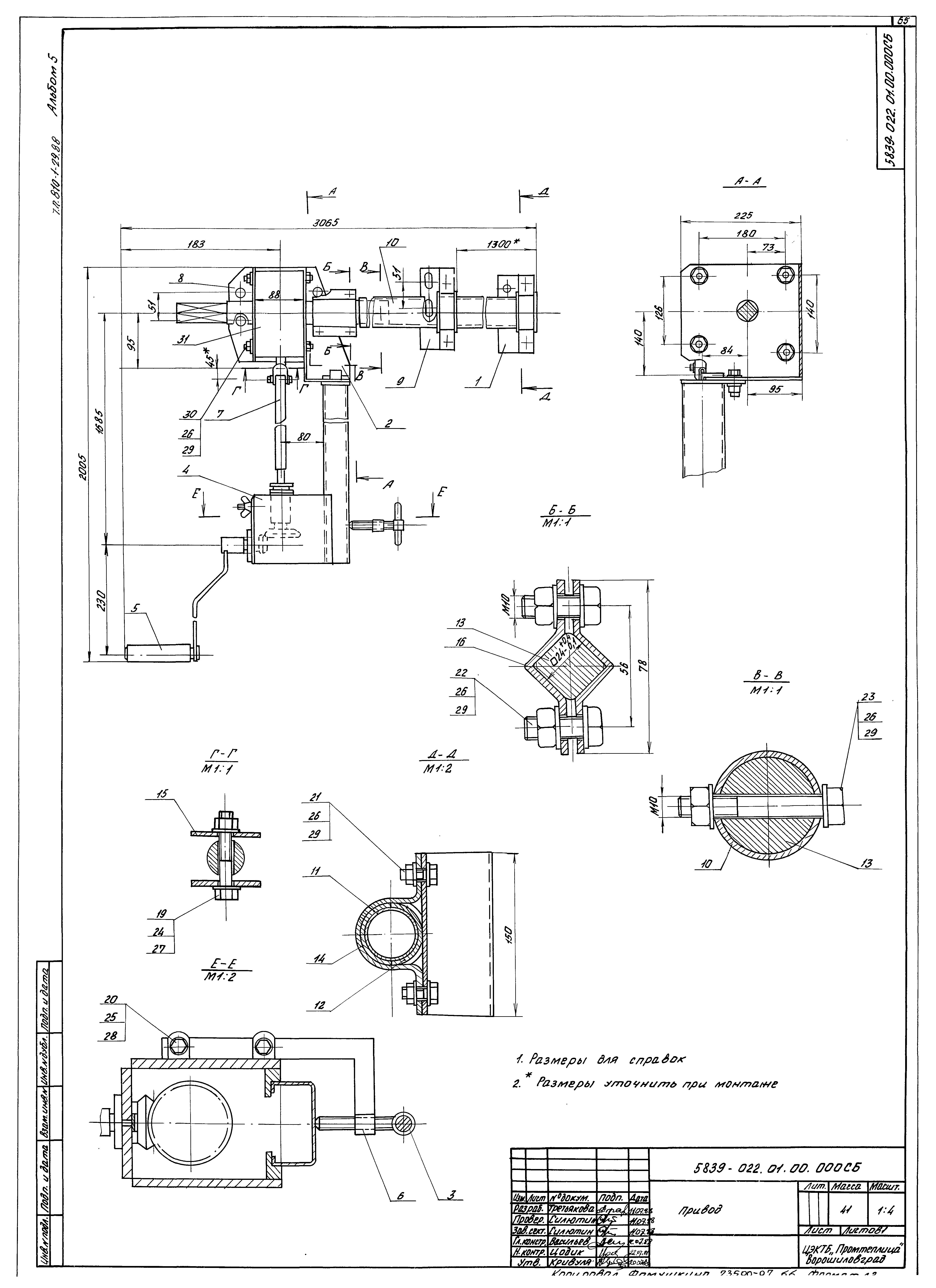
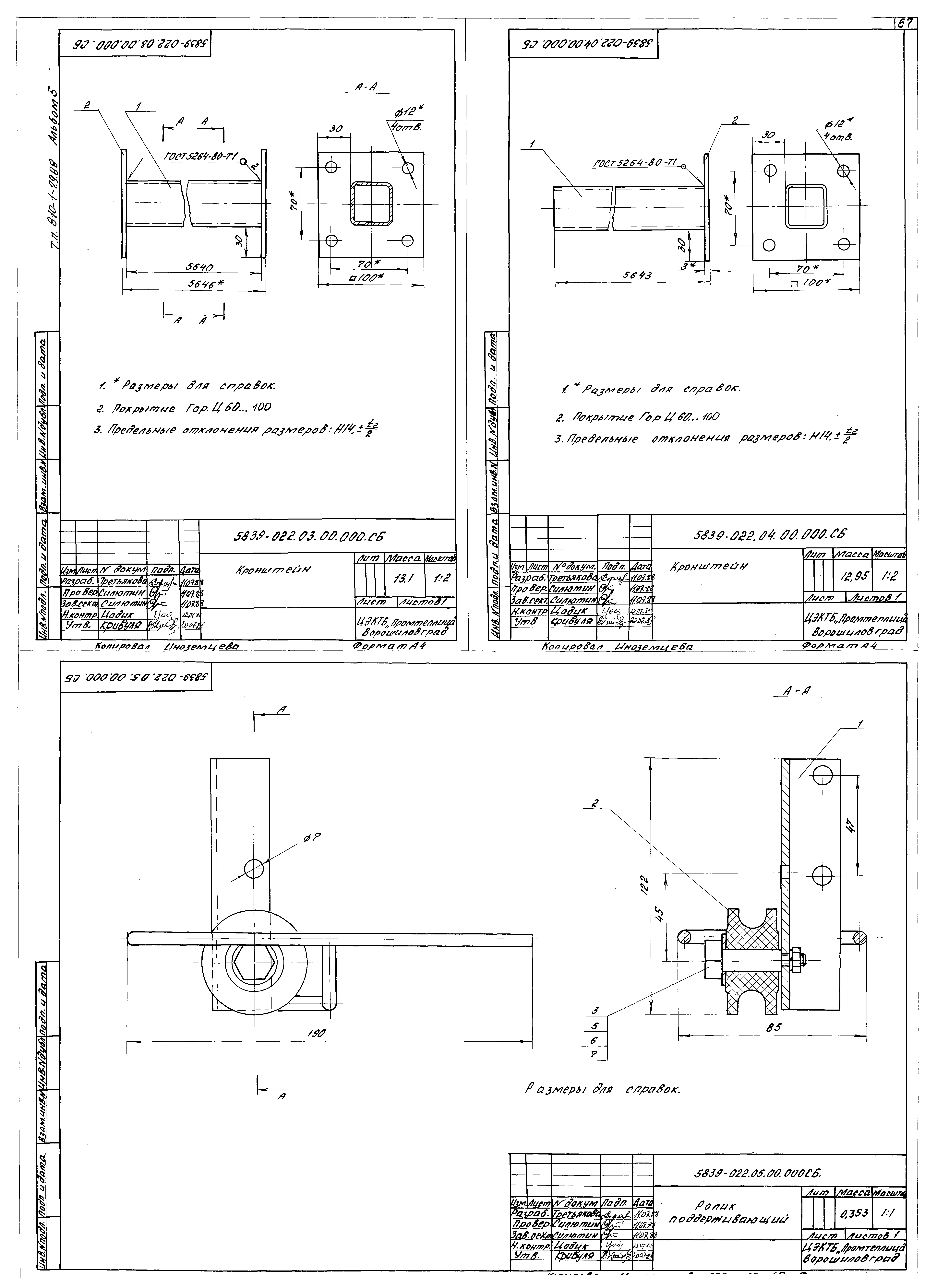
| Оглавление: | ТП 810-1-29.88 5854-354.00.00.000 Механизм вентиляции блока зимних теплиц пролетом 24 м площадью 3 ед. Спецификация ТП 810-1-29.88 5854-354.00.00.000 СБ Механизм вентиляции блока зимних теплиц пролетом 24 м площадью 3 ед. Сборочный чертеж ТП 810-1-29.88 5854-354.ИМ Механизм вентиляции ангарной теплицы пролетом 24 м. Инструкция по монтажу, пуску, регулированию и обкатке изделия на месте его применения ТП 810-1-29.88 5854-354.01.00.000 Механизм коньковой вентиляции. Спецификация ТП 810-1-29.88 5854-354.01.000 СБ Механизм коньковой вентиляции. Сборочный чертеж ТП 810-1-29.88 5854-354.01.01.000 СБ Вал в сборе ТП 810-1-29.88 5854-354.01.02.000 СБ Кронштейн ТП 810-1-29.88 5854-354.01.00.001 Рейка ТП 810-1-29.88 5854-354.01.00.002 Втулка ТП 810-1-29.88 5854-354.01.00.003 Кронштейн ТП 810-1-29.88 5854-354.01.00.004 Шайба ТП 810-1-29.88 5854-354.01.00.005 Кронштейн ТП 810-1-29.88 5854-354.01.00.006 Вал ТП 810-1-29.88 5854-354.01.00.007 Плита ТП 810-1-29.88 5854-354.01.00.008 Плита ТП 810-1-29.88 5854-354.01.00.009 Скоба ТП 810-1-29.88 5854-354.01.00.010 Упор ТП 810-1-29.88 5854-354.01.00.011 Упор ТП 810-1-29.88 5854-354.01.00.012 Шпилька ТП 810-1-29.88 5854-354.01.00.013 Прогон ТП 810-1-29.88 5854-354.01.00.014 Прогон ТП 810-1-29.88 5854-354.01.00.015 Прогон ТП 810-1-29.88 5854-354.01.00.017 Вкладыш ТП 810-1-29.88 5854-354.02.00.000 Механизм коньковой вентиляции. Спецификация ТП 810-1-29.88 5854-354.02.00.000 СБ Механизм коньковой вентиляции. Сборочный чертеж ТП 810-1-29.88 5854-354.03.00.000 Механизм боковой вентиляции. Спецификация ТП 810-1-29.88 5854-354.03.00.000 СБ Механизм боковой вентиляции. Сборочный чертеж ТП 810-1-29.88 5854-354.03.01.000 СБ Кронштейн ТП 810-1-29.88 5854-354.03.00.001 Рейка ТП 810-1-29.88 5854-354.03.00.002 Стойка ТП 810-1-29.88 5854-354.03.00.003 Упор ТП 810-1-29.88 5858-028.00.00.000 Механизм зашторивания кровли ангарных теплиц пролетом 24 м. Спецификация ТП 810-1-29.88 5858-028.00.00.000 СБ Механизм зашторивания кровли ангарных теплиц пролетом 24 м. Сборочный чертеж ТП 810-1-29.88 5858-028.00.00.000 ИЭ Механизм зашторивания кровли ангарных теплиц пролетом 24 м. Инструкция по эксплуатации ТП 810-1-29.88 5858-028.014.00.000 СБ Балка ТП 810-1-29.88 5858-028.015.00.000 СБ Балка ТП 810-1-29.88 5858-028.016.00.000 СБ Ползун ТП 810-1-29.88 5858-028.017.00.000 СБ Опора ТП 810-1-29.88 5858-028.18.00.000 СБ Опора ТП 810-1-29.88 5858-028.19.00.000 СБ Блок ТП 810-1-29.88 5858-028.20.00.000 СБ Планка ТП 810-1-29.88 5858-028.21.00.000 СБ Планка ТП 810-1-29.88 5858-028.22.00.000 СБ Опора ТП 810-1-29.88 5858-028.23.00.000 СБ Опора ТП 810-1-29.88 5858-028.24.00.000 СБ Балка ТП 810-1-29.88 5858-028.00.00.025 Плита ТП 810-1-29.88 5858-028.00.00.026 Планка ТП 810-1-29.88 5858-028.00.00.027 Штора ТП 810-1-29.88 5858-028.00.00.028 Кронштейн ТП 810-1-29.88 5858-028.00.00.029 Винт ТП 810-1-29.88 5858-028.00.00.030 Вкладыш ТП 810-1-29.88 5858-028.00.00.031 Пробка ТП 810-1-29.88 5858-028.00.00.032 Прокладка ТП 810-1-29.88 5858-028.00.00.033 Упор ТП 810-1-29.88 5858-028.00.00.034 Балка ТП 810-1-29.88 5858-028.00.00.035 Балка ТП 810-1-29.88 5858-028.00.00.036 Кнопка ТП 810-1-29.88 5858-028.00.00.037 Шайба ТП 810-1-29.88 5858-028.00.00.038 Вал ТП 810-1-29.88 5858-028.00.00.039 Муфта ТП 810-1-29.88 5858-028.00.00.040 Кронштейн ТП 810-1-29.88 5858-028.00.00.041 Труба ТП 810-1-29.88 5858-028.00.00.042 Переходник ТП 810-1-29.88 5858-027.02.00.000 СБ Шарнир М31-2 ТП 810-1-29.88 5858-027.00.00.002 Муфта М31-36 ТП 810-1-29.88 5858-027.00.00.007 Скоба М31-41 ТП 810-1-29.88 5858-027.00.00.008 Уголок М31-42 ТП 810-1-29.88 5858-016.017 СБ Устройство натяжное ТП 810-1-29.88 5858-016.111 Подвеска ТП 810-1-29.88 5858-016.112-02 Зажим ТП 810-1-29.88 5839-022.00.00.000 Механизм приспускания растений ангарных теплиц пролетом 24 м. Спецификация ТП 810-1-29.88 5839-022.00.00.000 СБ Механизм приспускания растений ангарных теплиц пролетом 24 м. Сборочный чертеж ТП 810-1-29.88 5839-022.00.00.000 ИЭ Инструкция по эксплуатации ТП 810-1-29.88 5839-022.01.00.000 Привод ТП 810-1-29.88 5839-022.02.00.000 Привод ТП 810-1-29.88 5839-022.03.00.000 Кронштейн ТП 810-1-29.88 5839-022.04.00.000 Кронштейн ТП 810-1-29.88 5839-022.05.00.000 Ролик поддерживающий ТП 810-1-29.88 5839-022.06.00.000 Ролики поворотные ТП 810-1-29.88 5839-022.07.00.000 Трос в сборе ТП 810-1-29.88 5839-022.08.00.000 Стеллаж ТП 810-1-29.88 5839-022.00.00.001 Кронштейн ТП 810-1-29.88 5839-022.00.00.002 Скоба ТП 810-1-29.88 5839-022.00.00.003 Петля ТП 810-1-29.88 5839-022.00.00.004 Уголок ТП 810-1-29.88 5839-022.00.00.005 Платик ТП 810-1-29.88 5839-022.00.00.016 Кольцо |
| Разработан: | ЦЭКТБ Промтеплица Госагропрома СССР |
| Утверждён: | 15.07.1987 Госагропром СССР (USSR Gosagroprom 549) |







































































