Скачать Типовой проект 810-1-30.88 Альбом 10. Строительные изделияДата актуализации: 01.01.2021
|
| Обозначение: | Типовой проект 810-1-30.88 |
| Обозначение англ: | 810-1-30.88 |
| Статус: | не определен законодательством |
| Название рус.: | Альбом 10. Строительные изделия |
| Дата добавления в базу: | 01.09.2013 |
| Дата актуализации: | 01.01.2021 |
| Дата введения: | 07.12.1988 |
| Дата окончания срока действия: | 30.06.2003 |
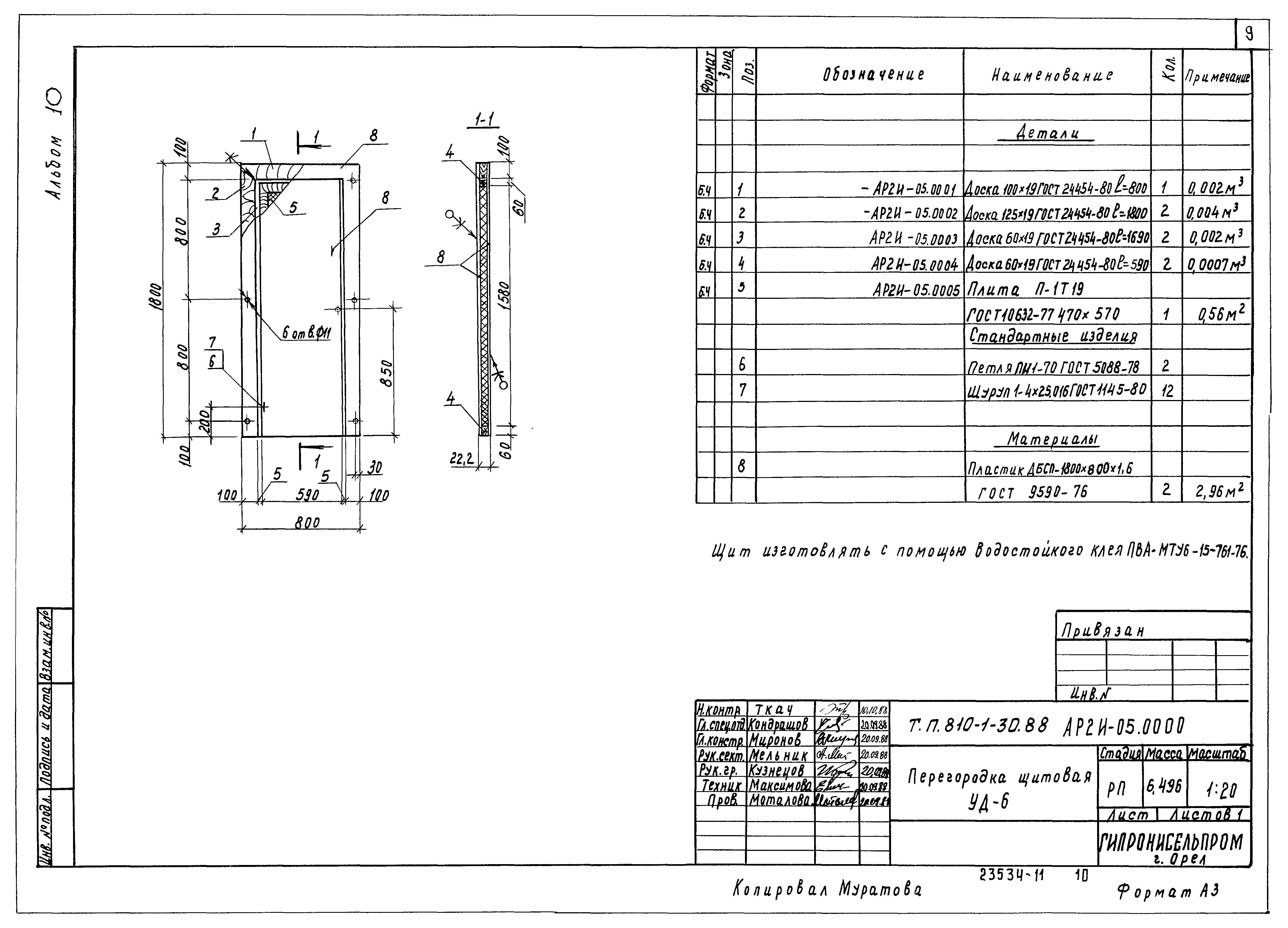
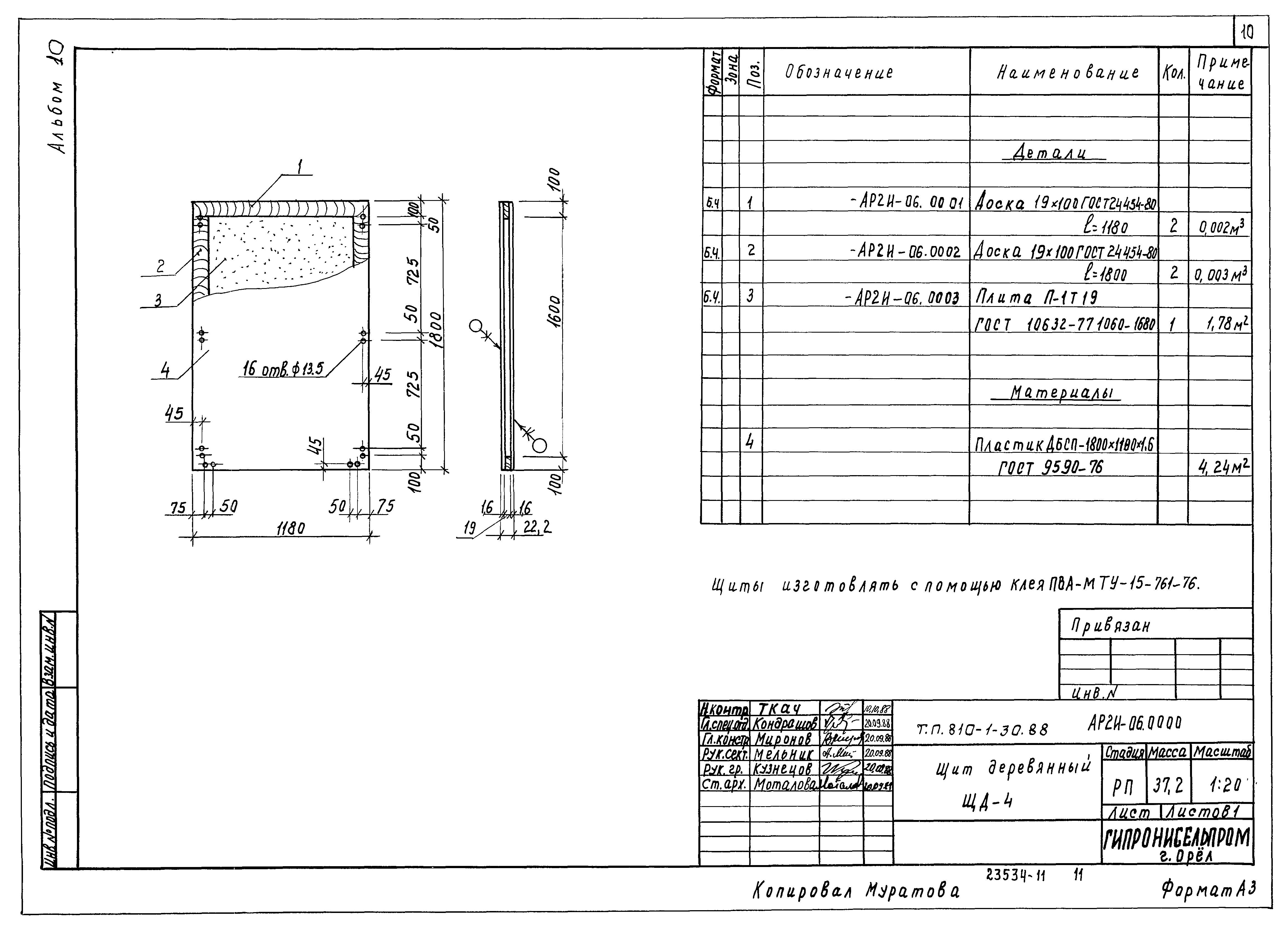
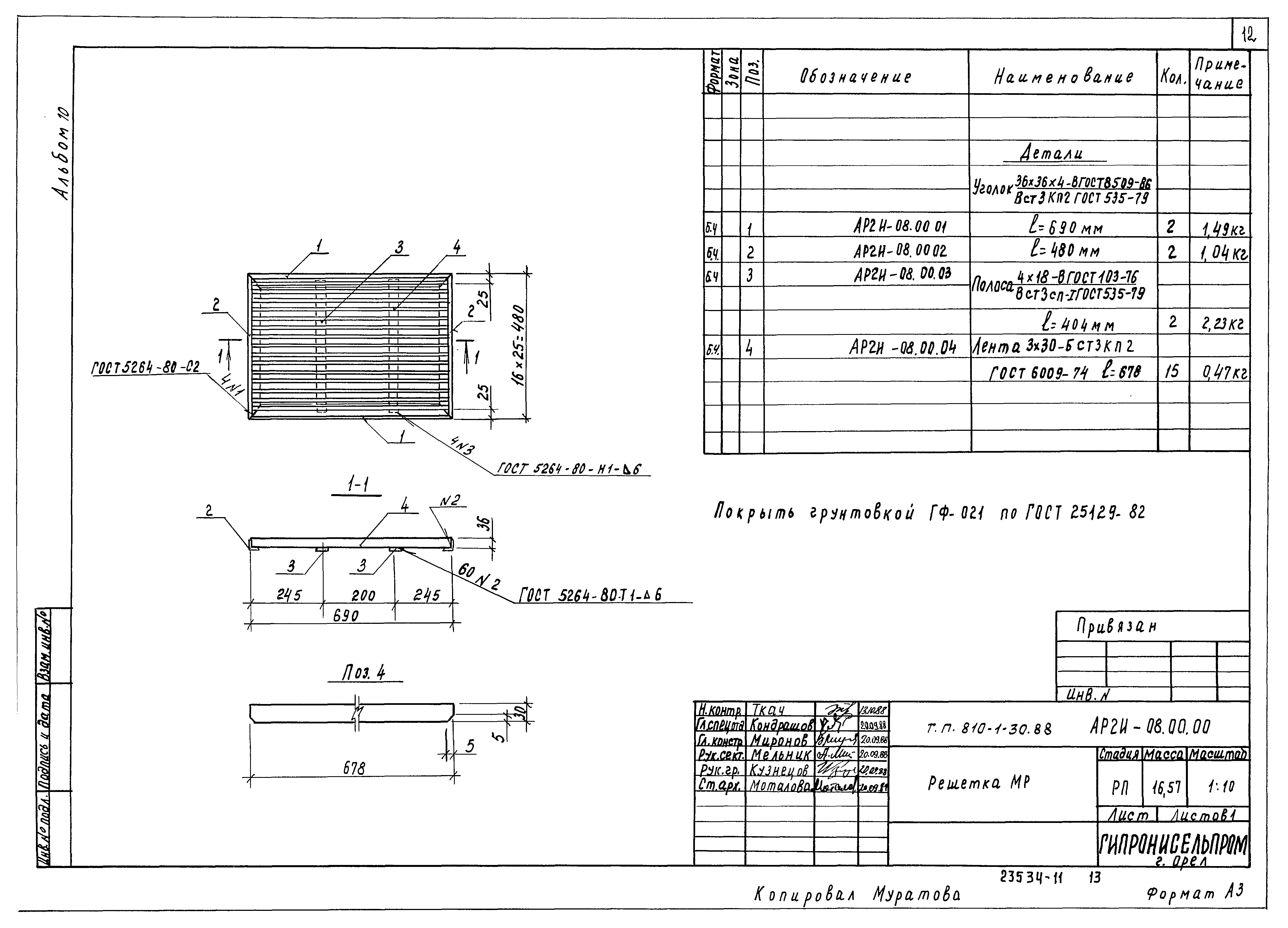
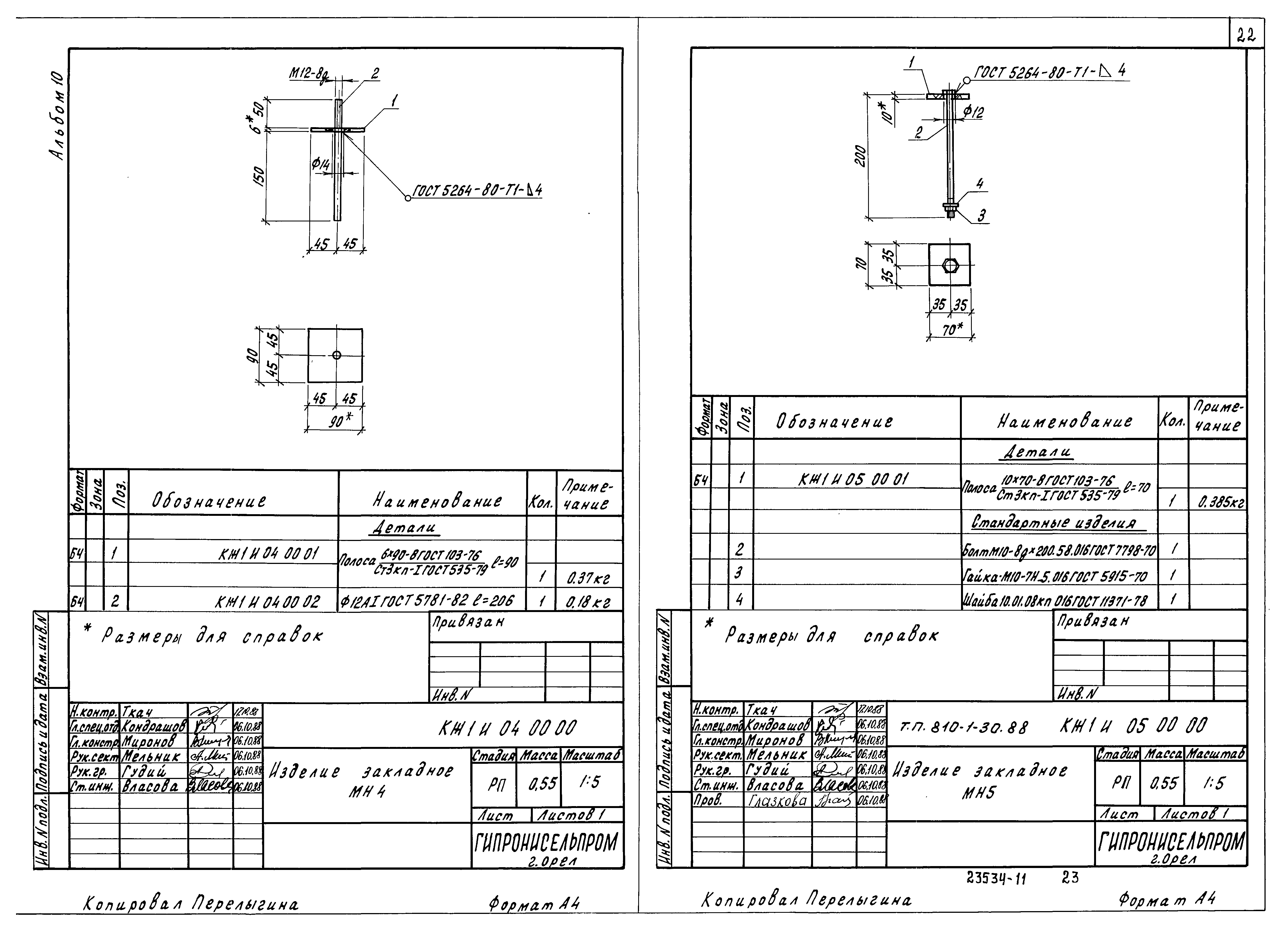
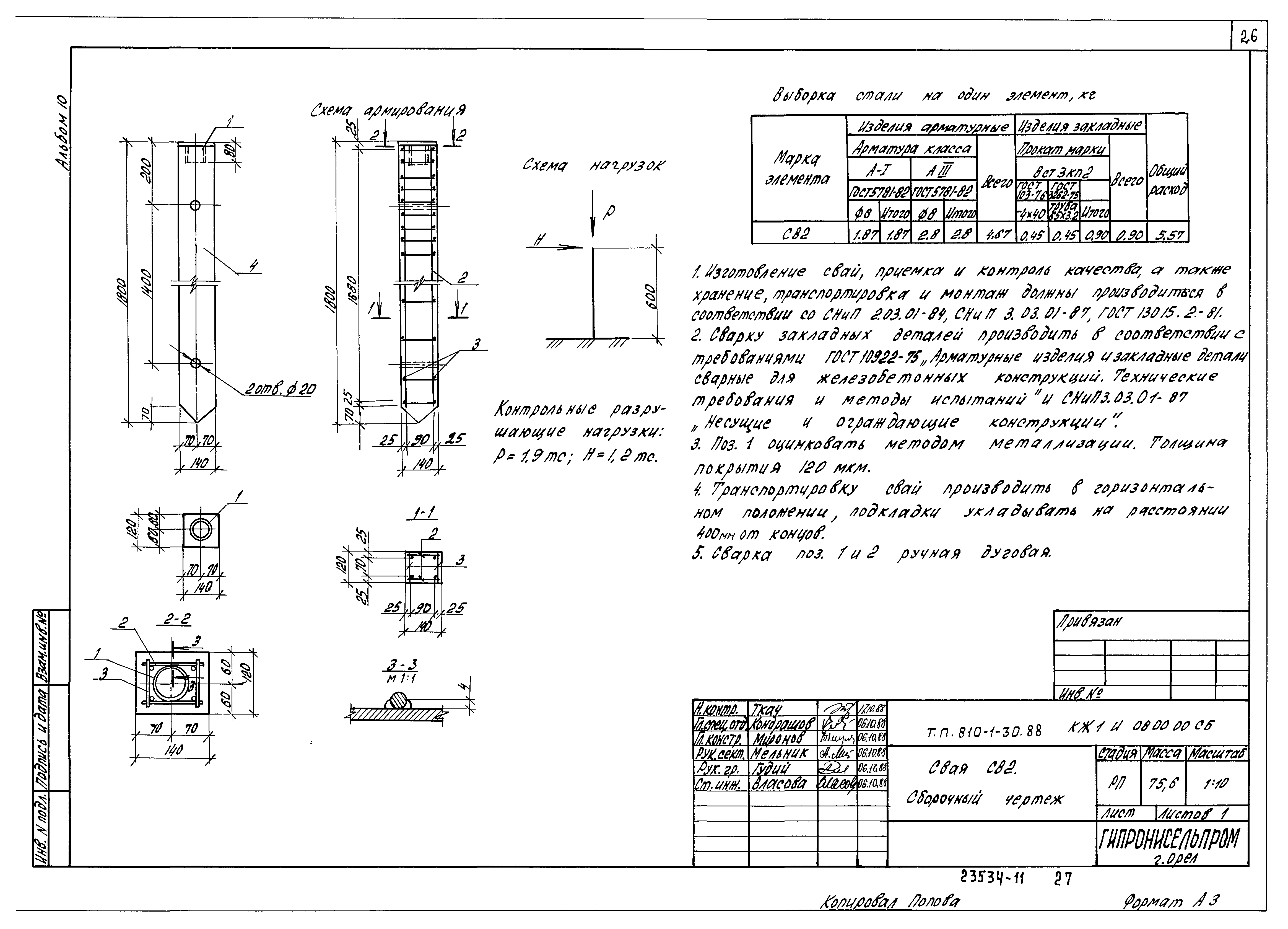
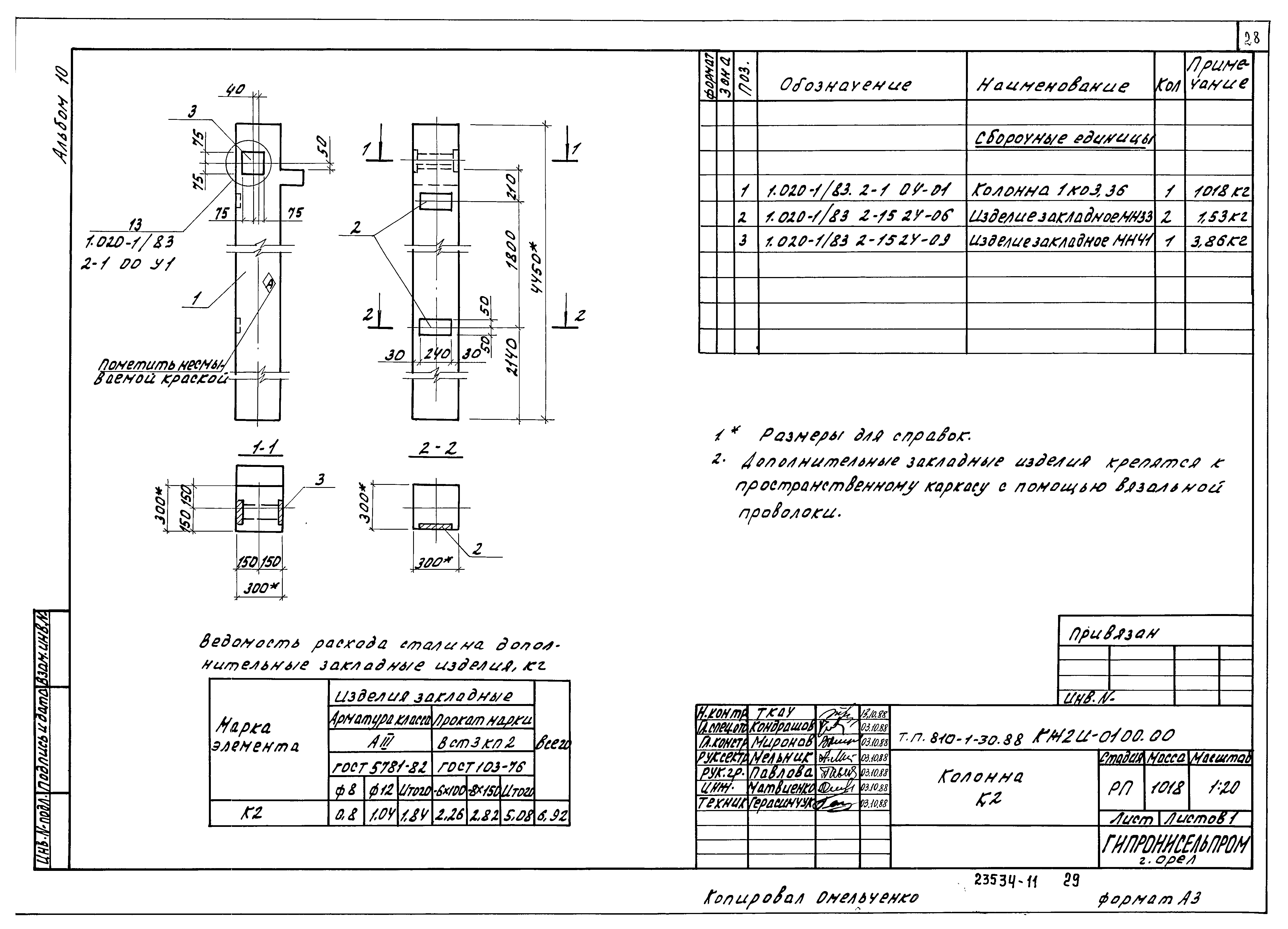
| Оглавление: | ТП 810-1-30.88 Содержание альбома ТП 810-1-30.88-АР1И01.0000 Изделие закладное МН1 ТП 810-1-30.88-АР2И01.0000 Перемычка Б-1 ТП 810-1-30.88-АР2И02.0000 Перемычка Б-2 ТП 810-1-30.88-АР2И03.0000 Панель-вставка ПГ19.8.10-А ТП 810-1-30.88-АР2И04.0000 Панель-вставка ПГ24.6.10-А ТП 810-1-30.88-АР2И05.0000 Перегородка щитовая УД-6 ТП 810-1-30.88-АР2И06.0000 Щит деревянный ЩД-4 ТП 810-1-30.88-АР2И07.0000 Кронштейн (КР1,КР2) ТП 810-1-30.88-АР2И08.0000 Решетка МР ТП 810-1-30.88-АР2И09.0000 СБ Изделие закладное (МН1...МН10). Сборочный чертеж ТП 810-1-30.88-АР2И09.0000 Изделие закладное (МН1...МН10) ТП 810-1-30.88-АР2И10.0000 Изделие соединительное (МС1,МС2) ТП 810-1-30.88-АР2И11.0000 Закладное изделие МН-11 ТП 810-1-30.88-АР2И12.0000 Решетка РВ-1 ТП 810-1-30.88-КЖ1И01.0000 Столбик СФ1 ТП 810-1-30.88-КЖ1И01.0100 Изделие закладное МН1 ТП 810-1-30.88-КЖ1И01.0200 Сетка арматурная С1 ТП 810-1-30.88-КЖ1И02.0000 СБ Цокольная панель ПЦ1. Сборочный чертеж ТП 810-1-30.88-КЖ1И02.0000 Цокольная панель ПЦ1 ТП 810-1-30.88-КЖ1И02.0100 Каркас арматурный КР1 ТП 810-1-30.88-КЖ1И02.0200 Изделие закладное МН2 ТП 810-1-30.88-КЖ1И03.0000 Изделие закладное МН3 ТП 810-1-30.88-КЖ1И04.0000 Изделие закладное МН4 ТП 810-1-30.88-КЖ1И05.0000 Изделие закладное МН5 ТП 810-1-30.88-КЖ1И06.0000 Решетка МР1 ТП 810-1-30.88-КЖ1И07.0000 СБ Свая СВ1. Сборочный чертеж ТП 810-1-30.88-КЖ1И07.0000 Свая СВ1 ТП 810-1-30.88-КЖ1И07.0100 Каркас арматурный КР1 ТП 810-1-30.88-КЖ1И08.0000 СБ Свая СВ2. Сборочный чертеж ТП 810-1-30.88-КЖ1И08.0000 Свая СВ2 ТП 810-1-30.88-КЖ1И08.0100 Изделие закладное МН6 ТП 810-1-30.88-КЖ2И01.0000 Колонна К2 ТП 810-1-30.88-КЖ2И02.0000 Колонна К3 ТП 810-1-30.88-КЖ2И03.0000 Колонна К4 ТП 810-1-30.88-КЖ2И04.0000 Колонна К5 ТП 810-1-30.88-КЖ2И05.0000 Плита (П6,П7) ТП 810-1-30.88-КЖ2И06.0000 Плита (П8,П9,П10,П11) ТП 810-1-30.88-КЖ2И07.0000 Плита (П12,П13) ТП 810-1-30.88-КЖ2И07.0100 Сетка арматурная СА4 ТП 810-1-30.88-КЖ2И08.0000 Плита (П14,П15) ТП 810-1-30.88-КЖ2И09.0000 Панель стеновая ПС1 ТП 810-1-30.88-КЖ2И10.0000 Панель стеновая ПС2 ТП 810-1-30.88-КЖ2И11.0000 Панель стеновая ПС3 ТП 810-1-30.88-КЖ2И12.0000 Панель стеновая (ПС4,ПС6) ТП 810-1-30.88-КЖ2И13.0000 Панель стеновая (ПС5,ПС7) ТП 810-1-30.88-КЖ2И14.0000 Панель стеновая ПС8 ТП 810-1-30.88-КЖ2И15.0000 Панель стеновая ПС9 ТП 810-1-30.88-КЖ2И16.0000 Панель стеновая ПС10 ТП 810-1-30.88-КЖ2И17.0000 Панель стеновая ПС11 ТП 810-1-30.88-КЖ2И18.0000 Панель стеновая (ПС12,ПС14) ТП 810-1-30.88-КЖ2И19.0000 Панель стеновая (ПС13,ПС15) ТП 810-1-30.88-КЖ2И20.0000 Панель стеновая ПС16 ТП 810-1-30.88-КЖ2И21.0000 Панель стеновая ПС17 ТП 810-1-30.88-КЖ2И22.0000 Панель стеновая (ПС18,ПС23) ТП 810-1-30.88-КЖ2И23.0000 Панель стеновая (ПС19,ПС21) ТП 810-1-30.88-КЖ2И24.0000 Панель стеновая ПС20 ТП 810-1-30.88-КЖ2И25.0000 Панель стеновая ПС22 ТП 810-1-30.88-КЖ2И26.0000 Панель стеновая ПС24 ТП 810-1-30.88-КЖ2И27.0000 Панель стеновая (ПС25,ПС27) ТП 810-1-30.88-КЖ2И28.0000 Панель стеновая ПС26 ТП 810-1-30.88-КЖ2И29.0000 Изделие закладное МН1 ТП 810-1-30.88-КЖ2И30.0000 Изделие закладное МН2 ТП 810-1-30.88-КЖ2И31.0000 Решетка стальная РС1 ТП 810-1-30.88-КЖ2И32.0000 Изделие закладное МН3 ТП 810-1-30.88-КЖ2И33.0000 Изделие закладное МН4 ТП 810-1-30.88-КЖ2И34.0000 Балка Бт1 ТП 810-1-30.88-КЖ2И35.0000 СБ Подставка ППК-1 под коллекторы. Сборочный чертеж ТП 810-1-30.88-КЖ2И35.0000 Подставка ППК-1 под коллекторы ТП 810-1-30.88-КЖ2И36.0000 Изделие закладное МН5 ТП 810-1-30.88-КЖ2И37.0000 Изделие закладное МН6 ТП 810-1-30.88-КЖ2И38.0000 Изделие закладное МН7 ТП 810-1-30.88-КЖ2И39.0000 Изделие закладное МН8 ТП 810-1-30.88-КЖ2И40.0000 Изделие закладное (МН9,МН10) ТП 810-1-30.88-КЖ2И41.0000 Изделие соединительное МС1 ТП 810-1-30.88-КЖ2И42.0000 Изделие соединительное МС2 ТП 810-1-30.88-КЖ2И43.0000 Сетка арматурная (СА1,СА2,СА3) |
| Разработан: | Гипронисельпром Госагропрома СССР |
| Утверждён: | 06.12.1988 Госагропром СССР (USSR Gosagroprom 805-42/153) |


































































