Скачать Типовой проект 810-1-35.90 Альбом 6. Изделия строительныеДата актуализации: 01.01.2021
|
| Обозначение: | Типовой проект 810-1-35.90 |
| Обозначение англ: | 810-1-35.90 |
| Статус: | не определен законодательством |
| Название рус.: | Альбом 6. Изделия строительные |
| Дата добавления в базу: | 01.09.2013 |
| Дата актуализации: | 01.01.2021 |
| Дата введения: | 25.09.1990 |
| Дата окончания срока действия: | 30.06.2003 |
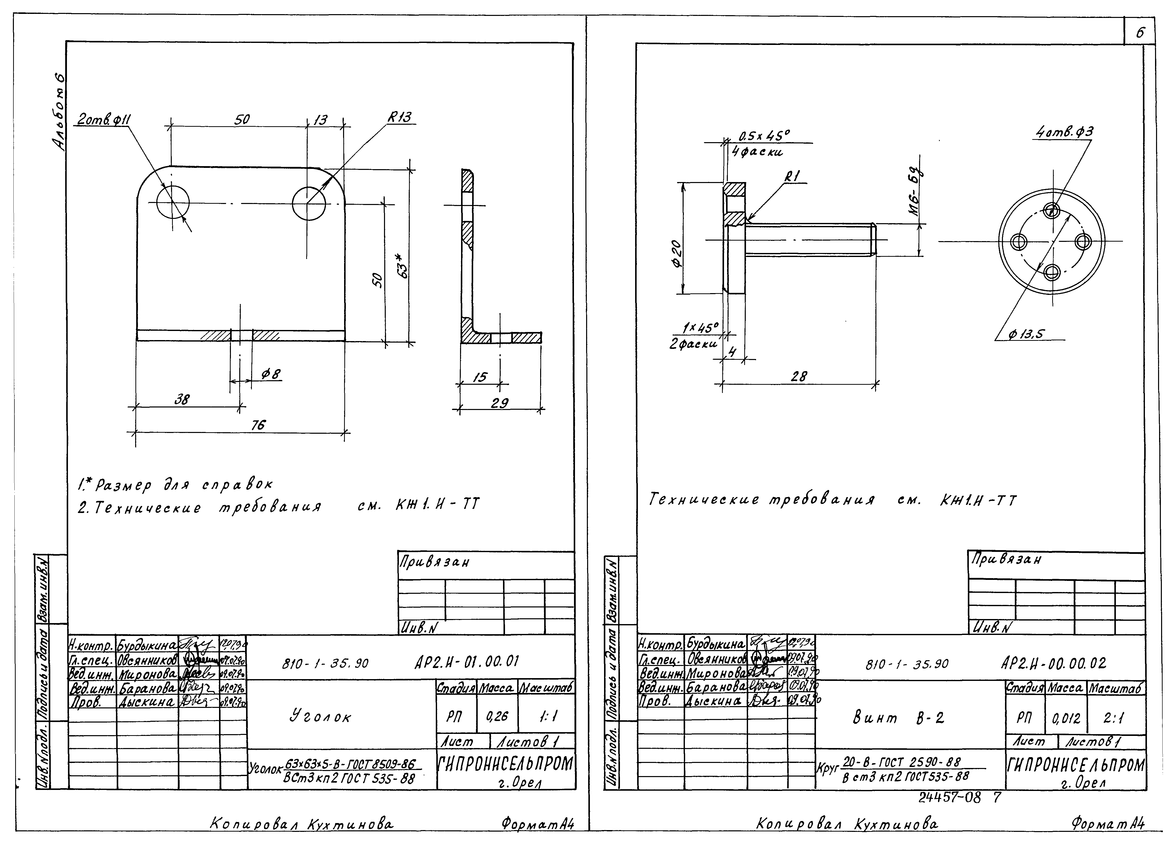
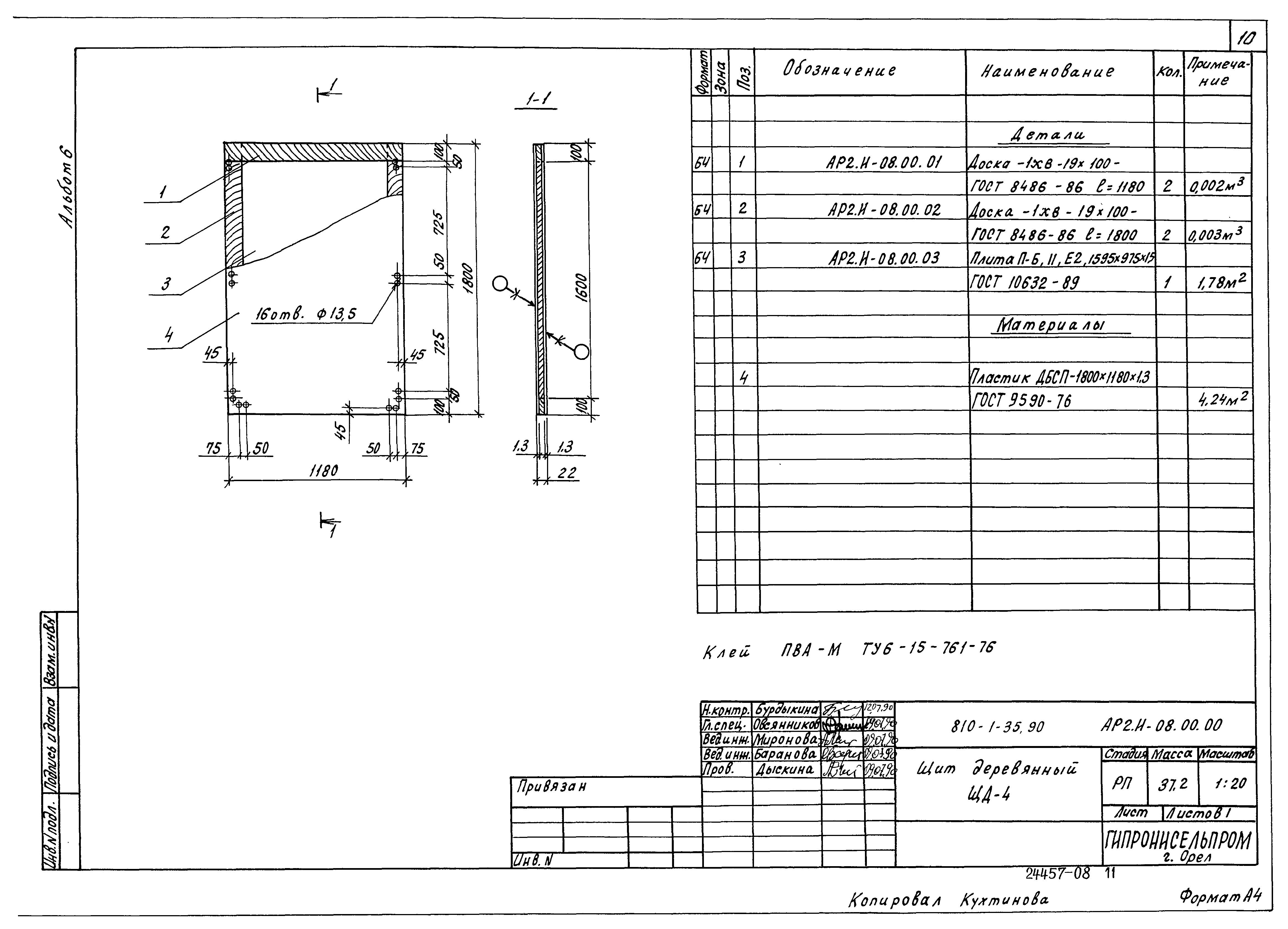
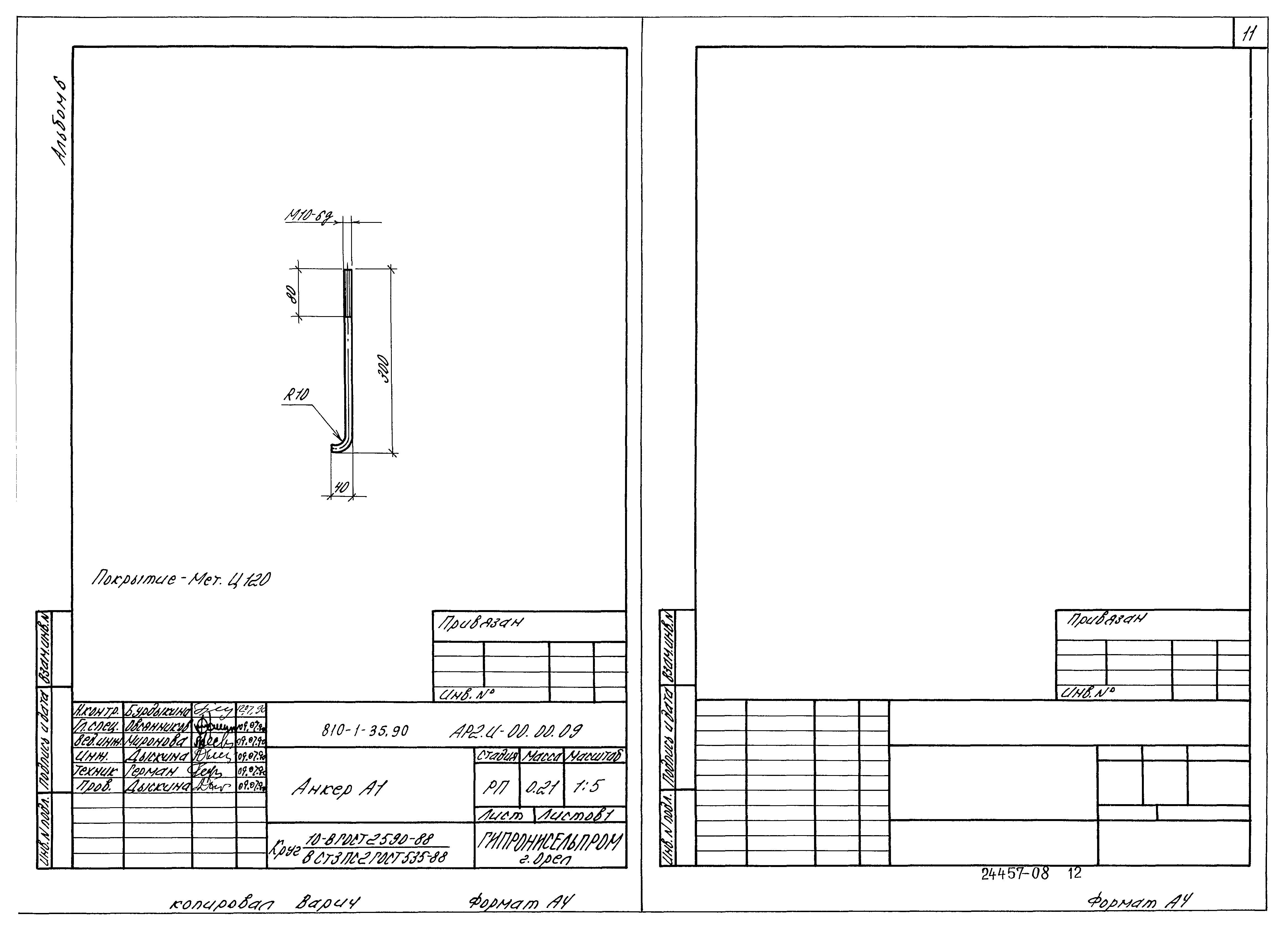
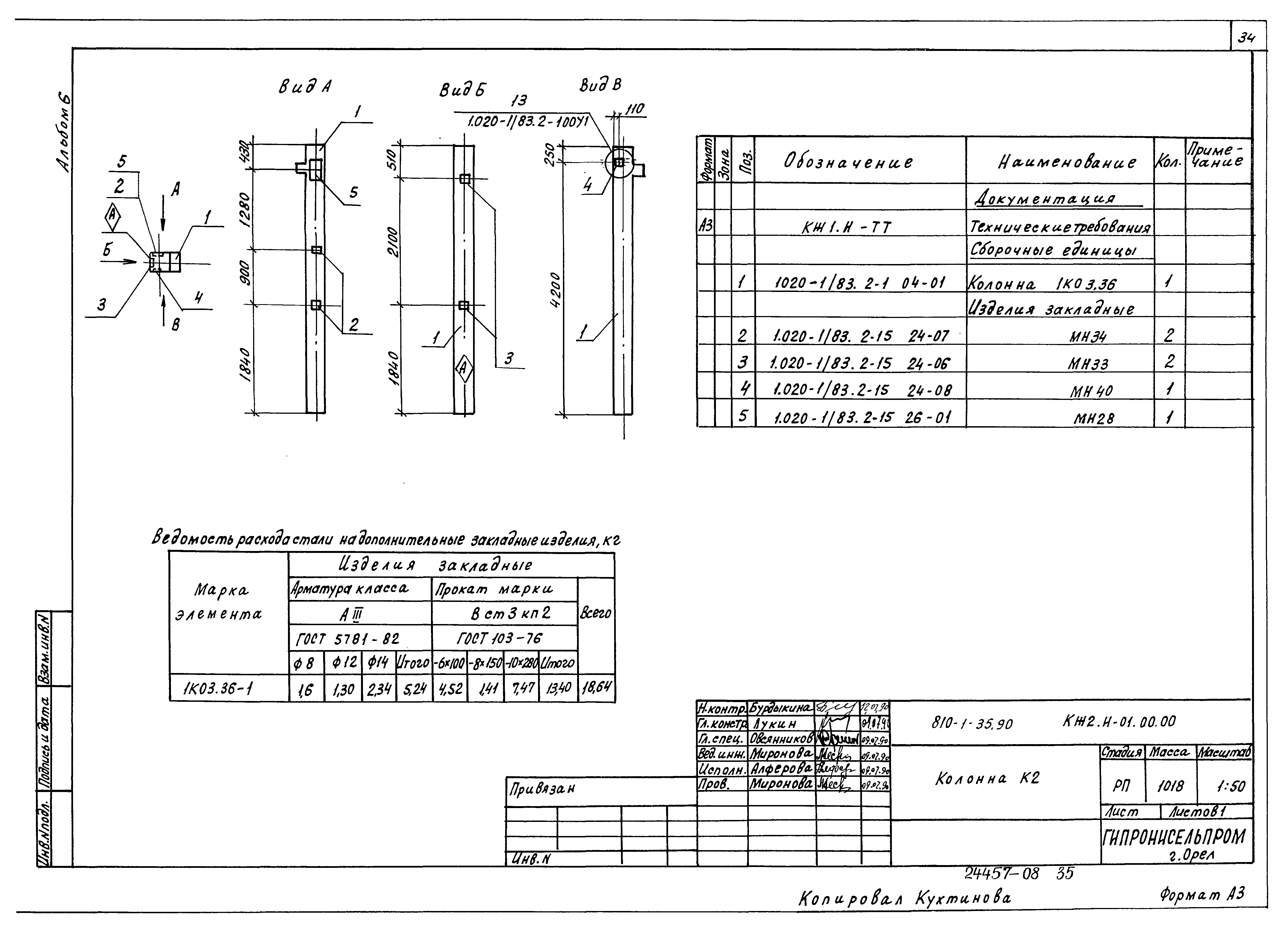
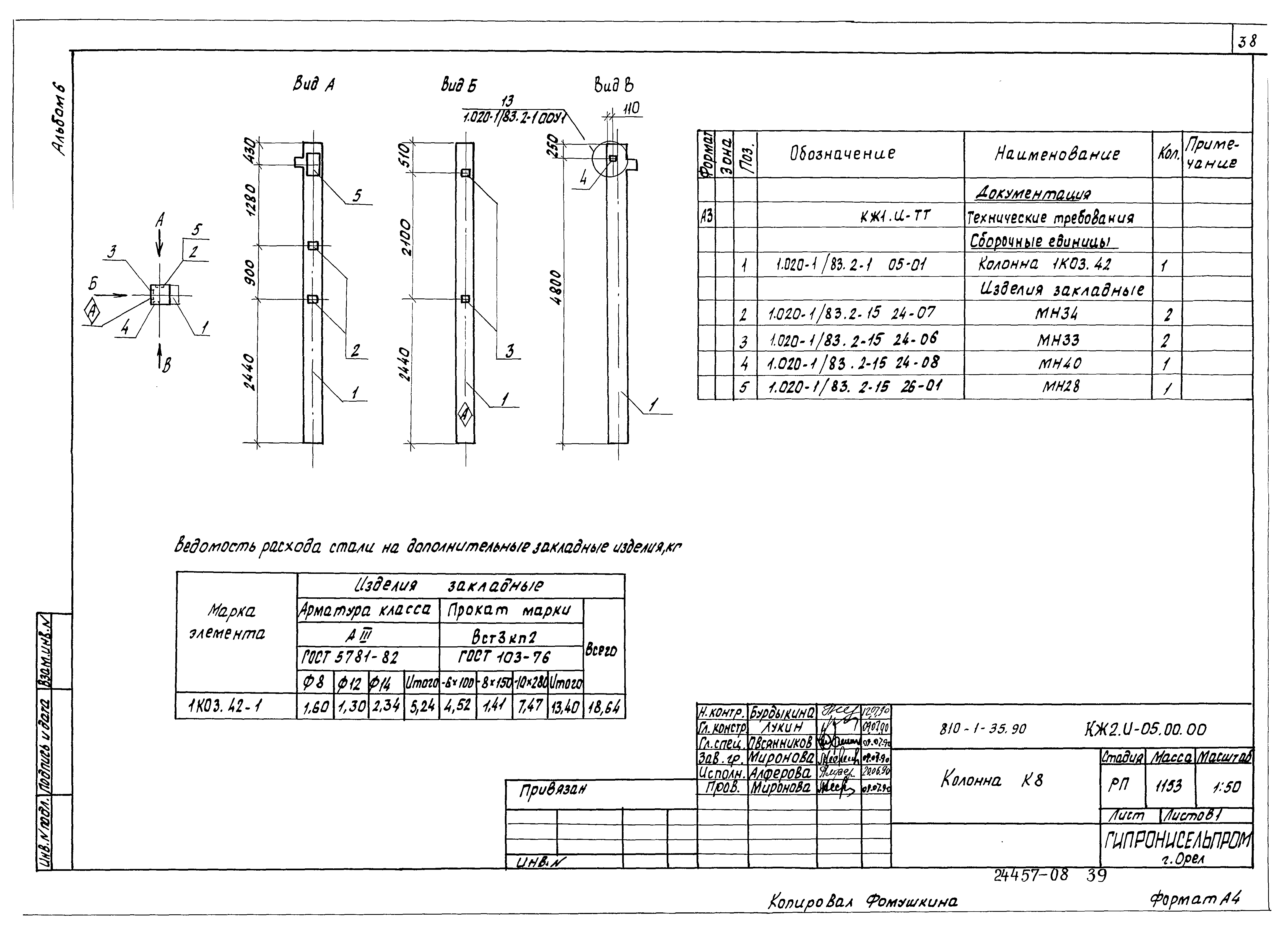
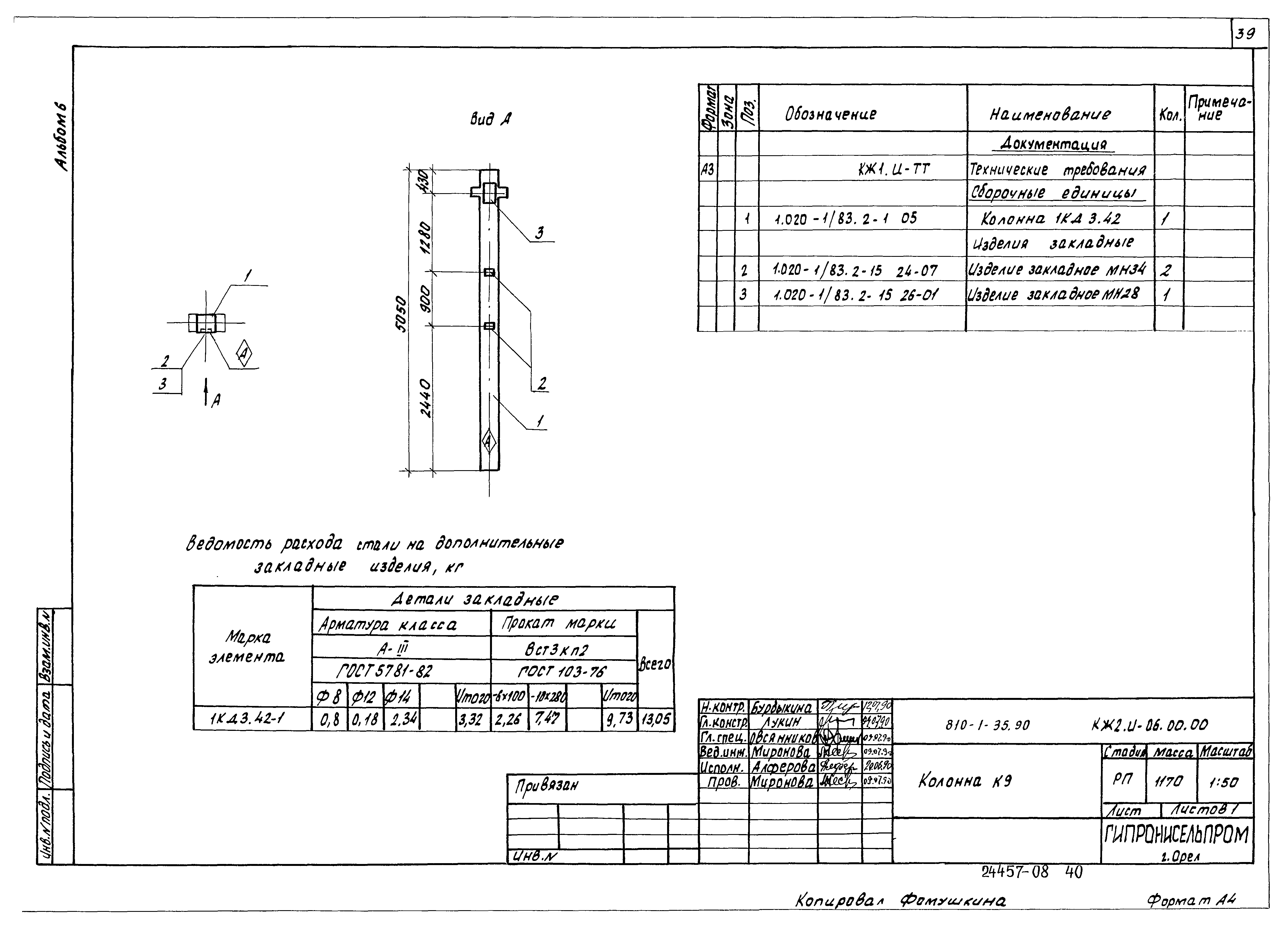
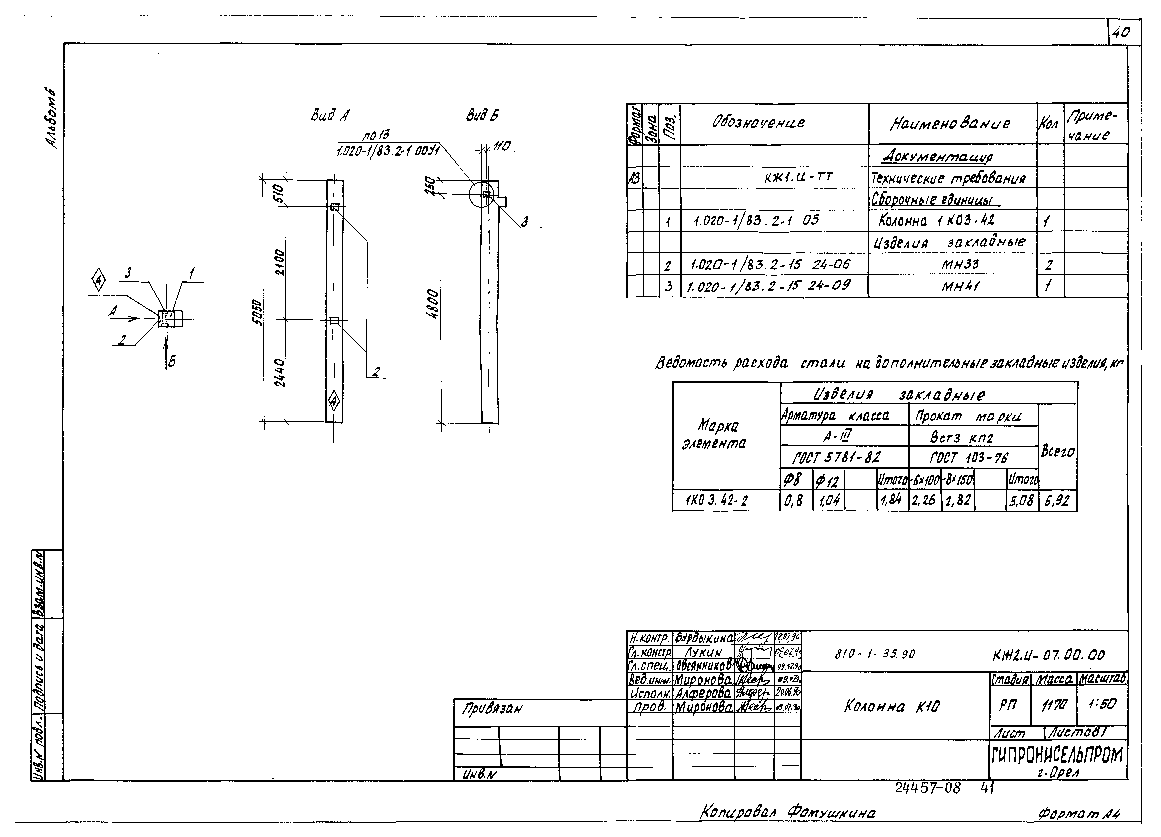
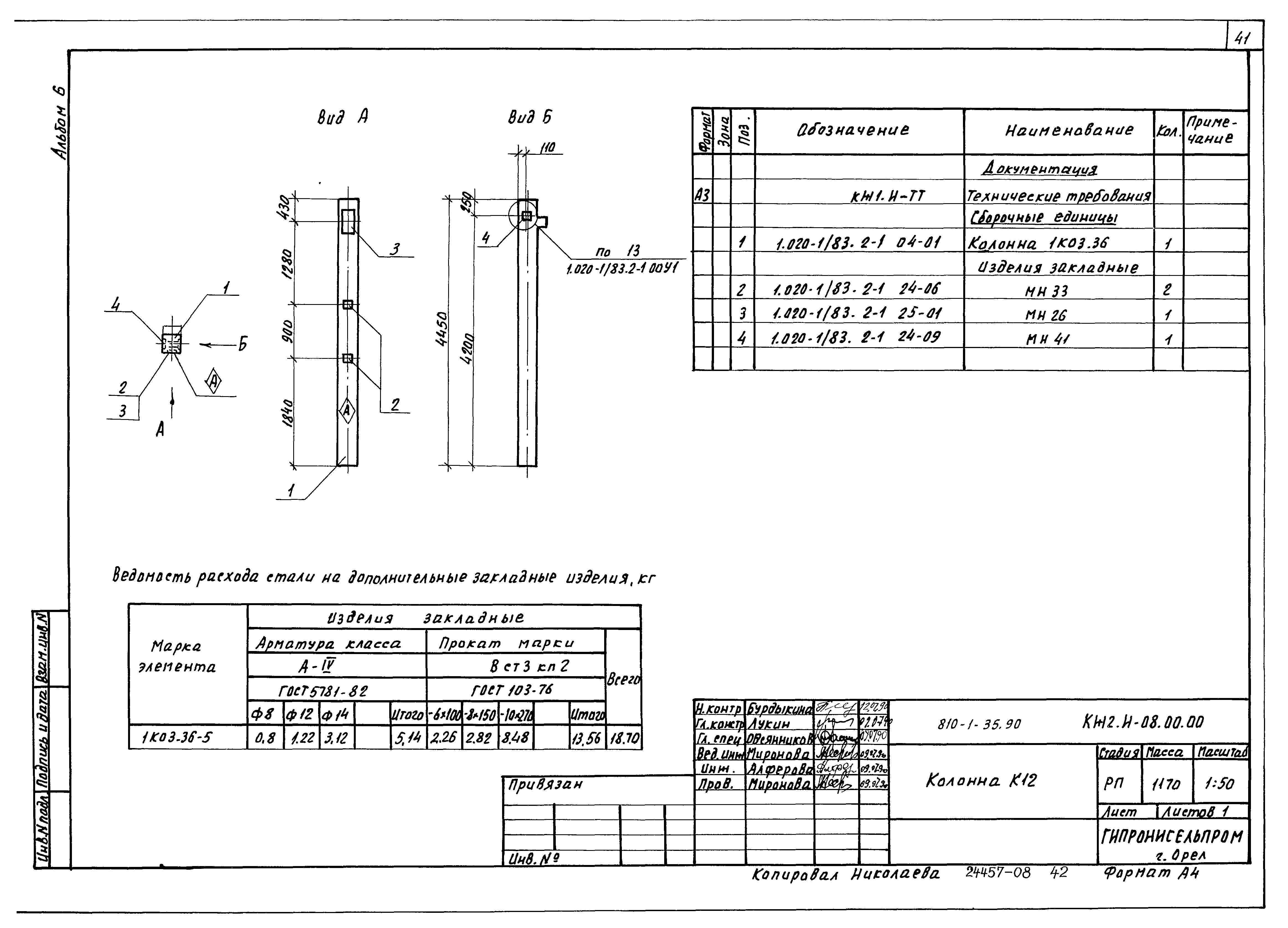
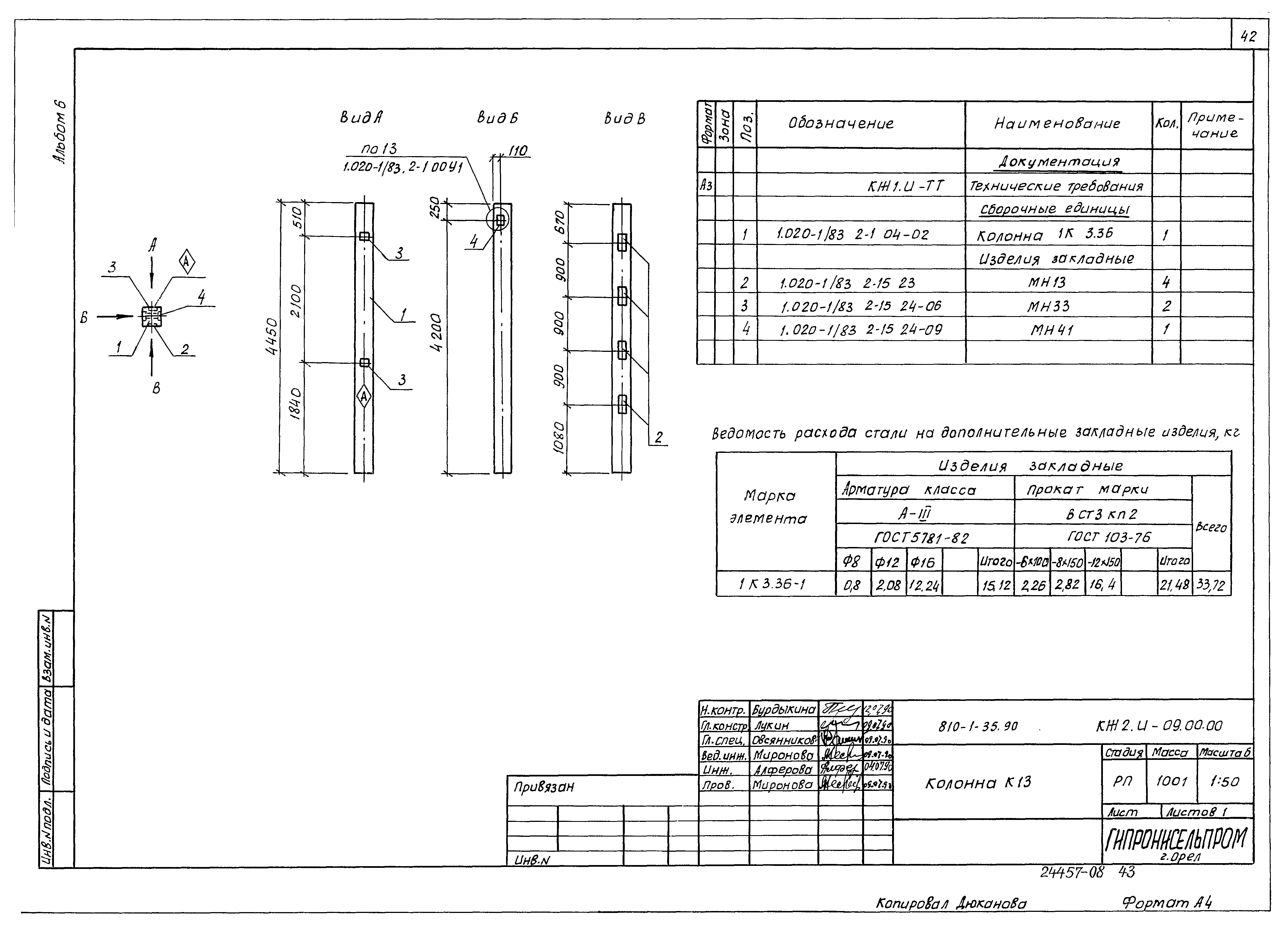
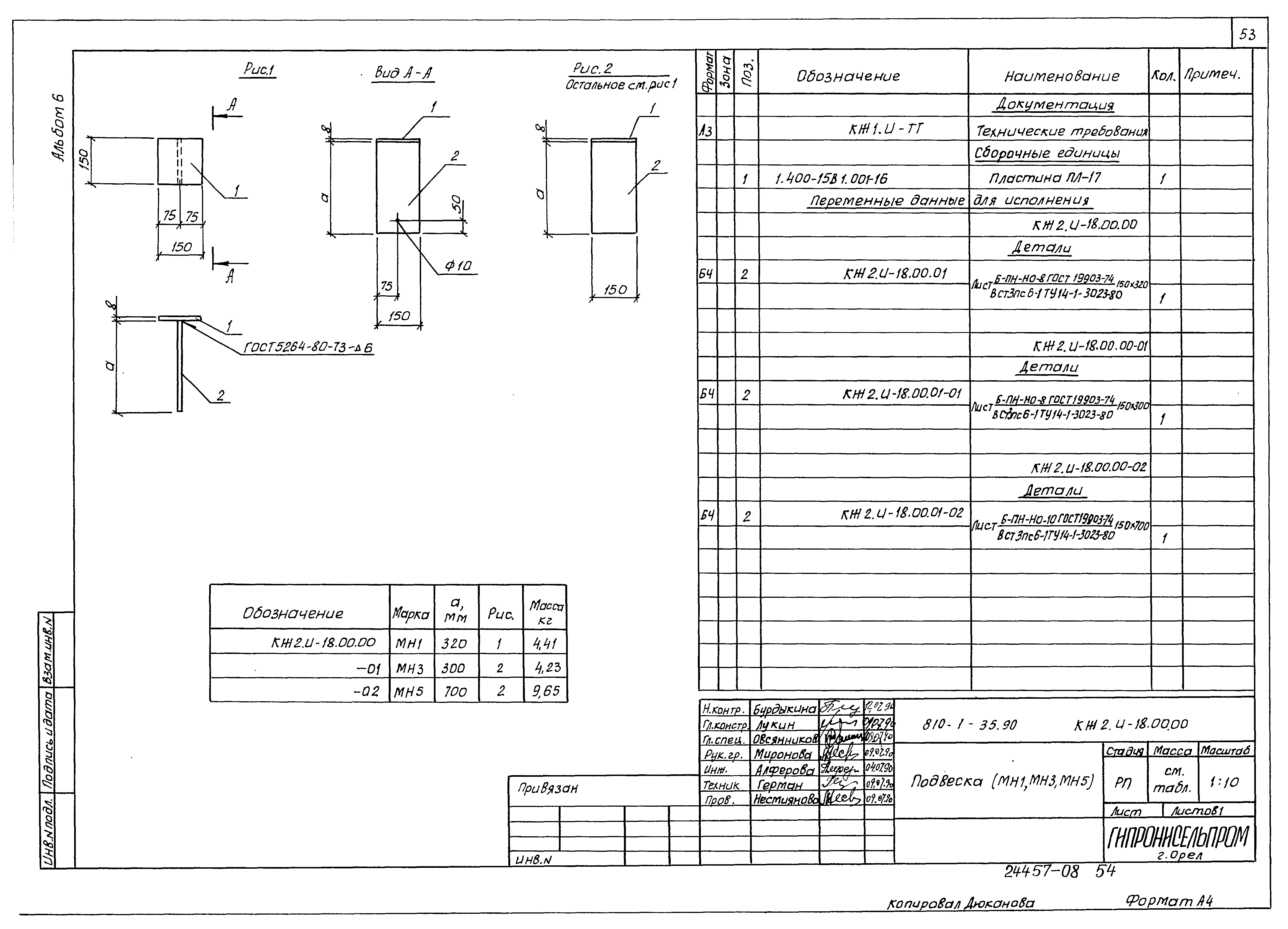
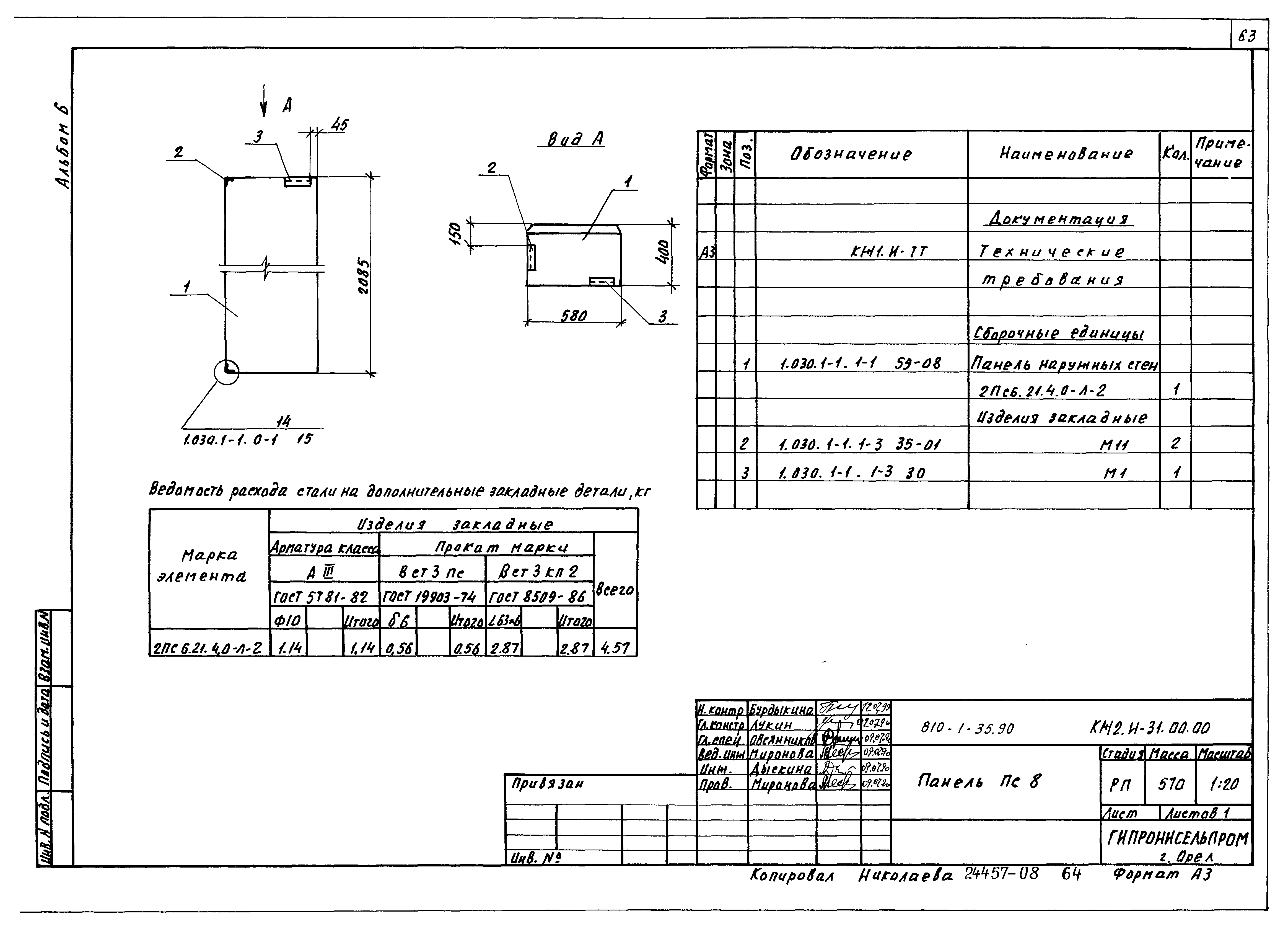
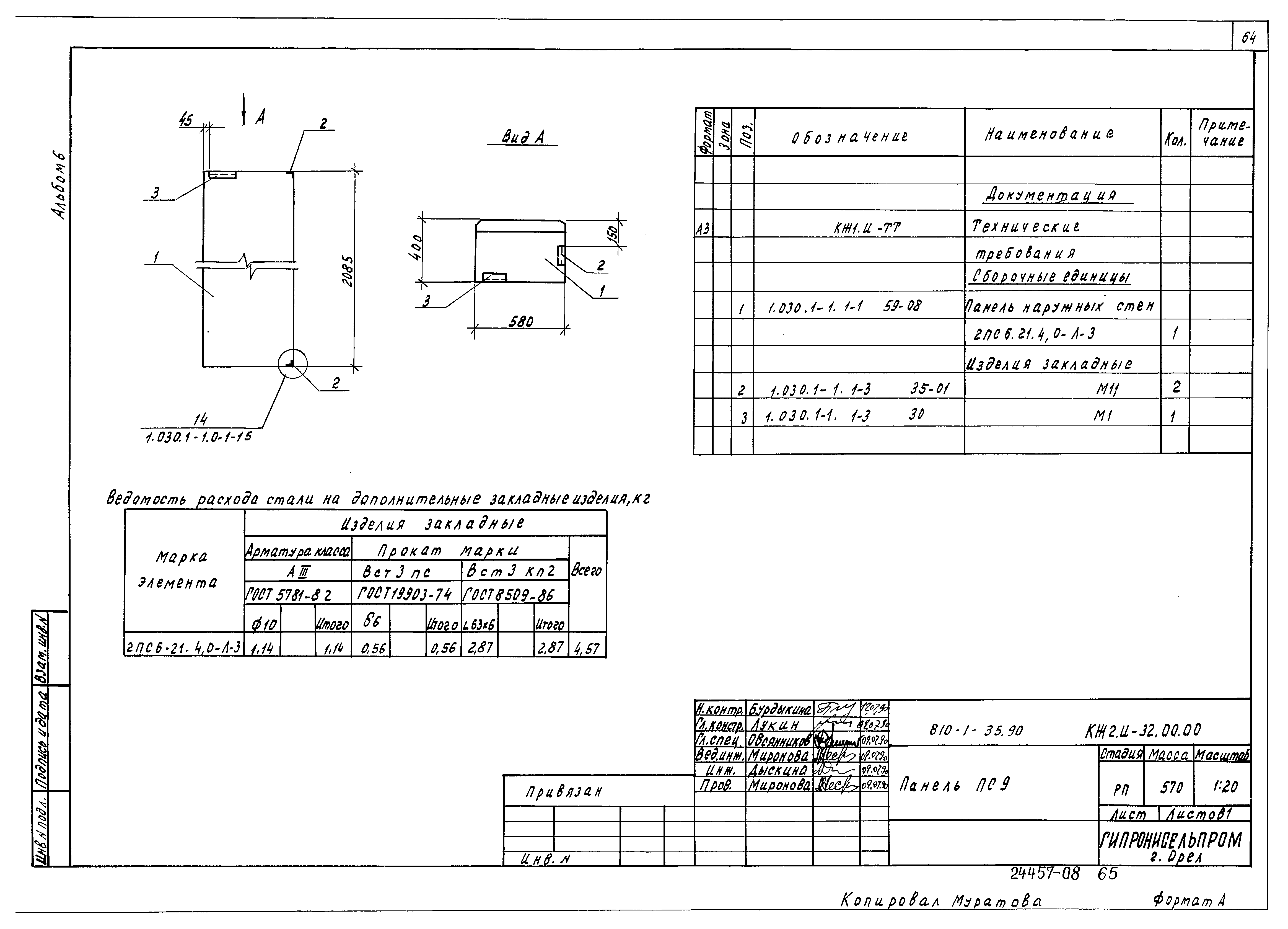
| Оглавление: | ТП810-1-35.90 Содержание альбома (начало) ТП810-1-35.90 Содержание альбома (окончание) ТП810-1-35.90 АР1.И-01.00.00 Мачта М1 ТП810-1-35.90 АР2.И-01.00.00 Ножка Н-2 ТП810-1-35.90 АР2.И-01.00.01 Уголок ТП810-1-35.90 АР2.И-00.00.02 Винт В-2 ТП810-1-35.90 АР2.И-00.00.03 Втулка ВТ-4 ТП810-1-35.90 АР2.И-00.00.04 Накладка НМ-1 ТП810-1-35.90 АР2.И-00.00.05 Прокладка П-8 ТП810-1-35.90 АР2.И-00.00.06 Прокладка П-10 ТП810-1-35.90 АР2.И-07.00.00 Щит деревянный (ЩД-1;ЩД-2;ЩД-3) ТП810-1-35.90 АР2.И-08.00.00 Щит деревянный Щд-4 ТП810-1-35.90 АР2.И-00.00.09 Анкер А1 ТП810-1-35.90 КЖ1.ИТТ Технические требования ТП810-1-35.90 КЖ1.И-01.00.00СБ Панель цокольная ПЦ1. Сборочный чертеж ТП810-1-35.90 КЖ1.И-01.00.00 Панель цокольная ПЦ1 ТП810-1-35.90 КЖ1.И-01.01.00 Сетка С1 ТП810-1-35.90 КЖ1.И-01.02.00 Каркас (КР1,КР2) ТП810-1-35.90 КЖ1.И-01.03.00 Изделие закладное МН1 ТП810-1-35.90 КЖ1.И-01.04.00 Изделие закладное МН2 ТП810-1-35.90 КЖ1.И-01.05.00 Изделие закладное МН3 ТП810-1-35.90 КЖ1.И-02.00.00 Изделие закладное МН4 ТП810-1-35.90 КЖ1.И-03.00.00 Каркас (КП2,КП3,КП4) ТП810-1-35.90 КЖ1.И-04.00.00 Изделие закладное (МН5...МН7) ТП810-1-35.90 КЖ1.И-05.00.00 Сетка С2 ТП810-1-35.90 КЖ1.И-06.00.00 Сетка С3 ТП810-1-35.90 КЖ1.И-07.00.00 Каркас КП5 ТП810-1-35.90 КЖ1.И-08.00.00 Каркас КП6 ТП810-1-35.90 КЖ1.И-09.00.00 Сетка (С4,С5,С16,С17) ТП810-1-35.90 КЖ1.И-10.00.00 Сетка С6 ТП810-1-35.90 КЖ1.И-11.00.00 Сетка С7 ТП810-1-35.90 КЖ1.И-12.00.00 Каркас КП7 ТП810-1-35.90 КЖ1.И-12.01.00 Сетка С8 ТП810-1-35.90 КЖ1.И-13.00.00 Изделие закладное (МН9,МН10) ТП810-1-35.90 КЖ1.И-14.00.00 Сетка С9 ТП810-1-35.90 КЖ1.И-15.00.00 Сетка С10 ТП810-1-35.90 КЖ1.И-16.00.00 Сетка С11 ТП810-1-35.90 КЖ1.И-17.00.00 Сетка С12 ТП810-1-35.90 КЖ1.И-18.00.00 Сетка С13 ТП810-1-35.90 КЖ1.И-19.00.00 Изделие закладное МН8 ТП810-1-35.90 КЖ1.И-20.00.00 Сетка С14 ТП810-1-35.90 КЖ1.И-21.00.00 Сетка С15 ТП810-1-35.90 КЖ1.И-22.00.00 Изделие закладное МН11 ТП810-1-35.90 КЖ1.И-23.00.00 Изделие закладное МН12 ТП810-1-35.90 КЖ1.И-24.00.00 Сетка С18 ТП810-1-35.90 КЖ1.И-25.00.00 Сетка С19 ТП810-1-35.90 КЖ2.И-01.00.00 Колонна К2 ТП810-1-35.90 КЖ2.И-02.00.00 Колонна (К3,К4) ТП810-1-35.90 КЖ2.И-03.00.00 Колонна (К5,К6) ТП810-1-35.90 КЖ2.И-04.00.00 Колонна К7 ТП810-1-35.90 КЖ2.И-05.00.00 Колонна К8 ТП810-1-35.90 КЖ2.И-06.00.00 Колонна К9 ТП810-1-35.90 КЖ2.И-07.00.00 Колонна К10 ТП810-1-35.90 КЖ2.И-08.00.00 Колонна К12 ТП810-1-35.90 КЖ2.И-09.00.00 Колонна К13 ТП810-1-35.90 КЖ2.И-10.00.00 Колонна К14 ТП810-1-35.90 КЖ2.И-11.00.00 Колонна К15 ТП810-1-35.90 КЖ2.И-12.00.00 Колонна К16 ТП810-1-35.90 КЖ2.И-13.00.00 Плита (П5,П6,П8...П13) ТП810-1-35.90 КЖ2.И-13.00.00 СБ Плита (П5,П6,П8...П13). Сборочный чертеж ТП810-1-35.90 КЖ2.И-13.01.00 Сетка (С1,С2) ТП810-1-35.90 КЖ2.И-14.00.00 Плита П7 ТП810-1-35.90 КЖ2.И-15.00.00 Плита П14 ТП810-1-35.90 КЖ2.И-16.00.00 Клетка балочная (КБ1,КБ2) ТП810-1-35.90 КЖ2.И-17.00.00 Клетка балочная КБ3 ТП810-1-35.90 КЖ2.И-18.00.00 Подвеска (МН1,МН3,МН5) ТП810-1-35.90 КЖ2.И-19.00.00 Подвеска МН2 ТП810-1-35.90 КЖ2.И-20.00.00 Подвеска МН4 ТП810-1-35.90 КЖ2.И-21.00.00 Сетка С3 ТП810-1-35.90 КЖ2.И-22.00.00 Изделие закладное МН6 ТП810-1-35.90 КЖ2.И-23.00.00 Изделие закладное МН7 ТП810-1-35.90 КЖ2.И-24.00.00 Изделие закладное МН8 ТП810-1-35.90 КЖ2.И-25.00.00 Панель ПС1 ТП810-1-35.90 КЖ2.И-26.00.00 Панель (ПС2,ПС5) ТП810-1-35.90 КЖ2.И-27.00.00 Панель ПС3 ТП810-1-35.90 КЖ2.И-28.00.00 Панель ПС4 ТП810-1-35.90 КЖ2.И-29.00.00 Панель ПС6 ТП810-1-35.90 КЖ2.И-30.00.00 Панель ПС7 ТП810-1-35.90 КЖ2.И-31.00.00 Панель ПС8 ТП810-1-35.90 КЖ2.И-32.00.00 Панель ПС9 ТП810-1-35.90 КЖ2.И-33.00.00 Панель (ПС10,ПС11) ТП810-1-35.90 КЖ2.И-34.00.00 Панель ПС12 ТП810-1-35.90 КЖ2.И-35.00.00 Панель ПС13 |
| Разработан: | Институт Гипронисельпром Минсельхозпрода СССР |
| Утверждён: | 21.09.1990 Главное научно-проектное управление по строительству Госкомиссии Совмина СССР по продовольствию и закупкам (11) |



































































