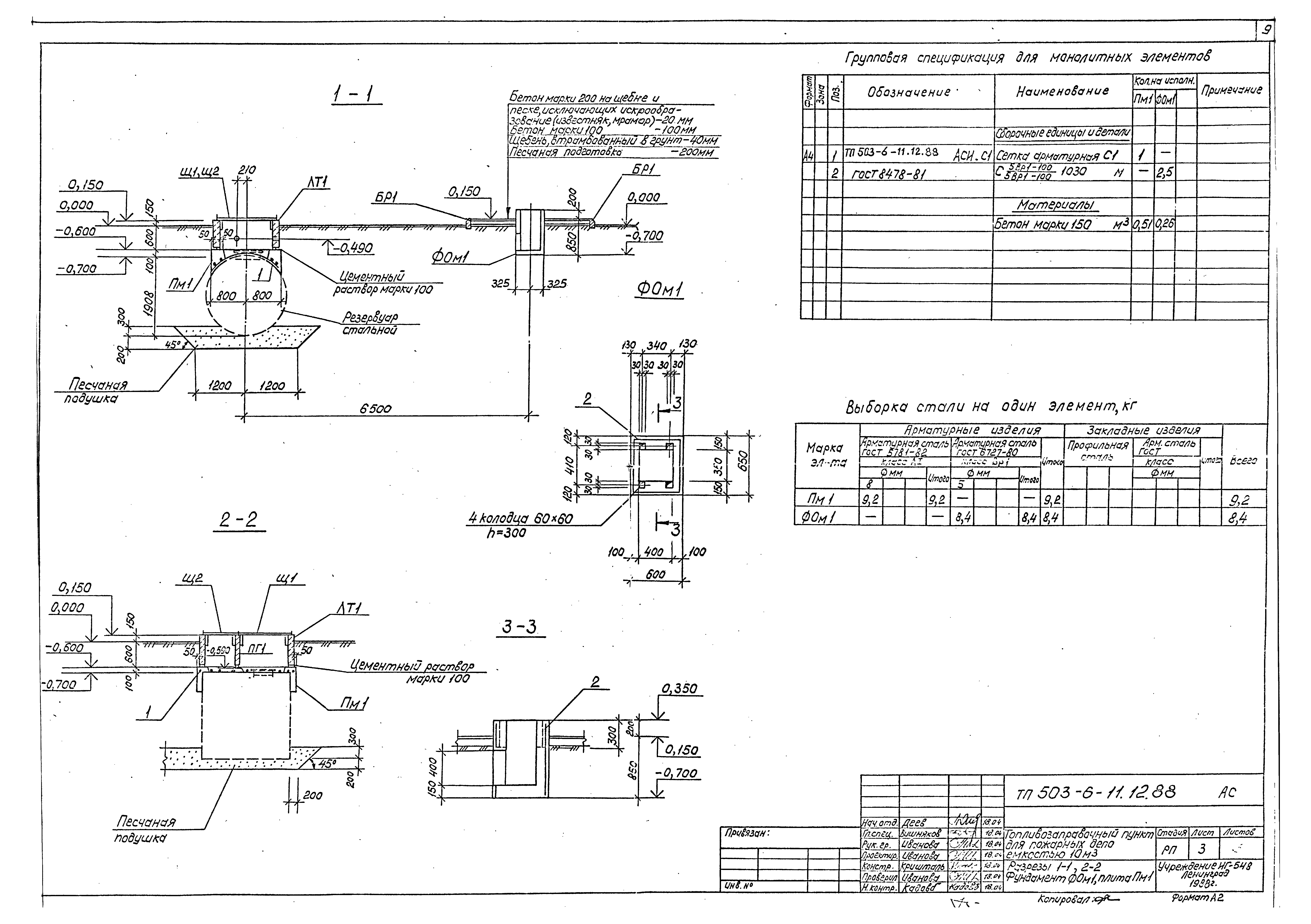
Скачать Типовой проект 503-6-11.12.88 Альбом I. Технологические решения. Архитектурно-строительные решения. Силовое электрооборудованиеДата актуализации: 01.01.2021
|
| Обозначение: | Типовой проект 503-6-11.12.88 |
| Обозначение англ: | 503-6-11.12.88 |
| Статус: | не определен законодательством |
| Название рус.: | Альбом I. Технологические решения. Архитектурно-строительные решения. Силовое электрооборудование |
| Дата добавления в базу: | 01.09.2013 |
| Дата актуализации: | 01.01.2021 |
| Дата введения: | 09.06.1988 |
| Дата окончания срока действия: | 30.06.2003 |
| Разработан: | Учреждение ИГ-548 |
| Утверждён: | 26.05.1988 МВД СССР (USSR Ministry of Internal Affairs 39-88) |















