Скачать Типовой проект 902-2-480.90 Альбом 2. Технологические решения. Спецификация оборудования. Конструкции железобетонные. Электротехническая часть. Организация строительстваДата актуализации: 01.01.2021
|
| Обозначение: | Типовой проект 902-2-480.90 |
| Обозначение англ: | 902-2-480.90 |
| Статус: | не определен законодательством |
| Название рус.: | Альбом 2. Технологические решения. Спецификация оборудования. Конструкции железобетонные. Электротехническая часть. Организация строительства |
| Дата добавления в базу: | 01.09.2013 |
| Дата актуализации: | 01.01.2021 |
| Дата введения: | 03.01.1991 |
| Дата окончания срока действия: | 30.06.2003 |
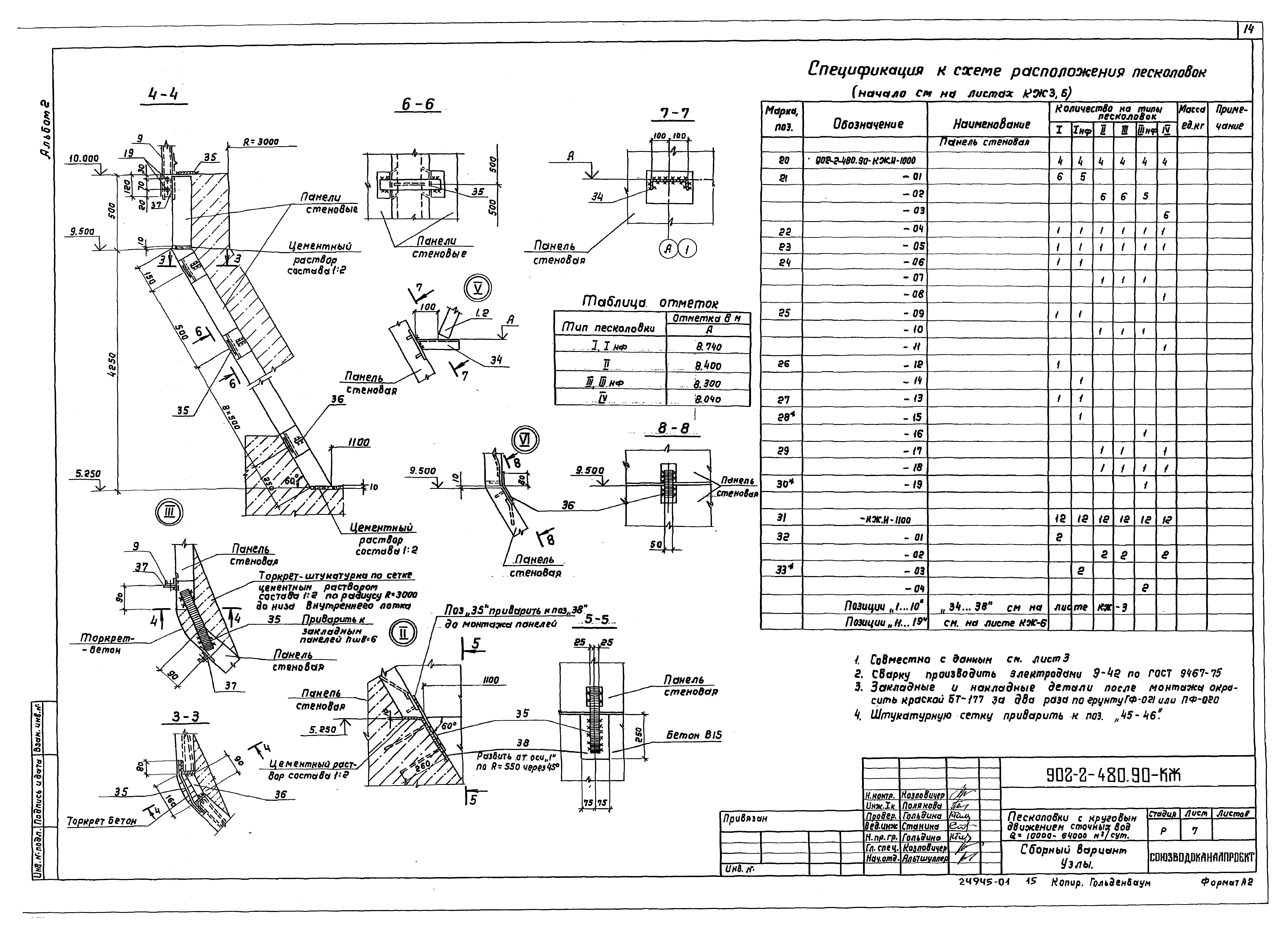
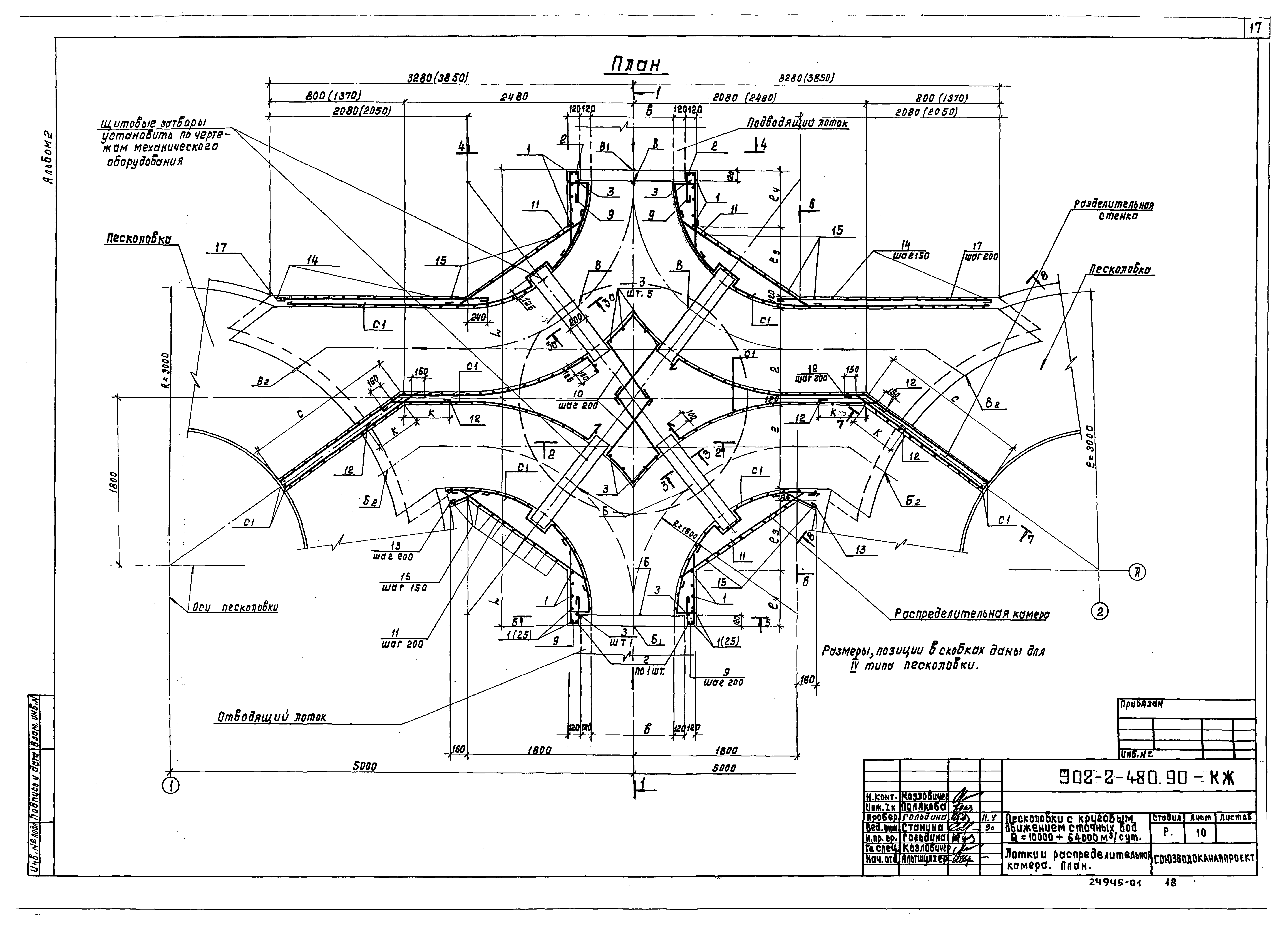
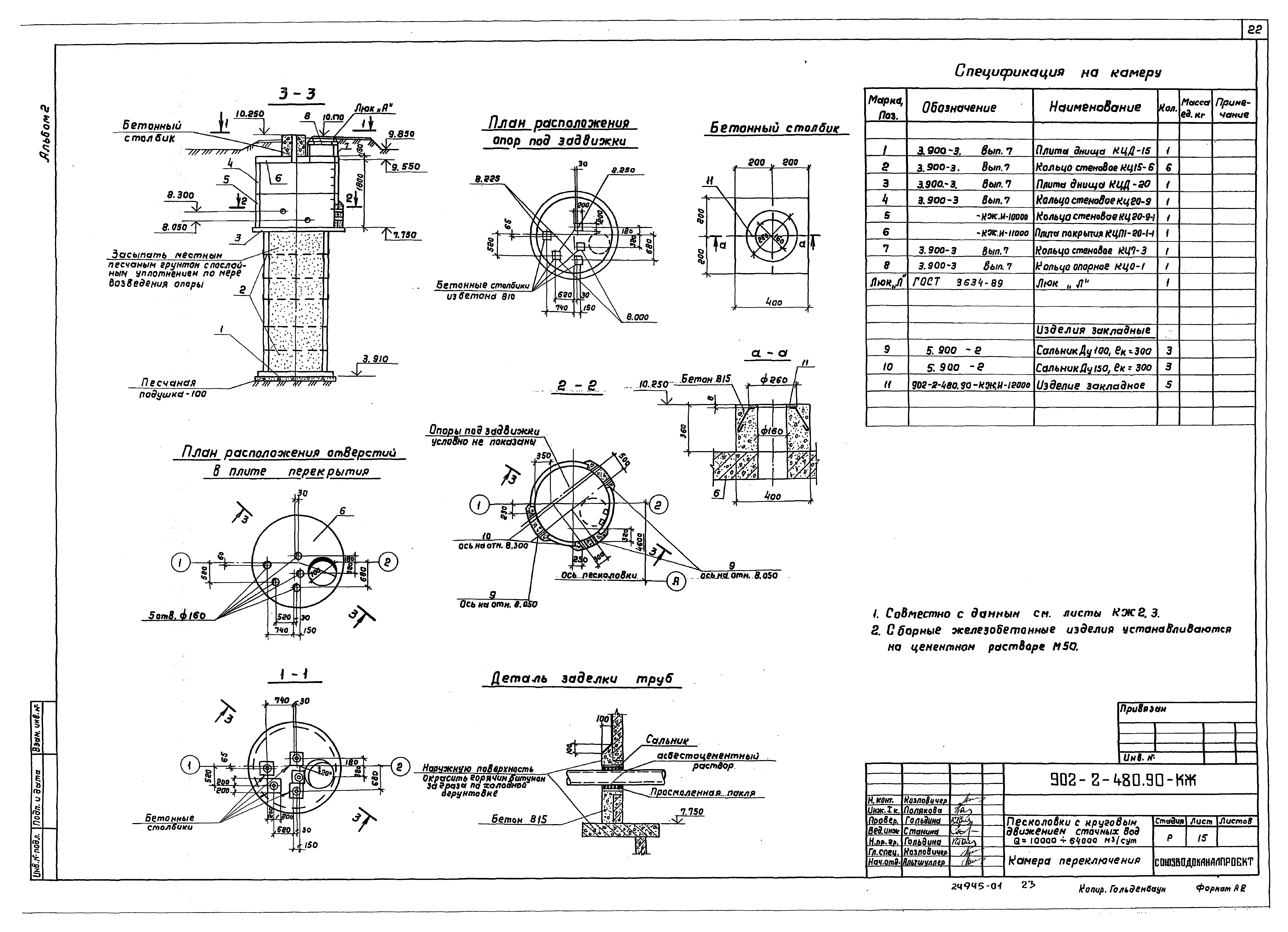
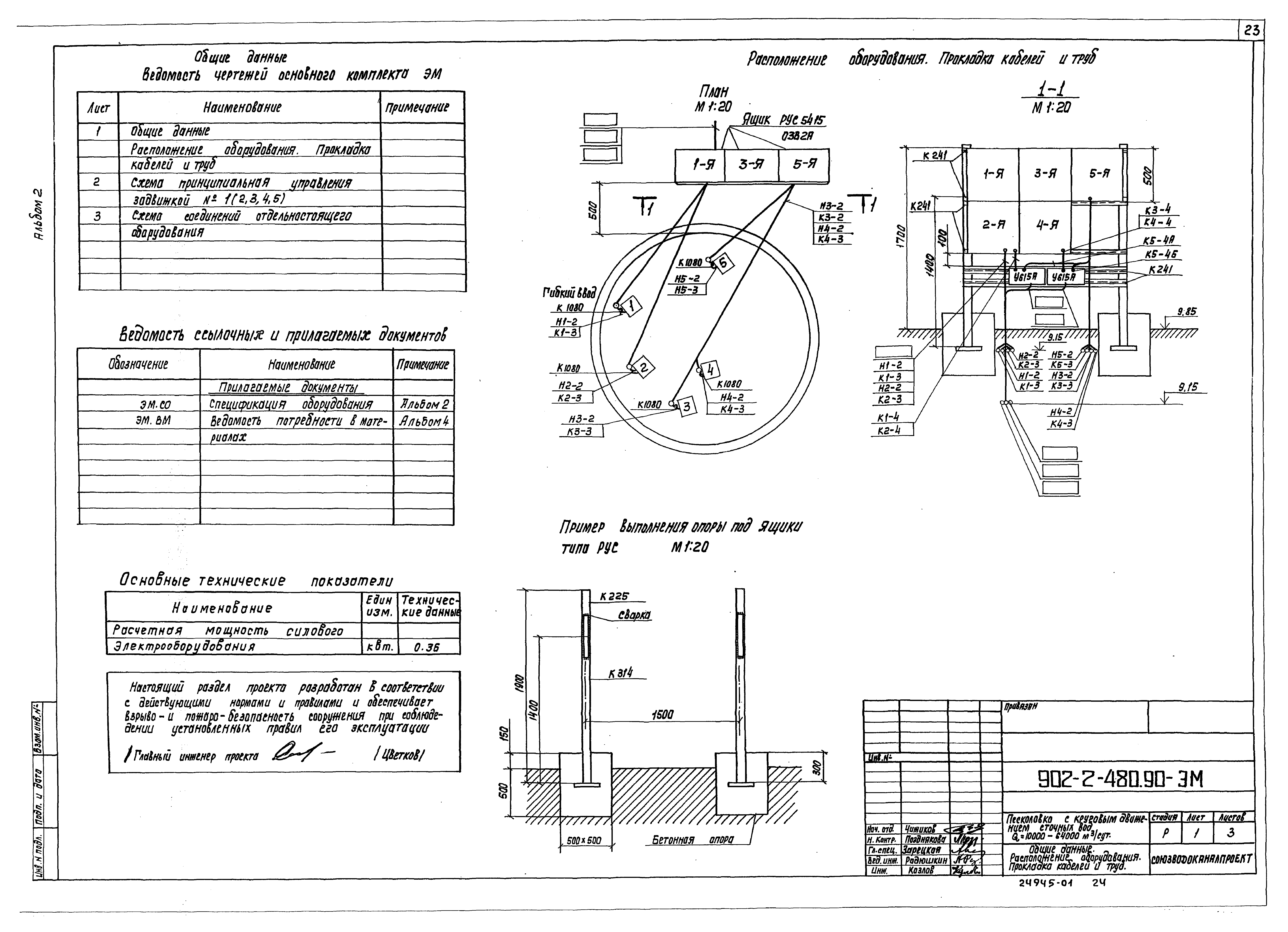
| Оглавление: | ТП 902-2-480.90 Титульный лист ТП 902-2-480.90 Содержание альбома ТП 902-2-480.90 НК-1 Общие данные ТП 902-2-480.90 НК-2 План ТП 902-2-480.90 НК-3 Разрезы 1-1,2-2 ТП 902-2-480.90 НК.СО-1 Спецификация оборудования ТП 902-2-480.90 НК.СО-2 Спецификация оборудования ТП 902-2-480.90 КЖ-1 Общие данные ТП 902-2-480.90 КЖ-2 Монолитный вариант. Схема расположения песколовок ТП 902-2-480.90 КЖ-3 Сборный вариант. Схема расположения песколовок ТП 902-2-480.90 КЖ-4 Монолитный вариант. Бункер песколовки ТП 902-2-480.90 КЖ-5 Монолитный вариант. Бункер песколовки. Армирование ТП 902-2-480.90 КЖ-6 Схема расположения площадок. Узлы ТП 902-2-480.90 КЖ-7 Сборный вариант. Узлы ТП 902-2-480.90 КЖ-8 Сборный вариант. Монолитные участки УМ1,УМ2, типы 1,1НФ ТП 902-2-480.90 КЖ-9 Сборный вариант. Монолитные участки УМ1,УМ2, типы 2,3,3НФ,4 ТП 902-2-480.90 КЖ-10 Лотки и распределительная камера. План ТП 902-2-480.90 КЖ-11 Лотки и распределительная камера. Сечения ТП 902-2-480.90 КЖ-12 Лотки и распределительная камера. Сечения ТП 902-2-480.90 КЖ-13 Лотки и распределительная камера. Ведомость деталей. Спецификация ТП 902-2-480.90 КЖ-14 Лотки и распределительная камера. Спецификация ТП 902-2-480.90 КЖ-15 Камера переключения ТП 902-2-480.90 ЭМ-1 Общие данные. Расположение оборудования. Прокладки кабелей и труб ТП 902-2-480.90 ЭМ-2 Схема принципиальная управления задвижкой №1(2,3,4,5) ТП 902-2-480.90 ЭМ-3 Схема соединений отдельностоящего оборудования ТП 902-2-480.90 ЭМ.СО-1 Спецификация оборудования ТП 902-2-480.90 ЭМ.СО-2 Спецификация оборудования ТП 902-2-480.90 ОС-1 Общие данные. Стройгенплан ТП 902-2-480.90 ОС-2 График производства работ |
| Разработан: | Союзводоканалпроект |
| Утверждён: | 03.01.1991 СоюзводоканалНИИпроект (SoyuzvodokanalNIIproject 1) |





























